Skip to content

Tiêu chuẩn quốc gia TCVN 7722-1:2017 (IEC 60598-1:2014 With AMD1:2017) về Đèn điện – Phần 1: Yêu cầu chung và các thử nghiệm

TIÊU CHUẨN QUỐC GIA

TCVN 7722-1:2017

IEC 60598 1:2014 WITH AMD1:2017

ĐÈN ĐIỆN – PHẦN 1: YÊU CẦU CHUNG VÀ CÁC THỬ NGHIỆM

Luminaires – Part 1: General requirements and tests

 

Nội dung chính ẩn

Lời nói đầu

TCVN 7722-1:2017 thay thế TCVN 7722-1:2009;

TCVN 7722-1:2017 hoàn toàn tương đương với IEC 60598-1:2014 và sửa đổi 1:2017;

TCVN 7722-1:2017 do Ban kỹ thuật tiêu chuẩn quốc gia TCVN/TC/E11 Chiếu sáng biên soạn, Tổng cục Tiêu chuẩn Đo lường Chất lượng đề nghị, Bộ Khoa học và Công nghệ công bố.

Bộ Tiêu chuẩn Quốc gia TCVN 7722 (IEC 60598), Đèn điện có các tiêu chuẩn dưới đây:

TCVN 7722-1:2017, Phần 1: Yêu cầu chung và các thử nghiệm

TCVN 7722-2-1:2013, Phần 2-1: Yêu cầu cụ thể – Đèn điện thông dụng lắp cố định

TCVN 7722-2-2:2007, Phần 2: Yêu cầu cụ thể – Mục 2: Đèn điện lắp chìm

TCVN 7722-2-3: 2007, Phần 2: Yêu cầu cụ thể – Mục 3: Đèn điện dùng cho chiếu sáng đường phố

TCVN 7722-2-4:2013, Phần 2-4: Yêu cầu cụ thể-Đèn điện thông dụng di động

TCVN 7722-2-5:2007, Phần 2: Yêu cầu cụ thể – Mục 5: Đèn pha

TCVN 7722-2-6:2009, Phần 2: Yêu cầu cụ thể – Mục 6: Đèn điện có biến áp hoặc bộ chuyển đổi lắp sẵn dùng cho bóng đèn sợi đốt

TCVN 7722-2-7:2013, Phần 2-7: Yêu cầu cụ thể – Đèn điện di động dùng trong vườn

TCVN 7722-2-8:2013, Phần 2-8: Yêu cầu cụ thể – Đèn điện cầm tay

TCVN 7722-2-12:2013, Phần 2-12: Yêu cầu cụ thể – Đèn ngủ cắm vào ổ cắm nguồn lưới

TCVN 7722-2-13:2013, Phần 2-13: Yêu cầu cụ thể – Đèn điện lắp chìm trong đất

TCVN 7722-2-20:2013, Phần 2-20: Yêu cầu cụ thể – Chuỗi đèn

TCVN 7722-2-22:2013, Phần 2-22: Yêu cầu cụ thể – Đèn điện dùng cho chiếu sáng khẩn cấp

TCVN 7722-2-24:2013, Phần 2-24: Yêu cầu cụ thể – Đèn điện có giới hạn nhiệt độ bề mặt

ĐÈN ĐIỆNPHẦN 1: YÊU CẦU CHUNG VÀ CÁC THỬ NGHIỆM

Luminaires – Part 1: General requirements and tests

Mục 0: Giới thiệu chung

0.1 Phạm vi áp dụng

Tiêu chuẩn này quy định các yêu cầu chung đối với đèn điện có lắp các nguồn sáng dùng điện để làm việc ở điện áp nguồn đến 1 000 V. Các yêu cầu và các thử nghiệm liên quan của tiêu chuẩn này đề cập đến: phân loại, ghi nhãn, kết cấu cơ, kết cấu điện và an toàn quang sinh học.

Mỗi mục của tiêu chuẩn này có liên hệ chặt chẽ với Mục 0 và với các mục liên quan khác được viện dẫn.

Mỗi phần của TCVN 7722-2 (IEC 60598-2) đưa ra các yêu cầu đối với một loại cụ thể của đèn điện hoặc nhóm các đèn điện có điện áp nguồn không vượt quá 1 000 V. Các phần này được xuất bản riêng rẽ để dễ dàng soát xét và bổ sung các mục khi cần để dễ nhận biết.

Cần lưu ý rằng tiêu chuẩn này đề cập đến tất cả các khía cạnh an toàn (điện, nhiệt và cơ).

Thể hiện dữ liệu về quang đối với đèn điện đang được ủy ban quốc tế về đèn điện (CIE) xem xét và do đó, chưa được đề cập trong tiêu chuẩn này.

Các yêu cầu được đề cập trong tiêu chuẩn này áp dụng cho đèn điện có bộ mồi có giá trị điện áp xung đỉnh danh nghĩa không vượt quá các giá trị nêu trong Bảng 11. Các yêu cầu này áp dụng cho đèn điện có bộ mồi lắp trong balát và áp dụng cho đèn điện có bộ mồi riêng rẽ với balát. Các yêu cầu đối với đèn điện có bộ mồi lắp trong bóng đèn đang được xem xét.

Các yêu cầu đối với nửa đèn điện cũng được đề cập trong tiêu chuẩn này.

Nói chung, tiêu chuẩn này đề cập đến các yêu cầu an toàn đối với đèn điện. Mục đích của tiêu chuẩn này là để cung cấp một loạt các yêu cầu và thử nghiệm được xem là có thể áp dụng chung cho hầu hết các loại đèn điện và có thể được trích dẫn khi có yêu cầu trong các yêu cầu kỹ thuật cụ thể của TCVN 7722-2 (IEC 60589-2). Do đó, bản thân tiêu chuẩn này không được xem là yêu cầu kỹ thuật cho bất kỳ loại đèn điện nào và các quy định của nó chỉ áp dụng cho các loại đèn điện cụ thể trong phạm vi được xác định bởi phần thích hợp của TCVN 7722-2 (IEC 60598-2).

Các phần của TCVN 7722-2 (IEC 60598-2) khi viện dẫn đến bất kỳ mục nào của tiêu chuẩn này, quy định phạm vi mà mục đó được áp dụng và thứ tự các thử nghiệm được thực hiện; chúng cũng bao gồm các yêu cầu cụ thể cần thiết.

Thứ tự đánh số các mục trong tiêu chuẩn này không có ý nghĩa riêng vì thứ tự áp dụng các điều khoản của chúng được xác định cho từng loại đèn điện hoặc nhóm các đèn điện bởi phần thích hợp của TCVN 7722-2 (IEC 60598-2). Tất cả các phần của TCVN 7722-2 (IEC 60598-2) là độc lập và do đó, không viện dẫn đến các phần khác của TCVN 7722-2 (IEC 60598-2).

Trong trường hợp các yêu cầu của bất kỳ mục nào của tiêu chuẩn này được đề cập đến trong các phần của TCVN 7722-2 (IEC 60598-2) bằng cụm từ “áp dụng các yêu cầu của mục … của TCVN 7722-1 (IEC 60598-1)” thì cụm từ này được hiểu là áp dụng tất cả các yêu cầu của mục đó của tiêu chuẩn này trừ các yêu cầu hiển nhiên là không thể áp dụng cho loại đèn điện cụ thể được đề cập bởi phần đó của TCVN 7722-2 (IEC 60598-2).

Đối với đèn điện có chống nổ được đề cập ở TCVN 7079 (IEC 60079), ngoài các yêu cầu của TCVN 7079 (IEC 60079) còn áp dụng các yêu cầu của TCVN 7722 (IEC 60598) (chọn phần 2 thích hợp). Trong trường hợp có mâu thuẫn giữa TCVN 7722 (IEC 60598) và TCVN 7079 (IEC 60079) thì các yêu cầu của TCVN 7079 (IEC 60079) được ưu tiên.

Cải thiện về an toàn có tính đến thực trạng công nghệ được tính đến trong các tiêu chuẩn bằng cách soát xét và sửa đổi trên cơ sở hiện có. Các cơ quan tiêu chuẩn hóa khu vực có thể đưa các quy định vào tiêu chuẩn dẫn xuất của họ để bao trùm các sản phẩm phù hợp với tài liệu trước đó mà nhà chế tạo hoặc tổ chức tiêu chuẩn hóa đưa ra. Các quy định này có thể có yêu cầu rằng đối với các sản phẩm này, tiêu chuẩn trước đó có thể được tiếp tục áp dụng trong sản xuất cho đến ngày quy định, sau đó phải áp dụng tiêu chuẩn mới.

0.2 Tài liệu viện dẫn

Các tài liệu viện dẫn sau đây là cần thiết cho việc áp dụng tiêu chuẩn. Đối với các tài liệu ghi năm công bố thì áp dụng các bản được nêu. Đối với các tài liệu không ghi năm công bố thì áp dụng bản mới nhất, bao gồm cả các sửa đổi.

TCVN 4255 (IEC 60529), Cấp bảo vệ bằng vỏ ngoài (Mã IP)

TCVN 6385:2009 (IEC 60065:2005), Thiết bị nghe nhìn và các thiết bị điện tử tương tự – Yêu cầu về an toàn

TCVN 6481 (IEC 60400), Đui đèn dùng cho bóng đèn huỳnh quang dạng ống và đui tắcte

TCVN 6482 (IEC 60155), Tắc te chớp sáng dùng cho bóng đèn huỳnh quang

TCVN 6610 (IEC 60227) (tất cả các phần), Cáp cách điện bằng polyvinyl clorua có điện áp danh định đến và bằng 450/750V

TCVN 6612:2007 (IEC 60228:2004), Ruột dẫn của cáp cách điện

TCVN 6639 (IEC 60238), Đui đèn xoáy ren Edison

TCVN 7590 (IEC 61347) (tất cả các phần), Bộ điều khiển bóng đèn

TCVN 7590-1 (IEC 61347-1), Bộ điều khiển bóng đèn – Phần 1: Yêu cầu chung và yêu cầu an toàn

TCVN 7590-2-9 (IEC 61347-2-9), Bộ điều khiển bóng đèn – Phần 2-9: Yêu cầu cụ thể đối với balát dùng cho bóng đèn phóng điện (không kể bóng đèn huỳnh quang)

TCVN 7591 (IEC 61199), Bóng đèn huỳnh quang một đầu – Quy định về an toàn

TCVN 7671-1 (IEC 60432-1), Bông đèn sợi đốt – Yêu cầu về an toàn – Phần 1: Bóng đèn có sợi đốt bằng Vonfram dùng trong gia đình và chiếu sáng thông dụng tương tự

TCVN 7699-2-6:2009 (IEC 60068-2-6:2007), Thử nghiệm môi trường – Phần 2-6: Các thử nghiệm – Thử nghiệm Fc: Rung (hình sin)

TCVN 7699-2-75 (IEC 60068-2-75), Thử nghiệm môi trường – Phần 2-75: Các thử nghiệm – Thử nghiệm Eh: Thử nghiệm búa

TCVN 7722-2 (IEC 60598-2) (tất cả các phần), Đèn điện – Phần 2: Yêu cầu cụ thể

TCVN 8086 (IEC 60085), Cách điện – Đánh giá nhiệt và ký hiệu cấp nhiệt

TCVN 8781 (IEC 62031), LED modules for general lighting – Safety specifications (Môđun LED dùng để chiếu sáng chung – Yêu cầu kỹ thuật về an toàn)

TCVN 9615 (IEC 60245) (tất cả các phần), Cáp cách điện bằng cao su-Điện áp danh định đến và bằng 450/750 V

TCVN 9622-2-1 (IEC 60998-2-1), Bộ đấu nối dùng cho mạch điện hạ áp trong gia đình và các mục đích tương tự – Phần 2-1: Yêu cầu cụ thể đối với bộ đấu nối là thực thể riêng rẽ có khối kẹp kiểu bắt ren

TCVN 9622-2-2 (IEC 60998-2-2), Bộ đấu nối dùng cho mạch điện hạ áp trong gia đình và các mục đích tương tự – Phần 2-2: Yêu cầu cụ thể đối với bộ đấu nối là thực thể riêng rẽ có khối kẹp kiểu không bắt ren

TCVN 9900-2-11 (IEC 60695-2-11), Thử nghiệm nguy cơ cháy – Phần 2-11: Phương pháp thử bằng sợi dây nóng đỏ – Phương pháp thử khả năng chảy bằng sợi dây nóng đỏ đối với sản phẩm hoàn chỉnh

TCVN 9900-11-5 (IEC 60695-11-5), Thử nghiệm nguy cơ cháy – Phần 11-5: Ngọn lửa thử nghiệm – Phương pháp thử bằng ngọn lửa hình kim – Thiết bị, bố trí thử nghiệm xác nhận và hướng dẫn

TCVN 10884-4:2015 (IEC 60664-4:2005), Phối hợp cách điện dùng cho thiết bị trong hệ thống điện hạ áp – Phần 4: Xem xét ứng suất điện áp tần số cao

TCVN 10899 (IEC 60320) (tất cả các phần), Bộ nối thiết bị dùng trong gia đình và các mục đích tương tự

IEC 60061, Lamp caps and holders together with gauges for the control of interchangeability and safety (Đầu đèn và đui đèn cùng với các dưỡng dùng để kiểm tra khả năng lắp lẫn và an toàn)

IEC 60061-2, Lamp caps and holders together with gauges for the control of interchangeability and safety – Part 2: Lampholders (Đầu đèn và đui đèn cùng với các dưỡng dùng để kiểm tra khả năng lắp lẫn và an toàn – Phần 2: Đui đèn)

IEC 60061 -3, Lamp caps and holders together with gauges for the control of interchangeability and safety – Part 3: Gauges (Đầu đèn và đui đèn cùng với các dưỡng dùng để kiểm tra khả năng lắp lẫn và an toàn – Phần 3: Dưỡng)

IEC 60068-2-14:2009[1]1, Basic environmental testing procedures – Part 2-14: Tests – Test N: Change of temperature (Thử nghiệm môi trường – Phần 2-14: Các thử nghiệm – Thử nghiệm N: Thay đổi nhiệt độ)

IEC/TR 60083, Plugs and socket-outlets for domestic and similar general use standardized in member countries of IEC (Phích cắm và ổ cắm dùng trong gia đình và mục đích sử dụng tương tự được tiêu chuẩn hóa trong các nước thành viên của IEC)

lEC 60112:2003, Method for the determination of the proof and the comparative tracking indices of solid insulating materials (Phương pháp xác định chỉ số phóng điện bề mặt và chỉ số phóng điện tương đối của vật liệu cách điện rắn)

IEC 60357, Tungsten halogen lamps (non-vehicle) – Performance specifications (Bóng đèn sợi đốt halogen (không dùng cho phương tiện giao thông) – Yêu cầu tính năng)

IEC 60360, Standard method of measurement of lamp cap temperature rise (Phương pháp tiêu chuẩn để đo độ tăng nhiệt của đầu đèn)

IEC 60384-14, Fixed capacitors for use in electronic equipment – Part 14: Sectional specification: Fixed capacitors for electromagnetic interference suppression and connection to the supply mains (Tụ điện không đổi dùng cho thiết bị điện tử – Phần 14: Quy định kỹ thuật từng phần: Tụ điện không đổi dùng để triệt nhiễu điện từ và nối đến nguồn lưới)

IEC 60417, Graphical symbols for use on equipment (Ký hiệu bằng hình vẽ để sử dụng trên thiết bị)

IEC 60432-2, Incandescent lamps – Safety specifications – Part 2: Tungsten halogen lamps for domestic and similar general lighting purposes (Bóng đèn sợi đốt – Yêu cầu kỹ thuật về an toàn – Phần 2: Bóng đèn halogen vonfram dùng cho gia đình và mục đích chiếu sáng chung tương tự)

IEC 60432-3, Incandescent lamps- Safety specifications – Part 3: Tungsten-halogen lamps (non-vehicle) (Bóng đèn sợi đốt – Yêu cầu kỹ thuật về an toàn – Phần 3: Bóng đèn halogen vônfram không dùng cho phương tiện giao thông)

IEC 60449:1973, Amendment 1 (1979), Voltage bands for electrical installations of buildings (Dải điện áp dùng cho hệ thống lắp đặt điện của các tòa nhà)

IEC 60570:2003, Electrical supply track systems for luminaires (Hệ thống thanh ray cung cấp điện cho đèn điện)

IEC 60598-2-4, Luminaires – Part 2: Particular requirements – Section 4: Portable general purpose luminaires (Đèn điện – Phần 2: Yêu cầu cụ thể – Mục 4: Đèn điện di động thông dụng)

IEC 60662, High pressure sodium vapour lamps (Bóng đèn hơi natri áp suất cao)

IEC 60682, Standard method of measuring the pinch temperature of quartz-tungsten-halogen lamps (Phương pháp tiêu chuẩn để đo nhiệt độ vấu kẹp của bóng đèn halogen vônfram thạch anh)

IEC 60684 (tất cả các phần), Flexible insulating sleeving (Ống lót mềm cách điện)

IEC 60838 (tất cả các phần), Miscellaneous lampholders (Đui đèn hỗn hợp)

IEC 60989, Separating transformers, autotransformers, variable transformers and reactors (Máy biến áp rời, máy biến áp tự ngẫu, máy biến áp biến đổi và cuộn kháng)

IEC 60990:1999, Methods of measurement of touch current and protective conductor current (Phương pháp đo dòng điện chạm và dòng điện trong dây dẫn bảo vệ)

IEC 61032:1997, Protection of persons and equipment by enclosures – Probes for verification (Bảo vệ con người và thiết bị bằng vỏ bọc – Que thử dùng để kiểm tra)

IEC 61058-1:2000[2]2, Switches for appliances – Part 1: General requiements (Thiết bị đóng cắt dùng cho thiết bị – Phần 1: Yêu cầu chung)

IEC 61167, Metal halide lamps (Bóng đèn halogen kim loại)

IEC 61184, Bayonet lampholders (Đui đèn cổ gài)

IEC 61249 (tất cả các phần), Materials for printed boards and other interconnecting structures (Vật liệu dùng cho tấm mạch in và các kết cấu kết nối khác)

IEC 61558 (tất cả các phần), Safety of power transformers, power supplies, reactors and similar products (An toàn của máy biến áp điện lực, nguồn cung cấp, cuộn kháng và các sản phẩm tương tự)

IEC 61558-1:2005, Safety of power transformers, power supplies, reactors and similar products – Part 1: General requirements and tests (An toàn của máy biến áp điện lực, nguồn cung cấp, cuộn kháng và các sản phẩm tương tự – Phần 1: Yêu cầu chung và các thử nghiệm)

IEC 61558-2 (tất cả các phần), Safety of power transformers, power supplies, reactors and similar products – Part 2: Particular requirements (An toàn của máy biến áp điện lực, nguồn cung cấp, cuộn kháng và các sản phẩm tương tự – Phần 2: Yêu cầu cụ thể)

IEC 61558-2-5, Safety of power transformers, power supply units and similar – Part 2-5: Particular requirements for shaver transformers and shaver supply units (An toàn của máy biến áp điện lực, khối nguồn và các sản phẩm tương tự – Phần 2-5: Yêu cầu cụ thể đối với máy biến áp dùng cho máy cạo râu và khối nguồn của máy cạo râu)

IEC 61558-2-6, Safety of power transformers, power supply units and similar – Part 2-6: Particular requirements for safety isolating transformers for general use (An toàn của máy biến áp điện lực, khối nguồn và các sản phẩm tương tự – Phần 2-6: Yêu cầu cụ thể đối với máy biến áp cách ly an toàn để sử dụng chung)

IEC 61643-11, Low-voltage surge protective devices – Part 11: Surge protective devices connected to low-voltage power systems – Requirements and test methods (Thiết bị bảo vệ đột biết hạ áp – Phần 11: Thiết bị bảo vệ chống đột biết được nối với hệ thống điện hạ áp – Yêu cầu và phương pháp thử)

IEC 62035, Discharge lamps (excluding fluorescent lamps) – Safety specifications (Bóng đèn phóng điện (không kể bóng đèn huỳnh quang) – Yêu cầu kỹ thuật về an toàn)

IEC/TR 62778, Application of IEC 62471 for the assessment of blue light hazard to light sources and luminaires (Áp dụng IEC 62471 để đánh giá nguy hiểm ánh sáng xanh đối với các nguồn sáng và đèn điện)

IEC 80416-1, Basic principles for graphical symbols for use on equipment – Part 1: Creation of symbol originals (Nguyên tắc cơ bản đối với các ký hiệu đồ họa sử dụng trên thiết bị – Phần 1: Thiết lập nguồn gốc ký hiệu)

0.3 Yêu cầu chung

0.3.1 Đèn điện phải được thiết kế và cấu tạo sao cho trong sử dụng bình thường chúng hoạt động an toàn và không gây nguy hiểm cho con người và môi trường xung quanh. Nói chung, sự phù hợp được kiểm tra bằng cách thực hiện tất cả các thử nghiệm quy định.

0.3.2 Đèn điện phải tuân thủ một phần nào đó của TCVN 7722-2 (IEC 60598-2). Tuy nhiên, nếu phần thích hợp của TCVN 7722-2 (IEC 60598-2) chưa có đối với đèn điện hoặc nhóm đèn điện cụ thể thì phần có thể áp dụng sát nhất của TCVN 7722-2 (IEC 60598-2) có thể được sử dụng làm hướng dẫn về yêu cầu và các thử nghiệm.

Trong trường hợp thiết kế đèn điện có thể áp dụng hai hoặc nhiều phần của TCVN 7722-2 (IEC 60598-2) thì đèn điện phải tuân thủ cả hai hoặc tất cả các mục thích hợp.

0.3.3 Nửa đèn điện cần được xem là đèn điện với mục đích thử nghiệm.

0.4 Yêu cầu thử nghiệm chung và kiểm tra

0.4.1 Các thử nghiệm theo tiêu chuẩn này là thử nghiệm điển hình. Định nghĩa “thử nghiệm điển hình”, xem Mục 1 của tiêu chuẩn này.

Các yêu cầu và dung sai trong tiêu chuẩn này có liên quan đến việc thử nghiệm một bộ mẫu thử nghiệm điển hình do nhà chế tạo cung cấp. Sự phù hợp của bộ mẫu thử nghiệm điển hình không đảm bảo là toàn bộ sản phẩm của nhà chế tạo phù hợp với tiêu chuẩn an toàn này. Sự phù hợp của quá trình sản xuất là trách nhiệm của nhà chế tạo nhưng để đảm bảo điều này, ngoài thử nghiệm điển hình có thể bổ sung các thử nghiệm thường xuyên và đảm bảo chất lượng.

0.4.2 Nếu không có quy định nào khác trong tiêu chuẩn này hoặc TCVN 7722-2 (IEC 60598-2) thì bóng đèn phải được thử nghiệm ở môi trường có nhiệt độ từ 10 °C đến 30 °C. Đèn điện phải được thử nghiệm như khi được cung cấp và lắp đặt như trong sử dụng bình thường theo hướng dẫn lắp đặt của nhà chế tạo. Không lắp bóng đèn (hoặc các bóng đèn) trừ khi cần thiết cho thử nghiệm.

Đèn điện không được xem là đáp ứng các yêu cầu của tiêu chuẩn này nếu không có đủ tất các dây dẫn đi bên trong.

Nói chung, các thử nghiệm được thực hiện trên một mẫu đèn điện duy nhất hoặc khi có một dãy các đèn điện giống nhau thì một đèn điện thử nghiệm cho một công suất danh định trong dãy hoặc chọn đại diện của dãy này theo thỏa thuận với nhà chế tạo (xem Phụ lục S). Việc chọn này phải gồm có đèn điện cùng với tất cả các phụ kiện đi kèm thể hiện phối hợp bất lợi nhất theo quan điểm thử nghiệm.

Mỗi mẫu đèn điện phải phù hợp với tất cả các thử nghiệm liên quan. Để giảm thời gian thử nghiệm và để dùng vào các thử nghiệm phá hủy, nhà chế tạo cần giao nộp thêm đèn điện hoặc các bộ phận của đèn điện với điều kiện là cùng vật liệu và được thiết kế giống như đèn điện giao nộp ban đầu và kết quả thử nghiệm là giống như được thực hiện cho đèn điện giống hệt đèn điện đó. Trong trường hợp thử nghiệm sự phù hợp được thể hiện bằng cách “xem xét” thì phải bao gồm tất cả các thao tác kiểm tra bằng tay cần thiết.

Đối với đèn điện lắp trong thanh ray, cùng với đèn điện, nhà chế tạo phải cung cấp một mẫu thanh ray thích hợp, bộ nối và bộ phối hợp để nối với đèn điện.

Đèn điện kết hợp được thử nghiệm các yêu cầu an toàn với cách lắp ráp các bộ phận để cho kết quả bất lợi nhất.

Một số bộ phận của đèn điện, như khớp, cơ cấu nâng hạ, có thể được thử nghiệm riêng rẽ với điều kiện là các bộ phận này được thiết kế sao cho tính năng của chúng không phụ thuộc vào các bộ phận khác của đèn điện.

Đèn điện được thiết kế để sử dụng với dây nguồn được thử nghiệm với dây nguồn mềm nối với đèn điện.

Đối với đèn điện được thiết kế để sử dụng với chụp đèn nhưng thường không được cung cấp cùng chụp đèn thì nhà chế tạo phải cung cấp chụp đèn điển hình của loại có thể được sử dụng với đèn điện.

0.4.3 Kiểm tra và thử nghiệm

Đèn điện dùng để thử nghiệm theo các yêu cầu của tiêu chuẩn này có thể có báo cáo thử nghiệm được cập nhật theo tiêu chuẩn này bằng cách nộp một mẫu mới để thử nghiệm cùng với báo cáo thử nghiệm trước đó.

Thử nghiệm điển hình thường không nhất thiết phải thực hiện toàn bộ mà chỉ cần xem xét lại sản phẩm và các kết quả thử nghiệm trước đó ở các điều khoản có sửa đổi được đánh dấu “R” và bản liệt kê trong Phụ lục R.

CHÚ THÍCH: Câu có đánh dấu “R” và bản liệt kê trong Phụ lục R sẽ được gộp vào trong bản sửa đổi/xuất bản sau này.

0.5 Phụ kiện của đèn điện

0.5.1 Phụ kiện, không phải phụ kiện lắp liền, phải phù hợp với yêu cầu của các tiêu chuẩn TCVN (IEC) liên quan, nếu có.

Phụ kiện phù hợp với yêu cầu của các tiêu chuẩn TCVN (IEC) liên quan và được ghi nhãn thông số đặc trưng riêng được kiểm tra để thiết lập rằng chúng thích hợp với các điều kiện có thể xuất hiện khi sử dụng. Các khía cạnh sử dụng không được đề cập trong tiêu chuẩn tương ứng thì đòi hỏi phải thỏa mãn các yêu cầu liên quan bổ sung trong tiêu chuẩn này.

Kiểm tra sự phù hợp bằng cách xem xét và các thử nghiệm liên quan.

Phụ kiện lắp liền phải phù hợp ở mức hợp lý nhất với các tiêu chuẩn thành phần của IEC, như một phần của đèn điện.

CHÚ THÍCH 1 : Yêu cầu này không có nghĩa là các phụ kiện này cần được thử nghiệm riêng rẽ trước khi phê chuẩn đèn điện.

CHÚ THÍCH 2: Hướng dẫn chọn các phụ kiện cho các loại đèn điện khác nhau được cho trong Phụ lục L.

Hệ thống đi dây bên trong của đèn điện phải phù hợp với các yêu cầu ở 5.3.

CHÚ THÍCH 3: Yêu cầu này không loại trừ việc sử dụng các cáp đã được tiêu chuẩn hóa.

0.5.2 Phụ kiện phù hợp với các yêu cầu của tiêu chuẩn riêng của chúng và được sử dụng phù hợp với mục đích sử dụng chỉ phải thử nghiệm theo các yêu cầu của tiêu chuẩn này khi không có yêu cầu trong tiêu chuẩn thành phần (bao gồm tiêu đề yêu cầu của tiêu chuẩn này).

Báo cáo thử nghiệm có hiệu lực cần được xem xét đầy đủ để chứng tỏ sự phù hợp.

Đui đèn và đui tắcte phải phù hợp thêm với các yêu cầu về dưỡng kiểm tra và tính lắp lẫn của tiêu chuẩn thành phần IEC thích hợp sau khi lắp vào đèn điện, nếu thuộc đối tượng áp dụng.

Đối với các khối đầu nối có tiếp điểm nối đất loại không bắt ren lắp liền dùng để nối trực tiếp đến đèn điện hoặc đến các bộ phận của thân đèn điện thì áp dụng các yêu cầu riêng theo Phụ lục V.

0.5.3 Đối với các phụ kiện không có tiêu chuẩn IEC thích hợp thì phải thỏa mãn các yêu cầu liên quan của tiêu chuẩn này như là một phần của đèn điện. Đui đèn và đui tắcte phải phù hợp thêm với các yêu cầu về dưỡng và tính lắp lẫn của tiêu chuẩn thành phần IEC thích hợp, nếu thuộc đối tượng áp dụng.

CHÚ THÍCH: Ví dụ về các phụ kiện là đui đèn, công tắc, biến áp, balát, cáp và dây mềm và phích cắm.

0.5.4 Sự phù hợp với tiêu chuẩn này chỉ được đảm bảo nếu sử dụng lưới chắn bảo vệ đúng như yêu cầu kỹ thuật.

0.6 Danh mục các phần của TCVN 7722-2 (IEC 60598-2)

TCVN 7722-2-1 (IEC 60598-2-1), Phần 2-1: Đèn điện thông dụng lắp cố định

TCVN 7722-2-2 (IEC 60598-2-2), Phần 2-2: Đèn điện lắp chìm

TCVN 7722-2-3 (IEC 60598-2-3), Phần 2-3: Đèn điện để chiếu sáng đường và phố

TCVN 7722-2-4 (IEC 60598-2-4), Phần 2-4: Đèn điện thông dụng loại di động

TCVN 7722-2-5 (IEC 60598-2-5), Phần 2-5: Đèn pha

TCVN 7722-2-6 (IEC 60598-2-6), Phần 2-6: Đèn điện có biến áp lắp trong dùng cho bóng đèn sợi đốt vônfram (xem chú thích)

TCVN 7722-2-7 (IEC 60598-2-7), Phần 2-7: Đèn điện di động dùng cho sử dụng trong vườn

TCVN 7722-2-8 (IEC 60598-2-8), Phần 2-8: Bóng đèn cầm tay

IEC 60598-2-9, Phần 2-9: Đèn điện dùng để chụp ảnh và quay phim (không chuyên dụng)

IEC 60598-2-10, Phần 2-10: Đèn điện di động dùng cho trẻ em

IEC 60598-2-11, Phần 2-11: Đèn điện dùng trong nước

TCVN 7722-2-12 (IEC 60598-2-12), Phần 2-12: Đèn ngủ có lắp ổ cắm nguồn lưới

TCVN 7722-2-13 (IEC 60598-2-13), Phần 2-13: Đèn điện lắp chìm trong đất

IEC 60598-2-14, Phần 2-14: Đèn điện dùng cho bóng đèn phóng điện dạng ống catốt lạnh (ống neon) và thiết bị tương tự

IEC 60598-2-15, Chưa sử dụng

IEC 60598-2-16, Chưa sử dụng

IEC 60598-2-17, Phần 2-17: Đèn điện dùng cho chiếu sáng sân khấu, trường quay truyền hình và quay phim (ngoài trời và trong nhà)

IEC 60598-2-18, Phần 2-18: Đèn điện dùng cho bể bơi và ứng dụng tương tự

IEC 60598-2-19, Phần 2-19: Đèn điện dùng cho xử lý không khí (yêu cầu an toàn)

TCVN 7722-2-20 (IEC 60598-2-20), Phần 2-20: Chuỗi đèn

IEC 60598-2-21, Phần 2-21: Chuỗi đèn gắn kín

TCVN 7722-2-22 (IEC 60598-2-22), Phần 2-22: Đèn điện dùng cho chiếu sáng khẩn cấp

IEC 60598-2-23, Phần 2-23: Hệ thống chiếu sáng điện áp cực thấp dùng cho bóng đèn sợi đốt

TCVN 7722-2-24 (IEC 60598-2-24), Phần 2-24: Đèn điện có giới hạn nhiệt độ bề mặt

IEC 60598-2-25, Phần 2-25: Đèn điện để sử dụng trong khu vực khám bệnh của bệnh viện và tòa nhà chăm sóc sức khỏe

CHÚ THÍCH: Trong tiêu chuẩn này, tất cả các yêu cầu được liệt kê trong IEC 60598-2-6 đều đã được đưa vào tiêu chuẩn này. Do đó, IEC 60598-2-6 sẽ bị hủy sau khi tiêu chuẩn này được công bố. Với lý do này, sự phù hợp với tiêu chuẩn IEC 60598-2-6 đối với đèn điện có biến áp hoặc bộ điều khiển lắp liền không còn được yêu cầu khi thử nghiệm theo tiêu chuẩn này.

0.7 Thông tin để thiết kế đèn điện trong các tiêu chuẩn nguồn sáng

0.7.1 Hệ thống tiêu chuẩn về chiếu sáng được chia thành các tiêu chuẩn an toàn hoặc các tiêu chuẩn tính năng.

0.7.2 Trong tiêu chuẩn an toàn của nguồn sáng, “thông tin để thiết kế đèn điện” được đưa ra để các nguồn sáng hoạt động an toàn; các thông tin này phải được xem là quy định khi thử nghiệm đèn điện theo tiêu chuẩn này.

0.7.3 Trong các tiêu chuẩn tính năng của nguồn sáng, “thông tin để thiết kế đèn điện” được đưa ra để các nguồn sáng hoạt động đúng tính năng; các thông tin này phải được xem là tham khảo khi thử nghiệm đèn điện theo tiêu chuẩn này. Thử nghiệm tính năng nguồn sáng không được phải là một phần của thử nghiệm chấp nhận kiểu cho đèn điện.

Mục 1: Thuật ngữ và định nghĩa

1.1 Quy định chung

Mục này nêu các định nghĩa áp dụng cho đèn điện.

1.2 Định nghĩa

Tiêu chuẩn này áp dụng các định nghĩa dưới đây; các định nghĩa khác liên quan đến bóng đèn có trong các tiêu chuẩn bóng đèn liên quan.

Nếu không có quy định khác thì khi sử dụng thuật ngữ “điện áp” và “dòng điện” thì được hiểu là các giá trị hiệu dụng.

1.2.1

Đèn điện (luminaire)

Thiết bị phân phối, lọc hoặc truyền ánh sáng phát ra từ một hoặc nhiều bóng đèn và bao gồm tất cả các bộ phận cần thiết để đỡ, cố định và bảo vệ các bóng đèn nhưng không bao gồm bản thân các bóng đèn và trong trường hợp cần thiết còn bao gồm cả các mạch điện phụ trợ cùng với các phương tiện nối chúng với nguồn.

CHÚ THÍCH: Đèn điện có bóng đèn loại lắp liền không thay thế được cũng được xem là đèn điện trừ khi các thử nghiệm không áp dụng cho bóng đèn lắp liền hoặc bóng đèn có balát lắp liền.

1.2.2

Bộ phận chính của đèn điện (main part (of luminaire)

Bộ phận được cố định hoặc được treo trực tiếp vào bề mặt lắp đặt hoặc đặt đứng trên bề mặt lắp đặt (bộ phận chính có thể mang hoặc không mang bóng đèn, đui đèn và phương tiện gá lắp phụ trợ).

CHÚ THÍCH: ở đèn điện dùng bóng đèn sợi đốt vônfram, bộ phận mang đui đèn thường là bộ phận chính.

1.2.3

Đèn điện thông thường (ordinary luminaire)

Đèn điện có bảo vệ chống tiếp xúc ngẫu nhiên với bộ phận mang điện nhưng không có bất kỳ bảo vệ đặc biệt nào khác chống bụi, vật rắn hoặc hơi ẩm.

1.2.4

Đèn điện thông dụng (general purpose luminaire)

Đèn điện không được thiết kế dùng cho mục đích đặc biệt.

CHÚ THÍCH: Ví dụ về đèn điện thông dụng gồm có đèn treo, đèn sân khấu và các đèn điện cố định trên bề mặt hoặc trong hốc. Ví dụ về một số đèn điện dùng cho mục đích đặc biệt là các loại đèn điện để sử dụng thô, các ứng dụng cho chụp ảnh, quay phim và bể bơi.

1.2.5

Đèn điện điều chỉnh được (adjustable luminaire)

Đèn điện mà bộ phận chính của nó có thể được xoay hoặc di chuyển bằng các khớp, cơ cấu nâng hạ, ống lồng hoặc cơ cấu tương tự.

1.2.6

Đèn điện cơ sở (basic luminaire)

Số lượng nhỏ nhất các bộ phận lắp ráp có thể thỏa mãn các yêu cầu của bất kỳ phần nào của TCVN 7722-2 (IEC 60598-2).

1.2.7

Đèn điện kết hợp (combination luminaire)

Đèn điện gồm có đèn điện cơ sở kết hợp với một hoặc nhiều bộ phận có thể thay thế được bằng các bộ phận khác, hoặc được sử dụng theo cách kết hợp khác nhau với các bộ phận khác và được thay bằng tay hoặc có sử dụng dụng cụ.

1.2.8

Đèn điện cố định (fixed luminaire)

Đèn điện mà việc di chuyển từ vị trí này sang vị trí khác là không dễ dàng hoặc do việc cố định để chỉ có thể di chuyển đèn điện khi có dụng cụ hỗ trợ hoặc do được thiết kế để sử dụng ngoài tầm với.

CHÚ THÍCH: Nói chung, đèn điện cố định được thiết kế để nối cố định với nguồn nhưng cũng có thể nối bằng phích cắm hoặc cơ cấu tương tự.

1.2.9

Đèn điện di động (portable luminaire)

Đèn điện mà trong sử dụng bình thường có thể di chuyển từ một vị trí này sang vị trí khác trong khi vẫn được nối với nguồn.

CHÚ THÍCH: Đèn điện dùng để lắp đặt trên tường, có dây nguồn nối với phích cắm và có thể cố định đèn điện vào cơ cấu đỡ bằng vít tai hồng, kẹp hoặc móc nhưng vẫn có thể dễ dàng di chuyển khỏi cơ cấu đỡ này bằng tay thì cũng được xem là đèn điện di động.

1.2.10

Đèn điện lắp chìm (recessed luminaire)

Đèn điện được nhà chế tạo thiết kế chìm hoàn toàn hoặc một phần bên trong bề mặt lắp đặt.

CHÚ THÍCH: Thuật ngữ này áp dụng cho cả đèn điện làm việc trong khoang kín và đèn điện dùng để lắp đặt thông qua một bề mặt như trần lửng.

1.2.11

Điện áp danh định (rated voltage)

Điện áp nguồn hoặc điện áp do nhà chế tạo ấn định cho đèn điện.

1.2.11.1

Điện áp vào danh định không đổi (rated constant input voltage)

Điện áp vào do nhà chế tạo ấn định cho đèn điện không được trang bị bộ điều khiển.

CHÚ THÍCH: Điện áp vào danh định không đổi của đèn điện tương ứng với điện áp ra danh định của bộ điều khiển có điện áp không đổi.

1.2.12

Dòng điện cung cấp (supply current)

Dòng điện tại các đầu nối cung cấp khi đèn điện đã ổn định trong sử dụng bình thường ở điện áp và tần số danh định.

1.2.12.1

Dòng điện vào danh định không đổi (rated constant input voltage)

Dòng điện vào do nhà chế tạo ấn định cho đèn điện không được trang bị bộ điều khiển.

CHÚ THÍCH: Dòng điện vào danh định không đổi của đèn điện tương ứng với dòng điện ra danh định của bộ điều khiển có dòng điện không đổi.

1.2.13

Công suất danh định (rated wattage)

Số lượng bóng đèn và công suất danh định của các bóng đèn mà đèn điện được thiết kế.

1.2.14

Dây nguồn (supply cord)

Cáp hoặc dây mềm bên ngoài, dùng để cấp điện, được cố định với đèn điện.

CHÚ THÍCH 1: Đèn điện có thể có dây nguồn hoặc được thiết kế để đấu dây nguồn, ví dụ nối dây kiểu X hoặc kiểu Y.

CHÚ THÍCH 2: Từng phần 2 của bộ tiêu chuẩn này dự kiến sẽ sửa đổi để phù hợp với thay đổi này; tuy nhiên, sẽ thực hiện khi sửa đổi từng phần 2 vì các lý do khác. Hiện tại, nếu phần 2 viện dẫn đến “cáp hoặc dây mềm không tháo rời được” thì sửa là “dây nguồn”.

1.2.15

Bộ phận mang điện (live part)

Bộ phận dẫn có thể gây điện giật trong sử dụng bình thường. Tuy nhiên, dây trung tính cũng được xem là bộ phận mang điện.

CHÚ THÍCH: Thử nghiệm để xác định một bộ phận dẫn có là bộ phận mang điện có thể gây điện giật hay không được nêu trong Phụ lục A.

1.2.16

Cách điện chính (basic insulation)

Cách điện đặt lên các bộ phận mang điện tạo nên bảo vệ chính chống điện giật.

CHÚ THÍCH: Cách điện chính không nhất thiết phải bao gồm cách điện được sử dụng dành riêng cho mục đích chức năng.

1.2.17

Cách điện phụ (supplementary insulation)

Cách điện độc lập được đặt bổ sung vào cách điện chính để bảo vệ chống điện giật trong trường hợp hỏng cách điện chính.

1.2.18

Cách điện kép (double insulation)

Hệ thống cách điện gồm cả cách điện chính và cách điện phụ.

1.2.19

Cách điện tăng cường (reinforced insulation)

Hệ thống cách điện duy nhất đặt vào bộ phận mang điện, có mức bảo vệ chống điện giật tương đương với cách điện kép.

CHÚ THÍCH: Thuật ngữ “hệ thống cách điện” không có nghĩa là cách điện này phải là một mảnh liền khối. Nó có thể gồm nhiều lớp nhưng không thể thử nghiệm một cách riêng biệt như cách điện chính hoặc cách điện phụ.

1.2.20

Cơ cấu trở kháng bảo vệ (protective impedance device)

Linh kiện hoặc cụm linh kiện được sử dụng để bắc cầu qua cách điện kép hoặc cách điện tăng cường và trở kháng và kết cấu của chúng sao cho đảm bảo dòng điện chạm trong điều kiện ổn định và điện tích được giới hạn ở mức không gây nguy hiểm.

1.2.21

Đèn điện cấp 0 (chỉ áp dụng cho đèn điện thông thường) (class 0 luminaire (applicable to ordinary luminaires only))

Đèn điện, trong đó việc bảo vệ chống điện giật dựa vào cách điện chính.

Điều này có nghĩa là nếu có bộ phận dẫn chạm tới được thì cũng không có phương tiện để nối với các bộ phận dẫn chạm tới được này với dây dẫn bảo vệ trong hệ thống đi dây cố định của hệ thống lắp đặt, trong trường hợp hỏng cách điện chính thì việc bảo vệ dựa vào môi trường lắp đặt. Về việc áp dụng cấp 0, xem Phụ lục T để có các yêu cầu thử nghiệm.

CHÚ THÍCH 1: Đèn điện cấp 0 có thể có vỏ bằng vật liệu cách điện, tạo thành một phần hoặc toàn bộ cách điện chính hoặc có vỏ bọc kim loại được cách ly với cốc bộ phận mang điện bằng tối thiểu là cách điện chính.

CHÚ THÍCH 2: Nếu đèn điện có vỏ bằng vật liệu cách điện, có phương tiện để nối đất các bộ phận bên trong thì đèn điện này là đèn điện cấp I.

CHÚ THÍCH 3: Đèn điện cấp 0 có thể có các bộ phận có cách điện kép hoặc cách điện tăng cường.

CHÚ THÍCH 4: ở Nhật, cấp 0 chỉ có thể áp dụng cho đèn điện thông thường, sử dụng điện áp nguồn từ 100 V đến 127 V.

1.2.22

Đèn điện cấp I (class I luminaire)

Đèn điện, trong đó việc bảo vệ chống điện giật không chỉ dựa vào cách điện chính mà còn có thêm biện pháp phòng ngừa an toàn bằng cách cung cấp phương tiện nối bộ phận dẫn chạm tới được với dây dẫn (nối đất) bảo vệ trong hệ thống đi dây cố định của hệ thống lắp đặt, sao cho, nếu cách điện chính bị hỏng thì bộ phận dẫn chạm tới được cũng không thể trở nên mang điện.

CHÚ THÍCH 1: Đối với đèn điện được thiết kế để sử dụng với dây hoặc cáp mềm; phương tiện này gồm có dây dẫn bảo vệ là một bộ phận của dây hoặc cáp mềm.

CHÚ THÍCH 2: Đèn điện cấp I có thể có các bộ phận có cách điện kép hoặc cách điện tăng cường.

CHÚ THÍCH 3: Đèn điện cấp I có thể có các bộ phận trong đó bảo vệ chống điện giật dựa vào làm việc ở điện áp cực thấp an toàn (SELV).

1.2.23

Đèn điện cấp II (class II luminaire)

Đèn điện, trong đó việc bảo vệ chống điện giật không chỉ dựa vào cách điện chính mà còn có các phòng ngừa an toàn bổ sung như có cách điện kép hoặc cách điện tăng cường, không có phương tiện nối đất bảo vệ hoặc không dựa vào điều kiện lắp đặt.

CHÚ THÍCH 1: Đèn điện này có thể là một trong các loại sau:

a) Đèn điện có vỏ bằng vật liệu cách điện bền và về căn bản là liên tục bao phủ tất cả các phần kim loại ngoại trừ các bộ phận nhỏ như tấm nhẵn, vít và đinh tán đã được cách ly với bộ phận mang điện bằng cách điện ít nhất là tương đương với cách điện tăng cường. Loại đèn điện này được gọi là đèn điện cấp II có bọc cách điện.

b) Đèn điện có vỏ bằng kim loại về căn bản là liên tục, được cách ly với bộ phận mang điện bằng cách điện ít nhất là tương đương với cách điện kép hoặc cách điện tăng cường. Loại đèn điện này được gọi là đèn điện cấp II có bọc kim loại.

c) Đèn điện là loại kết hợp của loại a) và b) ở trên.

CHÚ THÍCH 2: Vỏ của đèn điện cấp II có bọc cách điện có thể tạo thành một phần hoặc toàn bộ cách điện phụ hoặc cách điện tăng cường.

CHÚ THÍCH 3: Nếu có trang bị nối đất để hỗ trợ khởi động hoặc vì lý đo EMC nhưng không nối với bộ phận kim loại chạm tới được thì đèn điện vẫn có thể được xem là cấp II. Bộ phận kim loại chạm tới được phù hợp với yêu cầu kỹ thuật IEC tương ứng về bóng đèn và các bộ phận kim loại khác bình thường không được nối đất và bình thường không chạm tới được trong sử dụng bình thường thì không được xem là bộ phận dẫn có thể gây điện giật trừ khi các thử nghiệm ở Phụ lục A cho thấy chúng là các bộ phận mang điện.

CHÚ THÍCH 4: Nếu đèn điện có cách điện kép và/hoặc cách điện tăng cường liên tục có đầu nối hoặc tiếp điểm nối đất an toàn thì đèn điện thuộc loại có kết cấu cấp I. Tuy nhiên, đèn điện cấp II loại cố định được thiết kế để đi dây nguồn song song hoặc đi dây nguồn qua đèn điện có thể có đầu nối hoặc tiếp điểm bên trong để duy trì tính liên tục về điện của dây nối đất không đấu nối trong đèn điện, với điều kiện là đầu nối này được cách ly với bộ phận kim loại chạm tới được bằng cách điện cấp II.

CHÚ THÍCH 5: Đèn điện cấp II có thể có các bộ phận trong đó bảo vệ chống điện giật dựa vào làm việc ở điện áp cực thấp an toàn (SELV).

1.2.24

Đèn điện cấp III (class III luminaire)

Đèn điện, trong đó việc bảo vệ chống điện giật dựa vào nguồn điện có điện áp cực thấp an toàn (SELV), và trong đó không phát sinh điện áp lớn hơn điện áp cực thấp an toàn.

1.2.25

Nhiệt độ xung quanh cao nhất danh định (rated maximum ambient temperature)

ta

Nhiệt độ được nhà chế tạo ấn định cho đèn điện để chỉ ra nhiệt độ cao nhất chịu được, tại đó đèn điện có thể làm việc trong điều kiện bình thường.

CHÚ THÍCH: Nhiệt độ này không loại trừ làm việc tạm thời ở nhiệt độ không vượt quá (ta+10 °C).

1.2.26

Nhiệt độ làm việc cao nhất danh định của vỏ balát, tụ điện hoặc cơ cấu khởi động (rated maximum operating temperature of the case of a ballast, capacitor or starting device)

tc

Nhiệt độ cho phép cao nhất có thể xuất hiện ở mặt ngoài (tại vị trí được chỉ ra nếu có đánh dấu) trong điều kiện làm việc bình thường và tại điện áp danh định hoặc điện áp lớn nhất trong dải điện áp danh định.

1.2.27

Nhiệt độ làm việc lớn nhất danh định của cuộn dây bộ điều khiển bóng đèn (rated maximum operating temperature of a lamp controlgear winding)

tw

Nhiệt độ của cuộn dây do nhà chế tạo ấn định làm nhiệt độ cao nhất, tại đó bộ điều khiển bóng đèn ở tần số 50/60 Hz có thể có tuổi thọ ít nhất là 10 năm làm việc liên tục.

1.2.28

Balát (ballast)

Khối xen giữa nguồn và một hoặc nhiều bóng đèn phóng điện mà nhờ có tính chất điện cảm, điện dung hoặc điện trở, riêng rẽ hoặc kết hợp, chủ yếu là để hạn chế dòng điện của (các) đèn đến giá trị yêu cầu.

Balát cũng có thể có phương tiện để biến đổi điện áp nguồn và có thể có cách thức bố trí mà nhờ đó cung cấp điện áp khởi động và dòng điện nung nóng trước, ngăn ngừa khởi động nguội, giảm hiệu ứng chớp sáng, hiệu chỉnh hệ số công suất và triệt nhiễu tần số rađiô.

1.2.29

Bộ điều khiển đèn độc lập (independent lamp control gear)

Bộ điều khiển đèn có một hoặc nhiều phần tử riêng biệt, được thiết kế sao cho có thể lắp đặt tách rời bên ngoài đèn điện, có bảo vệ phù hợp với ghi nhãn của bộ điều khiển đèn và không cần bất cứ một vỏ bọc bổ sung nào.

1.2.30

Bộ điều khiển đèn lắp sẵn (built-in lamp control gear)

Bộ điều khiển đèn được thiết kế để lắp sẵn trong đèn điện, hộp và không được sử dụng để lắp bên ngoài đèn điện mà không có biện pháp phòng ngừa đặc biệt.

1.2.31

Đui đèn lắp liền (Integral lampholder)

Một phần của đèn điện dùng để đỡ bóng đèn và cung cấp tiếp xúc điện cho bóng đèn và được thiết kế là một phần của đèn điện.

1.2.32

Chưa sử dụng.

1.2.33

Nắp mờ (translucent cover)

Bộ phận truyền ánh sáng của đèn điện, cũng có thể bảo vệ bóng đèn và các bộ phận cấu thành khác. Thuật ngữ này bao gồm bộ khuếch tán, thấu kính và các phần tử điều khiển độ sáng tương tự.

1.2.34

Dây đi cố định (fixed wiring)

Phần cáp, là một phần của hệ thống lắp đặt cố định, mà đèn điện được nối đến.

CHÚ THÍCH: Dây đi cố định có thể được đưa vào trong đèn điện rồi nối đến các đầu nối, kể cả các đầu nối của đui đèn, cơ cấu đóng cắt và cơ cấu tương tự.

1.2.35

Bộ nối thiết bị (appliance coupler)

Phương tiện dùng để nối cáp mềm đến đèn điện.

Bộ nối thiết bị gồm hai bộ phận: bộ phận thứ nhất là một bộ nối có các ống tiếp xúc lắp liền với hoặc được thiết kế để nối với cáp mềm nối đến nguồn và bộ phận thứ hai là đầu vào thiết bị có các cọc tiếp xúc, là phần được lắp trong hoặc lắp cố định với đèn điện.

1.2.36

Dây đi bên ngoài (external wiring)

Thường là các dây ở bên ngoài đèn điện và đi kèm đèn điện.

CHÚ THÍCH 1: Dây đi bên ngoài có thể được dùng để nối đèn điện với nguồn, nối với các đèn điện khác hoặc nối đến balát bất kỳ bên ngoài.

CHÚ THÍCH 2: Dây đi bên ngoài không nhất thiết là toàn bộ chiều dài của dây phải ở bên ngoài đèn điện.

1.2.37

Dây đi bên trong (internal wiring)

Thường là các dây ở bên trong đèn điện và đi kèm đèn điện, tạo thành dây nối giữa các đầu nối dùng cho dây đi bên ngoài hoặc dây nguồn và các đầu nối của đui đèn, cơ cấu đóng cắt và các thành phần tương tự.

CHÚ THÍCH: Dây đi bên trong không nhất thiết là toàn bộ chiều dài của dây phải ở bên trong đèn điện.

1.2.38

Vật liệu cháy bình thường (normally flammable material)

Vật liệu có nhiệt độ bắt cháy ít nhất là 200 °C và không bị biến dạng hoặc yếu đi ở nhiệt độ đó.

Ví dụ: Gỗ và vật liệu từ gỗ có chiều dày lớn hơn 2 mm.

CHÚ THÍCH: Nhiệt độ bắt cháy và khả năng chịu biến dạng hoặc yếu đi của vật liệu cháy bình thường dựa trên các giá trị đã được chấp nhận rộng rãi được xác định trong thời gian thử nghiệm là 15 min.

1.2.39

Vật liệu dễ cháy (readily flammable material)

Vật liệu không thể phân loại như vật liệu cháy bình thường hoặc vật liệu không cháy. Ví dụ: Sợi gỗ và vật liệu từ gỗ có chiều dày đến 2 mm.

1.2.40

Vật liệu không cháy (non-combustible material)

Vật liệu không hỗ trợ cháy.

CHÚ THÍCH: Với mục đích của tiêu chuẩn này, vật liệu như kim loại, vữa và bê tông được xem là vật liệu không cháy.

1.2.41

Vật liệu cháy (flammable material)

Vật liệu không phù hợp với các yêu cầu thử nghiệm sợi dây nóng đỏ ở 13.3.2.

1.2.42

ELV (điện áp cực thấp) (ELV (extra low voltage))

Điện áp không vượt quá 50 V hiệu dụng xoay chiều hoặc 120 V một chiều không nhấp nhô giữa các dây dẫn hoặc giữa dây dẫn bất kỳ với đất (dãy điện áp I của IEC 60449).

CHÚ THÍCH: Đối với điện áp hình sin, “không nhấp nhô” được định nghĩa quy ước là thành phần nhấp nhô không quá 10 % giá trị hiệu dụng tức là giá trị đỉnh lớn nhất không vượt quá 140 V đối với hệ thống một chiều không nhấp nhô có điện áp danh nghĩa là 120 V, 70 V tương ứng đối với hệ thống một chiều không nhấp nhô có điện áp danh nghĩa là 60 V, 35 V đối với hệ thống không nhấp nhô có điện áp danh nghĩa là 30 V.

1.2.42.1

FELV (điện áp cực thấp chức năng) (functional extra low voltage)

ELV trong mạch điện có điện áp ELV dùng cho mục đích chức năng và không đáp ứng các yêu cầu đối với SELV (hoặc PELV).

1.2.42.2

SELV (điện áp cực thấp an toàn) (safety extra low voltage)

ELV trong mạch điện được cách ly với nguồn lưới bằng cách điện không thấp hơn cách điện giữa mạch sơ cấp và mạch thứ cấp của biến áp cách ly an toàn theo IEC 61558-2-6 hoặc tương đương.

CHÚ THÍCH: Điện áp lớn nhất thấp hơn 50 V hiệu dụng xoay chiều hoặc 120 V một chiều không nhấp nhô có thể được quy định trong các yêu cầu riêng, đặc biệt là khi cho phép tiếp xúc trực tiếp với các bộ phận mang dòng.

1.2.43

Điện áp làm việc (working voltage)

Giá trị điện áp hiệu dụng cao nhất có thể xuất hiện trên bất cứ phần cách điện nào ở điện áp nguồn danh định, ở trạng thái mạch hở hoặc trong quá trình làm việc bình thường, bỏ qua các giá trị quá độ.

1.2.43.1

Điện áp ra làm việc đỉnh lớn nhất (maximum working peak output voltage)

Giá trị điện áp làm việc đỉnh xuất hiện lặp lại lớn nhất giữa các đầu nối ra hoặc giữa các đầu nối ra và đất, trong điều kiện làm việc bình thường hoặc bất thường và bỏ qua quá độ.

[NGUỒN: IEC 61347-1:2015, 3.45]

1.2.43.2

Điện áp mồi cháy (ignition voltage)

Điện áp đỉnh đặt vào để mồi cháy bóng đèn phóng điện.

[NGUỒN: IEC 61347-1:2015, 3.46]

1.2.43.3

Điện áp xung mồi cháy (ignition pulse voltage)

Điện áp mồi cháy đỉnh có thời gian tổng nhỏ hơn hoặc bằng 750 µs (tổng của tất cả các thời gian xung) trong vòng 10 ms với thời gian xung (độ rộng xung) của từng xung được duy trì ở mức 50 % giá trị đỉnh tuyệt đối lớn nhất.

CHÚ THÍCH: Các dạng sóng xung mồi cháy, được coi là điện áp xung mồi cháy, không cần chứa tần số chiếm ưu thế bất kỳ lớn hơn 30 kHz hoặc thường bị suy giảm nhanh (sau 20 µs, mức điện áp đỉnh nhỏ hơn một nửa điện áp đỉnh lớn nhất). Để đánh giá tần số chiếm ưu thế, xem Phụ lục E của TCVN 10884-4:2015 (IEC 60664-4:2005).

[NGUỒN: IEC 61347-1:2015, 3.46.1]

1.2.43.4

Điện áp đỉnh chuyển đổi tương đương (equivalent transformed peak voltage)

Up

Điện áp đỉnh đầu ra chuyển đổi, được chuyển đổi đối với điện áp đỉnh trường hợp xấu nhất với tần số liên quan thành điện áp xung mồi cháy.

CHÚ THÍCH 1: Giá trị điện áp đỉnh đầu ra chuyển đổi tương đương công bố là tham số thiết yếu để chọn các thành phần liên quan.

CHÚ THÍCH 2: Xem 1.2.43.3.

[NGUỒN: IEC 61347-1:2015, 3.47, có sửa đổi – bỏ chú thích 3 và chú thích 4]

1.2.44

Thử nghiệm điển hình (type test)

Thử nghiệm hoặc chuỗi các thử nghiệm tiến hành trên một bộ mẫu thử nghiệm điển hình để kiểm tra sự phù hợp về thiết kế của sản phẩm so với yêu cầu của tiêu chuẩn liên quan.

1.2.45

Mẫu thử nghiệm điển hình (type-test sample)

Mẫu gồm một hoặc nhiều đơn vị giống nhau do nhà chế tạo hoặc đại lý được ủy quyền cung cấp để thử nghiệm điển hình.

1.2.46

Bằng tay (by hand)

Không yêu cầu sử dụng dụng cụ.

1.2.47

Đầu nối (terminal)

Phần của đèn điện hoặc bộ phận hợp thành để nối điện cho dây dẫn.

CHÚ THÍCH: Xem Mục 14 và Mục 15.

1.2.48

Đi dây nguồn song song (looping-in (feed through))

Hệ thống có nguồn lưới được nối với hai hoặc nhiều đèn điện trong đó mỗi dây dẫn nguồn được đấu vào rồi đi ra ở cùng một đầu nối.

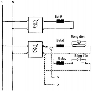
CHÚ THÍCH: Dây dẫn nguồn có thể được cắt để dễ nối vào đầu nối (xem Hình 20).

1.2.49

Đi dây nguồn qua đèn điện (through wiring)

Hệ thống dây nguồn đi qua đèn điện, được thiết kế để liên kết một dãy đèn điện.

CHÚ THÍCH 1 : Một số nước không cho phép có các điểm nối trong hệ thống đi dây nguồn qua đèn điện.

CHÚ THÍCH 2: Đèn điện có thể có hoặc không nối điện với hệ thống đi dây nguồn qua đèn điện (xem Hình 20).

1.2.50

Cơ cấu khởi động (starting device)

Thiết bị mà nhờ vào chính nó hoặc kết hợp với các linh kiện khác trong mạch điện để có các điều kiện điện thích hợp để khởi động bóng đèn loại phóng điện.

1.2.51

Tắcte (starter)

Cơ cấu khởi động, thường dùng cho bóng đèn huỳnh quang, để có nung nóng trước cần thiết cho các điện cực và kết hợp với trở kháng nối tiếp của balát tạo ra điện áp đột biến đặt lên bóng đèn.

1.2.52

Bộ mồi (ignitor)

Cơ cấu khởi động phát ra xung điện áp để khởi động bóng đèn phóng điện nhưng không cung cấp nung nóng trước cho catốt.

1.2.53

Khối đầu nối (terminal block)

Cụm lắp ráp một hoặc nhiều đầu nối trong hoặc trên vỏ hoặc thân là vật liệu cách điện để liên kết thuận tiện giữa các dây dẫn.

1.2.54

Đèn điện sử dụng cho các công việc thô (rough service luminaire)

Đèn điện được thiết kế để ở dụng cho các công việc cơ khí thủ công.

CHÚ THÍCH 1: Đèn điện có thể:

– được cố định vĩnh viễn, hoặc

– được cố định tạm thời trên kết cấu hoặc chân đế, hoặc

– kết hợp với chân đế hoặc tay cầm lắp liền.

CHÚ THÍCH 2: Đèn điện loại này được sử dụng trong các trường hợp có yêu cầu chiếu sáng cho các công việc thô, hoặc chiếu sáng tạm thời, ví dụ trên đất xây dựng, công xưởng và các ứng dụng tương tự.

1.2.55

Hệ thống tiếp xúc điện-cơ (electro-mechanical contact system)

Hệ thống nối nằm trong đèn điện nhờ đó bộ phận chính mang đui đèn được nối điện và cơ với tấm đế hoặc cơ cấu treo.

Hình 31 mô tả hệ thống tiếp xúc điện-cơ như định nghĩa ở 1.2.55. Hệ thống này áp dụng các yêu cầu của 4.11.6 và 7.2.1. Trong trạng thái đã mô tả, vì đế và máng ăn khớp là một và không thể đổi lẫn nên không yêu cầu ghi nhãn dòng điện danh định cho tấm đế khi nối điện như quy định ở 3.2.

CHÚ THÍCH 1: Hệ thống này có thể kết hợp hoặc không kết hợp với cơ cấu điều chỉnh.

CHÚ THÍCH 2: Hệ thống này có thể dùng cho một thiết kế đèn điện cụ thể hoặc có thể dùng để đấu nối nhiều loại đèn điện.

1.2.56

Chưa sử dụng.

1.2.57

Bề mặt lắp đặt (mounting surface)

Phần của tòa nhà, đồ đạc hoặc kết cấu khác sẽ hoặc đã được thiết kế để đèn điện có thể được gắn vào, treo lên, đặt đứng hoặc đặt trên theo cách bất kỳ trong sử dụng bình thường.

1.2.58

Bộ phận lắp liền (integral component)

Bộ phận tạo thành một phần không thể thay thế của đèn điện và không thể thử nghiệm tách rời đèn điện.

1.2.59

Bóng đèn có balát lắp liền (self-ballasted lamps)

Cụm nếu tháo rời thì sẽ hỏng vĩnh viễn, được cung cấp cùng với đầu đèn và có lắp nguồn sáng và các phần tử bổ sung bất kỳ để khởi động và vận hành ổn định nguồn sáng.

CHÚ THÍCH 1: Thành phần nguồn sáng là bóng đèn có balát lắp liền không thể thay thế được.

CHÚ THÍCH 2: Thành phần balát là một bộ phận của bóng đèn có balát lắp liền; không phải là một phần của đèn điện. Nó bị thải bỏ khi cụm bóng đèn này hết tuổi thọ.

CHÚ THÍCH 3: Với mục đích thử nghiệm, cụm bóng đèn có balát lắp liền cần được xem là bóng đèn thông thường.

CHÚ THÍCH 4: Ví dụ và thông tin khác, xem IEC 60972.

1.2.60

Nửa đèn điện (semi-luminaire)

Khối tương tự bóng đèn có balát lắp liền nhưng được thiết kế để sử dụng một nguồn sáng thay thế được và/hoặc cơ cấu khởi động.

CHÚ THÍCH 1: Thành phần nguồn sáng và/hoặc cơ cấu khởi động của nửa đèn điện dễ dàng thay thế được.

CHÚ THÍCH 2: Thành phần balát là không thay thế được và không loại bỏ được mỗi lần thay nguồn sáng.

CHÚ THÍCH 3: Đòi hỏi có đui đèn để đấu nối nguồn.

CHÚ THÍCH 4: Ví dụ và thông tin khác, xem IEC 60972.

1.2.61

Balát/biến áp liền phích cắm (plug-ballast/transformer)

Balát hoặc biến áp lắp trong một vỏ bọc, có phích cắm lắp liền là phương tiện để nối với nguồn điện.

1.2.62

Đèn điện cắm vào ổ cắm nguồn lưới (mains socket-outlet-mounted luminaire)

Đèn điện có phích cắm lắp liền vừa là phương tiện để lắp đặt đèn điện vừa là phương tiện để nối với nguồn lưới.

1.2.63

Đèn điện lắp đặt bằng kẹp (clip-mounted luminaire)

Cụm lắp liền đèn điện và kẹp lò xo đàn hồi, giữ chặt đèn điện vào vị trí trên bề mặt lắp đặt bằng một hành động bằng tay duy nhất.

1.2.64

Bộ nối bóng đèn (lamp connectors)

Loạt tiếp điểm được thiết kế đặc biệt để cung cấp phương tiện tiếp xúc điện nhưng không đỡ bóng đèn.

1.2.65

Ổ cắm nguồn lưới (mains socket-outlet)

Phụ kiện có các tiếp điểm kiểu lỗ cắm được thiết kế để lắp với các cọc cắm dạng tròn hoặc dạng dẹt của phích cắm nguồn lưới và có các đầu nối dùng để nối cáp hoặc dây.

1.2.66

Chưa sử dụng.

1.2.67

Chưa sử dụng.

1.2.68

Bộ điều khiển bóng đèn (lamp controlgear)

Cơ cấu được sử dụng để điều khiển bóng đèn, ví dụ như balát, biến áp và bộ chuyển đổi giảm theo nấc.

CHÚ THÍCH: Định nghĩa này không bao gồm thiết bị để đóng cắt điện cho bóng đèn hoặc điều khiển độ sáng như bộ điều chỉnh ánh sáng và bộ cảm biến ánh sáng ban ngày.

1.2.69

Chưa sử dụng.

1.2.70

Bóng đèn giả (dummy lamp)

Cơ cấu có lắp một đầu đèn, phù hợp với yêu cầu của IEC 60061.

1.2.71

Bóng đèn tự che chắn (self-shielded lamp)

Bóng đèn halogen vonfram hoặc bóng đèn hêli kim loại, khi lắp các bóng đèn này vào đèn điện thì không cần bảo vệ khỏi phát xạ cực tím hoặc vỡ bóng đèn.

1.2.72

Cáp hoặc dây mềm bên ngoài (external flexible cable or cord)

Cáp hoặc dây mềm dùng để đấu nối từ bên ngoài vào mạch đầu vào hoặc mạch đầu ra, cố định vào hoặc lắp với đèn điện theo một trong các phương pháp nối dưới đây:

1.2.72.1

Nối dây kiểu X (type X attachment)

Phương pháp nối cáp hoặc dây sao cho có thể thay thế dễ dàng.

CHÚ THÍCH 1: Cáp hoặc dây mềm có thể được chuẩn bị đặc biệt và chỉ sẵn có từ nhà chế tạo hoặc đại lý bảo hành.

CHÚ THÍCH 2: Cáp hoặc dây mềm được chuẩn bị đặc biệt cũng có thể là một phần của đèn điện.

1.2.72.2

Nối dây kiểu Y (type Y attachment)

phương pháp nối cáp hoặc dây sao cho việc thay thế chỉ có thể do nhà chế tạo, đại lý bảo hành hoặc người đã qua đào tạo tương tự thực hiện.

CHÚ THÍCH: Nối kiểu Y có thể được sử dụng với cáp hoặc dây mềm thông thường hoặc được chuẩn bị đặc biệt.

1.2.72.3

Nối dây kiểu Z (type z attachment)

phương pháp nối cáp hoặc dây sao cho nếu thay thế thì sẽ làm hỏng hoặc phá hủy đèn điện.

1.2.73

Nối đất chức năng (functional earthing)

Nối đất một điểm trong hệ thống hoặc hệ thống lắp đặt hoặc thiết bị, cần thiết cho hoạt động đúng nhưng không tạo thành phần bảo vệ chống điện giật.

1.2.74

Cáp nối liên kết (inter-connecting cable)

Dây hoặc cụm dây nối giữa hai phần chính của đèn điện, được nhà chế tạo đèn điện cung cấp, và có thể được xem là một phần của đèn điện.

CHÚ THÍCH: Cụm dây có thể có kết hợp các dây nối khác nhau, ví dụ, đi qua điện áp nguồn, nối đất, cung cấp điện áp khởi động và điện áp làm việc và đi dây, đấu nối chức năng. Ví dụ về các ứng dụng là: giữa đèn điện và hộp điều khiển, hộp lắp đặt hoặc bộ nối phù hợp với hệ thống thanh ray.

1.2.75

Mũ kim loại bịt đầu (ferrule)

Phương tiện cố định cơ khí, thường là ống cứng, được dùng để giữ một đầu cáp đã bóc vỏ.

1.2.76

Cấp chịu xung (thuật ngữ cũ “cấp quá điện áp”) (impulse withstand categories (former term “overvoltage categories”)

Con số ấn định điều kiện quá điện áp quá độ.

CHÚ THÍCH 1: Sử dụng các cấp chịu xung I, II, III và IV.

CHÚ THÍCH 2: Giải thích về các cấp chịu xung.

a) Mục đích phân loại cấp chịu xung

Các cấp chịu xung nhằm phân biệt các cấp sẵn có khác nhau của thiết bị liên quan đến những mong muốn về tính liên tục trong vận hành và nguy hại chấp nhận được do sự cố.

Bằng việc chọn các mức chịu xung của cách điện của thiết bị, có thể đạt được sự phối hợp trong toàn bộ hệ thống lắp đặt để giảm nguy hại do sự cố đến mức chấp nhận được, từ đó đưa ra cơ sở kiểm soát quá điện áp.

Con số đặc trưng cao hơn của cấp chịu xung chỉ ra khả năng chịu xung cụ thể cao hơn của thiết bị và cho phép lựa chọn rộng hơn các phương pháp kiểm soát quá điện áp.

Khái niệm cấp chịu xung được dùng cho thiết bị được cấp điện trực tiếp từ nguồn lưới.

b) Mô tả các cấp chịu xung

Thiết bị có cấp chịu xung I là thiết bị được thiết kế để nối với hệ thống lắp đặt điện cố định của tòa nhà. Phương tiện bảo vệ ở bên ngoài thiết bị, hoặc nằm trong hệ thống lắp đặt cố định hoặc nằm giữa hệ thống lắp đặt cố định và thiết bị, để giới hạn các quá điện áp quá độ đến mức quy định.

Thiết bị có cấp chịu xung II là thiết bị được nối với hệ thống lắp đặt điện cố định của tòa nhà.

Thiết bị có cấp chịu xung III là thiết bị có một phần là cấp của hệ thống lắp đặt điện cố định còn các phần khác có thể có sẵn cấp chịu xung cao hơn.

Thiết bị có cấp chịu xung IV được sử dụng tại hoặc gần nơi bắt nguồn của hệ thống lắp đặt điện của các toàn nhà ngược lên tủ phân phối chính.

1.2.77

Mạch điện và đặc tính mạch điện (circuits and circuit characteristics)

1.2.77.1

Mạch sơ cấp (primary Circuit)

Mạch điện được nối trực tiếp vào nguồn lưới xoay chiều.

CHÚ THÍCH: Mạch này bao gồm, ví dụ, phương tiện đấu nối với nguồn lưới xoay chiều, cuộn sơ cấp của máy biến áp, động cơ và các thiết bị mang tải khác.

NGUỒN: IEC 60950-1:2005, 1.2.8.4, có sửa đổi – Thông tin bổ sung đã được chuyển thành chú thích và bỏ chú thích hiện có.

1.2.77.2

Mạch thứ cấp (secondary circuit)

Mạch điện không nối trực tiếp với mạch sơ cấp và lấy điện từ máy biến áp, bộ chuyển đổi hoặc cơ cấu tương đương, hoặc từ acqui.

CHÚ THÍCH 1: Trong máy biến áp tự ngẫu, mặc dù có đấu nối trực tiếp đến mạch sơ cấp nhưng phần mạch rẽ của máy biến áp này cũng được xem là mạch thứ cấp theo định nghĩa trên.

CHÚ THÍCH 2: Quá độ nguồn lưới trong mạch điện này được làm suy giảm nhờ các cuộn dây sơ cấp tương ứng. Balát điện cảm cũng giảm độ lớn của điện áp quá độ nguồn lưới. Do đó, các linh kiện có vị trí sau mạch sơ cấp hoặc sau balát điện cảm có thể thích hợp đối với cấp chịu xung của một nấc thấp hơn, xem Phụ lục U.

NGUỒN: IEC 60950-1:2005,1.2.8.5, có sửa đổi – Bổ sung thêm hai chú thích thay cho chú thích hiện có.

1.2.78

Dòng điện chạm (touch current)

Dòng điện đi qua cơ thể người hoặc qua cơ thể động vật khi chạm vào một hoặc nhiều bộ phận chạm tới được của hệ thống lắp đặt hoặc thiết bị.

CHÚ THÍCH: Trong tiêu chuẩn này, cơ thể người được biểu diễn bằng mạng lưới trong Hình G.2 hoặc Hình G.3.

NGUỒN: IEC 60050-836:2004,826.05.21, có sửa đổi – Bỏ từ điện trong cụm “hệ thống lắp đặt điện hoặc thiết bị điện” và bỏ chú thích hiện có.

1.2.79

Dòng điện qua dây dẫn bảo vệ (protective conductor current)

Dòng điện chạy trong dây dẫn bảo vệ.

CHÚ THÍCH: Dòng điện này có thể có ảnh hưởng đến tác động của RCĐ (thiết bị bảo vệ bằng dòng dư) nối trong cùng mạch điện.

1.2.80

Bỏng điện (electric burn)

Bỏng da hoặc bỏng bộ phận cơ thể do có một dòng điện đặt lên hoặc chạy qua bề mặt da.

NGUỒN: IEC 60050-604:1987, 604-04-18

1.2.81

Phương tiện điều chỉnh (means of adjustment)

Bộ phận của đèn điện, có thể ở ngăn bóng đèn, hiển nhiên được thiết kế để người sử dụng thao tác trong quá trình sử dụng đèn điện, ví dụ để đổi hướng chùm sáng.

1.2.82

Tầm với (arms reach)

Vùng chạm tới được để chạm tới kéo dài từ điểm bất kỳ trên một bề mặt nơi con người thường đứng hoặc di chuyển đến theo nhiều hướng đến các giới hạn mà con người có thể với được bằng tay mà không có hỗ trợ.

CHÚ THÍCH: TCVN 7447-4-41 (IEC 60364-4-41) kết hợp với bản vẽ thể hiện vùng chạm tới được. Nói chung, chiều cao là 2,5 m so với sàn nhà và chiều rộng là 1,25 m theo tất cả các hướng nằm ngang từ các vị trí có thể của con người.

NGUỒN: IEC 60050-195:1998, 195.06.12

1.2.83

Khối đầu nối có tiếp điểm nối đất không bắt ren lắp liền (terminal block with integrated screwless earthing contact)

Đầu nối có mối nối đất được tạo thành nhờ tiếp điểm lắp liền hoặc nhờ một tiếp điểm phụ mà không cần thêm các thao tác lắp ráp (ví dụ, vặn ren) khi nối.

1.2.84

Dây nguồn tháo rời được (detachable cord)

Dây hoặc cáp mềm, để cấp nguồn hoặc nối liên kết nguồn, được thiết kế để nối với đèn điện bằng bộ nối thiết bị thích hợp.

CHÚ THÍCH: Dây nguồn tháo rời được là dây thay thế được dễ dàng.

1.2.85

Dụng cụ (tool)

Tuốc nơ vít, đồng xu hoặc vật khác có thể được sử dụng để thao tác vít hoặc phương tiện cố định tương tự.

1.2.86

Dây được chuẩn bị đặc biệt (specially prepared cord)

Cáp hoặc dây mềm mà việc thay thế bằng cáp hoặc dây mềm khác không chuyên dụng có thể gây nguy hiểm hoặc mất an toàn.

1.2.87

Đèn điện điều chỉnh được (settable luminaire)

Đèn điện cố định trong đó phần chính có thể điều chỉnh hoặc di chuyển bằng các khớp, cơ cấu nâng hạ, ống lồng hoặc cơ cấu tương tự nhưng có (các) cơ cấu hãm được thao tác bằng dụng cụ và không được thiết kế để điều chỉnh khi đang sử dụng.

1.2.88

Nguồn sáng (light source)

Bóng đèn có đầu đèn hoặc môđun (LED) hoặc nguồn sáng khác để cung cấp bức xạ quang nhìn thấy được được sử dụng hoặc lắp vào đèn điện.

1.2.88.1

Nguồn sáng thay thế được (replaceable light source)

Bóng đèn có đầu đèn hoặc nguồn sáng được thiết kế để nối bằng các đầu nối, bộ nối hoặc cơ cấu tương tự và được thiết kế để thay được trong sử dụng bình thường hoặc khi bảo dưỡng đèn điện.

VÍ DỤ: Tất cả các loại bóng đèn có đầu đèn.

CHÚ THÍCH: Môđun đèn LED lắp sẵn theo TCVN 8781 (IEC 62031) thường được coi là nguồn sáng thay thế được trừ khi đáp ứng các yêu cầu đối với các nguồn sáng không thay thế được hoặc các nguồn sáng không thay thế được bởi người sử dụng.

1.2.88.2

Nguồn sáng không thay thế được (non replaceable light source)

Nguồn sáng là một phần không thay thế được của đèn điện vì nguồn sáng này không thể thay mà không làm vỡ hoặc phá hỏng đèn điện hoặc vì nguồn sáng nằm bên dưới nắp được gắn cố định bằng vít hoặc phương tiện cố định tương tự được thiết kế chỉ để sử dụng một lần và không thể được mở ra.

1.2.88.3

Nguồn sáng không thay thế được bởi người sử dụng (non-user replaceable light source)

Nguồn sáng mà chỉ có thể thay được bởi nhà chế tạo, đại lý bảo hành của nhà chế tạo hoặc người có trình độ tương tự.

1.2.89

Đèn điện điều khiển được (controllable luminaire)

Đèn điện có đầu nối điều khiển dùng cho mục đích trao đổi thông tin của thiết bị điều khiển và/hoặc cài đặt chức năng của thiết bị điều khiển.

1.2.90

Đầu nối điều khiển (control terminal)

Các mối nối của đầu nối điều khiển, không phải các đầu nối nguồn đến bộ điều khiển điện tử, được sử dụng để trao đổi thông tin với bộ điều khiển.

CHÚ THÍCH: Các đầu nối nguồn cũng có thể được sử dụng để trao đổi thông tin với thiết bị điều khiển.

1.2.91

Nguồn LV (LV supply)

Mạch điện, đi dây hoặc một phần của chúng được nối với mạng phân phối công cộng hạ áp (LV); điện áp của các mạch này tương ứng với dải điện áp II của IEC 60449.

VÍ DỤ: Mạng phân phối 230 V.

CHÚ THÍCH 1: SELV và FELV không nằm trong định nghĩa nguồn LV.

CHÚ THÍCH 2: Nguồn điện áp cao (HV) ứng với dải III của IEC 60449 không nằm trong định nghĩa nguồn LV.

1.2.92

Đầu dây chờ nối (connecting leads/tails)

Dây đi bên trong của đèn điện được thiết kế để nối với hệ thống dây đi cố định thông qua các đầu nối riêng rẽ nằm bên trong đèn điện hoặc hộp nối.

1.2.93

Giá trị danh định (rated value)

Giá trị của đại lượng sử dụng cho các quy định kỹ thuật, được thiết lập trong các điều kiện thử nghiệm tiêu chuẩn theo công bố của nhà chế tạo hoặc đại lý được ủy quyền.

[NGUỒN: IEC 62504:2014, 3.33, có sửa đổi – bỏ chú thích]

1.2.94

Công suất vào (input power)

Công suất điện được tiêu thụ bởi đèn điện.

Mục 2: Phân loại đèn điện

2.1 Quy định chung

Mục này mô tả việc phân loại đèn điện.

Đèn điện được phân loại theo cấp bảo vệ chống điện giật, cấp bảo vệ chống sự xâm nhập của bụi, vật rắn và hơi ẩm, vật liệu của bề mặt đỡ và các trường hợp sử dụng.

2.2 Phân loại theo cấp bảo vệ chống điện giật

Đèn điện phải được phân loại theo cấp bảo vệ chống điện giật yâu cầu, ví dụ, đèn điện cấp I, đèn điện cấp II hoặc đèn điện cấp III (xem định nghĩa trong Mục 1).

Với chống điện giật, đèn điện chỉ được có một cách phân loại. Ví dụ, đối với đèn điện có máy biến áp điện áp cực thấp lắp sẵn, có phương tiện nối đất thì phải được phân loại là cấp I còn phần đèn điện mặc dù khoang bóng đèn được cách ly bằng tấm chắn với khoang biến áp vẫn không được phân loại là cấp III.

Nửa đèn điện phải phù hợp với tất cả các yêu cầu liên quan đối với đèn điện cấp II nhưng không được mang ký hiệu cấp II.

Trừ khi đèn điện được thiết kế đặc biệt để sử dụng với nửa đèn điện, nhà chế tạo đèn điện không tiếp tục phải chịu trách nhiệm về sự phù hợp với TCVN 7722 (IEC 60598) trong trường hợp người sử dụng thay thế loại bóng đèn quy định với nửa đèn điện. Nhà chế tạo nửa đèn điện có trách nhiệm cung cấp thông tin liên quan đến các giới hạn sử dụng.

CHÚ THÍCH: Bỏ qua ký hiệu cấp II để tránh ký hiệu đặt lên đèn điện hoàn chỉnh trong đó có sử dụng nửa đèn điện.

2.3 Phân loại theo cấp bảo vệ chống sự xâm nhập của bụi, vật rắn và hơi ẩm

Đèn điện phải được phân loại theo hệ thống “mã IP” về phân loại mô tả trong TCVN 4255 (IEC 60529).

Thử nghiệm cấp bảo vệ được nêu trong Mục 9.

CHÚ THÍCH: Đèn điện được phân loại là kín nước không nhất thiết là thích hợp để làm việc dưới nước. Nên sử dụng đèn điện kín nước chịu áp lực cho các ứng dụng này.

2.4 Phân loại theo vật liệu của bề mặt đỡ mà đèn điện được thiết kế

Đèn điện phải được phân loại theo sự thích hợp để lắp đặt trực tiếp lên bề mặt cháy bình thường hoặc chỉ thích hợp để lắp đặt trên bề mặt không cháy như dưới đây:

Phân loại Ký hiệu
– Đèn điện thích hợp để lắp đặt trực tiếp lên bề mặt cháy bình thường Không yêu cầu có ký hiệu
– Đèn điện không thích hợp để lắp đặt trực tiếp lên bề mặt cháy bình thường Ký hiệu liên quan – Xem Hình 1.

CHÚ THÍCH: Bề mặt dễ cháy không thích hợp để lắp đặt trực tiếp đèn điện. Các yêu cầu đối với đèn điện được phân loại như dự kiến ban đầu để lắp đặt trực tiếp lên bề mặt cháy bình thường được cho trong Mục 4 và các thử nghiệm liên quan ở Mục 12.

2.5 Phân loại theo trường hợp sử dụng

Đèn điện phải được phân loại theo cách chúng được thiết kế để sử dụng bình thường hay vận hành nặng nề.

Phân loại Ký hiệu
– Đèn điện thích hợp để sử dụng bình thường Không có ký hiệu
– Đèn điện không thích hợp để vận hành nặng nề Ký hiệu – Xem Hình 1.

Mục 3: Ghi nhãn

3.1 Quy định chung

Mục này quy định thông tin cần được ghi nhãn trên đèn điện hoặc cho trong hướng dẫn.

Hướng dẫn bằng văn bản bất kỳ liên quan đến an toàn phải được trình bày bằng ngôn ngữ được chấp nhận ở quốc gia lắp đặt thiết bị.

3.2 Ghi nhãn trên đèn điện

Thông tin dưới đây phải được ghi nhãn rõ ràng và bền trên đèn điện (xem Bảng 3.1).

a) Nội dung ghi nhãn cần tuân thủ khi thay bóng đèn hoặc thay các thành phần thay thế được khác, phải nhìn được từ phía ngoài đèn điện (trừ phía lắp đặt) hoặc từ mặt sau của nắp đậy mà khi thay bóng đèn hoặc thành phần khác phải tháo nắp này ra và khi bóng đèn đã được tháo ra.

b) Nội dung ghi nhãn cần tuân thủ trong quá trình lắp đặt phải dễ nhìn thấy trong khi lắp đặt ở phía ngoài đèn điện hoặc mặt sau của nắp hoặc bộ phận được tháo ra trong quá trình lắp đặt.

c) Nội dung ghi nhãn cần tuân thủ sau khi lắp đặt phải dễ nhìn thấy với đèn điện đã được lắp ráp và lắp đặt như sử dụng bình thường và với bóng đèn ở đúng vị trí.

Có thể ghi nhãn trên balát miễn là các điều kiện ở điểm a) hoặc b) ở trên, nếu thích hợp, được thỏa mãn. Xem Bảng 3.1 để có thông tin chi tiết.

Bảng 3.1 – Ghi nhãn

Nhãn thuộc điểm a) Nhãn thuộc điểm b) Nhãn thuộc điểm c)

3.2.8a Công suất danh định

3.2.10 Bóng đèn đặc biệt

3.2.11 Đèn ánh sáng lạnh

3.2.15 Gương cầu

3.2.16 Tấm chắn bảo vệ

3.2.18 Cảnh báo cháy

3.2.19 Bóng đèn tự che chắn

3.2.22 Cầu chảy thay thế được, lắp bên trong

3.2.23 Không nhìn vào nguồn sánge

3.2.24 Ký hiệu về rủi ro điện giật

3.2.1 – 3.2.2b

3.2.3 Nhiệt độ bao quanh

3.2.4 – 3.2.5

3.2.6 Mã IP

3.2.7 Kiểu tham chiếu

3.2.8.2 Công suất vào danh định

3.2.9 Ký hiệu

Ký hiệu liên quan dùng cho đèn điện không thích hợp để lắp trực tiếp lên bề mặt cháy bình thường

3.2.12 Đầu nối

3.2.17c Đèn điện nối liên kết

3.2.21 Ký hiệu liên quan dùng để thể hiện không dùng vật liệu cách nhiệt để bao quanh.

3.2.25 Điện áp vào danh định không đổif

3.2.26 Dòng điện vào danh định không đổi và giá trị Uoutg

3.2.13 Vật được chiếu sángd

3.2.14 Vận hành nặng nề

3.2.20 Phương tiện điều chỉnh

3.2.23 Không nhìn vào nguồn sánge

a 3.2.8 Công suất danh định. Đối với đèn điện dùng bóng đèn phóng điện có cơ cấu điều khiển từ xa, có thể thay nhãn này bằng hướng dẫn: “Để thiết kế bóng đèn, xem cơ cấu điều khiển”.

b 3.2.2 Điện áp danh định. Đối với đèn điện dùng bóng đèn phóng điện, nếu balát không lắp trong đèn điện thì đèn điện phải được ghi nhãn điện áp làm việc thay cho điện áp lưới. Đối với đèn điện có biến áp lắp trong dùng cho bóng đèn sợi đốt, xem IEC 60598-2-6.

c 3.2.17 Đèn điện nối liên kết. Đối với đèn điện cố định, thông tin này có thể được cung cấp trong hướng dẫn lắp đặt.

d 3.2.13 Vật được chiếu sáng. Chỉ đưa ra ký hiệu này trên đèn điện. Giải thích về ký hiệu này phải được nêu trong hướng dẫn đi kèm đèn điện mà không đưa ra trên đèn điện.

e 3.2.23 Các điều kiện khác nhau của ghi nhãn này đối với đèn điện cố định, đèn điện di động và đèn điện cầm tay được cho trong 3.2.23.

f 3.2.25 đối với hoạt động của đèn điện ở điện áp không đổi.

g 3.2.26 đối với hoạt động của đèn điện ở dòng điện không đổi.

Ký hiệu nối đất đề cập trong 3.2.12 có thể được ghi trên balát thay vì ghi trên đèn điện nếu balát là loại không thay thế được. Chiều cao của các ký hiệu bằng hình vẽ không được nhỏ hơn 5 mm trừ các ký hiệu dùng cho đèn điện cấp II và cấp III và có thể giảm đến tối thiểu là 3 mm trong trường hợp bị hạn chế về không gian ghi nhãn. Chiều cao của các chữ cái và con số được thể hiện riêng rẽ hoặc thể hiện cùng hoặc là một phần của các ký hiệu không được nhỏ hơn 2 mm.

Đối với các đèn điện phối hợp trong đó kiểu tham chiếu hoặc công suất vào danh định khác nhau cho các phối hợp khác nhau thì phần chính và các phần thay thế có thể được ghi nhãn kiểu tham chiếu hoặc công suất vào danh định, tùy theo đối tượng áp dụng, với điều kiện là kiểu tham chiếu có thể được nhận biết và công suất vào danh định của phối hợp hoàn chỉnh có thể được thiết lập từ catalô hoặc tài liệu tương tự.

Đối với đèn điện có hệ thống tiếp xúc điện cơ, tấm đế phải được ghi nhận dòng điện danh định của mối nối điện nếu hệ thống có thể được sử dụng với nhiều loại đèn điện khác nhau.

3.2.1 Ghi nhãn xuất xứ (có thể là thương hiệu, nhãn nhận biết của nhà chế tạo hoặc tên đại lý được ủy quyền).

3.2.2 (Các) điện áp danh định, tính bằng vôn. Đèn điện dùng bóng đèn sợi đốt vônfram chỉ ghi nhãn nếu điện áp danh định khác 250 V.

Đèn điện di động cấp III phải được ghi nhãn điện áp danh định ở phía ngoài đèn điện.

Đèn điện có biến áp hoặc bộ chuyển đổi lắp liền phải được ghi nhãn với điện áp và/hoặc dòng điện danh nghĩa của nguồn sáng để đảm bảo thay thế đúng. Ghi nhãn này phải được đặt đúng vị trí theo 3.2.8.

Trong trường hợp có ghi nhãn theo 3.2.25 hoặc 3.2.26, không yêu cầu ghi nhãn bổ sung điện áp danh định.

3.2.3 Nhiệt độ xung quanh lớn nhất danh định ta, nếu khác 25 °C (xem Hình 1).

3.2.4 Ký hiệu dùng cho đèn điện cấp II, nếu thuộc đối tượng áp dụng (xem Hình 1).

Đối với đèn điện di động được cấp dây nguồn, ký hiệu dùng cho kết cấu cấp II, nếu thuộc đối tượng áp dụng, phải ở bên ngoài đèn điện.

Ký hiệu cấp II không được đặt lên nửa đèn điện.

Đèn điện có biến áp hoặc bộ chuyển đổi lắp liền phải được ghi nhãn với điện áp và/hoặc dòng điện danh nghĩa của nguồn sáng để đảm bảo thay đúng nguồn sáng. Ghi nhãn này phải được đặt theo quy định của 3.2.8.

3.2.5 Ký hiệu dùng cho đèn điện cấp III, nếu thuộc đối tượng áp dụng (xem Hình 1 ).

3.2.6 Ghi nhãn (nếu thuộc đối tượng áp dụng) mã IP đối với bảo vệ chống sự xâm nhập của bụi, vật rắn và hơi ẩm (xem Hình 1 và Phụ lục J). Khi sử dụng X trong mã IP ở Hình 1 thì chữ X thể hiện ví dụ về số chưa điền vào ví dụ nhưng cả hai số thích hợp phải được ghi nhãn trên đèn điện.

Trong trường hợp các mã IP khác nhau áp dụng cho các bộ phận khác nhau của đèn điện, mã thấp hơn phải được ghi nhãn trên tấm nhãn thể hiện kiểu của đèn điện, dù là IP20, nhưng mã cao hơn phải được ghi nhãn riêng rẽ trên bộ phận liên quan. Trong trường hợp khi chụp đèn hoặc cơ cấu tương tự được nâng cấp khi lắp đặt, ví dụ đèn điện có IP20 được nâng cấp đến thông số IP cao hơn khi lắp đặt thì không nhìn thấy nhãn IP20 trên cơ cấu đang xét nữa nhưng không làm hỏng nhãn này và phải nhìn thấy được thông số IP mới trên cơ cấu này. Tờ hướng dẫn được cung cấp cùng đèn điện phải có mô tả chi tiết mã IP áp dụng cho các bộ phận khác nhau của đèn điện. Việc sử dụng mã IP khác nhau trên các bộ phận khác nhau của đèn điện hoặc cơ cấu để nâng cấp thông số IP lên thông số IP cao hơn chỉ áp dụng cho đèn điện cố định.

Đối với đèn điện lắp chìm có hai thông số IP thì cả hai thông số này phải nhìn thấy được trong quá trình lắp đặt và thông số nào ứng với bộ phận nào của đèn điện phải rõ ràng. Thông tin liên quan phải được cung cấp ngay cả khi thông số này là IP20 hoặc quy định thông số thấp hơn thông thường.

Không yêu cầu ghi nhãn IP20 trên đèn điện thông thường.

3.2.7 Số model của nhà chế tạo hoặc kiểu tham chiếu.

3.2.8 Đèn điện phải được ghi nhãn thông tin đối với công suất danh định lớn nhất của nguồn sáng hoặc công suất vào lớn nhất theo 3.2.8.1, 3.2.8.2 và 3.2.8.3.

3.2.8.1 Đèn điện dùng cho bóng đèn sợi đốt vonfram phải được ghi nhãn điện áp danh định lớn nhất và số lượng bóng đèn.

Ghi nhãn công suất danh định lớn nhất đối với đèn điện có từ hai đui đèn trở lên để lắp các bóng đèn sợi đốt vônfram có thể có dạng:

“n x MAX… W”, n là số lượng đui đèn.

3.2.8.2 Đèn điện được thiết kế dùng cho các nguồn sáng không thay thế được hoặc các nguồn sáng không thay thế được bởi người sử dụng phải được ghi nhãn công suất vào danh định của đèn điện.

CHÚ THÍCH: Mục đích của việc ghi nhãn công suất vào danh định để cung cấp hướng dẫn cho người lắp đặt. Tiêu chuẩn này không quy định thử nghiệm công suất vào.

3.2.8.3 Đối với tất cả các đèn điện khác, công suất danh định của bóng đèn hoặc tên gọi như chỉ ra trên tờ dữ liệu bóng đèn của kiểu bóng đèn mà đèn điện được thiết kế. Trong trường hợp chỉ riêng công suất bóng đèn là không đủ thì phải cung cấp thêm số lượng bóng đèn và kiểu bóng đèn.

3.2.9 Trong trường hợp thuộc đối tượng áp dụng, ký hiệu liên quan (xem Hình 1) dùng cho đèn điện không thích hợp để lắp trực tiếp lên bề mặt cháy bình thường. Ký hiệu này phải được giải nghĩa trên đèn điện hoặc trong hướng dẫn của nhà chế tạo được cung cấp cùng đèn điện. Xem Bảng N.1. Kích thước nhỏ nhất của ký hiệu phải là 25 mm ở mỗi phía.

3.2.10 Thông tin liên quan đến bóng đèn đặc biệt, nếu có.

Thông thường, điều này áp dụng cho các ký hiệu (xem Hình 1) cho đèn điện được sử dụng với bóng đèn natri áp suất cao có hoặc cơ cấu khởi động bên trong hoặc đòi hỏi bộ mồi bên ngoài, trong đó yêu cầu bóng đèn phải được ghi nhãn ký hiệu tương tự theo IEC 60662.

3.2.11 Ký hiệu (xem Hình 1), nếu thuộc đối tượng áp dụng, dùng cho đèn điện dùng bóng đèn có hình dạng tương tự bóng đèn “ánh sáng lạnh” mà việc sử dụng bóng đèn “ánh sáng lạnh” phản xạ hai hướng có thể ảnh hưởng xấu tới an toàn.

3.2.12 Trừ nối dây kiểu Z, các đầu cực phải được ghi nhãn nhận biết phần có điện, trung tính và nối đất trong trường hợp nối đèn điện với nguồn lưới để đảm bảo an toàn và làm việc thỏa đáng.

Ký hiệu, để chỉ ra các đầu cực nguồn lưới phải theo IEC 60417.

Đầu cực nối đất chỉ được ghi nhãn bằng ký hiệu liên quan của IEC 60417.

CHÚ THÍCH 1: Ký hiệu thích hợp trong IEC 60417 là: Đất (IEC 60417-5017 (2006-08)), nối đất chức năng (IEC 60417-5018 (2006-08)) và nối đất bảo vệ (IEC 60417-5019 (2006-08)).

Trong trường hợp có các đầu nối trong đèn điện cấp II để nối hoặc ngắt dây nối đất thì các đầu nối này phải được ghi nhãn với chữ E.

CHÚ THÍCH 2: Ví dụ về các đầu nối này là các đầu nối sử dụng cho dây đi nguồn qua đèn điện.

Các đầu dây chờ nối và đầu nối được dùng để nối với nguồn điện áp một chiều cực thấp phải chỉ thị đấu nối dự kiến, chọn một trong các kết hợp đề cập dưới đây:

Bảng 3.2 – Nhận biết đầu dây chờ nối và đầu nối một chiều điện áp cực thấp

Cực dương Cực âm
“+” “-”
Mã màu đỏ a Mã màu đen a
a Sử dụng các nhãn hoặc ống lót cố định vào đầu dây chờ nối để cung cấp một trong các nhận biết trên là chấp nhận được.

CHÚ THÍCH 3: Các đầu cực có thể ở đầu mút của dây, mối nối hoặc khối đầu nối và các đầu nối của kết cấu khác.

Đèn điện có dây nguồn không lắp với phích cắm phải có kèm theo hướng dẫn của nhà chế tạo về các thông tin cần thiết để đảm bảo đấu nối an toàn, ví dụ, sai lệch so với mã màu tiêu chuẩn hóa quốc gia của các dây nhưng có thể không gây ra tình huống mất an toàn trong khi lắp đặt, sử dụng hoặc bảo trì.

CHÚ THÍCH 4: Ở một số nước, đèn điện có dây nguồn được thiết kế để nối nguồn qua ổ cắm nhưng dây nguồn lại không lắp phích cắm là không được phép.

3.2.13 Ký hiệu (xem Hình 1) dùng cho khoảng cách tối thiểu từ các vật thể được chiếu sáng, nếu thuộc đối tượng áp dụng, đối với đèn điện có thể gây quá nhiệt cho vật thể được chiếu sáng do, ví dụ, loại bóng đèn được lắp, hình dáng bộ phản xạ, khả năng điều chỉnh của phương tiện lắp đặt hoặc vị trí lắp đặt như được chỉ ra trong hướng dẫn lắp đặt.

Khoảng cách tối thiểu được ghi nhãn phải được xác định bằng thử nghiệm nhiệt độ mô tả trong điểm j) của 12.4.1.

Khoảng cách này được đo trên trục quang của đèn điện từ bộ phận đó của đèn điện hoặc bóng đèn gần nhất với vật thể được chiếu sáng.

Ký hiệu dùng cho khoảng cách tối thiểu và giải thích ý nghĩa của ký hiệu này phải được nêu trên đèn điện hoặc hướng dẫn đi kèm đèn điện.

3.2.14 Ký hiệu (xem Hình 1), nếu thuộc đối tượng áp dụng, dùng cho đèn điện vận hành nặng nề.

3.2.15 Ký hiệu (xem Hình 1), nếu thuộc đối tượng áp dụng, dùng cho đèn điện được thiết kế để sử dụng với bóng đèn có phản xạ gương cầu.

CHÚ THÍCH: Các gương cầu riêng rẽ để gắn với bóng đèn GLS không liên quan đến thử nghiệm đèn điện thì không nằm trong phạm vi áp dụng của tiêu chuẩn này.

3.2.16 Đèn điện có lắp tấm chắn bảo vệ phải được ghi nhãn như sau:

• “Thay tất cả các tấm chắn bảo vệ bị nứt”, hoặc

• có ký hiệu (xem Hình 1 ).

3.2.17 Số lượng đèn điện lớn nhất có thể nối liên kết hoặc dòng điện tổng lớn nhất có thể chạy qua bằng bộ nối được trang bị để đi dây nguồn song song. Đối với đèn điện cố định, thông tin này có thể được cung cấp trong hướng dẫn lắp đặt.

3.2.18 Ký hiệu cảnh báo hoặc thông báo đối với đèn điện có bộ mồi được thiết kế để sử dụng với bóng đèn phóng điện áp suất cao có hai đầu và đèn điện sử dụng bóng đèn ống Fa8 hai đầu nếu điện áp đo theo Hình 26 vượt quá 34 V giá trị đỉnh.

a) Ký hiệu cảnh báo theo IEC 60417-5036 (2002-10) phải nhìn thấy trong khi thay bóng đèn. Ký hiệu này phải được giải nghĩa trên đèn điện hoặc trong hướng dẫn của nhà chế tạo được cung cấp cùng đèn điện, hoặc

b) Thông báo mang nghĩa cảnh báo gần đui của bộ mồi thay thế được hoặc phần tử đóng cắt thay thế được, nếu có: “Chú ý, tháo cơ cấu thay thế được trước khi thay bóng đèn. Sau khi thay bóng đèn, lắp lại cơ cấu thay thế được”.

3.2.19 Ký hiệu (xem Hình 1) dùng cho đèn điện được thiết kế chỉ để sử dụng với bóng đèn halogen vônfram tự che chắn hoặc bóng đèn halogen kim loại tự che chắn.

3.2.20 Trong trường hợp cần thiết, phương tiện điều chỉnh là không hiển nhiên thì cần được nhận biết.

CHÚ THÍCH: Ghi nhãn thích hợp bao gồm các ký hiệu (ví dụ, mũi tên) để chỉ ra chiều chuyển động, mô tả bằng nội dung hoặc màu sắc.

3.2.21 Ký hiệu liên quan (xem Hình 1) dùng cho đèn điện loại không thích hợp để bao quanh bằng vật liệu cách nhiệt. Ký hiệu này phải được giải thích trên đèn điện hoặc trong hướng dẫn của nhà chế tạo được cung cấp cùng đèn điện. Xem Bảng N.1. Kích thước tối thiểu của ký hiệu phải là 25 mm về mỗi phía.

Yêu cầu có thông báo mang nghĩa cảnh báo và ký hiệu khi đèn điện không thích hợp để bao quanh bằng vật liệu cách nhiệt.

3.2.22 Ký hiệu (xem Hình 1), nếu thuộc đối tượng áp dụng, dùng cho đèn điện có cầu chảy lắp bên trong, loại thay thế được. Ngoài ra, đèn điện này phải được cung cấp thông tin liên quan đến dòng điện danh định (tính bằng A hoặc mA) của cầu chảy. Trong trường hợp đặc tính thời gian-dòng điện của cầu chảy là quan trọng đối với an toàn thì thông số này và loại cầu chảy bất kỳ phải được ghi nhãn trên ống cầu chảy hoặc ở gần cầu chảy phù hợp với yêu cầu quy định trong tiêu chuẩn cầu chảy liên quan.

3.2.23 Ký hiệu cảnh báo “Không nhìn vào nguồn sáng” (xem Hình 1) đối với đèn điện di động và cầm tay được phân loại là có ngưỡng độ chói Ethr theo IEC/TR 62778. Ghi nhãn này phải nhìn thấy được như quy định chi tiết bởi điều kiện ‘c’ của 3.2 và Bảng 3.1. Ngoài ra, ký hiệu này cần được đặt ở vị trí sao cho có thể đọc mà không phải nhìn vào nguồn sáng đang làm việc. Yêu cầu này chỉ áp dụng khi đạt đến ngưỡng Ethr ở khoảng cách xa hơn 200 mm tính từ đèn điện.

Đối với đèn điện cố định được phân loại là có ngưỡng độ chói Ethr theo IEC/TR 62778, các hướng dẫn của nhà chế tạo đi kèm đèn điện phải có thông tin dưới đây, trong đó x m là khoảng cách tại đó đo được ngưỡng độ chói Ethr. Yêu cầu này chỉ áp dụng khi đạt đến ngưỡng Ethr ở khoảng cách xa hơn 200 mm tính từ đèn điện.

“Đèn điện cần được đặt ở vị trí sao cho việc nhìn lâu vào đèn điện ở khoảng cách gần hơn x m là không kỳ vọng”.

CHÚ THÍCH: Theo IEC/TR 62778, x m là khoảng cách dthr giữa nguồn sáng và mắt người quan sát và được tính từ phép đo phân bố ánh sáng của đèn điện.

Ngoài ra, đèn điện có lắp nguồn sáng thay thế được hoặc nguồn sáng không thay thế được bởi người sử dụng và được phân loại là có ngưỡng độ chói Ethr theo IEC/TR 62778 và được nhìn thấy trực tiếp trong khi bảo trì đèn điện phải được ghi nhãn với ký hiệu cảnh báo “Không được nhìn vào nguồn sáng đang làm việc” (xem Hình 1). Ghi nhãn này phải nhìn thấy được như quy định chi tiết bởi điều kiện ‘a’ của 3.2 và Bảng 3.1.

3.2.24 Trong trường hợp có yêu cầu bảo vệ chống điện giật, các nắp được cố định phía trên nguồn sáng không thay thế được bởi người sử dụng phải được ghi nhãn ký hiệu “lưu ý, rủi ro điện giật” – IEC 60417-6042 (2011-11). Chiều cao tối thiểu của ký hiệu này phải là 15 mm (xem Hình 1).

3.2.25 Điện áp vào danh định không đổi khi đèn điện được cho hoạt động từ bộ điều khiển có điện áp không đổi không được cung cấp kèm theo đèn điện.

3.2.26 Dòng điện vào danh định không đổi khi đèn điện được cho hoạt động từ bộ điều khiển có dòng điện không đổi không được cung cấp kèm theo đèn điện. Đèn điện có dòng điện không đổi cũng phải được ghi nhãn với giá trị điện áp cao nhất cho phép Uout của bộ điều khiển.

3.3 Thông tin bổ sung

Ngoài việc ghi nhãn ở trên, tất cả các thông tin chi tiết cần thiết để đảm bảo lắp đặt, sử dụng và bảo trì đúng phải được đưa ra, hoặc trên đèn điện, nửa đèn điện hoặc trên balát lắp trong hoặc nêu trong hướng dẫn của nhà chế tạo được cung cấp cùng đèn điện, ví dụ:

3.3.1 Đối với đèn điện kết hợp, nhiệt độ xung quanh cho phép, cấp bảo vệ chống điện giật hoặc bảo vệ chống sự xâm nhập của bụi, vật rắn và hơi ẩm của bộ phận thay thế nếu không ở mức tối thiểu là bằng với yêu cầu của đèn điện cơ sở.

3.3.2 Tần số danh nghĩa, tính bằng héc.

3.3.3 Nhiệt độ làm việc:

a) Nhiệt độ làm việc lớn nhất danh định (của cuộn dây) tw, tính bằng °C.

b) Nhiệt độ làm việc lớn nhất danh định (của tụ điện) tc, tính bằng °C.

c) Nhiệt độ lớn nhất mà cách điện của cáp nguồn và cáp liên kết phải chịu trong đèn điện ở điều kiện bất lợi nhất khi làm việc bình thường, nếu vượt quá 90 °C (xem chú thích c trong Bảng 12.2 liên quan đến đi dây cố định không đi trong ống). Ký hiệu để chỉ ra yêu cầu này được nêu trong Hình 1.

d) Yêu cầu về không gian cần tuân thủ trong quá trình lắp đặt.

3.3.4 Chưa sử dụng.

3.3.5 Sơ đồ đi dây, trừ trường hợp đèn điện thích hợp để đấu nối trực tiếp vào nguồn lưới.

3.3.6 Các điều kiện đặc biệt mà đèn điện, kể cả balát, thích hợp, ví dụ, đèn điện có được thiết kế để đi dây nguồn song song hay không.

3.3.7 Đèn điện được cung cấp cùng bóng đèn halogen kim loại phải được có thông báo mang nghĩa cảnh báo dưới đây:

“Đèn điện này chỉ được sử dụng cùng tấm chắn bảo vệ”.

3.3.8 Nhà chế tạo nửa đèn điện phải cung cấp thông tin về các giới hạn sử dụng các thiết bị này, cụ thể là trong trường hợp có thể gây ra quá nhiệt do vị trí hoặc phân bố nhiệt của nguồn sáng thay thế được khác với nguồn sáng sẽ được thay thế.

3.3.9 Ngoài ra, nhà chế tạo phải sẵn có thông tin về hệ số công suất và dòng điện cung cấp.

Để đấu nối thích hợp cho cả tải điện trở và tải điện cảm, dòng điện danh định đối với tải điện cảm phải được chỉ ra trong ngoặc và phải ngay sau dòng điện danh định đối với tải điện trở. Ghi nhãn có thể như sau:

3(1)A 250 V hoặc 3(1)/250 hoặc

CHÚ THÍCH: Ghi nhãn này phù hợp với IEC 61058-1.

Giá trị dòng điện danh định không áp dụng cho mạch điện nói chung mà chỉ áp dụng cho thông số đặc trưng của đèn điện nói chung.

3.3.10 Tính thích hợp để sử dụng “trong nhà” kể cả nhiệt độ xung quanh liên quan.

3.3.11 Đối với đèn điện sử dụng bộ điều khiển từ xa, dãy bóng đèn mà đèn điện được thiết kế.

3.3.12 Đối với đèn điện có lắp kẹp, cảnh báo khi đèn điện không thích hợp để lắp lèn vật liệu hình ống.

3.3.13 Nhà chế tạo phải cung cấp yêu cầu kỹ thuật của tất cả các tấm chắn bảo vệ.

3.3.14 Nếu cần để hoạt động đúng, đèn điện phải được ghi nhãn ký hiệu của bản chất nguồn (xem Hình 1).

3.3.15 Dòng điện danh định ở điện áp danh định phải được nhà chế tạo công bố cho ổ cắm bất kỳ lắp vào đèn điện, nếu nhỏ hơn giá trị danh định.

3.3.16 Thông tin về đèn điện vận hành nặng nề liên quan đến:

– đấu nối đến ổ cắm có thông số IPX4;

– việc lắp đặt đúng có tính đến lắp đặt tạm thời;

– cố định đúng vào chân đế và trong trường hợp đế không được cung cấp cùng đèn điện, chiều cao lớn nhất của chân đế có thể có và độ cứng vững yêu cầu của chân đế bằng cách chỉ ra số chân và chiều dài nhỏ nhất của các chân.

3.3.17 Đối với đèn điện nối dây kiểu X, Y hoặc X, hướng dẫn lắp đặt phải có nội dung về thông tin dưới đây:

– đối với nối dây kiểu X có dây nguồn chuẩn bị đặc biệt

Nếu cáp hoặc dây mềm bên ngoài của đèn điện này bị hỏng thì phải thay thế bằng dây đặc biệt hoặc dây chuyên dụng có sẵn từ nhà chế tạo hoặc đại lý bảo hành.

– đối với nối kiểu Y

Nếu cáp hoặc dây mềm bên ngoài của đèn điện này bị hỏng thì chỉ nhà chế tạo, đại lý bảo hành hoặc người đã qua đào tạo tương tự thì mới được thay thế để tránh nguy hiểm.

– đối với nối kiểu Z

Cáp hoặc dây mềm bên ngoài của đèn điện kiểu này không thể thay thế được; nếu dây bị hỏng thì phải hủy đèn điện.

3.3.18 Đèn điện không phải loại thông thường, được cung cấp dây nguồn PVC, phải có thông tin về sử dụng dự kiến, tức là “Chỉ sử dụng trong nhà”.

3.3.19 Đối với đèn điện có dòng điện trên dây dẫn bảo vệ lớn hơn 10 mA mà được thiết kế để đấu nối cố định thì dòng điện trên dây dẫn bảo vệ phải được quy định rõ ràng trong hướng dẫn của nhà chế tạo.

3.3.20 Đèn điện lắp trên tường và điều chỉnh được nhưng không được thiết kế để lắp đặt trong phạm vi tầm với phải có thông tin để khuyến cáo lắp đặt đúng, tức là “chỉ được lắp đặt bên ngoài tầm với”.

3.3.21 Đèn điện có nguồn sáng không thay thế được hoặc có nguồn sáng không thay thế được bởi người sử dụng phải có tờ hướng dẫn chứa nội dung sau:

– Đối với nguồn sáng không thay thế được:

“Nguồn sáng của đèn điện này không thay thế được; khi nguồn sáng đạt đến cuối tuổi thọ thì phải thay thế toàn bộ đèn điện”

– Đối với nguồn sáng không thay thế được bởi người sử dụng:

“Nguồn sáng của đèn điện này chỉ được thay thế bởi nhà chế tạo hoặc đại lý bảo hành của nhà chế tạo hoặc người có trình độ tượng tự.

3.3.22 Đối với đèn điện điều khiển được, phải có phân loại cách điện được duy trì giữa nguồn LV và dây dẫn điều khiển. Ví dụ cách điện chính hoặc cách điện tăng cường.

CHÚ THÍCH: Việc duy trì tấm chắn cách điện được công bố đối với đèn điện cũng có thể phụ thuộc vào linh kiện/sản phẩm bên ngoài nối với cùng thanh cái điều khiển. Điều này thuộc trách nhiệm của người thiết kế hệ thống điều khiển mà không phải của nhà chế tạo đèn điện.

3.3.23 Đèn điện không được cung cấp kèm bộ điều khiển phải có thông tin cần thiết để chọn thành phần thích hợp (cụ thể là khoảng cách đi dây lớn nhất và kích thước giữa bộ điều khiển và đèn điện), cùng với giá trị điện áp cao nhất cho phép Uout của bộ điều khiển và Up lớn nhất hoặc điện áp đỉnh tương đương Up trong trường hợp sử dụng các điện áp xung. Ngoài ra, phân loại cách điện của bộ điều khiển bên ngoài được duy trì giữa nguồn LV và đầu ra thứ cấp phải được cung cấp nếu cần thiết tối thiểu đối với cách điện chính.

– Đối với đèn điện không yêu cầu cách điện giữa nguồn LV và đầu ra của bộ điều khiển bên ngoài, không yêu cầu thông tin thêm.

– Đối với đèn điện có yêu cầu cách điện chính giữa phần sơ cấp và thứ cấp của bộ điều khiển, cần có nội dung thông tin như sau:

Bộ điều khiển bên ngoài tối thiểu phải cung cấp cách điện chính giữa nguồn LV và đầu ra.

– Đối với đèn điện không được phân loại là cấp III nhưng yêu cầu cách điện kép hoặc cách điện tăng cường giữa phần sơ cấp và phần thứ cấp của bộ điều khiển, cần có nội dung thông tin như sau:

Bộ điều khiển bên ngoài tối thiểu phải cung cấp cách điện kép hoặc cách điện tăng cường giữa nguồn LV và đầu ra.

– Đèn điện được phân loại là cấp III, phải có chỉ thị rằng bộ điều khiển phải là SELV.

3.3.24 Trong trường hợp khối đầu nối không được cung cấp cùng với đèn điện, bao gói phải chứa thông tin sau:

“Khối đầu nối không được cung cấp kèm. Việc lắp đặt phải được thực hiện bởi người được đào tạo”.

3.4 Thử nghiệm nhãn

Sự phù hợp với yêu cầu của 3.2 và 3.3 được kiểm tra bằng cách xem xét và thử nghiệm dưới đây:

Độ bền của nhãn được kiểm tra bằng cách lau nhẹ trong 15 s bằng giẻ thắm đẫm nước và sau khi làm khô, lau trong 15 s nữa bằng giẻ thấm đẫm xăng nhẹ và xem xét sau khi hoàn thành các thử nghiệm mô tả chi tiết trong Mục 12.

Sau thử nghiệm nhãn vẫn phải rõ ràng, tấm nhãn không dễ dàng tháo ra được và không bị cong vênh.

CHÚ THÍCH: Xăng nhẹ được sử dụng là dung môi hécxan có hàm lượng chất thơm lớn nhất là 0,1 % thể tích, chỉ số kauri butanol là 29, điểm sôi ban đầu xấp xỉ 65 °C, điểm khô xấp xỉ 69 °C và khối lượng riêng xấp xỉ 0,68 g/cm3.

Mục 4: Kết cấu

4.1 Quy định chung

Mục này quy định các yêu cầu về kết cấu nói chung đối với đèn điện. Xem thêm Phụ lục L.

4.2 Thành phần thay thế được

Đèn điện có các thành phần hoặc bộ phận được thiết kế để thay thế được phải được thiết kế sao cho có đủ không gian cho phép thay các thành phần hoặc bộ phận đó mà không gặp khó khăn và không ảnh hưởng bất lợi đến an toàn.

CHÚ THÍCH: Thành phần gắn bên trong và các bộ phận liên kết bằng đinh tán không phải là thành phần thay thế được.

4.3 Đường đi dây

Đường đi dây phải nhẵn và không có gờ sắc, thô ráp, bavia và tương tự có thể mài mòn cách điện của dây dẫn. Các bộ phận như vít kim loại không được nhỏ ra trong đường đi dây.

Kiểm tra sự phù hợp bằng cách xem xét và nếu cần, bằng cách tháo rời rồi lắp lại đèn điện.

4.4 Đui đèn

4.4.1 Yêu cầu đối với an toàn điện của đui đèn lắp liền phải là các yêu cầu áp dụng cho đèn điện nói chung có đui đèn và bóng đèn ở vị trí lắp ráp hoàn chỉnh, như trong sử dụng bình thường.

Ngoài ra, khi lắp đặt trong đèn điện, đui đèn lắp liền phải phù hợp với các yêu cầu liên quan đến an toàn trong quá trình lắp bóng đèn như quy định trong tiêu chuẩn về đui đèn thích hợp.

4.4.2 Đấu nối dây dẫn với các tiếp xúc của đui đèn lắp liền có thể được thực hiện bằng bất kỳ phương pháp nào để tiếp xúc điện tin cậy trong suốt tuổi thọ vận hành của đui đèn.

4.4.3 Các đèn điện có lắp các bóng đèn huỳnh quang dạng ống được thiết kế để lắp từng đầu vào đui phải được thiết kế sao cho có thể thay bóng đèn ở đèn điện chính giữa trong một hàng mà không phải điều chỉnh bất kỳ đèn điện nào khác, ở đèn điện lắp nhiều bóng đèn huỳnh quang dạng ống, việc thay một bóng đèn bất kỳ không được gây ảnh hưởng bất lợi đến an toàn của các bóng đèn khác.

Kiểm tra sự phù hợp với các yêu cầu ở 4.4.1 đến 4.4.3 bằng cách xem xét.

4.4.4 Đui đèn do người sử dụng lắp vào vị trí phải được định vị trí dễ dàng và đúng.

Khoảng cách giữa hai đui đèn cố định của bóng đèn huỳnh quang được thiết kế để lắp vào vị trí cố định phải phù hợp với tờ rời tiêu chuẩn liên quan của IEC 60061-2 hoặc hướng dẫn lắp đặt của nhà chế tạo đui đèn (nếu không áp dụng IEC 60061-2). Đui đèn dùng cho bóng đèn sợi đốt vônfram và đui đèn dùng cho bóng đèn huỳnh quang một đầu phải được cố định đúng vào thân đèn điện. Phương tiện cố định đui đèn phải có đủ độ bền cơ để chịu được thao tác nặng nề có thể xuất hiện trong sử dụng bình thường. Các yêu cầu này áp dụng cho cả đui đèn do người sử dụng lắp vào vị trí và đui đèn do nhà chế tạo đèn điện lắp vào vị trí.

Kiểm tra sự phù hợp bằng cách xem xét, đo và, nếu thuộc đối tượng áp dụng, bằng các thử nghiệm cơ dưới đây:

i) Đui đèn dùng cho bóng đèn huỳnh quang, có một đầu thử nghiệm ở đúng vị trí, phải chịu một lực ép đặt vào chính giữa đầu đèn theo hướng trục của đèn trong 1 min:

– 15 N đối với đui đèn G5;

– 30 N đối với đui đèn G13;

– 30 N đối với đui đèn dùng cho bóng đèn huỳnh quang một đầu (G23, G10q, GR8, v.v…).

CHÚ THÍCH: Đối với các thử nghiệm này, đầu đèn của bóng đèn tiêu chuẩn có thể được sử dụng làm đầu đèn thử nghiệm.

Sau khi thử nghiệm, khoảng cách giữa các đui đèn phải phù hợp với tờ rời tiêu chuẩn liên quan trong IEC 60061-2 và đui đèn không được hỏng. Đầu đèn thử nghiệm dùng cho thử nghiệm này phải phù hợp với tờ rời tiêu chuẩn liên quan trong IEC 60061-3:

– 7006-47C đối với đui đèn G5,

– 7006-60C đối với đui đèn G13,

– các đầu đèn khác dùng cho đui đèn khác đang được xem xét.

Sau khi thử nghiệm trên đui đèn dùng cho bóng đèn huỳnh quang một đầu, đui đèn không được dịch chuyển khỏi vị trí của nó và cơ cấu dùng để cố định không được có biến dạng vĩnh viễn để bóng đèn khi được lắp lại sẽ vào đúng vị trí dự kiến của nó.

ii) dùng cho đui đèn xoáy ren Edison hoặc đui đèn cổ gài phải chịu thử nghiệm trong 1 min với mômen uốn dưới đây:

– đối với đui đèn E14 và B15 1,2 Nm;
– đối với đui đèn E26, E27 và B22 2,0 Nm;
– đối với đui đèn E39 và E40 4,0 Nm;

Sau thử nghiệm, đui đèn không được dịch chuyển khỏi vị trí của nó và cơ cấu dùng để cố định không được có biến dạng vĩnh viễn để bóng đèn khi được lắp lại sẽ vào đúng vị trí dự kiến của nó.

4.4.5 Đối với đèn điện có bộ mồi, điện áp xung đỉnh xuất hiện trên các cực tiếp xúc trong đui đèn là một phần của mạch điện áp xung không được lớn hơn điện áp xung ghi trên đui đèn, hoặc, trong trường hợp không ghi điện áp này, thì không được lớn hơn:

– 2,5 kV đối với đui đèn điện áp danh định là 250 V

– 4 kV đối với đui đèn xoáy ren Edison điện áp danh định là 500 V

– 5 kV đối với đui đèn xoáy ren Edison điện áp danh định là 750 V

Kiểm tra sự phù hợp bằng phép đo điện áp xuất hiện trên các cực tiếp xúc của đui đèn trong thử nghiệm xung ở 10.2.2 đối với đèn điện có bộ mồi.

4.4.6 Đối với đèn điện có bộ mồi lắp trong đui đèn xoáy ren Edison, cực tiếp xúc ở giữa của đui đèn phải được nối với dây cung cấp điện áp xung.

Kiểm tra sự phù hợp bằng cách xem xét.

4.4.7 Bộ phận cách điện của đui đèn và các phích cắm lắp vào đèn điện vận hành nặng nề phải là vật liệu chịu phóng điện.

Kiểm tra sự phù hợp bằng thử nghiệm ở 13.4.

4.4.8 Bộ nối bóng đèn phải phù hợp với tất cả các yêu cầu dành cho đui đèn không phải là đui để giữ bóng đèn đúng vị trí. Phương tiện để giữ bóng đèn phải do các bộ phận khác của đèn điện cung cấp.

Kiểm tra sự phù hợp bằng cách xem xét và thử nghiệm như yêu cầu ở các điều từ 4.4.1 đến 4.4.7.

CHÚ THÍCH: Sự khác nhau giữa bộ nối bóng đèn và đui đèn được nhận biết rõ ràng trên tờ dữ liệu liên quan ở IEC 60061.

4.4.9 Đầu đèn hoặc để cải tiến dùng cho bóng đèn ELV một đầu, không được sử dụng trong đèn điện được thiết kế để sử dụng với bóng đèn halogen vônfram thông dụng có điện áp danh định lớn hơn 50 V.

CHÚ THÍCH: Ví dụ về đầu đèn hoặc đế lắp vừa với ELV này là: G4, GU4, GY4, GX5.3, GU5.3, G6.35, GY6.35, GU7 và G53.

Đèn điện được thiết kế để chỉ sử dụng với bóng đèn GU10 (có bộ phản xạ phủ nhôm) chỉ được cung cấp cùng đui đèn GU10.

Kiểm tra sự phù hợp bằng cách xem xét.

4.4.10 Sử dụng (các) nguồn sáng, được thiết kế để nối bằng đui đèn hoặc bộ nối theo bộ tiêu chuẩn IEC 60061, nhưng được sử dụng khi không có đui đèn hoặc bộ nối và với các mối nối điện được thực hiện theo cách khác (ví dụ với dây dẫn được hàn trực tiếp vào các chân) là không được phép.

Kiểm tra sự phù hợp bằng cách xem xét.

4.5 Đui tắcte

Đui tắcte trong đèn điện không phải đèn điện cấp II phải lắp được các tắcte phù hợp với TCVN 6482 (IEC 60155).

Đèn điện cấp II có thể đòi hỏi tắcte có kết cấu cấp II.

Đối với đèn điện cấp II trong đó ngón tay thử nghiệm tiêu chuẩn có thể chạm vào tắcte khi đèn điện được lắp ráp hoàn chỉnh để sử dụng hoặc khi mở ra để thay bóng đèn hoặc thay tắcte thì đui tắcte phải là loại chỉ lắp được tắcte phù hợp với các yêu cầu đối với tắcte dùng cho đèn điện cấp II nêu trong TCVN 6482 (IEC 60155).

Kiểm tra sự phù hợp bằng cách xem xét.

4.6 Khối đầu nối

Nếu đèn điện có các đầu dây chờ nối đòi hỏi phải có khối đầu nối riêng để nối với dây đi cố định thì phải có đủ không gian dành cho khối đầu nối này bên trong đèn điện, hoặc bên trong một hộp đi kèm đèn điện, hoặc do nhà chế tạo quy định.

Yêu cầu này áp dụng cho khối đầu nối dùng cho đầu dây chờ nối có tiết diện danh nghĩa của ruột dẫn không vượt quá 2,5 mm2.

Kiểm tra sự phù hợp bằng cách đo và lắp thử, sử dụng một khối đầu nối cho từng cặp dây dẫn cần nối với nhau, như chỉ ra trên Hình 2, và dây đi cố định có chiều dài xấp xỉ 80 mm. Kích thước của khối đầu nối do nhà chế tạo quy định, hoặc nếu không có quy định này thì kích thước là 10 mm x 20 mm x 25 mm.

Cho phép sử dụng khối đầu nối không cần xiết nếu chúng được thiết kế và cách điện sao cho chiều dài đường rò và khe hở không khí phù hợp với Mục 11 luôn được duy trì ở mọi vị trí của khối đầu nối và dây đi bên trong không bị hư hại.

4.7 Đầu nối về đấu nối nguồn

4.7.1 Ở đèn điện di động và đèn điện cố định cấp I và II được điểu chỉnh thường xuyên, phải có các biện pháp phòng ngừa thích hợp để ngăn ngừa các bộ phận kim loại trở nên mang điện do dây dẫn hoặc vít bị tuột. Yêu cầu này áp dụng cho tất cả các đầu nối (kể cả đầu nối nguồn).

CHÚ THÍCH: Yêu cầu này có thể được đáp ứng bằng cách giữ chặt các sợi dây ở gần lối vào của dây và gần các đầu nối, bằng cách định kích thước thích hợp cho vỏ bọc của đầu nối, bằng việc sử dụng vỏ bọc bằng vật liệu cách điện hoặc lớp lót cách điện ở mặt trong vỏ bọc.

Ví dụ về phương pháp có thể hiệu quả để ngăn ngừa dây dẫn bị tuột:

a) sợi dây được giữ bằng cơ cấu chặn dây gần với đầu nối;

b) ruột dẫn được kẹp bằng lò xo kiểu đầu nối không bắt ren;

c) ruột dẫn của sợi dây được giữ chặt bằng mũ kim loại bịt đầu trước khi hàn, trừ khi có khả năng xảy ra vỡ gần chỗ hàn do rung;

d) sợi dây được xoắn với nhau theo cách tin cậy được;

e) sợi dây được xiết chặt với nhau bằng băng cách điện, găng cách điện hoặc tương tự;

f) ruột dẫn được luồn vào trong lỗ trong bảng mạch in, uốn gập rồi hàn, lỗ có đường kính lớn hơn một ít so với ruột dẫn;

g) ruột dẫn được quấn chắc chắn quanh đầu nối bằng dụng cụ chuyên dụng (xem Hình 19);

h) ruột dẫn được kẹp vào đầu nối bằng dụng cụ chuyên dụng (xem Hình 19);

Phương pháp từ a) đến h) áp dụng cho dây đi bên trong còn phương pháp a) và b) áp dụng cho dây mềm bên ngoài thay thế được.

Kiểm tra sự phù hợp bằng cách xem xét và giả thiết rằng tại một thời điểm chỉ một ruột dẫn có thể bị tuột.

4.7.2 Đầu nối nguồn phải được định vị hoặc được bọc theo cách sao cho, nếu một sợi của ruột dẫn bện tuột ra khỏi đầu nối khi đã lắp ruột dẫn thì không có rủi ro tiếp xúc giữa các bộ phận mang điện và bộ phận kim loại mà ngón tay thử nghiệm tiêu chuẩn có thể chạm vào khi đèn điện được lắp ráp hoàn chỉnh để sử dụng hoặc khi mở ra để thay các nguồn sáng thay thế được hoặc tắcte.

Kiểm tra sự phù hợp bằng cách xem xét và bằng thử nghiệm dưới đây;

Bóc 8 mm chiều dài cách điện từ đầu dây dẫn mềm có tiết diện lớn nhất quy định trong Mục 5. Một sợi của ruột dẫn bện được để tự do và số sợi còn lại được luồn rồi kẹp hoàn toàn trong đầu nối. Sợi dây tự do được uốn mà không làm rách cách điện phía sau, theo mọi hướng có thể, nhưng không tạo ra góc uốn nhọn xung quanh tấm chắn.

Sợi tự do của ruột dẫn nối với đầu nối mang điện không được tiếp xúc với bất kỳ bộ phận kim loại nào chạm tới được hoặc nối với bộ phận kim loại chạm tới được còn sợi tự do của ruột dẫn nối với đầu nối đất không được tiếp xúc với bất kỳ bộ phận mang điện nào.

Thử nghiệm này không áp dụng cho đui đèn đã được chứng nhận riêng rẽ phù hợp với tiêu chuẩn IEC thích hợp và không áp dụng cho đầu nối của các thành phần mà phương pháp kết cấu chứng tỏ chiều dài của sợi tự do là ngắn hơn.

4.7.3 Đầu nối dùng cho dây nguồn phải thích hợp để thực hiện đấu nối bằng vít, đai ốc hoặc chi tiết hiệu quả tương đương.

Đầu dây chờ nối phải phù hợp với các yêu cầu của 5.3.

CHÚ THÍCH 1: Đối với đèn điện được thiết kế để nối bằng ruột dẫn cứng (một sợi hoặc bện), đầu nối không bắt ren loại lò xo là chi tiết hiệu quả, kể cả đầu nối đất. Hiện tại, không quy định các yêu cầu đối với sử dụng các đầu nối này để đấu nối dây nguồn.

CHÚ THÍCH 2: Đối với đèn điện được thiết kế để nối bằng dây nguồn và có dòng điện danh định không vượt quá 3 A, hàn thiếc, hàn nóng chảy, kẹp và mối nối tương tự, kể cả bộ nối kiểu tán vào đều là các cơ cấu hiệu quả, kể cả đầu nối đất. Các mối nối tương tự khác kể cả đầu nối không bắt ren, đầu nối xuyên qua cách điện hoặc đầu nối kẹp chuyển vị trí cách điện.

CHÚ THÍCH 3: Đối với đèn điện có dòng điện danh định lớn hơn 3 A, bộ nối kiểu tán đinh là thích hợp nếu việc đấu nối có thể được thực hiện mà không bị chiếm chỗ, ví dụ, bằng mối nối bắt ren trong đó lỗ ren được cung cấp ở chi tiết cấy.

4.7.3.1 Phương pháp hàn nóng chảy và vật liệu

Dây dẫn phải là dây bện hoặc dây đặc bằng đồng. Đối với các dây mảnh, có thể sử dụng mũ kim loại bịt đầu.

Phương pháp hàn nóng chảy phải là hàn điểm.

CHÚ THÍCH: Các phương pháp hàn nóng chảy khác đang được xem xét.

Cho phép hàn sợi dây với tấm kim loại nhưng không cho phép hàn các sợi dây với nhau.

Chỉ sử dụng các mối hàn nóng chảy khi nối dây kiểu Z.

Các mối nối hàn phải chịu được thử nghiệm cơ, điện và nhiệt trong sử dụng bình thường.

Kiểm tra sự phù hợp bằng cách xem xét và thử nghiệm dưới đây.

a) Thử nghiệm cơ

Áp dụng thử nghiệm ở 15.6.2.

Nếu sợi dây được cố định bằng cơ cấu chặn dây thì không cần áp dụng thử nghiệm cơ.

b) Thử nghiệm điện

Áp dụng các thử nghiệm ở 15.6.3.

c) Thử nghiệm nhiệt

Áp dụng các thử nghiệm ở 15.6.3.2.3 và 15.6.3.2.4.

4.7.4 Đầu nối, không phải đầu nối dùng để nối nguồn, không được đề cập trong các tiêu chuẩn thành phần riêng rẽ, phải phù hợp với các yêu cầu của Mục 14 và 15.

Đầu nối của đui đèn, cơ cấu đóng cắt và bộ phận tương tự sử dụng cho nhiều mối nối với dây đi bên trong phải có kích thước thích hợp với mục đích này và không được sử dụng để nối với dây đi bên ngoài.

Kiểm tra sự phù hợp bằng cách xem xét và bằng các thử nghiệm ở Mục 14 và Mục 15.

4.7.5 Nếu dây đi bên ngoài hoặc dây nguồn không thích hợp với các nhiệt độ đạt tới bên trong đèn điện thì phải có dây nối chịu nhiệt tính từ điểm đi vào của dây đi bên ngoài đi vào trong đèn điện, hoặc phải cung cấp bộ phận chịu nhiệt đi kèm đèn điện để che phần dây đi bên trong đèn điện bị vượt quá giới hạn nhiệt độ đi dây.

Kiểm tra sự phù hợp bằng cách xem xét.

4.7.6 Nếu trong quá trình lắp đặt hoặc bảo trì đèn điện, việc đấu nối điện được thực hiện bằng phích cắm nhiều cực và ổ cắm thì phải ngăn ngừa đấu nối không an toàn.

Kiểm tra sự phù hợp bằng cách xem xét và bằng cách thử đấu nối không an toàn, ví dụ bằng cách thay đổi luân phiên vị trí cắm phích cắm. Lực đặt vào phích cắm trong quá trình kiểm tra sự phù hợp này phải tính đến các lực đến 30 N theo mọi hướng.

4.8 Thiết bị đóng cắt

Thiết bị đóng cắt phải có thông số đặc trưng thích hợp và được cố định sao cho chúng được giữ để chống xoay và không thể tháo ra bằng tay.

Thiết bị đóng cắt lắp trên cáp hoặc dây mềm và lắp trên đui đèn không được sử dụng vào đèn điện thuộc loại khác với loại thông dụng trừ khi cấp bảo vệ chống bụi, vật rắn hoặc hơi ẩm của thiết bị đóng cắt phù hợp với phân loại của đèn điện.

Đối với đèn điện được thiết kế để sử dụng với nguồn phân cực mà đèn điện chỉ có thiết bị đóng cắt một cực thì phía có điện của nguồn hoặc phía không phải là phía trung tính phải đấu vào thiết bị đóng cắt.

Thiết bị đóng cắt điện tử, khi lắp vào đèn điện hoặc được cung cấp cùng đèn điện, phải phù hợp với các yêu cầu của IEC 61058-1.

Kiểm tra sự phù hợp bằng cách xem xét.

4.9 Lớp lót và ống lót cách điện

4.9.1 Lớp lót và ống lót cách điện phải được thiết kế sao cho chúng giữ đúng vị trí một cách tin cậy khi thiết bị đóng cắt, đui đèn, đầu nối, sợi dây hoặc các bộ phận tượng tự đã được lắp đặt.

CHÚ THÍCH: Nhựa tự cứng, ví dụ như nhựa epoxy, có thể được sử dụng để cố định lớp lót.

Kiểm tra sự phù hợp bằng cách xem xét và thử nghiệm bằng tay.

4.9.2 Lớp lót, ống lót cách điện và bộ phận tương tự phải có đủ độ bền cơ, điện và nhiệt.

Kiểm tra sự phù hợp bằng cách xem xét, thử nghiệm bằng tay và thử nghiệm độ bền điện theo Mục 10. Đặc tính nhiệt của sợi dây và lớp lót được kiểm tra theo Mục 12. Khả năng chịu nhiệt của ống lót được sử dụng làm vỏ cho các sợi dây đạt đến nhiệt độ vượt quá giá trị nêu trong Bảng 12.2 của Mục 12 phải phù hợp với các yêu cầu của IEC 60684, có tính đến nhiệt độ đo được trên sợi dây cần xét. Ống lót phải có khả năng chịu được nhiệt độ vượt quá nhiệt độ đo được trên sợi dây là 20 °C hoặc chịu được thử nghiệm dưới đây:

a) Ba mẫu ống lót thử nghiệm, dài khoảng 15 cm, phải chịu thử nghiệm ẩm ở 9.3 và sau đó chịu thử nghiệm điện trở cách điện và thử nghiệm độ bền điện theo Mục 10. Dây dẫn đồng hoặc thanh kim loại thích hợp, không có cách điện được luồn qua các mẫu ống này và phía ngoài ống được bọc lá kim loại theo cách sao cho không xuất hiện phóng điện bề mặt ở các đầu của mẫu. Sau đó, đo điện trở cách điện và thử nghiệm độ bền điện giữa dây dẫn đồng/thanh kim loại và lá kim loại.

b) Sau khi rút dây dẫn đồng/thanh kim loại và lá kim loại ra, đặt mẫu vào tủ nhiệt trong 240 h ở nhiệt độ bằng T + 20 °C, T là nhiệt độ đo được của sợi dây.

c) Để mẫu nguội về nhiệt độ phòng và sau đó chuẩn bị như chỉ ra trong điểm a) ở trên.

Tiếp đó, đo điện trở cách điện và độ bền điện giữa dây dẫn đồng/thanh kim loại và lá kim loại.

Kiểm tra sự phù hợp bằng giá trị điện trở cách điện và điện áp thử nghiệm quy định trong Bảng 10.1 và Bảng 10.2 trong Mục 10.

4.10 Cách điện kép và cách điện tăng cường

4.10.1 Đối với đèn điện cấp II có vỏ kim loại, tiếp xúc giữa:

– bề mặt lắp đặt và các bộ phận chỉ bằng cách điện chính,

– bộ phận kim loại chạm tới được và cách điện chính, phải được ngăn ngừa có hiệu quả.

CHÚ THÍCH 1: Yêu cầu này không loại trừ việc sử dụng dây dẫn trần nếu có đủ bảo vệ.

Việc đi dây này gồm cả dây đi bên trong và dây đi bên ngoài đèn điện, và dây đi cố định của hệ thống lắp đặt.

Đèn điện cố định cấp II phải được thiết kế sao cho cấp bảo vệ chống điện giật yêu cầu không bị ảnh hưởng vì hệ thống lắp đặt của đèn điện, ví dụ do tiếp xúc với các ống kim loại hoặc vỏ kim loại của cáp.

Không được nối tụ điện giữa các bộ phận mang điện và thân của đèn điện cấp II vỏ kim loại, trừ tụ triệt nhiễu và thiết bị đóng cắt đáp ứng các yêu cầu của 4.8.

Tụ điện triệt nhiễu phải phù hợp với các yêu cầu của IEC 60384-14 và phương pháp đấu nối chúng phải phù hợp với 8.6 của TCVN 6385:2009 (IEC 60065:2005).

CHÚ THÍCH 2: Tiếp xúc giữa các bộ phận kim loại chạm tới được và cách điện chính của dây đi bên trong có thể được ngăn ngừa nhờ ống lót hoặc bộ phận tương tự, phù hợp với các yêu cầu của cách điện phụ.

Kiểm tra sự phù hợp bằng cách xem xét.

4.10.2 Bất kỳ khe hở lắp ráp nào có chiều rộng lớn hơn 0,3 mm trong cách điện phụ cũng không được trùng với khe hở bất kỳ nào trong cách điện chính, nếu không khe hở này trong cách điện tăng cường để không xảy ra chạm thẳng đến bộ phận mang điện.

Các khe hở lớn hơn 0,3 mm trong cách điện kép hoặc cách điện tăng cường phải được thiết kế sao cho các bộ phận mang điện không thể tiếp xúc với que thử hình nón của đầu dò thử nghiệm 13 được thể hiện trên Hình 9 của IEC 61032:1997.

CHÚ THÍCH: Để đảm bảo thông gió cưỡng bức hoặc thoát nước hiệu quả trong đèn điện, có thể cần có các khe hở trong cách điện kép hoặc cách điện tăng cường.

Ngoài ra, sự phù hợp phải được đảm bảo cùng với cấp bảo vệ chống điện giật yêu cầu phù hợp với phân loại IP của đèn điện.

Kiểm tra sự phù hợp bằng cách xem xét và các phép đo sử dụng (các) đầu dò liên quan phù hợp với cấp bảo vệ chống điện giật yêu cầu.

4.10.3 Đối với các bộ phận của đèn điện cấp II sử dụng như cách điện phụ hoặc cách điện tăng cường:

– chúng phải được cố định sao cho không thể tháo ra mà không bị hư hại nghiêm trọng; hoặc

– không thể lắp lại nếu lắp sai vị trí.

Trong trường hợp sử dụng ống lót làm cách điện phụ trên dây đi bên trong và trong trường hợp lớp lót cách điện được sử dụng trong đui đèn làm cách điện phụ trên dây đi bên ngoài hoặc dây đi bên trong thì ống lót và lớp lót phải được giữ ở đúng vị trí bằng phương pháp chắc chắn.

Kiểm tra sự phù hợp bằng cách xem xét và thử nghiệm bằng tay.

Ống lót được xem là cố định bằng phương pháp chắc chắn nếu chỉ có thể tháo ra bằng cách làm vỡ hoặc cắt hoặc nếu ống lót được kẹp hai đầu hoặc việc xê dịch dây đi bên trong bị hạn chế bởi các thành phần bên cạnh. Lớp lót được xem là được cố định bằng phương pháp chắc chắn nếu chỉ có thể lấy ra bằng cách làm vỡ hoặc cắt hoặc tháo tung đui đèn.

Các bộ phận, như ống là vật liệu cách điện có vai và được sử dụng làm lớp lót bên trong ống nối của đui đèn được xem là có cách điện phụ trên dây đi bên ngoài hoặc dây đi bên trong nếu chỉ có thể lấy chúng ra bằng cách tháo tung đui đèn.

Kiểm tra sự phù hợp bằng cách xem xét và bằng thử nghiệm bằng tay.

Vỏ kim loại có lớp lót là lớp sơn hoặc vật liệu bất kỳ khác ở dạng lớp phủ có thể cạo đi dễ dàng thì không được xem là đáp ứng yêu cầu này.

4.10.4 Cơ cấu trở kháng bảo vệ

Các phần dẫn chạm tới được được cách ly bằng cách điện kép hoặc cách điện tăng cường, ví dụ phần mang điện và thân hoặc mạch sơ cấp và thứ cấp, có thể được bắc cầu (bắc cầu dẫn) bởi điện trở hoặc tụ điện Y2 với điều kiện chúng gồm tối thiểu hai linh kiện tách rời có giá trị danh định giống nhau (điện trở hoặc điện dung), từng giá trị đối với điện áp làm việc tổng và trở kháng của chúng ít có khả năng thay đổi đáng kể trong vòng đời của đèn điện. Nếu điện áp làm việc không vượt quá điện áp danh định của tụ điện, các phần dẫn điện chạm tới được được cách ly bởi cách điện kép hoặc tăng cường với phần mang điện, như nêu trên, có thể được bắc cầu chỉ bởi tụ điện Y1.

Y1 hoặc Y2 phải phù hợp với các yêu cầu liên quan trong IEC 60384-14 và nếu điện trở được sử dụng thì chúng phải phù hợp với các yêu cầu về thử nghiệm (a) trong 14.1 của TCVN 6385:2009 (IEC 60065:2005).

CHÚ THÍCH: Tụ điện phù hợp với IEC 60384-14 và điện trở phù hợp với TCVN 6385:2009 (IEC 60065:2005) đảm bảo rằng các giá trị điện dung và điện trở sẽ không bị thay đổi đáng kể trong suốt vòng đời.

4.11 Mối nối điện và bộ phận mang dòng

4.11.1 Các mối nối điện phải thiết kế sao cho lực ép tiếp xúc không truyền qua vật liệu cách điện không phải gốm, mica nguyên chất hoặc vật liệu khác có đặc tính thích hợp không kém, trừ khi có đủ độ đàn hồi ở bộ phận kim loại để bù lại sự co ngót hoặc lún của vật liệu cách điện.

Kiểm tra sự phù hợp bằng cách xem xét.

4.11.2 Các vít tạo ren không được dùng để đấu nối các bộ phận mang dòng trừ khi dùng để kẹp các bộ phận tiếp xúc trực tiếp với nhau và có phương tiện hãm thích hợp.

Vít cắt ren và vít tạo ren không được sử dụng để nối liên kết các bộ phận mang dòng bằng kim loại mềm hoặc có khả năng bị dão như thiếc hoặc nhôm.

Vít tạo ren có thể dùng để xiết mối nối đất liên tục nếu không cần thiết phải tháo mối nối đó trong sử dụng bình thường.

Kiểm tra sự phù hợp bằng cách xem xét.

CHÚ THÍCH: Xem Hình 22 để có các ví dụ về vít.

4.11.3 Vít và đinh tán được dùng vào mối nối điện và cơ phải được hãm để chống nới lỏng. Vòng đệm lò xo có thể hãm tốt. Đối với đinh tán, cổ không tròn hoặc có rãnh thích hợp là đủ.

Hợp chất gắn bị mềm ra khi nóng lên chỉ có tác dụng hãm tốt đối với mối nối ren không chịu xoắn trong quá trình sử dụng bình thường.

Kiểm tra sự phù hợp bằng cách xem xét và thử nghiệm bằng tay.

4.11.4 Bộ phận mang dòng phải bằng đồng, hợp kim có chứa ít nhất 50 % đồng hoặc tối thiểu là vật liệu có đặc tính tương đương.

CHÚ THÍCH: Dây dẫn nhôm có thể được chấp nhận nếu tối thiểu có đặc tính tương đương, phải chịu đánh giá tính thích hợp cho từng trường hợp riêng rẽ.

Yêu cầu này không áp dụng cho vít không nhất thiết phải mang dòng ví dụ như vít đầu nối.

Bộ phận mang dòng phải có khả năng chống ăn mòn hoặc có đủ bảo vệ chống ăn mòn.

Đồng và hợp kim đồng chứa ít nhất 50 % đồng được xem là đáp ứng yêu cầu này.

Kiểm tra sự phù hợp bằng cách xem xét và nếu cần, bằng phân tích hóa học.

4.11.5 Bộ phận mang dòng không được tiếp xúc trực tiếp với bề mặt lắp đặt hoặc gỗ.

4.11.6 Hệ thống tiếp điểm kiểu điện cơ phải chịu các ứng suất điện xuất hiện trong sử dụng bình thường.

Kiểm tra sự phù hợp bằng cách cho hệ thống tiếp điểm kiểu điện cơ chịu 100 thao tác ở tốc độ tương ứng với sử dụng thực tế (một thao tác gồm đóng hoặc mở tiếp điểm). Thử nghiệm được thực hiện với điện áp danh định xoay chiều và dòng điện thử nghiệm phải bằng 1,25 lần dòng điện danh định của hệ thống tiếp điểm điện. Hệ số công suất của tải phải xấp xỉ 0,6 trừ khi có dòng điện danh định khác được ghi nhãn cho tải điện trở, trong trường hợp đó, hệ số công suất tải phải bằng 1.

Trong trường hợp đèn điện được ghi nhãn dùng cho tải điện trở và tải điện cảm thì đèn điện phải chịu các thử nghiệm ở hệ số công suất bằng 1 và 0,6.

Trước và sau thử nghiệm, hệ thống tiếp điểm điện cơ phải được mang tải bằng 1,5 lần dòng điện danh định và điện áp rơi trên mỗi tiếp điểm không được vượt quá 50 mV.

Sau khi hoàn thành các thử nghiệm này, hệ thống tiếp điểm điện cơ phải chịu thử nghiệm độ bền điện phù hợp với 10.2.

Sau thử nghiệm, mẫu phải cho thấy:

– không bị mòn gây ảnh hưởng xấu đến sử dụng sau này;

– không bị biến dạng vỏ bọc hoặc tấm chắn;

– không bị nới lỏng các mối nối điện hoặc cơ.

Đối với hệ thống tiếp điểm kiểu điện cơ, thử nghiệm cơ ở 4.14.3 được tiến hành đồng thời với thử nghiệm điện này.

4.12 Vít và mối nối (cơ) và miếng đệm

4.12.1 Vít và các mối nối cơ mà nếu bị hỏng có thể làm đèn điện trở nên mất an toàn phải chịu được các ứng suất cơ học xuất hiện trong sử dụng bình thường.

Vít dùng cho các mục đích này không được bằng kim loại mềm hoặc dễ dão.

CHÚ THÍCH: Ví dụ kẽm, một số loại nhôm và một số nhựa nhiệt dẻo.

Vít phải được tháo ra lắp vào khi bảo trì không được làm bằng vật liệu cách điện nếu việc thay thế chúng bằng vít kim loại có thể làm hỏng cách điện phụ hoặc cách điện tăng cường.

Vít dùng để tạo sự liên tục nối đất, ví dụ như vít dùng để cố định balát và các thành phần khác, phải phù hợp với yêu cầu trong đoạn thứ nhất của 4.12.1, ví dụ như vít giữ balốt, ít nhất có một vít giữ balát có chức năng cơ và điện.

Thay để vít giữ balát không được xem là bảo trì.

Vít bằng vật liệu cách điện sử dụng trong cơ cấu chặn dây có thể được thừa nhận là đai ôm trực tiếp trên cáp hoặc dây vì việc thay các vít này không được xem là bảo trì.

Kiểm tra sự phù hợp bằng cách xem xét, các vít và đai ốc truyền lực tiếp xúc hoặc có khả năng được người sử dụng xiết chặt thì được xiết vào tháo ra. Vít và đai ốc bằng vật liệu cách điện phải được tháo ra hoàn toàn trong mỗi thao tác nới lỏng vít. Trong quá trình thử nghiệm, không được có hỏng hóc làm ảnh hưởng đến sử dụng sau này của chi tiết dùng để cố định hoặc mối nối bắt ren. Sau thử nghiệm, vẫn có thể vặn vít hoặc đai ốc bằng vật liệu cách điện theo cách dự kiến.

Thử nghiệm được thực hiện bằng tuốc nơ vít hoặc chìa vặn đai ốc thích hợp bằng cách đặt mômen xoắn cho trong Bảng 4.1, ngoại trừ đối với vít bằng vật liệu cách điện được sử dụng trong cơ cấu chặn dây và mang trực tiếp trên cáp hoặc dây, mômen xoắn là 0,5 Nm.

Bảng 4.1 – Mômen xoắn để thử nghiệm vít

Đường kính ren ngoài danh nghĩa của vít

mm

Mômen xoắn

Nm

1 2 3
Đến và bằng 2,8 0,20 0,40 0,4
Lớn hơn 2,8 đến và bằng 3,0 0,25 0,50 0,5
Lớn hơn 3,0 đến và bằng 3,2 0,30 0,60 0,5
Lớn hơn 3,2 đến và bằng 3,6 0,40 0,80 0,6
Lớn hơn 3,6 đến và bằng 4,1 0,70 1,20 0,6
Lớn hơn 4,1 đến và bằng 4,7 0,80 1,80 0,9
Lớn hơn 4,7 đến và bằng 5,3 0,80 2,00 1,0
Lớn hơn 5,3 đến và bằng 6,0 2,50 1,25
Lớn hơn 6,0 đến và bằng 8,0 8,00 4,00
Lớn hơn 8,0 đến và bằng 10,0 17,00 8,50
Lớn hơn 10,0 đến và bằng 12,0 29,00 14,50
Lớn hơn 12,0 đến và bằng 14,0 48,00 24,00
Lớn hơn 14,0 đến và bằng 16,0 114,00 57,00

Hình dạng của lưỡi tuốcnơvít thử nghiệm phải thích hợp với mũ vít cần thử nghiệm. Vít được xiết không giật. Hỏng nắp che được bỏ qua.

Cột 1 của Bảng 4.1 áp dụng cho cả vít kim loại không có mũ nếu vít không nhô ra khỏi lỗ khi đã xiết chặt; Cột 2 áp dụng cho:

– các vít kim loại khác và các đai ốc;

– các vít bằng vật liệu cách điện

• có mũ sáu cạnh, có kích thước ngang qua clê dẹt lớn hơn đường kính ren ngoài;

• có mũ hình trụ và lỗ dành cho chìa vặn có kích thước lớn hơn đường kính ren ngoài;

• có mũ có rãnh thẳng hoặc rãnh chữ thập, chiều dài của rãnh lớn hơn 1,5 lần đường kính ren ngoài.

Cột 3 áp dụng cho các vít khác bằng vật liệu cách điện.

Các giá trị cho trong Bảng 4.1 đối với vít có đường kính lớn hơn 6,0 mm áp dụng cho các vít bằng thép và tương tự, chủ yếu được sử dụng khi lắp đặt đèn điện.

Các giá trị cho trong Bảng 4.1 đối với vít có đường kính lớn hơn 6,0 mm không áp dụng cho ren ống nối của đui đèn, yêu cầu đối với ren ống nối này được quy định ở Điều 15 của TCVN 6639 (IEC 60238).

Yêu cầu của điều 4.12.1 này không áp dụng cho đai ốc bằng kim loại được sử dụng để cố định các thiết bị đóng cắt kiểu nút ấn.

4.12.2 Vít truyền lực tiếp xúc, vít được thao tác khi lắp đặt hoặc dùng để nối các đèn điện và có đường kính danh nghĩa nhỏ hơn 3 mm phải được vặn vào kim loại.

Vít hoặc đai ốc được thao tác khi lắp đặt đèn điện hoặc thay bóng đèn gồm có vít hoặc đai ốc để cố định vỏ, nắp, v.v… Mối nối dùng cho các ống có ren, vít dùng để lắp đèn điện vào bề mặt lắp đặt, vít hoặc đai ốc thao tác bằng tay dùng để cố định nắp thủy tinh và nắp có ren không được tính đến.

Kiểm tra sự phù hợp bằng cách xem xét và đối với vít được thao tác khi lắp đặt đèn điện hoặc khi thay bóng đèn kiểm tra bằng thử nghiệm mô tả ở 4.12.1.

4.12.3 Chưa sử dụng.

4.12.4 Mối nối kiểu vít và các mối nối cố định khác giữa các bộ phận khác nhau của đèn điện phải được thực hiện sao cho chúng không bị nới lỏng khi có thể xuất hiện các mômen xoắn, ứng suất uốn, rung, v.v… trong sử dụng bình thường. Xà cố định và ống treo phải được gắn chắn chắn.

CHÚ THÍCH: Ví dụ về phương tiện ngăn ngừa nới lỏng các mối nối là hàn thiếc, hàn nóng chảy, đai ốc hãm và vít cố định.

Kiểm tra sự phù hợp bằng cách xem xét và thử làm nới lỏng các mối nối đã được hãm bằng mômen có giá trị không vượt quá:

– 2,5 Nm đối với cỡ ren ≤ M 10 hoặc đường kính tương đương;

– 5,0 Nm đối với cỡ ren > M 10 hoặc đường kính tương đương;

Đối với đui đèn phải chịu xoay khi thay bóng đèn, kiểm tra sự phù hợp bằng cách xem xét và thử làm nới lỏng các mối nối cơ kiểu vít đã được hãm. Thử nghiệm này không áp dụng cho đui đèn được giữ trong đèn điện bằng hai phương tiện cố định trở lên (ví dụ, hai vít cố định). Mômen thử nghiệm phải đặt trong 1 min theo chiều kim đồng hồ rồi ngược chiều kim đồng hồ với mômen không vượt quá:

– 4,0 Nm đối với đui đèn E40;

– 2,0 Nm đối với đui đèn E26, E27 và B22;

– 1,2 Nm đối với đui đèn E14 và B15 (trừ kiểu nến);

– 0,5 Nm đối với đui đèn nến E14 và B15;

– 0,5 Nm đối với đui đèn E10;

Đối với đui đèn khác phải chịu xoay khi thay bóng đèn, đặt mômen bằng hai lần mômen kéo rút lớn nhất như quy định trong yêu cầu của đui đèn ở IEC 60061-2 nhưng tối thiểu là 1,2 Nm trong 1 min theo chiều kim đồng hồ rồi ngược chiều kim đồng hồ.

Đối với thiết bị đóng cắt kiểu nút ấn, phương tiện cố định phải chịu mômen không vượt quá 0,8 Nm. Trong quá trình thử nghiệm, các mối nối bắt ren này không được bị nới lỏng.

4.12.5 Vòng đệm bắt ren phải phù hợp với thử nghiệm sau.

Vòng đệm bắt ren phải lắp với thanh kim loại hình trụ có đường kính bằng với số nguyên thấp hơn gần nhất tính bằng milimét so với đường kính bên trong của vòng đệm cần đệm kín. Vòng đệm này phải được xiết bằng chìa vặn thích hợp, mômen chỉ ra trong Bảng 4.2 được đặt lên chìa vặn trong 1 min.

Bảng 4.2 – Thử nghiệm mômen lên miếng đệm

Đường kính thanh thử nghiệm

mm

Mômen

Miếng đệm kim loại

Nm

Miếng đệm đúc bằng nhựa dẻo

Nm

Đến 7 6,25 2,5
Trên 7 đến 14 6,25 3,25
Trên 14 đến 20 7,50 5
Trên 20 10 7,50

Sau thử nghiệm, đèn điện và vòng đệm không có biểu hiện bị hỏng.

4.13 Độ bền cơ

4.13.1 Đèn điện phải có đủ độ bền cơ và phải có kết cấu để chịu được vận hành nặng nề có thể xảy ra trong sử dụng bình thường.

Kiểm tra sự phù hợp bằng cách đặt các va đập lên mẫu bằng trang bị thử nghiệm va đập tác động bằng lò xo theo Điều 5 của TCVN 7699-2-75 (IEC 60068-2-75) hoặc phương tiện thích hợp khác cho kết quả tương đương.

CHÚ THÍCH: Năng lượng va đập tương đương đạt được bằng các phương pháp khác nhau không nhất thiết cho kết quả như nhau.

Lò xo của búa phải có kết cấu sao khoảng nén, tính bằng milimét nhân với lực đập, tính bằng niutơn, bằng 1 000, khoảng nén xấp xỉ 20 mm. Lò xo phải điều chỉnh được để tạo năng lượng va đập ứng với khoảng nén lò xo như chỉ ra trong Bảng 4.3.

Bảng 4.3 – Năng lượng va đập và khoảng nén của lò xo

Loại đèn điện

Năng lượng va đập

Nm

Khoảng nén

mm

Bộ phận dễ vỡ Bộ phận khác Bộ phận dễ vỡ Bộ phận khác
Đèn điện lắp chìm, đèn điện cố định thông dụng và đèn điện di động lắp trên tường 0,2 0,35 13 17
Đèn điện di động trên sàn và trên bàn, đèn điện dùng để chụp ảnh và quay phim 0,35 0,50 17 20
Đèn sân khấu, đèn điện chiếu sáng đường và phố. đèn điện dùng cho bể bơi, đèn điện di động trong vườn và các đèn điện cho trẻ em 0,5 0,70 20 24
Đèn điện vận hành nặng nề, bóng đèn cầm tay và chuỗi đèn Phương pháp thử nghiệm khác

Đui đèn và các thành phần khác chỉ phải thử nghiệm lại khi chúng nhô ra khỏi hình chiếu ban đầu của đèn điện. Mặt trước của đui đèn không cần thử nghiệm lại vì khi làm việc bình thường, bóng đèn che phần này.

Các bộ phận dễ vỡ là các bộ phận như nắp bằng thủy tinh trong suốt và nắp thủy tinh mờ chỉ để bảo vệ chống bụi, vật rắn và hơi ẩm, và các bộ phận bằng gồm và bộ phận nhỏ nhô ra khỏi vỏ bọc nhỏ hơn 26 mm, hoặc nếu diện tích bề mặt của chúng không vượt quá 4 cm2.

Che chắn bảo vệ được yêu cầu ở 4.21 được xem là bộ phận dễ vỡ.

Nắp thủy tinh mờ, không dùng để bảo vệ chống điện giật và/hoặc tia cực tím, cũng như không tạo thành phần bảo vệ chống bụi, vật thể rắn, hơi ẩm và bóng đèn, thì không phải thử nghiệm.

Mẫu được lắp và đỡ như trong sử dụng bình thường trên một bảng gỗ cứng, lối vào cáp để mở, các lỗ đột lửng thì được đột thủng, các vít cố định nắp và vít tương tự được xiết với mômen bằng hai phần ba mômen quy định trong Bảng 4.1.

Đặt ba va đập lên điểm được xem là xung yếu, chú ý đặc biệt đến các bộ phận mang điện có bọc cách điện và ống lót là vật liệu cách điện, nếu có. Có thể cần các mẫu bổ sung để tìm ra điểm xung yếu; trong trường hợp nghi ngờ, thử nghiệm được lặp lại trên mẫu mới và cũng chỉ đặt ba va đập.

Sau thử nghiệm, mẫu không được có hỏng hóc, cụ thể là:

a) bộ phận mang điện không được trở nên chạm tới được;

b) hiệu quả của lớp lót cách điện và tầm chắn không bị ảnh hưởng bất lợi;

c) mẫu vẫn duy trì được cấp bảo vệ chống sự xâm nhập của bụi, vật rắn và hơi ẩm phù hợp với phân loại của nó;

d) phải có thể tháo ra và lắp lại nắp bên ngoài mà các nắp này hoặc lớp lót cách điện không bị nứt.

Tuy nhiên, cho phép nứt vỏ ngoài nếu tháo vỏ ngoài không gây ảnh hưởng bất lợi đến an toàn.

Trong trường hợp nghi ngờ, cách điện phụ hoặc cách điện tăng cường phải chịu thử nghiệm độ bền điện như quy định ở Mục 10.

Hỏng lớp phủ trang trí, các vết lõm nhỏ không làm giảm chiều dài đường rò hoặc khe hở không khí xuống thấp hơn giá trị quy định trong Mục 11 và các chỗ sứt nhỏ không gây ảnh hưởng bất lợi đến việc bảo vệ chống điện giật hoặc hơi ẩm thì được bỏ qua.

4.13.2 Các bộ phận kim loại xung quanh các bộ phận mang điện phải có đủ độ bền cơ.

Kiểm tra sự phù hợp bằng các thử nghiệm thích hợp theo các điều từ 4.13.3 đến 4.13.5.

4.13.3 Sử dụng ngón tay thử nghiệm thẳng không có khớp, có kích thước giống như ngón tay thử nghiệm tiêu chuẩn trong TCVN 4255 (IEC 60529). Ấn ngón tay này lên bề mặt với lực bằng 30 N.

Trong quá trình thử nghiệm, bộ phận kim loại không được chạm tới bộ phận mang điện.

Sau thử nghiệm, vỏ không bị biến dạng quá mức và đèn điện vẫn phải đáp ứng các yêu cầu ở Mục 11.

4.13.4 Đèn điện vận hành nặng nề

Đèn điện vận hành nặng nề phải có bảo vệ chống sự xâm nhập của vật rắn và hơi ẩm tối thiểu là IP54.

Kiểm tra sự phù hợp bằng cách xem xét và thử nghiệm thích hợp ở 9.2.0.

Đèn điện vận hành nặng nề phải có đủ độ bền cơ và không được lật trong trường hợp có thể xảy ra trong sử dụng bình thường. Ngoài ra, phương tiện cố định chân đế mà đèn điện nối với phải có đủ độ bền cơ.

Kiểm tra sự phù hợp bằng thử nghiệm từ a) đến d) dưới đây.

a) Đèn điện vận hành nặng nề loại cố định và đèn điện vận hành nặng nề loại di động (không thuộc loại cầm tay)

Từng mẫu trong ba mẫu đèn điện phải chịu ba va đập đơn lẻ, tại các điểm được xem là xung yếu, lên bề mặt thường lộ ra bất kỳ. Mẫu không lắp bóng đèn (hoặc các bóng đèn) và được lắp đặt như trong sử dụng bình thường lên bề mặt đỡ cứng.

Các va đập được đặt lên bằng cách thả viên bi thép hình cầu đường kính 50 mm, nặng 0,51 kg từ độ cao H (1,3 m) như thể hiện trên Hình 21, để tạo ra năng lượng va đập bằng 6,5 Nm.

Ngoài ra, từng mẫu trong ba mẫu đèn điện được thiết kế để sử dụng ngoài trời được làm lạnh về nhiệt độ -5 °C ± 2 °C và duy trì ở nhiệt độ đó trong 3 h.

Trong khi ở nhiệt độ này, các mẫu phải chịu thử nghiệm va đập quy định ở trên.

b) Đèn điện cầm tay

Cho đèn điện rơi bốn lần từ độ cao 1 m lên sàn bê tông. Các lần rơi được thực hiện từ bốn vị trí ban đầu nằm ngang khác nhau, đèn điện được xoay đi 90° xung quanh trục của nó ở mỗi lần rơi. Tháo bóng đèn ra nhưng không tháo các kính bảo vệ, nếu có, trong thử nghiệm này.

Sau thử nghiệm ở 4.13.4 a) hoặc 4.13.4 b), đèn điện không được có biểu hiện hỏng hóc gây ảnh hưởng bất lợi đến an toàn và sử dụng sau này. Các bộ phận để bảo vệ bóng đèn khỏi hỏng hóc không được bị lỏng.

CHÚ THÍCH: Các bộ phận này có thể bị biến dạng. Vỡ nắp thủy tinh bảo vệ trong suốt hoặc nắp thủy tinh mờ được bỏ qua nếu kính hoặc nắp không phải là phương tiện duy nhất bảo vệ bóng đèn khỏi hỏng hóc.

c) Đèn điện có chân đế đi kèm

Thảo tất cả các bóng đèn trước khi thử nghiệm.

Đèn điện và chân đế không được đổ ở góc 6° so với phương thẳng đứng.

Đèn điện phải chịu va đập do bốn lần bị đổ từ góc đến 15° so với phương thẳng đứng.

Phương tiện cố định chân đế phải chịu một lực bằng bốn lần khối lượng của đèn điện theo hướng bất lợi nhất.

Nếu đèn điện đổ trong khi thử nghiệm trên mặt phẳng nghiêng một góc 15° so với phương thẳng đứng thì thực hiện thử nghiệm ở 12.5.1 với đèn điện ở trên bề mặt nằm ngang ở tư thế đổ bất lợi nhất có thể xảy ra trong thực tế.

d) Đèn điện dùng để lắp đặt tạm thời và thích hợp đặt trên chân đế

Đèn điện phải chịu bốn va đập do thử nghiệm dưới đây tạo ra.

Tháo tất cả các bóng đèn trước khi thử nghiệm.

Đèn điện được treo bằng thanh nhôm dọc theo tường bằng bê tông hoặc gạch. Chiều dài thanh này bằng chiều dài của chân đế như chỉ ra cho chân đế có thể có trong hướng dẫn lắp đặt.

Đèn điện được nâng lên cho đến khi thanh nhôm nằm ngang và sau đó, để rơi tự do lên tường.

Sau thử nghiệm, đèn điện không bị ảnh hưởng bất lợi đến an toàn.

4.13.5 Chưa sử dụng.

4.13.6 Balát/biến áp có phích cắm và đèn điện loại cắm vào ổ cắm nguồn lưới phải có đủ độ bền cơ.

Kiểm tra sự phù hợp bằng thử nghiệm dưới đây, được thực hiện trong thùng quay như thể hiện trên Hình 25.

Thùng được quay với tốc độ là năm vòng trong một phút do đó xảy ra mười lần rơi trong một phút.

Mẫu rơi từ độ cao 50 cm lên tấm thép dày 3 mm, số lần rơi là:

– 50 nếu khối lượng mẫu không vượt quá 250 g;

– 25 nếu khối lượng mẫu vượt quá 250 g.

Sau thử nghiệm, mẫu không có biểu hiện bị hư hại theo nghĩa của tiêu chuẩn này, nhưng không cần phải hoạt động được và bất kỳ hư hại nào cho bầu thủy tinh đều được bỏ qua. Với điều kiện là bảo vệ chống điện giật không bị ảnh hưởng, các mảnh nhỏ do vỡ mẫu được bỏ qua.

Biến dạng các chốt cắm và hư hại lớp phủ trang trí và các vết lõm nhỏ không làm giảm chiều dài đường rò hoặc khe hở không khí xuống thấp hơn giá trị quy định trong Mục 11 thì được bỏ qua.

4.14 Hệ thống treo, cố định và phương tiện điều chỉnh

4.14.1 Hệ thống treo, cố định cơ khí phải cố đủ các yếu tố an toàn.

Kiểm tra sự phù hợp bằng thử nghiệm thích hợp dưới đây.

Thử nghiệm A: Phương tiện cố định đèn điện vào bề mặt lắp đặt của hệ thống lắp đặt và phương tiện cố định của các bộ phận bên ngoài được giữ bởi đèn điện phải được giữ chắc chắn đúng vị trí. Thử nghiệm dưới đây áp dụng cho:

– đèn điện kiểu treo hoặc cố định (trần – tường): thử nghiệm với tải bằng bốn lần khối lượng của đèn điện hoàn chỉnh ngoài khối lượng của bản thân đèn điện;

– các bộ phận bên ngoài được cố định vào đèn điện (ví dụ bộ khuếch tán, thủy tinh, bộ phản xạ, chớp) được thử nghiệm với tải bằng bốn lần khối lượng của bộ phận được giữ ngoài khối lượng của bản thân bộ phận đó. Không cần thử nghiệm các bộ phận bên ngoài nếu sự phù hợp với yêu cầu của điều này hiển nhiên thấy được từ các thông tin có sẵn và bằng cách kiểm tra bằng mắt, ví dụ các bộ phận được cố định bằng một số vít.

Đặt bổ sung tải phân bố đều, không đổi, bằng bốn lần khối lượng của đèn điện, hoặc của bộ phận liên quan nếu áp dụng được, vào phương tiện cố định theo hướng bình thường của tải trong thời gian 1 h. Không được có biến dạng đáng kể các thành phần của hệ thống treo và cố định khi kết thúc giai đoạn này. Trong trường hợp có phương pháp khác để cố định hoặc treo thì phải thử nghiệm từng phương pháp riêng rẽ.

Thử nghiệm B: Dành cho đèn điện kiểu treo cố định: Đặt mômen bằng 2,5 Nm lên đèn điện trong thời gian 1 min, đầu tiên theo chiều kim đồng hồ rồi sau đó ngược chiều kim đồng hồ. Với thử nghiệm này, đèn điện không bị xoay đi nhiều hơn một vòng theo cùng một hướng so với bộ phận cố định.

Thử nghiệm C: Dành cho xà đỡ hệ thống treo cố định: Chi tiết về thử nghiệm đối với xà đỡ hệ thống treo cố định như sau:

a) Đối với xà đỡ chế độ nặng nề (ví dụ xà đỡ lắp trong phân xưởng), đặt một lực bằng 40 N trong 1 min, theo các hướng khác nhau ở đầu tự do, với xà đỡ được cố định như trong sử dụng bình thường. Mômen uốn thu được từ thử nghiệm này không được nhỏ hơn 2,5 Nm. Khi bỏ lực thử nghiệm ra thì xà đỡ không được dịch chuyển hoặc biến dạng vĩnh viễn gây nguy hiểm cho an toàn.

b) Đối với xà đỡ chế độ nhẹ (ví dụ xà đỡ lắp trong gia đình), thử nghiệm tương tự như điểm a) được áp dụng trong 1 min nhưng với lực bằng 10 N, và mômen uốn thu được từ thử nghiệm này không được nhỏ hơn 1,0 Nm.

Thử nghiệm D: Dành cho đèn điện lắp trong thanh ray: Khối lượng của đèn điện không được lớn hơn giá trị do nhà chế tạo thanh ray khuyến cáo là tải lớn nhất thích hợp cho cơ cấu treo đèn điện.

Thử nghiệm E: Dành cho đèn điện lắp đặt bằng kẹp: Đặt một lực kéo lên cáp nhưng không giật trong 1 min theo hướng bất lợi nhất trong sử dụng bình thường. Trong quá trình thử nghiệm, kẹp được lắp đặt trên “các giá” thử nghiệm tiêu chuẩn làm bằng kính cửa sổ thông thường, một giá có chiều dày danh nghĩa 10 mm và một giá có chiều dày lớn nhất có thể kẹp được. Đối với thử nghiệm này, chiều dày của giá thử nghiệm được tăng lên theo các bội số của 10 mm. Ở lực kéo 20 N, kẹp không được để tuột tấm kính.

Ngoài ra, đèn điện lắp đặt bằng kẹp phải được thử nghiệm trên thanh kim loại có mạ crôm bóng và có đường kính danh nghĩa bằng 20 mm. Đèn điện không được bị xoay dưới trọng lượng của nó và không được rơi ra khỏi thanh kim loại khi đặt lực kéo bằng 20 N lên cáp. Thử nghiệm thanh kim loại mạ bóng không áp dụng cho đèn điện có ghi nhãn “không thích hợp để lắp trên vật liệu hình ống”.

CHÚ THÍCH 1: Việc tăng chiều dày của giá thử nghiệm theo các nấc 10 mm dùng cho chiều dày lớn nhất giới hạn khả năng kẹp lên giá thử nghiệm.

CHÚ THÍCH 2: Giá thử nghiệm dùng cho thử nghiệm chiều dày lớn nhất có thể gồm các lớp bằng thủy tinh và gỗ, với điều kiện là các bề mặt được kẹp bằng kẹp của đèn điện phải là thủy tinh.

Có các hướng dẫn và/hoặc phương tiện do nhà chế tạo đưa ra để lắp đặt và sử dụng an toàn đèn điện cố định hoặc có bộ điều khiển độc lập nhưng không có cơ cấu dùng để cố định (các lỗ, xà đỡ, v.v…), (xem 3.3), các trang bị này có thể được xem là phù hợp với các yêu cầu của tiêu chuẩn.

Điều này không nhằm kiểm tra độ bền cơ của bề mặt lắp đặt. Hư hại bất kỳ đến bề mặt lắp đặt không được coi là hỏng.

4.14.2 Đèn điện được treo bằng cáp hoặc dây mềm không được có khối lượng vượt quá 5 kg trên mỗi cáp hoặc dây mềm. Tổng tiết diện danh nghĩa của ruột dẫn của cáp hoặc dây mềm để treo đèn điện phải sao cho ứng suất trong ruột dẫn không lớn hơn 15 N/mm2.

Để tính ứng suất, chỉ cần xem xét ruột dẫn.

Trong trường hợp đèn điện được treo bằng cáp hoặc dây mềm có khối lượng lớn hơn 5 kg trên mỗi cáp hoặc dây mềm thì thiết kế đèn điện hoặc của cáp hoặc dây mềm phải sao cho ngăn ngừa được lực kéo căng bất kỳ đặt lên ruột dẫn.

CHÚ THÍCH: Yêu cầu này có thể được đáp ứng bằng cách sử dụng cáp có lắp lõi mang tải thích hợp.

Đối với nửa đèn điện được thiết kế để nối với đui đèn xoáy ren Edison hoặc đui đèn kiểu cổ gài, khối lượng và mômen uốn hiệu quả không được lớn hơn giá trị lớn nhất cho trong Bảng 4.4. Mômen uốn liên quan đến điểm tiếp xúc, ở vị trí gài vào hoàn toàn, của (các) tiếp điểm của nửa đèn điện với tiếp điểm giữa của đui đèn xoáy ren Edison hoặc cọc nhúm của đui đèn cổ gài.

Bảng 4.4 – Thử nghiệm nửa đèn điện

Đui đèn Đèn điện
Khối lượng lớn nhất Mômen uốn lớn nhất
E14 và B15 1,8 kg 0,9 Nm
E27 và B22 2,0 kg 1,8 Nm
CHÚ THÍCH: Các giá trị này thấp hơn các giá trị mà đui đèn thường được thử nghiệm để cung cấp biên an toàn.

Kiểm tra sự phù hợp bằng cách xem xét, đo và tính toán.

4.14.3 Yêu cầu đối với các cơ cấu điều chỉnh được đưa ra như dưới đây.

a) Cơ cấu điều chỉnh và phương tiện điều chỉnh, ví dụ, mối nối, cơ cấu kéo lên, xà đỡ có điều chỉnh hoặc ống lồng, phải được kết cấu sao cho cáp hoặc dây không bị ép, kẹp, hư hại hoặc xoắn dọc theo trục dọc quá 360° trong khi thao tác.

Nếu đèn điện có nhiều hơn một mối nối, giới hạn 360° áp dụng cho từng mối nối nếu chúng không quá gần nhau. Mỗi trường hợp cần được đánh giá cho các tính chất của riêng nó.

Kiểm tra sự phù hợp bằng thử nghiệm dưới đây.

Cơ cấu điều chỉnh, có cáp hoặc dây thích hợp phải được thao tác phù hợp với Bảng 4.5. Chu kỳ thao tác là chuyển động từ điểm tới hạn này của dải đến điểm tới hạn kia và trở về vị trí ban đầu. Tốc độ chuyển động không được làm cho cơ cấu bị nóng đến mức nhận biết được và không được vượt quá 600 chu kỳ trong một giờ.

Đối với hệ thống tiếp xúc kiểu điện cơ, thử nghiệm này được tiến hành đồng thời với thử nghiệm mối nối điện ở 4.11.6.

Trong thử nghiệm, không được vượt quá các giá trị theo Bảng 5.2.

Sau thử nghiệm, không được có nhiều hơn 50 % các sợi bên trong ruột dẫn bị đứt cũng như không được có hư hại nghiêm trọng cho cách điện, nếu có, của dây mềm. Dây hoặc cáp vẫn phải chịu được các thử nghiệm điện trở cách điện và điện áp cao quy định ở Mục 10.

Khớp nối cầu và chi tiết tương tư, trong đó, phương tiện kẹp có thể điều chỉnh được, được thử nghiệm với mối nối chỉ kẹp nhẹ để tránh lực ma sát quá mức. Nếu cần, vùng kẹp được điều chỉnh lại trong khi thử nghiệm.

Đối với cơ cấu điều chỉnh có ống mềm, dải điều chỉnh cho thử nghiệm này thường là 135° theo cả hai hướng so với phương thẳng đứng. Tuy nhiên, trong trường hợp không điều chỉnh được nếu không sử dụng lực không mong muốn thì ống mềm chỉ được uốn đến các vị trí mà bản thân nó duy trì được.

b) Đèn điện có phương tiện điều chỉnh được thiết kế để lắp đặt trong tầm với phải cho phép làm việc theo chức năng dự kiến của nó mà không làm giảm tính ổn định của đèn điện hoặc không gây ra biến dạng bộ phận bất kỳ của kết cấu cũng như không gây bỏng do nhiệt độ vượt quá các giá trị quy định trong Bảng 12.1.

Kiểm tra sự phù hợp bằng cách thao tác bằng tay hoặc điều chỉnh đèn điện, bằng phương tiện điều chỉnh như dự kiến xuất hiện trong sử dụng bình thường và bằng phép đo nhiệt độ trong quá trình thử nghiệm ở 12.4.

c) Đối với đèn điện được thiết kế để lắp đặt trong tầm với, không gian xung quanh tất cả các phương tiện điều chỉnh, trừ khe hở chùm sáng, cách các phương tiện điều chỉnh theo tất cả các hướng 5 cm, phải phù hợp với giới hạn nhiệt độ của phương tiện điều chỉnh, như quy định trong Bảng 12.1. Giới hạn nhiệt độ như vậy cũng được áp dụng cho tất cả các phương tiện điều chỉnh được chiếu sang sau khi định vị khe hở chùm sáng của đèn điện.

Kiểm tra sự phù hợp bằng cách định vị khe hở chùm sáng của đèn điện và đo nhiệt độ trong khi thử nghiệm ở 12.4.

Bảng 4.5 – Thử nghiệm cơ cấu điều chỉnh

Loại đèn điện Số chu kỳ thao tác
Đèn điện được thiết kế để thường xuyên điều chỉnh, ví dụ như đèn điện trên bản vẽ 1 500
Đèn điện được thiết kế để thỉnh thoảng điều chỉnh, ví dụ như đèn điện rọi sáng trong tủ kính bán hàng 150
Đèn điện được thiết kế để chỉ điều chỉnh khi lắp đặt, ví dụ đèn pha 45

4.14.4 Dây hoặc cáp đi trong ống lồng không được cố định vào ống ngoài cùng. Phải có phương tiện để tránh kéo căng dây dẫn ở các đầu nối.

Kiểm tra sự phù hợp bằng cách xem xét.

4.14.5 Con lăn dẫn hướng đối với dây mềm phải được định kích thước để ngăn ngừa hỏng dây do uốn quá mức. Các rãnh trong con lăn phải được lượn tròn, đường kính của con lăn tại đáy rãnh phải tối thiểu là ba lần đường kính của dây. Con lăn bằng kim loại chạm tới được phải được nối đất.

Kiểm tra sự phù hợp bằng cách xem xét.

4.14.6 Balát/biến áp có phích cắm và đèn điện cắm vào ổ cắm nguồn lưới không được gây biến dạng quá mức lên ổ cắm.

Kiểm tra sự phù hợp bằng thử nghiệm dưới đây. Cắm như trong sử dụng bình thường balát/biến áp có phích cắm và đèn điện cắm vào ổ cắm nguồn lưới vào ổ cắm cố định quanh trục nằm ngang đi qua đường tâm của tiếp điểm dạng ống, chiều sâu cắm bằng 8 mm sau bề mặt của ổ cắm. Trong thử nghiệm này, balát/biến áp có phích cắm phải cung cấp 1 m cáp để cấp nguồn cho đèn điện hoặc cáp quy định bởi nhà chế tạo. Cáp phải được treo tự do trong thử nghiệm.

Mômen bổ sung đặt vào ổ cắm để giữ bề mặt gài ở mặt phẳng thẳng đứng không được vượt quá 0,25 Nm.

Đối với đèn điện cắm vào ổ cắm nguồn lưới loại điều chỉnh được, mômen tổng truyền đến ổ cắm trong khi điều chỉnh không được vượt quá 0,5 Nm.

Ổ cắm sử dụng cho thử nghiệm phải tháo bỏ tiếp điểm đất (nếu có) được tháo ra, trừ khi ổ cắm này có chỗ cho chốt kiểu sập không bị đậy lại khi cắm chân nối đất.

4.15 Vật liệu cháy

4.15.1 Các nắp che, chụp đèn và các bộ phận tương tự không có chức năng cách điện và không chịu được thử nghiệm sợi dây nóng đỏ ở 650 °C ở 13.3.2 phải có đủ khoảng cách so với bất kỳ bộ phận được gia nhiệt nào của đèn điện mà có thể nâng vật liệu lên nhiệt độ bắt cháy của nó. Các bộ phận làm bằng vật liệu chảy phải có cơ cấu giữ chặt và đỡ thích hợp để duy trì khoảng cách này.

Khoảng cách so với các bộ phận được gia nhiệt đề cập ở trên phải tối thiểu là 30 mm, trừ khi vật liệu được bảo vệ bằng một màn chắn cách các bộ phận được gia nhiệt tối thiểu 3 mm. Màn chắn này phải phù hợp với thử nghiệm ngọn lửa hình kim ở 13.3.1, không được có các lỗ và phải có chiều cao và chiều dài tối thiểu bằng các kích thước tương ứng của các bộ phận được gia nhiệt. Không yêu cầu có màn chắn ở những chỗ đèn điện có vật cản tàn lửa hiệu quả.

CHÚ THÍCH: Các yêu cầu của điều 4.15.1 này được minh họa trên Hình 4.

Không được sử dụng vật liệu cháy dữ dội như giấy.

Không áp dụng các yêu cầu của điều 4.15.1 này cho các chi tiết nhỏ như kẹp sợi dây và các phần bằng giấy liên kết nhựa dẻo được sử dụng bên trong đèn điện.

Không yêu cầu có khoảng cách tính từ mạch điện tử nếu trong điều kiện không bình thường, dòng điện làm việc không vượt quá 10 % so với dòng điện trong điều kiện bình thường.

Không yêu cầu có khoảng cách tính từ các bộ phận của đèn điện có lắp bộ điều khiển cảm biến nhiệt độ để bảo vệ chống quá nhiệt của nắp che, chụp đèn hoặc các bộ phận tương tự.

Không áp dụng các yêu cầu của điều 4.15.1 này cho biến áp được cấp nguồn bên trong vỏ bọc của nó, vỏ này có IP20 hoặc cao hơn, phù hợp với phần liên quan của IEC 61558-2 hoặc với IEC 60989.

Kiểm tra sự phù hợp bằng cách xem xét, bằng phép đo và bằng cách cho đèn điện làm việc trong điều kiện không bình thường với dòng điện được tăng chậm và đều qua các cuộn dây của balát hoặc biến áp, cho đến khi bộ điều khiển cảm biến nhiệt độ tác động. Trong và sau thử nghiệm, nắp che, chụp đèn và các bộ phận tương tự không bắt lửa và các bộ phận chạm tới được không trở nên mang điện.

Thực hiện thử nghiệm theo Phụ lục A để kiểm tra xem các bộ phận chạm tới được có trở nên mang điện không.

4.15.2 Đèn điện làm bằng vật liệu nhựa nhiệt dẻo phải chịu được nhiệt độ tăng lên do các điều kiện sự cố trong balát/biến áp và linh kiện điện tử để không xảy ra nguy hiểm khi lắp đặt như trong sử dụng bình thường.

Yêu cầu này đạt được bằng một trong các biện pháp sau đây:

a) Các biện pháp kết cấu đảm bảo rằng:

– trong các điều kiện hỏng hóc, các linh kiện được giữ đúng vị trí, ví dụ, vật đỡ không phụ thuộc nhiệt độ;

– các bộ phận của đèn điện không thể bị quá nhiệt theo cách làm cho các bộ phận mang điện trở nên chạm tới được.

Kiểm tra sự phù hợp bằng cách xem xét và/hoặc thử nghiệm ở 12.7.1.

b) Sử dụng bộ điều khiển cảm biến nhiệt độ để giới hạn nhiệt độ của các điểm cố định của balát/biến áp và linh kiện điện tử và các bộ phận để hở của đèn điện ở giá trị an toàn. Bộ điều khiển cảm biến nhiệt độ có thể là loại cơ cấu cắt nhiệt đặt lại tự động hoặc bằng tay hoặc là dây chảy nhiệt.

Kiểm tra sự phù hợp bằng thử nghiệm ở 12.7.2.

c) Vật liệu nhựa nhiệt dẻo được sử dụng cho đèn điện phải thích hợp ở nhiệt độ bề mặt lớn nhất cho phép khi sử dụng balát có bảo vệ nhiệt phù hợp với tiêu chuẩn phụ trợ liên quan.

Kiểm tra sự phù hợp bằng thử nghiệm ở 12.7.2.

4.16 Đèn điện dùng để lắp đặt trên bề mặt cháy bình thường

Đèn điện được phân loại là thích hợp để lắp đặt trên bề mặt cháy bình thường phải phù hợp với một trong các yêu cầu dưới đây ở 4.16.1,4.16.2 hoặc 4.16.3.

CHÚ THÍCH 1: Bảng N.1 nêu hướng dẫn khi nào thì sử dụng ký hiệu và cảnh báo.

Không áp dụng các yêu cầu của điều 4.16 này cho biến áp được cấp nguồn bên trong vỏ bọc của nó, nghĩa là IP20 hoặc cao hơn, phù hợp với bộ tiêu chuẩn IEC 61558. Đối với biến áp của máy cạo râu hoặc bộ nguồn của máy cạo râu lắp trong đèn điện và phù hợp với IEC 61558-2-5, áp dụng các yêu cầu ở 4.16.1. Bộ điều khiển đèn bằng điện tử và các cơ cấu có dây quấn cỡ nhỏ có thể được lắp bên trong các phụ kiện này không phải áp dụng các yêu cầu của điều 4.16.

CHÚ THÍCH 2: Ví dụ về các cơ cấu có dây quấn cỡ nhỏ là các cuộn dây có lõi ferit hoặc lõi không phải dạng lá thép, các cơ cấu này thường được lắp trên tám mạch in.

Đối với đèn điện có lắp bộ điều khiển bóng đèn, sự phù hợp với yêu cầu này được đáp ứng nếu khoảng cách của bộ điều khiển bóng đèn so với bề mặt lắp đặt theo 4.16.1 hoặc có sử dụng bộ bảo vệ nhiệt theo 4.16.2 hoặc phù hợp với 4.16.3.

Đối với đèn điện không có bộ điều khiển bóng đèn, các yêu cầu này được đáp ứng nếu phù hợp với Mục 12.

Do ứng dụng của đèn điện, đèn điện được cung cấp bộ đổi nối để lắp đặt trên thanh ray phải đáp ứng các yêu cầu đối với lắp đặt trực tiếp trên các bề mặt cháy bình thường.

4.16.1 Bộ điều khiển bóng đèn phải cách bề mặt lắp đặt một khoảng tối thiểu bằng:

a) 10 mm, kể cả chiều dày của vật liệu làm nắp che khi khoảng cách này tính cả 3 mm khoảng không gian tối thiểu giữa bề mặt bên ngoài của nắp che và bề mặt lắp đặt đèn điện trong vùng của bộ điều khiển bóng đèn, và 3 mm khoảng cách không gian tối thiểu giữa vỏ bộ điều khiển bóng đèn và bề mặt bên trong của nắp che. Nếu không có vỏ bộ điều khiển bóng đèn thì áp dụng khoảng cách 10 mm so với bộ phận hoạt động, ví dụ, các cuộn dây của bộ điều khiển bóng đèn.

Nắp che cần liên tục trong vùng nhô ra của bộ điều khiển bóng đèn để ngăn ngừa tuyến dẫn trực tiếp nhỏ hơn 35 mm giữa bộ phận hoạt động của bộ điều khiển bóng đèn và bề mặt lắp đặt, nếu không thì áp dụng yêu cầu của điểm b).

hoặc

b) 35 mm.

CHÚ THÍCH: Khoảng cách 35 mm được ưu tiên để tính cho đèn điện lắp đặt bằng vòng kẹp trong đó khoảng cách giữa bộ điều khiển bóng đèn và bề mặt lắp đặt thường lớn hơn nhiều so với 10 mm.

Trong cả hai trường hợp, đèn điện phải được thiết kế sao cho không gian cần thiết bất kỳ đương nhiên đạt được khi được lắp đặt như trong sử dụng bình thường.

Kiểm tra sự phù hợp bằng cách xem xét và bằng phép đo.

4.16.2 Đèn điện phải lắp bộ điều khiển cảm biến nhiệt độ để giới hạn nhiệt độ bề mặt lắp đặt của đèn điện đến giá trị an toàn. Bộ điều khiển cảm biến nhiệt độ này có thể lắp bên ngoài bộ điều khiển bóng đèn hoặc là một phần của bộ điều khiển bóng đèn có bảo vệ nhiệt theo tiêu chuẩn phụ trợ liên quan.

Bộ điều khiển cảm biến nhiệt độ có thể là cơ cấu cắt nhiệt tự đặt lại, cơ cấu cắt nhiệt đặt lại bằng tay hoặc dây chảy nhiệt (cầu chảy chỉ tác động một lần và sau đó đòi hỏi phải thay thế).

Bộ điều khiển cảm biến nhiệt độ lắp bên ngoài bộ điều khiển bóng đèn không được là loại cắm vào hoặc loại dễ dàng thay thế khác. Nó phải được giữ vào vị trí cố định có liên quan đến balát/biến áp.

Kiểm tra sự phù hợp bằng cách xem xét và bằng thử nghiệm ở 12.6.2.

Các yêu cầu ở 4.16.2 được xem là phù hợp đối với đèn điện có lắp balát/biến áp bảo vệ nhiệt “cấp P“, được ghi nhãn có ký hiệu

balát/biến áp có bảo vệ nhiệt có công bố nhiệt độ, ký hiệu

với giá trị ghi nhãn thấp hơn hoặc bằng 130 °C, phù hợp với tiêu chuẩn phụ trợ liên quan mà không cần bất kỳ thử nghiệm nào khác.

Đèn điện có lắp balát/biến áp không có ký hiệu là balát bảo vệ nhiệt hoặc có ghi nhãn giá trị lớn hơn 130 °C phải phù hợp với các yêu cầu ở 4.16.1 hoặc 4.16.3.

4.16.3 Nếu đèn điện không phù hợp với yêu cầu về khoảng cách ở 4.16.1 và không có bộ cắt theo nguyên lý nhiệt phù hợp với 4.16.2 thì phải được thiết kế sao cho nó thỏa mãn thử nghiệm ở 12.6.

CHÚ THÍCH: Yêu cầu này và thử nghiệm được dựa trên giả thiết là, khi balát/biến áp bị hỏng, ví dụ do các cuộn dây bị ngắn mạch hoặc chạm vỏ, cuộn dây balát/biến áp sẽ không vượt quá 350 °C trong khoảng thời gian lớn hơn 15 min và do đó, nhiệt độ của bề mặt lắp đặt không vượt quá 180 °C trong thời gian lớn hơn 15 min.

4.17 Lỗ thoát nước

Đèn điện chống nước nhỏ giọt, nước mưa, nước bắn tóe và nước phun phải được thiết kế sao cho nước tích tụ trong đèn điện có thể thoát ra hiệu quả, ví dụ, bằng cách mở một hoặc nhiều lỗ thoát nước. Đèn điện kín nước không được có chỗ thoát nước.

Kiểm tra sự phù hợp bằng cách xem xét và bằng các thử nghiệm ở Mục 9.

CHÚ THÍCH: Lỗ thoát nước ở đằng sau đèn điện lắp đặt bề mặt chỉ hiệu quả khi thiết kế đảm bảo khe hở không khí tối thiểu là 5 mm so với bề mặt lắp đặt, ví dụ, các chỗ nhô ra ở đằng sau.

4.18 Khả năng chống ăn mòn

CHÚ THÍCH: Vì các thử nghiệm ở 4.18 và Phụ lục F là thử nghiệm phá hủy nên có thể tiến hành các thử nghiệm trên các mẫu riêng rẽ phù hợp với 0.4.2.

4.18.1 Nếu các bộ phận bằng sắt từ của đèn điện chống nước nhỏ giọt, nước mưa, nước bắn tóe và nước phun, kín nước và kín nước có áp suất bị gỉ có thể làm cho đèn điện trở nên mất an toàn thì phải được bảo vệ thích hợp để chống gỉ.

Kiểm tra sự phù hợp bằng thử nghiệm sau.

Loại bỏ tất cả dầu mỡ ra khỏi các bộ phận cần thử nghiệm. Các bộ phận này được ngâm trong dung dịch amoni clorua 10 % trong nước ở nhiệt độ 20 °C ± 5 °C trong 10 min. Không làm khô, nhưng sau khi vảy các giọt nước, các bộ phận này được đặt trong hộp có không khí bão hòa hơi ẩm ở nhiệt độ 20 °C ± 5 °C trong 10 min.

Sau 10 min làm khô các bộ phận này trong tủ nhiệt ở nhiệt độ 100 °C ± 5 °C, các bề mặt của chúng phải cho thấy không có dấu hiệu bị gỉ.

CHÚ THÍCH: Các vết gỉ trên mép sắc và màng màu vàng có thể lau sạch thì được bỏ qua.

Đối với các lò xo xoắn ốc loại nhỏ và chi tiết tương tự, và đối với các bộ phận không chạm tới được phải chịu mài mòn, bảo vệ chống gỉ bằng lớp dầu mỡ là đủ. Các bộ phận này chỉ phải chịu thử nghiệm nếu có nghi ngờ về tính hiệu quả của màng dầu mỡ, và khi đó, thử nghiệm được thực hiện mà không loại bỏ trước lớp dầu mỡ này.

4.18.2 Tiếp điểm và các chi tiết khác làm bằng đồng cán hoặc tấm hợp kim đồng, nếu bị hư hại có thể làm cho đèn điện bị mất an toàn thì phải chịu được ứng suất ăn mòn.

Kiểm tra sự phù hợp bằng thử nghiệm nêu trong Phụ lục F, được thực hiện trên các mẫu chưa qua bất kỳ thử nghiệm nào khác.

4.18.3 Các bộ phận bằng nhôm hoặc hợp kim nhôm của đèn điện chống nước nhỏ giọt, nước mưa, nước bắn tóe và nước phun, kín nước và kín nước có áp suất phải có khả năng chống ăn mòn nếu không đèn điện có thể trở nên mất an toàn.

CHÚ THÍCH: Hướng dẫn về khả năng chống ăn mòn được nêu trong Phụ lục L.

4.19 Bộ mồi

Bộ mồi được sử dụng trong đèn điện phải tương thích về điện với balát kết hợp trong đèn điện.

Kiểm tra sự phù hợp bằng cách xem xét.

4.20 Đèn điện vận hành nặng nề – Yêu cầu về rung

Đèn điện vận hành nặng nề phải có khả năng chống rung thích hợp.

Kiểm tra sự phù hợp bằng thử nghiệm rung dưới đây.

Đèn điện được xiết chặt ở tư thế nặng nề nhất của nó nhưng ở tư thế lắp đặt bình thường trên máy tạo rung.

Hướng rung theo hướng nặng nề nhất và mức khắc nghiệt là:

Thời gian: 30 min
Biên độ: 0,35 mm
Dải tần số: 10 Hz, 55 Hz, 10 Hz
Tốc độ quét: xấp xỉ một quãng tám một phút.

Sau thử nghiệm, đèn điện không được có các bộ phận bị nới lỏng gây ảnh hưởng bất lợi đến an toàn.

4.21 Che chắn bảo vệ

4.21.1 Vì có thể có rủi ro vỡ bóng đèn nên đèn điện được thiết kế dùng cho bóng đèn halogen vônfram và đèn điện được thiết kế cho bóng đèn halogen kim loại phải được lắp cùng nắp che. Đối với bóng đèn halogen vônfram, nắp che phải bằng thủy tinh.

Đèn điện được thiết kế để sử dụng với bóng đèn tự che chắn được loại trừ yêu cầu này nhưng phải được ghi nhãn có ký hiệu thích hợp (xem Hình 1).

CHÚ THÍCH 1: Bóng đèn có nắp che bảo vệ là một phần của kết cấu đèn điện phải có thông báo phòng ngừa thích hợp hoặc trên bao gói của nó được ghi nhãn theo ký hiệu được thể hiện dưới đây:

[NGUỒN: IEC 60417-6071 (2011-09): Lưu ý, bóng đèn không có bảo vệ]

CHÚ THÍCH 2: Đối với bóng đèn không có che chắn bảo vệ là một phần của kết cấu đèn điện (bóng đèn tự che chắn), trên bao gói của nó phải được ghi nhãn theo ký hiệu được thể hiện dưới đây:

[NGUỒN: IEC 60417-6030 (2011-09): Bóng đèn có che chắn, thông dụng]

4.21.2 Bộ phận của ngăn bóng đèn phải được thiết kế sao cho các mảnh vụn do vỡ bóng đèn không gây ảnh hưởng bất lợi đến an toàn.

4.21.3 Tất cả các lỗ hở trong đèn điện phải sao cho không có mảnh nào của bóng đèn vỡ có thể rơi ra khỏi đèn điện theo đường thẳng (đường nhìn thẳng), kể cả ở mặt sau của đèn điện lắp chìm.

4.21.4 Kiểm tra sự phù hợp với 4.21.1 đến 4.21.3 bằng cách xem xét và bằng thử nghiệm sau:

– che chắn bảo vệ phải phù hợp với thử nghiệm va đập ở 4.13.1 với năng lượng va đập ở Bảng 4.3 đối với các bộ phận dễ vỡ. Trong trường hợp phương tiện lắp đặt của che chắn bảo vệ bằng thủy tinh chỉ được thiết kế duy nhất để chịu va đập từ bên trong thì cần thực hiện thử nghiệm ở 4.13.1 theo hướng đó, nếu có thể;

– bộ phận ở ngăn bóng đèn, nếu bằng vật liệu cách điện thì phải phù hợp với thử nghiệm khả năng chịu ngọn lửa và bắt cháy ở 13.3.2.

CHÚ THÍCH 1: Yêu cầu này nhằm nâng cao độ an toàn bằng cách loại bỏ các nguy hiểm do thay bóng đèn bị hỏng hoặc ứng dụng sai. Đèn điện loại hở hiện nay không lắp che chắn bảo vệ không hẳn là có nguy hiểm.

CHÚ THÍCH 2: Thử nghiệm va đập ở 4.13.1, được thực hiện bên ngoài, được xem là khắc nghiệt hơn các va đập của mảnh thủy tinh. Do đó, thử nghiệm cụ thể mô phỏng va đập của mảnh thủy tinh là không cần thiết.

4.22 Phụ kiện cho bóng đèn

Đèn điện không được lắp các phụ kiện cho bóng đèn có thể gây quá nhiệt hoặc làm hư hại bóng đèn, đầu đèn hoặc đui đèn, đèn điện hoặc các phụ kiện.

Chỉ cho phép có phụ kiện cho bóng đèn huỳnh quang nếu nhà chế tạo đèn điện cung cấp hoặc chấp nhận. Tổng khối lượng của bóng đèn và phụ kiện không được vượt quá:

– 200 g đối với bóng đèn có đầu G5, và

– 500 g đối với bóng đèn có đầu G13.

Kiểm tra sự phù hợp bằng cách xem xét, cân và bằng phép đo nhiệt, nếu thích hợp.

CHÚ THÍCH: Ví dụ về các phụ kiện đi kèm bóng đèn nung sáng có thể không phù hợp với các yêu cầu này là bộ phản xạ gương cầu, bộ phản xạ xung quanh bóng đèn, v.v… Ví dụ về các phụ kiện đi kèm được phép là lò xo để gắn chụp đèn trọng lượng nhẹ với bóng đèn và bộ phận tương tự.

4.23 Nửa đèn điện

Nửa đèn điện phải phù hợp với tất cả các yêu cầu liên quan của đèn điện cấp II.

CHÚ THÍCH: Có thể bỏ qua ký hiệu cấp II để tránh được xem là áp dụng cho đèn điện hoàn chỉnh trong đó sử dụng nửa đèn điện.

4.24 Nguy hiểm quang sinh học

4.24.1 Bức xạ UV

Đèn điện được thiết kế cho bóng đèn halogen vônfram và đèn điện được thiết kế cho bóng đèn halogen kim loại không được phát ra bức xạ tia cực tím quá mức khi sử dụng bóng đèn này. Đối với bóng đèn tự che chắn, yêu cầu này được đáp ứng khi thiết kế bóng đèn.

Đối với bóng đèn halogen vônfram và hầu hết các bóng đèn halogen kim loại, khi cần có che chắn bảo vệ, tất cả các loại thủy tinh sẽ làm giảm bức xạ UV đến mức thấp vừa đủ.

Đối với bóng đèn halogen kim loại phát bức xạ mức cao, Phụ lục P mô tả các phương pháp cung cấp che chắn bức xạ tia cực tím thích hợp cho đèn điện.

CHÚ THÍCH: Xem Phụ lục P, quy trình A hoặc B để có phương pháp tính toán để cung cấp che chắn bức xạ có hiệu quả.

4.24.2 Nguy hiểm ánh sáng xanh đến võng mạc

Đèn điện có các nguồn sáng, mà tiêu chuẩn an toàn không loại trừ bóng đèn khỏi việc đánh giá nguy hiểm ánh sáng xanh thì phải được đánh giá theo IEC/TR 62778.

Không kỳ vọng việc sử dụng các nguồn sáng thuộc nhóm có rủi ro ánh sáng xanh cao hơn RG2. Có thể cần áp dụng các yêu cầu khắc nghiệt hơn bổ sung đối với việc quản lý các kiểu nguồn sáng này.

CHÚ THÍCH 1: Hiện nay chỉ có một số kiểu nguồn sáng có nguy hiểm ánh sáng xanh cần xem xét là: LED, halogen kim loại và một số loại vonfram halogen chuyên dụng khác.

CHÚ THÍCH 2: Các yêu cầu đối với đèn điện sử dụng nguồn sáng RG3 chưa được đưa ra vì các sản phẩm này nhìn chung chưa có sẵn trên thị trường. Yêu cầu bổ sung sẽ được xây dựng nếu cần.

Đối với đèn điện sử dụng các nguồn sáng RGO không giới hạn hoặc RG1 không giới hạn theo IEC/TR 62778, hoặc được đánh giá là RGO không giới hạn hoặc RG1 không giới hạn khi đã được lắp ráp hoàn chỉnh để sử dụng trong các điều kiện giống nhau thì không phải áp dụng các yêu cầu về nguy hiểm ánh sáng xanh.

Đối với đèn điện có ngưỡng độ chói Ethr được đánh giá theo IEC/TR 62778, áp dụng các yêu cầu sau.

a) Đối với đèn điện được lắp cố định, phải thực hiện đánh giá bổ sung theo IEC/TR 62778 để tìm khoảng cách X giữa đèn điện và đường ranh giới giữa RG2 và RG1. Đèn điện phải được ghi nhãn và có hướng dẫn theo 3.2.23 của tiêu chuẩn này.

b) Đèn điện di động hoặc đèn điện cầm tay vượt quá RG1 ở khoảng cách 200 mm theo IEC/TR 62778 phải ghi nhãn theo 3.2.23 của tiêu chuẩn này.

CHÚ THÍCH 3: Trong trường hợp nguy hiểm ánh sáng xanh áp dụng được thì phải có thông tin liên quan đến nguồn sáng như yêu cầu trong tiêu chuẩn an toàn nguồn sáng.

CHÚ THÍCH 4: Trong một số thiết kế đèn điện, ví dụ đèn điện có các nguồn sáng lắp liền, có thể cần thử nghiệm đèn điện hoàn chỉnh.

CHÚ THÍCH 5: Dữ liệu trắc quang theo công bố của nhà chế tạo có thể được sử dụng làm cơ sở để đánh giá như trong điểm a.

CHÚ THÍCH 6: Các sửa đổi trong tiêu chuẩn IEC 60598-2-10 và IEC 60598-2-12 sẽ cập nhật yêu cầu này.

4.25 Nguy hiểm về cơ

Đèn điện không được có các điểm nhọn hoặc mép sắc có thể tạo ra nguy hiểm cho người sử dụng trong quá trình lắp đặt, sử dụng bình thường hoặc bảo dưỡng.

Kiểm tra sự phù hợp bằng cách xem xét.

4.26 Bảo vệ ngắn mạch

4.26.1 Phải cung cấp phương tiện thích hợp để ngăn ngừa mất an toàn do ngắn mạch không chủ ý các bộ phận SELV chạm tới được nhưng không cách điện có cực tính ngược nhau.

CHÚ THÍCH: Đèn điện cấp III được cấp điện từ nguồn SELV không quy định riêng là cần có một ruột dẫn được cách điện. Trong trường hợp không có cách điện thì nhà chế tạo đèn điện cần công bố công suất ra VA lớn nhất và kiểu tham chiếu của nguồn SELV và tiến hành thử nghiệm ở 4.26.2 với biến áp/bộ chuyển đổi này.

4.26.2 Mẫu thử nghiệm điển hình được cho làm việc ở 0,9 đến 1,1 lần điện áp danh định với tải danh nghĩa của nó. Chuỗi thử nghiệm như quy định ở 4.26.3 được mắc vào các bộ phận SELV chạm tới được nhưng không có cách điện. Chuỗi thử nghiệm phải tạo thành tuyến dẫn ngắn nhất có thể bằng cách treo tải ở mỗi đầu, với khối lượng bằng:

(15’X’)g

trong đó, ‘X’ là khoảng cách giữa các dây dẫn ở trạng thái không tải, tính bằng centimét.

Chuỗi thử nghiệm không được chảy cũng như không có bất kỳ bộ phận nào của mẫu thử nghiệm điển hình đạt tới nhiệt độ vượt quá các giá trị ở Bảng 12.1 và Bảng 12.2.

4.26.3 Chuỗi thử nghiệm: Một chuỗi có chiều dài vừa đủ bằng kim loại không mạ, có các mắt xích phù hợp với Hình 29 và làm bằng 63 % Cu/37 % Zn. Chuỗi này phải có điện trở bằng 2,5 Ω/m ± 20 % khi kéo dãn bằng tải 200 g/m.

4.27 Khối đầu nối có tiếp điểm nối đất không bắt ren lắp liền

Khối đầu nối có tiếp điểm nối đất không bắt ren lắp liền phải được lắp đặt phù hợp với các yêu cầu do nhà chế tạo quy định có tham khảo Phụ lục V của tiêu chuẩn này.

Kiểm tra sự phù hợp bằng cách xem xét.

4.28 Cố định các bộ điều khiển nhạy với nhiệt độ

Bộ điều khiển nhạy với nhiệt độ bất kỳ nằm bên ngoài bộ điều khiển bóng đèn không được là loại cắm hoặc loại có thể dễ dàng thay thế khác. Bộ điều khiển phải được giữ tin cậy ở vị trí quy định.

Không được sử dụng phương tiện cố định kiểu gắn keo đối với các bộ điều khiển nhạy với nhiệt độ khi bức xạ UV phát ra từ bóng đèn có thể làm giảm độ tin cậy của phương tiện cố định này trong vòng đời của đèn điện. Các bộ điều khiển nhạy với nhiệt độ không được lắp bên ngoài vỏ bọc đèn điện.

Kiểm tra sự phù hợp bằng cách xem xét và, đối với các bộ điều khiển nhạy với nhiệt độ có phương tiện cố định kiểu gắn keo, thì theo thử nghiệm sau.

Bộ điều khiển nhạy với nhiệt độ, cùng với balát/máy biến áp được lắp cùng, phải chịu thử nghiệm thay đổi nhiệt độ theo IEC 60068-2-14, thử nghiệm Na, như dưới đây.

Mẫu phải chịu 100 chu kỳ giữa nhiệt độ thấp nhất và cao nhất như dưới đây.

Nhiệt độ cao nhất là nhiệt độ đo được trên vật liệu gắn khi balát/biến áp mang tải bởi dòng điện bằng 0,95 lần giá trị dòng điện thấp nhất làm cho cơ cấu bảo vệ tác động trong điều kiện ổn định.

Nhiệt độ thử nghiệm thấp nhất là 0 °C.

Thời gian chịu hai nhiệt độ thử nghiệm này là 30 min đối với mỗi nhiệt độ.

Như quy định trong IEC 60068-2-14, thời gian chuyển đổi tiêu chuẩn từ 2 min đến 3 min. Cho phép thời gian chuyển đổi (t2) nhỏ hơn 30 s, nếu sử dụng hệ thống thử nghiệm tự động.

Trong thời gian thử nghiệm, bộ điều khiển nhạy với nhiệt độ không được trải qua sự thay đổi bất kỳ trong phương tiện cố định làm ảnh hưởng đến sử dụng sau này, đặc biệt là nhiệt độ làm việc của nó. Sau thử nghiệm, bộ điều khiển nhạy với nhiệt độ không được tách ra/dịch chuyển khỏi vị trí thiết kế.

Biến áp phù hợp với bộ tiêu chuẩn IEC 61558 không phải chịu thử nghiệm này.

4.29 Đèn điện có nguồn sáng không thay thế được

Không được có khả năng thay thế và/hoặc tiếp cận đến các bộ phận mang điện mà không làm vỡ đèn điện hoặc các bộ phận của nó.

Kiểm tra sự phù hợp bằng thử nghiệm sau.

Các bộ phận của đèn điện cho phép tiếp cận nguồn sáng mà có thể mở ra bằng tay hoặc bằng cách sử dụng dụng cụ phải được mở ra hoặc tháo ra.

Các bộ phận của đèn điện được gắn kín, hoặc được gắn keo, hoặc được cố định bằng vít được thiết kế và có hình dạng chỉ để sử dụng một lần, hoặc tấm chắn gắn cố định thì không được mở ra.

Sau khi tháo tất cả các bộ phận nêu trên, không được có khả năng chạm tới các bộ phận mang điện khi được kiểm tra bằng đầu dò thử nghiệm và phương pháp thử theo Mục 8 của tiêu chuẩn này.

4.30 Đèn điện có nguồn sáng không thay thế được bởi người sử dụng

Trong trường hợp sử dụng nắp bảo vệ phía ngoài các nguồn sáng không thay thế được bởi người sử dụng để bảo vệ chống điện giật, và nắp được ghi nhãn ký hiệu ‘lưu ý, rủi ro điện giật’ như nêu trong 3.2.24, nắp này phải được giữ đúng vị trí trong thử nghiệm và xem xét bởi Mục 8 của tiêu chuẩn này. Nắp phải được giữ chắc chắn đúng vị trí bằng tối thiểu hai phương tiện cố định độc lập mà từng cơ cấu đòi hỏi phải sử dụng dụng cụ mới có thể tháo được, ví dụ hai vít.

4.31 Cách điện giữa các mạch điện

Đèn điện có biến áp hoặc bộ điều khiển có cách điện giữa các mạch điện và đèn điện sử dụng mạch điện được cách điện với nguồn LV thì phải có cách điện thích hợp giữa các mạch và giữa các mạch này và bộ phận dẫn bên ngoài chạm tới được.

Các yêu cầu tương tự phải áp dụng cho các mạch điện nối với đầu nối điều khiển của đèn điện điều khiển được trong trường hợp có yêu cầu duy trì mức cách điện tương tự đối với tất cả các linh kiện. Khi đánh giá kiểu mạch điện cần xét, phải xét đến thông tin do nhà chế tạo bộ điều khiển cung cấp (xem 7.1 k) của IEC 61347-1).

CHÚ THÍCH: Hiện nay đang có sẵn các kiểu hệ thống điều khiển sau:

– Tín hiệu điều khiển FELV, được cách điện bằng cách điện chính với nguồn LV (ví dụ giao diện chiếu sáng có địa chỉ số và các cơ cấu điều khiển từ 1 – 10 V một chiều);

– Tín hiệu điều khiển SELV (ví dụ DMX);

– Tín hiệu điều khiển, không được cách điện với nguồn LV (ví dụ điều khiển dạng nút ấn/cắt pha/tắt dần theo nấc). Kiểm tra sự phù hợp bằng các yêu cầu dưới đây.

4.31.1 Mạch SELV

Các nguồn dưới đây có thể được sử dụng để cấp điện cho mạch SELV.

– biến áp cách ly an toàn theo IEC 61558-2-6 hoặc Phần 2 tương đương của bộ tiêu chuẩn IEC 61558.

– bộ điều khiển có SELV theo bộ tiêu chuẩn TCVN 7590 (IEC 61347).

– nguồn điện hóa (ví dụ pin/acquy) hoặc nguồn khác độc lập với mạch điện áp cao.

Điện áp trong các mạch không được cao hơn các giới hạn xác định cho ELV.

Các mạch SELV phải được cách điện với nguồn LV bằng cách điện kép hoặc cách điện tăng cường (dựa trên điện áp làm việc bằng điện áp nguồn LV).

Các mạch SELV phải được cách điện với các mạch không phải SELV khác (không kể FELV) bằng cách điện kép hoặc cách điện tăng cường (dựa trên điện áp làm việc bằng điện áp cao nhất trong các mạch điện).

Các mạch SELV phải được cách điện với các mạch FELV bằng cách điện phụ (dựa trên điện áp làm việc bằng điện áp nguồn LV).

Các mạch SELV phải được cách điện với các mạch SELV khác bằng cách điện chính (dựa trên điện áp làm việc bằng điện áp cao nhất trong các mạch điện).

Các mạch SELV phải được cách điện với các bộ phận dẫn chạm tới được bằng cách điện theo Bảng X.1.

Trong trường hợp bộ điều khiển theo bộ tiêu chuẩn TCVN 7590 (IEC 61347), điện áp SELV cần xem xét với mục đích cách điện là điện áp đầu ra lớn nhất chỉ thị trên bộ điều khiển là “U-OUT”.

Kiểm tra sự phù hợp bằng xem xét và bằng thử nghiệm yêu cầu trong Mục 8, Mục 10 và Mục 11 của tiêu chuẩn này.

Phích cắm và ổ cắm trong hệ thống SELV phải phù hợp với các yêu cầu dưới đây:

– phích cắm không được có khả năng cắm vào ổ cắm của hệ thống điện áp khác;

– ổ cắm không được có khả năng tiếp nhận các phích cắm của hệ thống điện áp khác:

– phích cắm và ổ cắm trong hệ thống SELV không được có tiếp điểm của dây dẫn bảo vệ.

Kiểm tra sự phù hợp bằng cách xem xét.

4.31.2 Mạch FELV

Cho phép sử dụng các nguồn dưới đây để cấp nguồn cho mạch FELV:

– biến áp cách ly theo IEC 61558-2-1 hoặc Phần 2 tương đương của bộ tiêu chuẩn IEC 61558.

– bộ điều khiển có cách điện chính giữa mạch điện đầu vào và đầu ra theo bộ tiêu chuẩn TCVN 7590 (IEC 61347).

– nguồn điện hóa (ví dụ pin/acquy) hoặc nguồn khác độc lập trong mạch điện cách ly nguồn LV chỉ bằng cách điện chính.

Điện áp trong các mạch không được cao hơn các giới hạn xác định cho ELV.

Mạch FELV phải được cách điện với nguồn LV bằng tối thiểu là cách điện chính (dựa trên điện áp làm việc bằng điện áp nguồn LV).

Không yêu cầu các mạch FELV phải được cách điện với mạch nối đất bảo vệ ngoại trừ mục đích chức năng.

Mạch FELV phải được cách điện với các bộ phận dẫn chạm tới được bằng cách điện theo Bảng X.1.

Kiểm tra sự phù hợp bằng cách xem xét và bằng các thử nghiệm yêu cầu trong Mục 8, Mục 10 và Mục 11 của tiêu chuẩn này.

Phích cắm và ổ cắm trong hệ thống FELV phải phù hợp với các yêu cầu dưới đây:

– phích cắm không được có khả năng cắm vào ổ cắm của hệ thống điện áp khác:

– ổ cắm không được có khả năng tiếp nhận các phích cắm của hệ thống điện áp khác;

– phích cắm và ổ cắm trong hệ thống SELV phải có tiếp điểm của dây dẫn bảo vệ.

Kiểm tra sự phù hợp bằng cách xem xét.

4.31.3 Các mạch điện khác

Cách điện giữa các mạch điện không phải mạch SELV hoặc FELV và các bộ phận dẫn chạm tới được phải theo các yêu cầu trong Bảng X.1.

Trong kết cấu cấp II, trường hợp sử dụng liên kết đẳng thế để bảo vệ chống các tiếp xúc gián tiếp với các bộ phận mang điện (xem Bảng X.1 ), áp dụng các yêu cầu sau.

– Các bộ phận dẫn được nối với nhau sao cho hai hỏng hóc của cách điện sẽ dẫn đến ngắn mạch.

– Để kiểm tra xem các bộ phận dẫn có được nối với nhau tin cậy hay không, phải tiến hành thử nghiệm trong 7.2.3 (thử nghiệm liền mạch với dòng điện 10 A).

– Trường hợp sự cố cách điện giữa các bộ phận mang điện và bộ phận dẫn chạm tới được, bộ phận dẫn không được trở thành bộ phận có thể gây điện giật theo Phụ lục A của tiêu chuẩn này.

– Đối với ứng dụng chính/phụ (bộ điều khiển được lắp trên đèn điện chính và cấp nguồn cho đèn điện phụ) liên kết đẳng thế giữa hai đèn điện phải được sử dụng để ngăn ngừa các điện áp nguy hiểm giữa các đèn điện chạm tới được. Với lý do này, đèn điện chính phải có đầu nối để nối với các bộ phận dẫn chạm tới được của đèn điện phụ và đèn điện phụ phải có kết cấu là đèn điện cấp I.

Kiểm tra sự phù hợp bằng cách áp dụng các yêu cầu của tiêu chuẩn này để kiểm tra cách điện theo Phụ lục X.

CHÚ THÍCH: Ví dụ về loại mạch điện này gồm:

– mạch đầu ra của balát theo bộ tiêu chuẩn TCVN 7590 (IEC 61347),

– mạch điện cấp điện bởi biến áp cách ly theo IEC 61558-2-4 hoặc tương đương.

– mạch điện được cấp điện bởi biến áp cách ly theo IEC 61558-2-1 không đáp ứng các yêu cầu đối với FELV.

– mạch điện được cấp điện bởi bộ điều khiển cách ly (không phải FELV) và bộ điều khiển cách ly theo bộ tiêu chuẩn TCVN 7590 (IEC 61347).

4.32 Thiết bị bảo vệ quá điện áp

Thiết bị bảo vệ quá điện áp phải phù hợp với IEC 61643-11. Thiết bị bảo vệ quá điện áp nằm bên ngoài thiết bị điều khiển và được nối đất thì chỉ được sử dụng trong đèn điện cố định và chỉ được nối với đất bảo vệ.

Mục 5: Dây đi bên ngoài và dây đi bên trong

5.1 Quy định chung

Mục này quy định các yêu cầu chung đối với đấu nối điện đến nguồn và đối với dây đi bên trong đèn điện.

5.2 Đấu nối nguồn và dây đi bên ngoài khác

5.2.1 Đèn điện phải được cung cấp một trong các phương tiện dưới đây để đấu nối đến nguồn:

a) Đèn điện cố định:

– cơ cấu để đấu nối của đèn điện;

– đấu nối; phích cắm để khớp với ổ cắm;

– đầu dây chờ nối

Trong trường hợp đèn điện được cung cấp các đầu dây chờ nối và không có phương tiện đấu nối đến nguồn thì nhà chế tạo đèn điện phải quy định khối đầu nối nào có thể được sử dụng và phải phù hợp với TCVN 9622-2-1 (IEC 60998-2-1) hoặc TCVN 9622-2-2 (IEC 60998-2-2); phải quy định khối đầu nối cần sử dụng hoặc phải xác định như sau:

• kiểu đầu nối (bắt ren/không bắt ren);

• số lượng đầu nối;

• điện áp danh định;

• khả năng nổi danh định;

• chuẩn bị cần thiết bất kỳ của các đầu nối;

• phương pháp cố định bất kỳ.

Phải áp dụng các yêu cầu của 4.6, 4.7.1, 4.7.2, 4.10.1,11.2, Điều 12 và 13.2.

– dây nguồn;

– bộ chuyển nối để nối với các thanh ray dẫn nguồn;

– ổ cắm điện vào thiết bị;

– bộ nối lắp đặt;

b) đèn điện di động;

– dây nguồn; có phích cắm; ổ cắm điện vào thiết bị;

c) đèn điện lắp trong thanh ray:

– bộ chuyển nối hoặc bộ nối;

d) nửa đèn điện:

– đầu đèn xoáy ren Edison hoặc đầu đèn cổ gài;

Nếu đèn điện di động được thiết kế để lắp trên tường có kèm theo hộp nối và cơ cấu chặn dây thì có thể không kèm theo dây nguồn nếu có hướng dẫn lắp đặt đi kèm đèn điện.

Đèn điện do nhà chế tạo công bố là thích hợp để sử dụng ngoài trời không được có dây đi bên ngoài cách điện bằng PVC. Yêu cầu này không áp dụng cho đèn điện cấp III hoặc mạch SELV trong đèn điện (đến 25 V xoay chiều/60 V một chiều) và không áp dụng cho dây đi bên ngoài được bảo vệ khỏi môi trường ngoài trời bằng phương tiện khác, ví dụ dây đi giữa ngăn của bóng đèn và đấu nối với nguồn lưới đi vào bên trong (toàn bộ chiều dài) cột đèn.

CHÚ THÍCH 1: Ở Úc, Áo và Nhật, cho phép cáp cách điện PVC để sử dụng ngoài trời.

CHÚ THÍCH 2: Đèn điện lắp đặt trên tường có thể di động nếu nó được cố định vào giá đỡ của nó bằng vít tai hồng, kẹp hoặc móc (xem 1.2.9).

CHÚ THÍCH 3: Ở một số nước, đèn điện được thiết kế để nối với nguồn qua ổ cắm cần được cung cấp dây nguồn đã lắp với dây nguồn và phích cắm thích hợp.

5.2.2 Dây nguồn được sử dụng làm phương tiện đấu nối với nguồn, khi được nhà chế tạo cung cấp, phải có các đặc tính cơ và điện tối thiểu bằng các đặc tính cơ và điện quy định trong TCVN 6610 (IEC 60227) và TCVN 9615 (IEC 60245), như chỉ ra trong Bảng 5.1 và phải có khả năng chịu được nhiệt độ cao nhất có thể phải chịu trong các điều kiện sử dụng bình thường mà không bị hư hại.

Vật liệu không phải bằng polyvinyl clorua và cao su là thích hợp nếu các yêu cầu ở trên được đáp ứng, nhưng trong các trường hợp này, không áp dụng các yêu cầu kỹ thuật cụ thể ở phần 2 của TCVN 6610 (IEC 60227) và TCVN 9615 (IEC 60245).

Dây dẫn có cách điện chính không bọc phải chịu thử nghiệm độ bền điện quy định trong Mục 10 đối với SELV (500 V).

Bảng 5.1 – Dây nguồn

Đèn điện Cao su PVC Không có cách điện
Đèn điện cấp I thông thường

9615 TCVN 51 S c

(60245 IEC 51S)c

6610 TCVN 52c (60227 IEC 52)  
Đèn điện cấp II thông thường

9615 TCVN 53c

(60245 IEC 53)c

6610 TCVN 52c (60227 IEC 52)
Đèn điện không phải loại thông thường, cấp I và cấp II

9615 TCVN 57c

(60245 IEC 57)c

6610 TCVN 52ac (60227 IEC 52)
Đèn điện di động vận hành nặng nề

9615 TCVN 66c

(60245IEC 66)c

 

Đèn điện cấp III hoặc đèn điện có mạch SELV

Xoay chiều: U ≤ 25 V

Một chiều: U ≤ 60 V

  Ruột dẫn không có cách điệnb

Đèn điện cấp III hoặc đèn điện có mạch SELV

Xoay chiều: 25 V < U ≤ 50 V

Một chiều: 60 V < U ≤ 120 V

Ruột dẫn có cách điện chính không có vỏ bọc  

a Chỉ cho sử dụng trong nhà.

b Theo TCVN 7447 (IEC 60364), các ruột dẫn không có cách điện thì không được phép sử dụng trong một số hệ thống lắp đặt đặc biệt và khu vực đặc biệt, ví dụ TCVN 7447-7-701 (IEC 60364-7-701) “Vị trí có bồn tắm hoặc vòi sen”.

c Đối với điện áp nguồn lớn hơn 250 V, có thể cần cáp và dây nguồn có cấp điện áp cao hơn cấp cho trong bảng này.

CHÚ THÍCH: Đối với điện áp nguồn lớn hơn 250 V, có thể cần cáp và dây có cấp điện áp cao hơn các cấp nêu trong bảng ở trên.

Để cung cấp đủ độ bền cơ, tiết diện danh nghĩa của ruột dẫn của dây đi bên ngoài, ví dụ dây nguồn và cáo kết nối, không được nhỏ hơn quy định trong Bảng 5.3.

Bảng 5.3 – Kích thước đi dây

Điều kiện Tiết diện danh nghĩa nhỏ nhất của ruột dẫn (mm2)i
Đèn điện thông thường Đèn điện khác
Thông dụng 0,75 1,0
Được công bố là “chỉ sử dụng trong nhà” theo 3.3.18. 0,75 0,75
Khi đèn điện được cung cấp cùng ổ cắm 10/16 A 1,5 1,5
Đèn điện cấp III hoặc các đấu nối mạch SELV giữa các bộ phận của các loại đèn điện khác, có dòng điện danh định lớn nhất là 2A. 0,4 a,c 0,4 a,c
Đèn điện cấp III hoặc các đấu nối mạch SELV giữa các bộ phận của các loại đèn điện khác, có dòng điện danh định lớn nhất là 2A, kể cả cáp có hai hoặc nhiều ruột dẫn. 0,2a,b,c 0,2 a,b,c
Các ruột dẫn được nối đến bộ điều khiển SELV có hai hoặc nhiều ruột dẫn < 0,2 (không có giá trị nhỏ nhất) d,e,g,h < 0,2 (không có giá trị nhỏ nhất) d,e,g,h

a Với điều kiện khả năng mang dòng và đặc tính cơ khí là thích hợp.

b Có khả năng chịu được dòng điện bình thường và dòng điện ngắn mạch do bộ điều khiển đi kèm cung cấp.

c Kiểm tra sự phù hợp bằng cách xem xét và bằng thử nghiệm trong 5.2.10.

d Được chọn theo dòng điện lớn nhất có sẵn, kiểm tra sự phù hợp bằng thử nghiệm trong 5.4.1.

e Điện áp ra của bộ điều khiển trong điều kiện mang tải không vượt quá 25 V hiệu dụng hoặc 60 V một chiều không nhấp nhô và điện áp không tải không vượt quá 35 V đỉnh hoặc 60 V một chiều không nhấp nhô.

f Điện áp ra của bộ điều khiển không quá 12 V hiệu dụng hoặc 30 V một chiều không nhấp nhô.

g Để kiểm tra đặc tính cơ, cụm lắp ráp ruột dẫn, cố định vào đèn điện, phải chịu thử nghiệm trong 5.2.10.3.

h Chiều dài cách điện nhỏ nhất phải được chọn để chịu được ứng suất điện áp, xem Bảng X.1.

i TCVN 6612 (IEC 60228) quy định rằng yêu cầu kèm theo tiết diện ruột dẫn danh nghĩa là giá trị điện trở nhỏ nhất mà không phải là số đo vật lý của tiết diện. Đối với tiết diện ruột dẫn danh nghĩa bằng 0,5 mm2 hoặc lớn hơn, các giá trị này được liệt kê trong tiêu chuẩn. Đối với các tiết diện nhỏ hơn, giá trị điện trở cần được tính toán tương ứng.

Cáp bên ngoài của đèn điện cấp III hoặc mạch SELV trong đèn điện hoặc được sử dụng cho đấu nối SELV giữa các bộ phận của đèn điện khác, có dòng điện danh định lớn nhất không vượt quá 2 mA, có thể có tiết diện nhỏ hơn 0,75 mm2 hoặc 1,0 mm2, nhưng không nhỏ hơn 0,4 mm2, với điều kiện có đủ khả năng mang dòng và đặc tính cơ. Cáp có hai hoặc nhiều ruột dẫn có thể có tiết diện của từng ruột dẫn tối thiểu là 0,2 mm2 nếu cáp có thể chịu được dòng điện bình thường và dòng điện ngắn mạch do bộ điều khiển đi kèm cung cấp.

Kiểm tra sự phù hợp bằng cách xem xét và bằng thử nghiệm trong 5.2.10.

5.2.3 Trong trường hợp dây nguồn được cung cấp cùng đèn điện, nó phải được nối vào đèn điện bằng một trong các phương pháp sau đây:

– nối dây kiểu X;

– nối dây kiểu Y;

– nối dây kiểu Z.

5.2.4 Kiểm tra sự phù hợp với các yêu cầu ở 5.2.1 đến 5.2.3 bằng cách xem xét và nếu cần, bằng cách lắp cáp hoặc dây mềm thích hợp.

5.2.5 Đầu nối bên trong đèn điện sử dụng nối dây kiểu Z không được thực hiện bằng mối nối bắt ren.

5.2.6 Lối vào cáp phải thích hợp để luồn ống hoặc vỏ bảo vệ của cáp hoặc dây mềm vào sao cho các lõi được bảo vệ hoàn toàn và lối vào cáp phải có bảo vệ chống bụi hoặc hơi ẩm theo phân loại đèn điện khi đã lắp ống, cáp hoặc dây mềm.

5.2.7 Lối vào cáp để cáp hoặc dây mềm đi qua nếu là vật liệu cứng thì các gờ phải lượn tròn nhẵn có bán kính nhỏ nhất là 0,5 mm.

Kiểm tra sự phù hợp với các yêu cầu ở 5.2.5 đến 5.2.7 bằng cách xem xét và thử nghiệm bằng tay.

5.2.8 Ở đèn điện cấp II, đèn điện điều chỉnh được hoặc đèn điện di động không phải loại lắp trên tường, nếu cáp hoặc dây mềm khi vào hoặc ra khỏi đèn điện đi qua bộ phận kim loại chạm tới được hoặc bộ phận kim loại tiếp xúc với bộ phận kim loại chạm tới được thì phải có lỗ cùng với ống lót bền bằng vật liệu cách điện có gờ lượn tròn, nhẵn, được cố định sao cho không dễ dàng tháo ra được. Ống lót làm bằng vật liệu có thể bị hư hại theo thời gian không được sử dụng trong các lỗ có gờ sắc.

CHÚ THÍCH 1 : Khái niệm “ống lót dễ tháo rời” được sử dụng để mô tả ống lót có thể được kéo ra khỏi nơi lắp đặt do chuyển động của đèn điện trong suốt tuổi thọ của nó hoặc do thao tác thiếu cẩn thận. Ví dụ về các phương tiện cố định chấp nhận được gồm có sử dụng đai ốc hãm, chất dính thích hợp như nhựa tự cứng hoặc lắp khít đúng kích cỡ.

CHÚ THÍCH 2: Ví dụ về các vật liệu bị hư hại theo thời gian là cao su tự nhiên.

Nếu ống hoặc các che chắn khác được cung cấp để bảo vệ cáp hoặc dây mềm ở lối vào đèn điện thì chúng phải là vật liệu cách điện.

Lò xo xoắn ốc bằng kim loại và các linh kiện tương tự không phải là che chắn bảo vệ kể cả khi được bọc vật liệu cách điện.

Kiểm tra sự phù hợp bằng cách xem xét.

5.2.9 Ống lót được vặn ren vào đèn điện phải được hãm vào vị trí. Nếu ống lót được cố định bằng chất dính thì nó phải là loại nhựa tự cứng.

Kiểm tra sự phù hợp bằng cách xem xét.

5.2.10 Đèn điện có hoặc được thiết kế để sử dụng với dây nguồn hoặc cáp hoặc dây mềm bên ngoài khác phải có cơ cấu chặn dây sao cho ruột dẫn không phải chịu kéo căng, kể cả bị xoắn tại chỗ được nối vào các đầu nối và sao cho vỏ bọc được bảo vệ không bị mài mòn. Cách thức để giảm nhẹ kéo căng và chống xoắn dự kiến phải rõ ràng. Đối với đèn điện không được cung cấp cáp hoặc dây nguồn, phải sử dụng cáp hoặc dây thử nghiệm thích hợp có kích cỡ lớn nhất và nhỏ nhất do nhà chế tạo khuyến cáo để thử nghiệm.

Phải không thể ấn cáp hoặc dây mềm vào trong đèn điện đến mức mà cáp hoặc dây phải chịu ứng suất cơ hoặc nhiệt quá mức. Không được sử dụng các phương pháp như thắt nút cáp hoặc dây hoặc buộc các đầu thành chuỗi.

Cơ cấu chặn dây phải là vật liệu cách điện hoặc có lớp lót cách điện cố định để nếu có sự cố cách điện trên cáp hoặc dây thì các bộ phận kim loại chạm tới được không trở nên mang điện.

5.2.10.1 Cơ cấu chặn dây dùng cho nối dây kiểu X phải có kết cấu và có vị trí sao cho:

a) ít nhất có một bộ phận được cố định vào hoặc được lắp liền với đèn điện;

CHÚ THÍCH: Cơ cấu chặn dây được mô tả là cố định vào hoặc được giữ chặt vào đèn điện khi dây dẫn đã được luồn vào và đèn điện được lắp ráp hoàn chỉnh.

b) thích ứng với các loại dây nguồn khác nhau và thích hợp để nối vào đèn điện, trừ khi đèn điện chỉ cho phép lắp với một loại cáp hoặc dây duy nhất;

c) không làm hỏng dây nguồn và ít có khả năng bị hỏng khi được xiết chặt hoặc nới lỏng trong sử dụng bình thường;

d) có khả năng tiếp nhận toàn bộ dây nguồn cùng với vỏ bọc của nó, nếu có, vào cơ cấu chặn dây;

e) dây nguồn không chạm tới các vít kẹp của cơ cấu chặn dây nếu các vít này bằng kim loại, chạm tới được hoặc nối điện với các bộ phận kim loại chạm tới được;

f) dây nguồn không được kẹp bằng vít kim loại để trực tiếp lên cáp hoặc dây nguồn;

g) thay dây nguồn không yêu cầu sử dụng dụng cụ chuyên dụng.

Không được sử dụng miếng đệm làm cơ cấu chặn dây ở đèn điện di động hoặc đèn điện điều chỉnh được, trừ khi có phương tiện để kẹp tất cả các loại và các cỡ cáp hoặc dây được sử dụng để đấu nối nguồn. Có thể sử dụng cơ cấu chặn dây kiểu chữ chi nếu hiển nhiên từ thiết kế hoặc bằng phương pháp biểu thị thích hợp chứng tỏ cáp hoặc dây mềm được lắp đặt như thế nào.

Kiểm tra sự phù hợp bằng thử nghiệm ở 5.2.10.3.

5.2.10.2 Đối với nối dây kiểu Y và kiểu Z phải có đủ cơ cấu chặn dây.

Kiểm tra sự phù hợp bằng thử nghiệm ở 5.2.10.3. Thử nghiệm được thực hiện trên cáp hoặc dây được cung cấp cùng đèn điện.

5.2.10.3 Kiểm tra sự phù hợp bằng cách xem xét và bằng các thử nghiệm dưới đây, được thực hiện với cáp hoặc dây lắp vào đèn điện như được giao.

Ruột dẫn được luồn vào các đầu nối và các vít đầu nối, nếu có, được xiết chặt, đủ để ruột dẫn không dễ dàng thay đổi vị trí của chúng.

Sử dụng cơ cấu chặn dây theo cách thông thường, các vít kẹp, nếu có, được xiết chặt với mômen bằng 2/3 giá trị quy định trong Bảng 4.1.

Sau chuẩn bị này, cáp hoặc dây không thể bị đẩy sâu vào trong đèn điện theo cách tạo ra chuyển động của cáp hoặc dây tại các đầu nối hoặc làm cho cáp hoặc dây tiếp xúc với bộ phận chuyển động được hoặc bộ phận làm việc ở nhiệt độ cao hơn nhiệt độ cho phép đối với cách điện của ruột dẫn.

Sau đó, cáp hoặc dây phải chịu 25 lần kéo với giá trị chỉ ra trong Bảng 5.2.

Trong và sau thử nghiệm trên, ruột dẫn không được dịch chuyển nhận thấy được trong các đầu nối và cáp hoặc dây không được hỏng.

Trong và sau các thử nghiệm nêu trên, dây dẫn không được dịch chuyển đáng kể trong các đầu nối và cáp hoặc dây nguồn không được bị hỏng. Nếu có thể giả thiết rằng các đầu nối làm việc một phần như cơ cấu chắn dây (ví dụ vì các dây dẫn giữa cơ cấu chặn dây và đầu nối được gắn với nhau) thì phải lắp lại thử nghiệm với đấu nối để hở giữa các dây dẫn và đầu nối để đảm bảo chức năng của cơ cấu chặn dây không phụ thuộc vào mối nối điện.

Bảng 5.2 – Thử nghiệm cơ cấu chặn dây

Tổng tiết diện danh nghĩa của tất cả các ruột dẫn gộp với nhau Lực kéo Mômen xoắn
mm2 N Nm
Đến và bằng 0,4 30
Trên 0,4 đến và bằng 0,75 30 0,08
Trên 0,75 đến và bằng 1,5 60 0,15
Trên 1,5 đến và bằng 3 60 0,25
Trên 3 đến và bằng 5 80 0,35
Trên 5 đến và bằng 8 120 0,35

5.2.11 Nếu dây đi bên ngoài đi vào trong đèn điện thì nó phải tuân thủ các yêu cầu thích hợp đối với dây đi bên trong.

Kiểm tra sự phù hợp bằng các thử nghiệm ở 5.3.

5.2.12 Đèn điện cố định để đi dây nguồn song song phải được cung cấp các đầu nối được thiết kế để duy trì tính liên tục về điện của cáp nguồn cấp điện cho đèn điện mà không bị gián đoạn.

Kiểm tra sự phù hợp bằng cách xem xét.

5.2.13 Các đầu của ruột dẫn bện mềm có thể tráng thiếc nhưng không được có thêm chất hàn trừ khi có phương tiện để đảm bảo rằng các mối nối kẹp không bị nới lỏng do chảy nguội chất hàn (xem Hình 28).

VÍ DỤ: Yêu cầu này được đáp ứng khi sử dụng các đầu nối có lò xo. Xiết chặt bằng vít kẹp là không đủ để ngăn ngừa mối nối của dây bện tráng thiếc không bị nới lỏng do chảy nguội chất hàn.

5.2.14 Nếu phích cắm được nhà chế tạo cung cấp cùng đèn điện thì phích cắm phải có cùng cấp bảo vệ chống điện giật và cấp bảo vệ chống sự xâm nhập của bụi, vật rắn và hơi ẩm như đèn điện.

Phích cắm kiểu đúc liền đáp ứng thích hợp đối với các yêu cầu IP của đèn điện không thuộc loại đèn điện thông dụng được thiết kế để sử dụng trong gia đình.

Ở một số nước (Anh và Úc), trong đó, quy định quốc gia yêu cầu lắp một số loại phích cắm không cần có cấp bảo vệ bằng vỏ ngoài yêu cầu, nhà chế tạo đèn điện phải cung cấp hướng dẫn thích hợp để nối với nguồn, đảm bảo cấp bảo vệ tương đương chống sự xâm nhập có hại của bụi và hơi ẩm nếu phích cắm được trang bị cho đèn điện.

Đèn điện cấp III không được có phích cắm nối được với ổ cắm theo IEC/TR 60083 hoặc ổ cắm hoặc phích cắm thiết bị vào nguồn lưới theo TCVN 10899 (IEC 60320).

Không được có sự tương thích không an toàn giữa bộ nối dùng cho thiết bị cấp II và thiết bị cấp III với các hệ thống quy định trong các tờ rời tiêu chuẩn của TCVN 10899 (IEC 60320) và với hệ thống phích cắm và ổ cắm của quốc gia lắp đặt đèn điện đó.

Trong trường hợp biến áp cách ly an toàn được phân phối cùng đèn điện có dòng điện danh định ≤ 3 A và điện áp danh định ≤ 25 V xoay chiều hoặc 60 V một chiều và công suất không vượt quá 72 W, phích cắm và ổ cắm dùng cho đèn điện cấp III chỉ cần tuân thủ các yêu cầu dưới đây:

– phích cắm không cắm được vào ổ cắm có hệ thống điện áp khác (theo IEC 60083);

– ổ cắm không tiếp nhận được phích cắm của hệ thống điện áp khác;

– ổ cắm không được có tiếp điểm nối đất bảo vệ.

Đối với hệ thống phích cắm và ổ cắm cụ thể, không áp dụng thử nghiệm ép viên bi cho trong Mục 13.

5.2.15 Chưa sử dụng.

5.2.16 Ổ cắm đầu vào thiết bị sử dụng nguồn lưới xoay chiều lắp trong đèn điện phải phù hợp với các yêu cầu của TCVN 10899 (IEC 60320). Đối với đèn điện lắp cố định, cho phép sử dụng bộ nối lắp đặt theo IEC 61535 để thay thế. Trong trường hợp này, phải kiểm tra xác nhận rằng các điều kiện sử dụng theo khuyến cáo của nhà chế tạo bộ nối phải được tuân thủ (IEC 61535:2009, Điều 8.6). Cho phép sử dụng ổ cắm đầu vào thiết bị hoặc hệ thống bộ nối khác nếu chúng phù hợp với tiêu chuẩn liên quan và được sử dụng phù hợp với mục đích sử dụng và thông số đặc trưng của nó.

Kiểm tra sự phù hợp với các yêu cầu ở 5.2.13 đến 5.2.16 bằng cách xem xét.

CHÚ THÍCH: TCVN 10899 (IEC 60320) cho phép các cấu hình khác không phù hợp với tờ rời dữ liệu tiêu chuẩn.

5.2.17 Cáp nối liên kết, nếu không phải là cáp có vỏ bọc và cách điện được tiêu chuẩn hóa thì phải có cụm lắp ráp được định rõ do nhà chế tạo đèn điện thực hiện có dây đi bên trong ống bọc ngoài, ống cứng hoặc kết cấu tương đương.

5.2.18 Tất cả các đèn điện di động và đèn điện cố định hoặc đèn điện được thiết kế để nối với nguồn qua ổ cắm, phải được lắp với phích cắm phù hợp với IEC 60083 hoặc theo tiêu chuẩn khu vực hoặc tiêu chuẩn quốc gia trong trường hợp thuộc đối tượng áp dụng, thích hợp với phân loại của đèn điện.

Kiểm tra sự phù hợp bằng cách xem xét.

5.3 Dây đi bên trong

5.3.1 Dây đi bên trong phải bằng các ruột dẫn có kích cỡ và loại thích hợp để phát huy công suất xuất hiện trong sử dụng bình thường. Cách điện của dây phải bằng vật liệu có khả năng chịu điện áp và nhiệt độ lớn nhất phải chịu, mà không ảnh hưởng đến an toàn khi được lắp đặt và nối với nguồn lưới đúng.

Nếu cáp là loại cách điện phổ biến (PVC hoặc cao su) được sử dụng làm dây dẫn đi qua thì không cần phân phối cáp cùng với đèn điện nếu cách lắp đặt được nhà chế tạo hướng dẫn rõ ràng. Tuy nhiên, nếu cần cáp hoặc ống lót đặc biệt, ví dụ, do nhiệt độ cao thì việc đi dây nguồn qua đèn điện phải luôn được lắp ráp tại nhà máy. Yêu cầu ở 3.3.3 c) phải được tính đến trong trường hợp này.

Chỉ sử dụng sợi dây màu xanh và vàng để nối đất.

CHÚ THÍCH Giới hạn nhiệt độ đối với cách điện được nêu trong Bảng 12.

Ống bọc ngoài phù hợp với 4.9.2 thích hợp để bảo vệ ở các điểm nóng.

Kiểm tra sự phù hợp bằng cách xem xét và thử nghiệm dưới đây, sau thử nghiệm nhiệt độ và thử nghiệm gia nhiệt ở Mục 12.

Ổ cắm, nếu có, được mang tải ở giá trị công bố do nhà chế tạo quy định và nếu không công bố thì được mang tải với dòng điện danh định ở điện áp danh định của ổ cắm.

Khi đạt đến các điều kiện ổn định, tăng điện áp cho đến khi xuất hiện công suất vượt quá 5 %, hoặc quá điện áp 6 % (tùy thuộc vào loại bóng đèn).

Khi đạt đến các điều kiện ổn định mới, tất cả nhiệt độ trên các phụ kiện, cáp, v.v… có thể bị ảnh hưởng do tự gia nhiệt của ruột dẫn phải được kiểm tra theo các yêu cầu ở 12.4.

5.3.1.1 Đối với hệ thống đi dây kể cả đầu dây chờ nối để nối trực tiếp vào dây đi cố định, ví dụ, qua khối đầu nối, và việc ngắt khỏi nguồn dựa vào (các) thiết bị bảo vệ bên ngoài thì áp dụng như dưới đây.

Đối với dòng điện làm việc bình thường lớn hơn hoặc bằng 2 A:

– tiết diện danh nghĩa: tối thiểu là 0,5 mm2,

– đối với việc đi dây nguồn qua đèn điện của đèn điện cố định: tối thiểu là 1,5 mm2,

– chiều dày cách điện danh nghĩa: nhỏ nhất là 0,6 mm (PVC hoặc cao su).

Đối với dây có bảo vệ về cơ mang dòng điện làm việc bình thường thấp hơn 2 A:

– tiết diện danh nghĩa: tối thiểu là 0,4 mm2,

– chiều dày cách điện danh nghĩa: tối thiểu là 0,5 mm (PVC hoặc cao su).

Dây có bảo vệ về cơ yêu cầu được xem là đủ khi cách điện bổ sung được thêm vào các vị trí dưới đây khi cách điện của sợi dây có thể bị hư hại:

– trong các lỗ nhỏ của ống mà trong quá trình chế tạo sợi dây trượt qua,

– khi sợi dây uốn sát xung quanh kim loại không được xử lý đặc biệt để tạo ra các mép nhẵn.

5.3.1.2 Đối với dây để nối với dây đi cố định qua cơ cầu giới hạn dòng điện bên trong và giới hạn dòng điện lớn nhất đến 2 A, ví dụ, cơ cấu khống chế dòng điện của bóng đèn, cơ cấu cắt mạch điện, cầu chảy, trở kháng bảo vệ hoặc biến áp cách ly, áp dụng các yêu cầu dưới đây:

– tiết diện tối thiểu có thể nhỏ hơn 0,4 mm2 nếu cách điện ruột dẫn được ngăn ngừa quá nhiệt trong các điều kiện làm việc bình thường hoặc ngắn mạch theo các thử nghiệm của 5.4;

– chiều dày cách điện nhỏ nhất có thể nhỏ hơn 0,5 mm (PVC hoặc cao su) phải được chọn liên quan đến xuất hiện ứng suất điện áp, xem Bảng X.1;

– thông số đặc trưng giới hạn dòng điện của thiết bị bảo vệ phải là đặc tính đã được chứng minh của thiết bị được sử dụng.

CHÚ THÍCH: Xem thêm Điều 0.5.

5.3.1.3 Ở đèn điện cấp II khi dây đi bên trong có ruột dẫn mang điện và các bộ phận kim loại chạm tới được trong các điều kiện làm việc bình thường thì ít nhất tại vị trí tiếp xúc, cách điện phải phù hợp với các yêu cầu của cách điện kép hoặc cách điện tăng cường liên quan đến ứng suất điện áp, ví dụ bằng cách sử dụng cáp có bọc hoặc ống lót.

5.3.1.4 Ruột dẫn không có cách điện có thể được sử dụng với điều kiện là có đủ các phòng ngừa để đảm bảo phù hợp với các yêu cầu của chiều dài đường rò và khe hở không khí ở Mục 11 có xét đến cấp bảo vệ ở Mục 2.

5.3.1.5 Bộ phận mang dòng SELV không phải cách điện. Tuy nhiên, nếu có cách điện thì chúng phải được thử nghiệm như đề cập ở Mục 10.

5.3.1.6 Khi sử dụng vật liệu cách điện có đặc tính cách điện hoặc đặc tính cơ cao hơn PVC hoặc cao su thì phải chọn chiều dày cách điện cho cùng cáp bảo vệ.

5.3.2 Dây đi bên trong phải được đặt hoặc bảo vệ sao cho không bị hư hại do các gờ sắc, đinh tán, vít và linh kiện tương tự, hoặc do các bộ phận chuyển động của cơ cấu đóng cắt, khớp, cơ cấu nâng hạ, ống lồng và bộ phận tương tự. Dây dẫn không được bị xoắn dọc trục của cáp quá 360°.

Kiểm tra sự phù hợp bằng cách xem xét (xem thêm 4.14.4 và 4.14.5) và phù hợp với thử nghiệm ở 4.14.3.

5.3.3 Nếu ở đèn điện cấp II, đèn điện điều chỉnh được hoặc đèn điện di động không phải loại lắp trên tường, dây đi bên trong đi qua các bộ phận kim loại chạm tới được hoặc bộ phận kim loại tiếp xúc với bộ phận kim loại chạm tới được thì phải có lỗ cùng với ống lót bền bằng vật liệu cách điện có gờ lượn tròn, nhẵn, được cố định sao cho nó không dễ dàng tháo ra được, ống lót làm bằng vật liệu có thể bị hư hại theo thời gian không được sử dụng trong các lỗ có gờ sắc.

CHÚ THÍCH 1 : Khái niệm “ống lót dễ tháo rời” được sử dụng để mô tả ống lót có thể được kéo ra khỏi nơi lắp đặt do dịch chuyển của đèn điện trong suốt tuổi thọ của nó hoặc do thao tác thiếu cẩn thận. Ví dụ về các phương tiện cố định chấp nhận được gồm có sử dụng đai ốc hãm, chất dính thích hợp như nhựa tự cứng hoặc lắp khít đúng kích cỡ.

CHÚ THÍCH 2: Ví dụ về các vật liệu bị hư hại theo thời gian là cao su tự nhiên.

Nếu các lỗ của lối vào cáp có gờ lượn tròn nhẵn và khi vận hành không yêu cầu tháo dây đi bên trong thì yêu cầu này được đáp ứng bằng cách sử dụng vỏ bọc bảo vệ riêng rẽ lên cáp loại không có vỏ bọc bảo vệ đặc biệt hoặc bằng cách sử dụng cáp có kết hợp vỏ bọc bảo vệ.

5.3.4 Đầu nối và mối nối ở dây đi bên trong, trừ các đầu nối với linh kiện, phải được bọc cách điện không kém hiệu quả so với cách điện của dây dẫn.

Kiểm tra sự phù hợp bằng các yêu cầu ở 5.3.3 và 5.3.4 bằng cách xem xét.

5.3.5 Trong trường hợp dây đi bên trong đi ra bên ngoài đèn điện và thiết kế cho thấy dây đi này có thể phải chịu kéo căng thì áp dụng các yêu cầu đối với dây đi bên ngoài. Không áp dụng các yêu cầu đối với dây đi bên ngoài cho dây đi bên trong của đèn điện thông thường có chiều dài bên ngoài của đèn điện nhỏ hơn 80 mm. Đối với đèn điện không phải loại thông thường, tất cả các dây đi bên ngoài vỏ đèn phải phù hợp với các yêu cầu của dây đi bên ngoài.

Kiểm tra sự phù hợp bằng cách xem xét, đo và nếu thích hợp, phù hợp với các thử nghiệm ở 5.2.10.1.

5.3.6 Dây đi của đèn điện điều chỉnh được phải được cố định bằng vật mang sợi dây, kẹp hoặc bộ phận tương tự bằng vật liệu cách điện ở mọi vị trí mà nó có thể cọ xát vào bộ phận kim loại khi đèn điện được điều chỉnh bình thường theo cách làm cách điện có thể bị hư hại.

5.3.7 Các đầu của ruột dẫn bện mềm có thể tráng thiếc nhưng không được có thêm chất hàn trừ khi có cung cấp phương tiện để đảm bảo rằng các mối nối kẹp không bị nới lỏng do chảy nguội chất hàn (xem Hình 28).

CHÚ THÍCH: Yêu cầu này được đáp ứng khi sử dụng các đầu nối đàn hồi. Xiết chặt vít kẹp là không đủ để ngăn ngừa mối nối dây bện có thiếc hàn không bị nới lỏng do chảy nguội chất hàn.

Kiểm tra sự phù hợp với các yêu cầu ở 5.3.6 và 5.3.7 bằng cách xem xét.

5.4 Thử nghiệm để xác định sự phù hợp của ruột dẫn có tiết diện giảm

Để xác định sự phù hợp của ruột dẫn có tiết diện giảm, được nối với bộ điều khiển giới hạn dòng điện ở 2 A, phải thực hiện thử nghiệm dưới đây;

a) ngắt các ruột dẫn được đánh giá là gần nguồn sáng trong đèn điện và gắn tải thuần trở sử dụng các dây dẫn thử nghiệm có tiết diện nhỏ nhất là 1 mm2; các dây dẫn này phải được đi ra khỏi đèn điện theo cách gây tác động ít nhất lên nhiệt độ trong đèn điện;

b) điều chỉnh tải thuần trở để đo dòng điện ra lớn nhất của bộ điều khiển, dòng điện lớn nhất đo được không được vượt quá 2,5 A;

c) với tải thuần trở được thiết lập để vẽ dòng điện ra lớn nhất, thực hiện thử nghiệm nhiệt theo 12.4 (xem Hình 33);

d) sau đó tải thuần trở được đặt về 0 Ω (ngắn mạch) và lặp lại thử nghiệm nhiệt theo 12.4 (xem Hình 33);

Trong mọi trường hợp, nhiệt độ của cách điện dây dẫn của đèn điện không được vượt quá các giới hạn nêu trong Bảng 12.2 và không được có hư hại bất kỳ đến dây dẫn của đèn điện.

CHÚ DẪN

1 Bộ điều khiển 6 Dây đi bên ngoài
2 Hệ thống đo nhiệt bằng nhiệt ngẫu 7 Dây đi bên trong
3 Đèn điện 8 Dây thử nghiệm
4 Nguồn sáng 9 Tải thuần trở
5 Thiết bị đo dòng điện    

CHÚ THÍCH: Bộ điều khiển có thể nằm bên trong đèn điện.

Tải thuần trở thuộc loại điều chỉnh được và có khả năng điều chỉnh về điện trở 0 Ω.

Hình 33 – Thử nghiệm để xác định sự phù hợp của các ruột dẫn có tiết diện giảm

Mục 6: Chưa sử dụng

Mục 7: Quy định cho nối đất

7.1 Quy định chung

Mục này quy định các yêu cầu đối với nối đất đèn điện, trong trường hợp thuộc đối tượng áp dụng.

7.2 Quy định cho nối đất

7.2.1 Bộ phận kim loại chạm tới được của đèn điện cấp I khi đèn điện được lắp đặt hoặc được mở ra để thay bóng đèn hoặc thay tắcte hoặc để làm sạch và có thể trở nên mang điện trong trường hợp hỏng cách điện phải được nối cố định và tin cậy đến đầu nối đất hoặc tiếp điểm nối đất.

Bộ phận kim loại được che chắn với bộ phận mang điện bằng các phần kim loại mà các phần kim loại này được nối tới đầu nối đất hoặc tiếp điểm nối đất và bộ phận kim loại tách rời các bộ phận mang điện bằng cách điện kép hoặc cách điện tăng cường thì đối với yêu cầu này, chúng không được coi là có thể trở nên mang điện trong trường hợp hỏng cách điện.

CHÚ THÍCH 1: Nếu bóng đèn bị vỡ trong quá trình thay bóng đèn thì vỡ bóng đèn không được xem là sự cố cách điện theo điều 7.2.1 này vì bóng đèn trong trường hợp này không được xem là một phần của đèn điện (để rõ ràng, xem 0.4.2 và đoạn thứ tư của 8.2.3).

Bộ phận kim loại của đèn điện có thể trở nên mang điện trong trường hợp hỏng cách điện và không chạm tới được khi lắp đặt đèn điện nhưng có khả năng trở nên tiếp xúc với bề mặt đỡ phải được nối cố định và tin cậy đến đầu nối đất.

CHÚ THÍCH 2: Không yêu cầu nối đất tắcte và đầu đèn nhưng nối đất đầu đèn có thể cần để hỗ trợ khởi động. Mối nối đất phải có điện trở nhỏ.

Có thể sử dụng vít tạo ren để đấu nối đất liên tục với điều kiện là chúng phù hợp với các yêu cầu nêu trong 4.12.1.

Vít cắt ren cũng có thể được sử dụng để nối đất.

Sử dụng vít cắt ren trong rãnh bằng vật liệu kim loại có thể đấu nối đất liên tục cho đèn điện nếu đạt được tất cả các thử nghiệm yêu cầu liên quan đến nối đất trong tiêu chuẩn này. Xem Hình 30.

Đối với đèn điện cấp I có các bộ phận tháo rời được có bộ nối hoặc cơ cấu đấu nối tương tự, phải thực hiện nối đất trước khi các tiếp điểm mang dòng được nối và tiếp điểm mang dòng phải tách ra trước khi mối nối nối đất bị đứt.

Đối với khối đầu nối có tiếp điểm nối đất kiểu không bắt ren lắp liền, áp dụng các thử nghiệm bổ sung ở Phụ lục V.

Cho phép nối đất bộ điều khiển lắp liền bằng phương tiện cố định bộ điều khiển với phần kim loại nối đất của đèn điện. Nối với đất bảo vệ của đèn điện thông qua bộ điều khiển lắp liền là không được phép.

7.2.2 Các bề mặt trong mối nối điều chỉnh được, ống lồng, v.v…, dùng để nối đất liên tục, phải đảm bảo tiếp xúc điện tốt.

7.2.3 Kiểm tra sự phù hợp với các yêu cầu ở 7.2.1 và 7.2.2 bằng cách xem xét và bằng thử nghiệm dưới đây:

Dòng điện tối thiểu 10 A, lấy từ nguồn có điện áp không tải không vượt quá 12 V, được cho đi qua giữa đầu nối đất hoặc tiếp điểm nối đất và lần lượt từng bộ phận kim loại chạm tới được.

Phải đo điện áp rơi giữa đầu nối đất hoặc tiếp điểm nối đất và bộ phận kim loại chạm tới được và điện trở được tính từ dòng điện và điện áp rơi này. Trong mọi trường hợp, điện trở không được vượt quá 0,5 Ω. Khi thử nghiệm điển hình, phải đặt dòng điện này trong thời gian tối thiểu 1 min.

CHÚ THÍCH: Trong trường hợp đèn điện có dây nguồn, tiếp điểm nối đất nằm ở phích cắm hoặc ở đầu cung cấp của cáp hoặc dây mềm.

7.2.4 Đầu nối đất phải phù hợp với các yêu cầu ở 4.7.3. Việc nối phải được hãm đủ để chống nới lỏng. Đối với đầu nối bắt ren, không thể nới lỏng phương tiện kẹp bằng tay.

Đối với đầu nối không bắt ren, không thể nới lỏng phương tiện kẹp không chủ ý.

Kiểm tra sự phù hợp bằng cách xem xét, thử nghiệm bằng tay và thử nghiệm quy định ở 4.7.3.

CHÚ THÍCH: Nói chung, các thiết kế thường sử dụng cho các đầu nối mang dòng cung cấp có đủ độ đàn hồi phù hợp với yêu cầu này; với các thiết kế khác, có thể sử dụng các phương tiện đặc biệt, như sử dụng bộ phận đàn hồi thích hợp ít có khả năng bị tuột ra một cách không chủ ý.

Đối với khối đầu nối có tiếp điểm nối đất không bắt ren lắp liền, áp dụng các thử nghiệm ở Phụ lục V.

7.2.5 Đối với đèn điện có bộ nối dạng lỗ để cấp nguồn, tiếp điểm nối đất phải là phần không tách rời của ổ cắm.

7.2.6 Đối với đèn điện được nối với cáp nguồn (dây đi cố định) hoặc nối với dây nguồn, đầu nối đất phải ở bên cạnh đầu nối nguồn lưới.

CHÚ THÍCH: Đèn điện có thể được cung cấp nối dây kiểu X hoặc kiểu Y.

7.2.7 Đối với đèn điện không phải đèn điện thông thường, tất cả các bộ phận của đầu nối đất phải sao cho giảm thiểu nguy cơ ăn mòn điện phân do tiếp xúc với dây nối đất hoặc các kim loại khác tiếp xúc với chúng.

7.2.8 Vít hoặc bộ phận khác của đầu nối đất phải làm bằng đồng thau hoặc kim loại không gỉ hoặc vật liệu có bề mặt không gỉ và các bề mặt tiếp xúc phải là kim loại trần.

7.2.9 Kiểm tra sự phù hợp với các yêu cầu ở 7.2.5 đến 7.2.8 bằng cách xem xét và bằng thử nghiệm bằng tay.

7.2.10 Nếu đèn điện cấp II loại cố định được thiết kế để đi dây nguồn song song có (các) đầu nối bên trong để duy trì tính liên tục về điện của dây nối đất không đấu nối trong đèn điện thì (các) đầu nối này phải được cách điện với bộ phận kim loại chạm tới được bằng cách điện kép hoặc cách điện tăng cường.

Nếu đèn điện cấp II loại cố định có mối nối đất dùng cho mục đích chức năng, ví dụ để đi dây nguồn song song, hỗ trợ khởi động của bóng đèn hoặc tránh nhiễu tần số rađiô thì mạch nối đất chức năng phải được cách ly với các bộ phận mang điện hoặc bộ phận kim loại chạm tới được bằng cách điện kép hoặc cách điện tăng cường.

Kiểm tra sự phù hợp bằng cách xem xét.

7.2.11 Nếu đèn điện cấp I được cấp điện bằng dây nguồn thì lõi nối đất phải có màu xanh lá cây-vàng.

Lõi màu xanh lá cây-vàng của dây nguồn phải được nối với tiếp điểm nối đất của đèn điện và nối với tiếp điểm nối đất của phích cắm nếu có phích cắm gắn cùng.

Tất cả các dây dẫn, ở bên ngoài hoặc bên trong, được nhận biết bằng phối hợp màu xanh lá cây và vàng phải được nối với đầu nối đất.

Đối với đèn điện có dây nguồn, bố trí các đầu nối, hoặc chiều dài của dây dẫn giữa cơ cấu chặn dây và các đầu nối phải sao cho nếu cáp hoặc dây tuột ra khỏi cơ cấu chặn dây thì dây dẫn mang dòng bị kéo căng trước dây nối đất.

Kiểm tra sự phù hợp bằng cách xem xét.

Mục 8: Bảo vệ chống điện giật

8.1 Quy định chung

Mục này quy định cách yêu cầu đối với bảo vệ chống điện giật xuất phát từ đèn điện. Thử nghiệm xác định một bộ phận dẫn là bộ phận mang điện có thể gây ra điện giật được mô tả trong Phụ lục A.

8.2 Bảo vệ chống điện giật

8.2.1 Đèn điện phải có kết cấu sao cho các bộ phận mang điện của nó không chạm tới được khi đèn điện được lắp đặt và đi dây như trong sử dụng bình thường và khi cần phải mở ra để thay bóng đèn hoặc tắcte (thay thế được), ngay cả khi hoạt động này không thực hiện được bằng tay. Không được lợi dụng bộ phận có cách điện chính ở bề mặt bên ngoài của đèn điện mà không có bảo vệ thích hợp chống tiếp xúc ngẫu nhiên.

CHÚ THÍCH 1: Ví dụ về bộ phận có cách điện chính là cáp được thiết kế để đi dây bên trong, bộ điều khiển để lắp trong, v.v…

Trong trường hợp nắp bảo vệ được sử dụng phía ngoài nguồn sáng không thay thế được bởi người sử dụng được theo Điều 4.30 thì nắp này phải được để đúng vị trí trong các thử nghiệm và kiểm tra bằng mục này.

Không cho phép ngón tay thử nghiệm tiêu chuẩn chạm tới các bộ phận mang điện khi đèn điện đã được lắp đặt và/hoặc lắp ráp để sử dụng bình thường, ngoài ra, trong cùng một điều kiện:

– đối với đèn điện di động và đèn điện điều chỉnh được, không chạm được vào các bộ phận cách điện chính bằng ngón tay thử nghiệm tiêu chuẩn, và

– đối với đèn điện lắp trên tường, trong tầm với, không chạm được vào bộ phận cách điện chính từ phía ngoài đèn điện bằng đầu dò Ø 50 mm theo Hình 1 của IEC 61032:1997.

Đui đèn và đui tắcte, nếu sử dụng trong đèn điện di động và đèn điện điều chỉnh được và nếu chạm tới được như quy định ở trên, phải phù hợp với thử nghiệm độ bền điện và các yêu cầu về chiều dài đường rò và khe hở không khí đối với cách điện kép hoặc cách điện tăng cường.

CHÚ THÍCH 2: Có thể chỉ đạt được đủ chiều dài đường rò và khe hở không khí cho bề mặt chạm tới được bên ngoài sau khi lắp đui đèn và đui tắcte vào đèn điện.

CHÚ THÍCH 3: Thông tin về đui đèn và đui tắcte phù hợp với các yêu cầu ở trên có thể lấy từ tài liệu của nhà chế tạo.

Có thể chạm tới được cách điện chính khi mở đèn điện để thay bóng đèn hoặc tắcte.

Nếu một phụ kiện được thiết kế để lắp trong lại sử dụng bên ngoài đèn điện đã lắp ráp hoàn chỉnh mà có thể chạm tới bằng hình cầu 50 mm thì phải phù hợp với các yêu cầu liên quan áp dụng cho phụ kiện độc lập (xem 1.2.29).

Ngoài những chỗ có yêu cầu riêng, đui đèn và đui tắcte đã phù hợp với tiêu chuẩn riêng thì không phải kiểm tra các yêu cầu của điều này.

Bảo vệ chống điện giật phải được duy trì cho tất cả các phương pháp và vị trí lắp đặt trong sử dụng bình thường có tính đến giới hạn được chỉ ra trong hướng dẫn lắp đặt của nhà chế tạo và cho tất cả cách điều chỉnh của đèn điện điều chỉnh được. Bảo vệ phải được duy trì sau khi tháo tất cả các bộ phận có thể tháo ra bằng tay, trừ bóng đèn và các bộ phận của đui đèn dưới đây:

a) Đối với đui đèn cổ gài:

1) chụp đèn (vỏ bọc đầu nối)

2) tán đèn.

b) Đối với đui đèn xoáy ren Edison:

1 ) chụp đèn (vỏ bọc đầu nối) chỉ ứng với các loại kẹp dây;

2) vỏ ngoài cùng.

Các nắp của đèn điện cố định thuộc loại không thể tháo được bằng một thao tác của một tay thì không tháo ra. Tuy nhiên, nắp nào cần phải tháo để thay bóng đèn hoặc tắcte thì phải tháo ra trong thử nghiệm này.

CHÚ THÍCH 4: Một thao tác bằng một tay thường thực hiện bao gồm tháo các chi tiết như vít có núm xoay hoặc vòng giữ chụp đèn.

Dây dẫn nguồn được giữ bằng các đầu nối không bắt ren có cơ cấu nhà kiểu ấn nút không phải tháo ra trong thử nghiệm này.

Sử dụng khối đầu nối kiểu nút ấn nhưng không có nắp thì không bị loại ra bởi yêu cầu này. Có thể có một số thao tác riêng được yêu cầu để nhả dây dẫn ra khỏi các khối này.

Đèn điện cấp I và cấp II được thiết kế dùng cho bóng đèn sợi đốt vônfram dạng ống có đầu/đế ở mỗi đầu đèn phải có phương tiện ngắt cả hai cực tự động khi thay bóng đèn. Không áp dụng yêu cầu này nếu (các) phối hợp đầu đèn và đui đèn liên quan được đề cập bởi các tiêu chuẩn có các yêu cầu riêng liên quan đến khả năng tiếp cận của bộ phận mang điện có thể gây ra điện giật.

Không được dựa trên đặc tính cách điện của sơn, men, giấy và vật liệu tương tự để đưa ra các yêu cầu chống điện giật và bảo vệ chống ngắn mạch.

Đèn điện có bộ mồi được thiết kế để sử dụng với bóng đèn phóng điện áp suất cao hai đầu phải được thử nghiệm theo Hình 26.

Nếu điện áp đo được theo Hình 26 vượt quá 34 V (giá trị đỉnh) thì bộ mồi chỉ hoạt động khi bóng đèn được gài vào hoàn toàn hoặc một ký hiệu cảnh báo theo 3.2.18 a) hoặc b) tương ứng phải được đưa vào đèn điện.

Đèn điện dùng bóng đèn huỳnh quang Fa8 hai đầu phải phù hợp với yêu cầu ghi nhãn ở 3.2.18.

8.2.2 Đối với đèn điện di động, phải duy trì được bảo vệ chống điện giật sau khi các bộ phận dịch chuyển được của đèn điện được đặt ở vị trí bất lợi nhất có thể gây ảnh hưởng do nắm vào.

8.2.3 Để bảo vệ chống điện giật, áp dụng các yêu cầu bổ sung dưới đây:

a) Bộ phận kim loại của đèn điện cấp II được cách điện với các bộ phận mang điện chỉ bằng cách điện chính, là các bộ phận mang điện theo mục đích của mục này.

Điều này không áp dụng cho các bộ phận không mang dòng của đầu đèn phù hợp với tiêu chuẩn an toàn liên quan của chúng.

Đối với đèn điện cấp II, bầu thủy tinh của bóng đèn không được xem là có thêm bảo vệ chống điện giật. Nếu phải tháo bầu thủy tinh và các tấm kính bảo vệ khác ra khi thay bóng đèn hoặc nếu chúng không chịu được thử nghiệm ở 4.13 thì không được sử dụng làm cách điện phụ.

b) Đui đèn kim loại dùng cho bóng đèn cổ gài trong đèn điện cấp II phải được nối đất.

c) Mạch SELV có thể có các bộ phận mang dòng để hở trong các điều kiện dưới đây.

– Đối với đèn điện thông thường:

○ điện áp dưới tải không được vượt quá 25 V hiệu dụng hoặc 60 V một chiều không nhấp nhô, và

○ điện áp không tải không vượt quá 35 V hiệu dụng hoặc 60 V một chiều không nhấp nhô khi điện áp vượt quá 25 V hiệu dụng hoặc 60 V một chiều không nhấp nhô thì dòng điện chạm không được vượt quá:

○ đối với điện xoay chiều: 0,7 mA (giá trị đỉnh);

○ đối với điện một chiều: 2,0 mA.

Nếu điện áp hoặc dòng điện vượt quá các giá trị nêu trên thì ít nhất một trong các bộ phận dẫn trong mạch SELV phải được cách điện bằng cách điện có khả năng chịu được điện áp thử nghiệm 500 V hiệu dụng trong 1 min.

– Đối với đèn điện không phải loại thông thường, điện áp danh nghĩa (có tải và không tải) không vượt quá 12 V hiệu dụng hoặc 30 V một chiều không nhấp nhô. Khi đèn điện được mở ra để thay nguồn sáng thì có thể áp dụng các giới hạn điện áp đối với đèn điện thông thường (chỉ đối với các bộ phận chạm tới được trong bảo trì).

CHÚ THÍCH: Các giới hạn này dựa trên TCVN 7447-4-41 (IEC 60364-4-41). Xem thêm Phụ lục A của tiêu chuẩn này. Đèn điện cấp III chỉ chấp nhận đấu nối với nguồn SELV.

Hiện nay, nguồn PELV không được sử dụng cho đèn điện vì đèn điện cấp III không được cung cấp phương tiện để nối đất bảo vệ.

8.2.4 Đèn điện di động để đấu nối nguồn bằng dây nguồn và phích cắm phải có bảo vệ chống điện giật độc lập với bề mặt đỡ.

8.2.5 Kiểm tra sự phù hợp với các yêu cầu ở 8.2.1 đến 8.2.4 bằng cách xem xét và nếu cần, bằng thử nghiệm với đầu dò thử nghiệm liên quan theo Hình 1 và Hình 2 của IEC 61032:1997 hoặc bằng đầu dò thử nghiệm quy định cho phần tử cần xét.

Đặt đầu dò thử nghiệm này vào tất cả các vị trí có thể, nếu cần với lực bằng 10 N, sử dụng một bộ chỉ thị điện để chỉ ra tiếp xúc với bộ phận mang điện. Các bộ phận chuyển động, kể cả chụp đèn, phải được đặt bằng tay vào vị trí bất lợi nhất có thể; nếu bằng kim loại thì chúng không được chạm tới các bộ phận mang điện của đèn điện hoặc bóng đèn.

8.2.6 Nắp che và bộ phận khác cung cấp bảo vệ chống điện giật phải có đủ độ bền cơ và phải được cố định chắc chắn sao cho chúng không bị nới lỏng khi thao tác bình thường.

Kiểm tra sự phù hợp bằng cách xem xét, thử nghiệm bằng tay và các thử nghiệm ở Mục 4.

Đối với đèn điện lắp trên tường, đèn điện di động và đèn điện điều chỉnh được trong đó việc cố định nắp che không phụ thuộc vào vít và việc tháo nắp che đạt được bằng cách đặt một lực theo hướng gần vuông góc với bề mặt lắp đặt/đỡ phải phù hợp với thử nghiệm dưới đây:

Đặt một lực gần vuông góc với bề mặt lắp đặt/đỡ. Lực này phải bằng 20 N nếu mở nắp che tạo ra tiếp xúc với bộ phận cách điện chính và 80 N nếu chạm tới các bộ phận mang điện.

Trong quá trình thử nghiệm, nắp che không được bị nới lỏng.

8.2.7 Đèn điện (không phải loại được đề cập ở trên) kết hợp với tụ điện có điện dung lớn hơn 0,5 µF phải có cơ cấu phóng điện sao cho điện áp qua tụ điện không vượt quá 50 V sau 1 min ngắt nguồn cung cấp cho đèn điện ở điện áp danh định.

Đèn điện di động được thiết kế để nối với nguồn bằng phích cắm, bộ chuyển nối trên thanh ray nối với đèn điện, hoặc đèn điện có bộ nối nguồn có các tiếp điểm chạm tới được bằng ngón tay thử nghiệm tiêu chuẩn và kết hợp tụ điện có điện dung vượt quá 0,1 µF (hoặc 0,25 µF đối với đèn điện có điện áp danh định nhỏ hơn 150 V) phải có cơ cấu phóng điện sao cho sau khi ngắt 1 s, điện áp giữa các chân của phích cắm hoặc các cực tiếp xúc của bộ chuyển nối/bộ nối không vượt quá 34 V.

Đèn điện khác nối với nguồn bằng phích cắm và kết hợp với tụ điện không vượt quá 0,1 µF (hoặc 0,25 µF đối với đèn điện có điện áp danh định nhỏ hơn 150 V) và bộ chuyển nối trên thanh ray lắp trong đèn điện phải phóng điện sao cho sau 5 s, điện áp giữa các chân của phích cắm không vượt quá 60 V giá trị hiệu dụng.

Trừ khi có quy định khác, 0.4.2 yêu cầu rằng các thử nghiệm của tiêu chuẩn này phải được tiến hành với bóng đèn ở trong mạch điện, ở điều 0.4.2 này, bóng đèn phải ở trong mạch khi đo điện áp từ tụ bù nếu nó dẫn đến kết quả khắc nghiệt hơn.

Điện áp dư liên quan đến yêu cầu này chỉ được đo trên một đèn điện ngay cả khi có dự định đèn điện có thể được lắp đặt trong hệ thống nhiều đèn điện.

Kiểm tra sự phù hợp bằng phép đo.

CHÚ THÍCH: Cơ cấu phóng điện (đối với tất cả các loại đèn điện) có thể lắp trên hoặc trong tụ điện hoặc lắp riêng bên trong đèn điện.

Mục 9: Khả năng chống bụi, vật rắn và hơi ẩm

9.1 Quy định chung

Mục này quy định các yêu cầu và thử nghiệm đối với đèn điện được phân loại là chống bụi, vật rắn và hơi ẩm theo Mục 2, kể cả đèn điện thông thường.

9.2 Thử nghiệm đối với sự xâm nhập của bụi, vật rắn và hơi ẩm

Vỏ ngoài của đèn điện phải có cấp bảo vệ chống sự xâm nhập của bụi, vật rắn và hơi ẩm phù hợp với phân loại của đèn điện và mã IP ghi nhãn trên đèn điện.

CHÚ THÍCH 1 : Các thử nghiệm đối với sự xâm nhập của bụi, vật rắn và hơi ẩm quy định trong tiêu chuẩn này không phải tất cả đều đồng nhất với các thử nghiệm trong TCVN 4255 (IEC 60529) do các đặc tính kỹ thuật của đèn điện. Giải thích về hệ thống mã IP được nêu trong Phụ lục J.

Kiểm tra sự phù hợp bằng các thử nghiệm thích hợp quy định ở các điều từ 9.2.0 đến 9.2.9 và đối với các thông số IP khác, kiểm tra sự phù hợp bằng các thử nghiệm quy định trong TCVN 4255 (IEC 60529).

Trước khi thử nghiệm đối với con số đặc trưng thứ hai, trừ IP8, đèn điện có đầy đủ (các) bóng đèn phải được đóng điện và đưa về nhiệt độ làm việc ổn định ở điện áp danh định.

Nước dùng cho các thử nghiệm này phải có nhiệt độ là 15 °C ± 10 °C.

Đèn điện phải được lắp đặt và đi dây như trong sử dụng bình thường và được đặt ở tư thế bất lợi nhất, đã lắp hoàn chỉnh nắp bằng thủy tinh trong mờ bảo vệ, nếu có, để thực hiện các thử nghiệm ở các điều từ 9.2.0 đến 9.2.9.

Trong trường hợp thực hiện đấu nối bằng phích cắm hoặc cơ cấu tương tự, thì cơ cấu này phải được xem là một phần của đèn điện hoàn chỉnh và phải có trong các thử nghiệm và cũng giống như vậy đối với tất cả các bộ điều khiển riêng rẽ.

Đối với các thử nghiệm ở các điều từ 9.2.3 đến 9.2.9, đèn điện cố định được thiết kế để khi lắp đặt, thân của nó tiếp xúc với bề mặt phải thử nghiệm với tấm đệm bằng tấm kim loại dát và kéo thành mắt lưới đặt giữa đèn điện và bề mặt lắp đặt. Miếng đệm này ít nhất phải có kích thước bằng với kích thước bao ngoài theo hình chiếu của đèn điện, và có kích thước như sau:

Chiều dài của mắt lưới 10 mm đến 20 mm
Chiều ngắn của mắt lưới 4 mm đến 7 mm
Chiều rộng của sợi lưới 1,5 mm đến 2 mm
Chiều dày của sợi lưới 0,3 mm đến 0,5 mm
Chiều dày tổng thể 1,8 mm đến 3 mm

Đèn điện có lỗ để xả nước phải được lắp đặt với lỗ xả thấp nhất được mở ra, trừ khi có quy định khác trong hướng dẫn lắp đặt của nhà chế tạo.

Nếu hướng dẫn lắp đặt chỉ ra rằng đèn điện loại chống nước nhỏ giọt dùng để lắp trên trần hoặc bên dưới mái che thì đèn điện phải được gắn vào phía dưới một bảng hoặc một tấm phẳng có kích thước nhô ra khỏi chu vi của phần đèn điện tiếp xúc với bề mặt lắp đặt là 10 mm.

Đối với đèn điện lắp chìm, các bộ phận ở trong hốc và bộ phận nhô ra khỏi hốc phải được thử nghiệm theo phân loại IP của chúng như chỉ ra trong hướng dẫn lắp đặt của nhà chế tạo. Có thể cần có hộp bao bọc bộ phận bên trong hốc đối với các thử nghiệm ở các điều từ 9.2.4 đến 9.2.9.

Đối với đèn điện IP2X, vỏ ngoài nghĩa là bộ phận của đèn điện có chứa phần chính không phải là bóng đèn và bộ điều khiển quang.

CHÚ THÍCH 2: Vì đèn điện không có bộ phận chuyển động nguy hiểm nên mức an toàn quy định trong TCVN 4255 (IEC 60529) là đã đạt được.

Đèn điện di động, được đi dây như trong sử dụng bình thường, phải được đặt ở tư thế bất lợi nhất khi sử dụng bình thường.

Các miếng đệm, nếu có, phải được xiết chặt với mômen bằng hai phần ba mômen đặt lên miếng đệm trong thử nghiệm ở 4.12.5.

Vít cố định nắp đậy, không phải loại vít cố định thao tác bằng tay của nắp thủy tinh, phải được xiết chặt với mômen bằng hai phần ba mômen quy định trong Bảng 4.1.

Nắp đậy loại bắt vít phải được xiết chặt với mômen có giá trị tính bằng niutơn mét về con số phải bằng một phần mười đường kính danh nghĩa của ren vít tính bằng milimét. Vít cố định các nắp khác phải được xiết chặt với mômen bằng hai phần ba mômen quy định trong Bảng 4.1.

Sau khi hoàn thành các thử nghiệm, đèn điện phải chịu thử nghiệm độ bền điện quy định ở Mục 10 và xem xét phải cho thấy:

a) không lắng đọng bột tan trong đèn điện chống bụi, vì nếu bột này dẫn thì cách điện sẽ không phù hợp với các yêu cầu của tiêu chuẩn này.

b) không lắng đọng bột tan bên trong vỏ đối với đèn điện kín bụi;

c) không có vệt nước trên các mối nối điện, bộ phận mang dòng hoặc trên cách điện mà có thể trở nên nguy hiểm cho người sử dụng hoặc môi trường bao quanh, ví dụ, trong trường hợp có thể làm giảm chiều dài đường rò và khe hở không khí thấp hơn giá trị quy định trong Mục 11; chỉ ngoại trừ đối với các dây dẫn SELV trong đó điện áp có tải không vượt quá 12 V giá trị hiệu dụng hoặc 30 V giá trị một chiều không nhấp nhô và trên dây dẫn được bảo vệ chống ăn mòn.

CHÚ THÍCH 3: Một số khía cạnh bảo vệ chống ăn mòn được quy định trong Điều 4.18.

1) Đối với đèn điện không có lỗ thoát nước, không được có nước lọt vào.

CHÚ THÍCH 4: Cần cẩn thận để không nhầm lẫn ngưng tụ với nước lọt vào.

2) Đối với đèn điện có các lỗ thoát nước, cho phép có nước lọt vào kể cả nước ngưng tụ trong quá trình thử nghiệm nếu lỗ có thể xả hiệu quả và với điều kiện nước không làm giảm chiều dài đường rò và khe hở không khí xuống thấp hơn các mức tối thiểu quy định trong tiêu chuẩn này;

d) không có vệt nước lọt vào trong bất kỳ phần nào của đèn điện kín nước hoặc đèn điện kín nước có áp suất;

e) không cho phép có tiếp xúc với bộ phận mang điện bằng đầu dò thử nghiệm liên quan đối với chữ số IP đặc trưng thứ nhất là 2;

f) không thể tiến vào bên trong vỏ đèn điện bằng đầu dò thử nghiệm liên quan đối với chữ số IP đặc trưng thứ nhất là 3 và 4 ;

g) đối với đèn điện có các lỗ thoát nước phù hợp với 4.17 và đèn điện có các rãnh thông gió để làm mát cưỡng bức thì không cho phép tiếp xúc với bộ phận mang điện qua lỗ thoát nước và rãnh thông gió bằng đầu dò thử nghiệm liên quan đối với chữ số IP đặc trưng thứ nhất là 3 và 4;

h) không có vệt nước trên bất kỳ bộ phận nào của bóng đèn đòi hỏi bảo vệ khỏi nước bắn tóe như chỉ ra trong mục “thông tin để thiết kế đèn điện” của tiêu chuẩn bóng đèn liên quan ;

i) không bị hỏng, ví dụ gãy hoặc vỡ che chắn bảo vệ hoặc vỏ thủy tinh gây ảnh hưởng xấu đến an toàn hoặc đến bảo vệ chống sự xâm nhập của hơi ẩm.

9.2.0 Thử nghiệm

Đèn điện chống sự xâm nhập của vật rắn (chữ số IP đặc trưng thứ nhất là 2) phải được thử nghiệm với đầu dò thử nghiệm tiêu chuẩn quy định trong TCVN 4255 (IEC 60529) theo các yêu cầu ở Mục 8 và Mục 11 của tiêu chuẩn này.

CHÚ THÍCH: Không yêu cầu thử nghiệm đèn điện có chữ số IP đặc trưng thứ 2 bằng viên bi như quy định ở TCVN 4255 (IEC 60529).

Đèn điện chống sự xâm nhập của vật rắn (chữ số IP đặc trưng thứ nhất là 3 và 4) phải được thử nghiệm ở tất cả các điểm có thể (trừ miếng đệm) bằng đầu dò phù hợp với đầu dò thử nghiệm C hoặc D của IEC 61032, đặt với lực như chỉ ra trong Bảng 9.1:

Bảng 9.1 – Thử nghiệm đèn điện chống sự xâm nhập của vật rắn

  Đầu dò thử nghiệm theo IEC 61032

Đường kính sợi dây dò

mm

Lực đặt

N

Chữ số IP thứ nhất là 3 C   3 ± 10%
Chữ số IP thứ nhất là 4 D   1 ± 10%

Đầu của sợi dây dò phải được cắt vuông góc với chiều dài của nó và không có bavia.

9.2.1 Đèn điện chống bụi (chữ số IP đặc trưng thứ nhất là 5) phải được thử nghiệm trong tủ bụi tương tự như chỉ ra trong Hình 6, trong đó bột tan được duy trì ở dạng lơ lửng trong luồng không khí. Tủ này phải chứa 2 kg bột tan trong mỗi mét khối thể tích của nó. Bột tan sử dụng phải có khả năng lọt qua sàng có mắt lưới hình vuông có đường kính sợi dây danh nghĩa là 50 µm và khoảng cách tự do danh nghĩa giữa các sợi dây là 75 µm. Không được sử dụng sàng này quá 20 lần thử nghiệm.

Thử nghiệm phải được tiến hành như sau:

a) Đèn điện được treo bên ngoài tủ bụi và làm việc ở điện áp nguồn danh định cho đến khi đạt đến nhiệt độ làm việc.

b) Đèn điện, trong khi vẫn hoạt động, được đặt ở vị trí ít bị xáo trộn nhất trong tủ bụi.

c) Cửa tủ bụi được đóng lại.

d) Đóng điện cho quạt/máy thổi để bột tan ở dạng lơ lửng được đóng điện.

e) Sau 1 min, ngắt điện cho đèn điện và để nguội trong 3 h trong khi vẫn duy trì bột tan ở dạng lơ lửng.

CHÚ THÍCH: Khoảng thời gian 1 min giữa đóng điện cho quạt/máy thổi và ngắt điện cho đèn điện để đảm bảo rằng bột tan thực sự ở dạng lơ lửng xung quanh đèn điện trong quá trình làm mát ban đầu, điều này là rất quan trọng đối với đèn điện nhỏ hơn. Ban đầu, cho đèn điện làm việc như điểm a) để đảm bảo tủ thử nghiệm không bị quá nhiệt.

9.2.2 Đèn điện kín bụi (chữ số IP đặc trưng thứ nhất là 6) được thử nghiệm theo 9.2.1.

9.2.3 Đèn điện chịu nước nhỏ giọt

9.2.3.1 Đèn điện chịu nước nhỏ giọt (chữ số IP đặc trưng thứ hai là 1) phải chịu mưa nhân tạo bằng mm/min trong 10 min, rơi thẳng đứng từ độ cao 200 mm lên phần cao nhất của đèn điện.

9.2.3.2 Đèn điện chịu nước nhỏ giọt (chữ số IP đặc trưng thứ hai là 2) phải chịu mưa nhân tạo bằng mm/min trong 10 min, rơi thẳng đứng từ độ cao 200 mm lên phần cao nhất của đèn điện, khi đèn điện được đặt ở tư thế bất lợi nhất và nghiêng một góc bất kỳ đến 15° theo cả hai phía của trục thẳng đứng.

9.2.4 Đèn điện chịu nước mưa (chữ số IP đặc trưng thứ hai là 3) chịu phun nước trong 10 min bằng thiết bị phun như chỉ ra trên Hình 7. Bán kính của ống hình bán nguyệt phải càng nhỏ càng tốt và thích hợp với kích cỡ và vị trí của đèn điện.

Ống phải được khoan lỗ sao cho tia nước hướng trực tiếp vào tâm của vòng tròn và lưu lượng nước ở lối vào của thiết bị phun phải xấp xỉ 0,07 l/min ± 5 % trên mỗi lỗ nhân với số lỗ (xấp xỉ 80 kN/m2).

Ống phải dao động qua góc 120°, mỗi phía 60° so với trục thẳng đứng, thời gian của một dao động hoàn chỉnh (2 x 120°) là khoảng 4 s.

Đèn điện phải được lắp ở trên đường trục của ống sao cho các đầu của đèn điện tiếp nhận đầy đủ các tia nước phun trùm lên. Đèn điện phải được xoay quanh trục thẳng đứng của nó trong khi thử nghiệm với tốc độ bằng 1 r/min.

Sau thời gian 10 min này, ngắt điện cho đèn điện và để nguội tự nhiên trong khi vẫn tiếp tục phun nước trong 10 min nữa.

CHÚ THÍCH: Ở Nhật, chấp nhận thử nghiệm ống dao động và thử nghiệm miệng phun như mô tả trong TCVN 4255 (IEC 60529).

9.2.5 Đèn điện chịu nước bắn tóe (chữ số IP đặc trưng thứ hai là 4) được phun nước từ mọi hướng trong 10 min bằng thiết bị phun như trên Hình 7 và được mô tả ở 9.2.4. Đèn điện phải được lắp dưới đường trục của ống sao cho các đầu của đèn điện được bao phủ đủ các tia nước.

Ống phải dao động xung quanh góc xấp xỉ 360°, 180° ở hai phía của trục thẳng đứng, thời gian của một dao động hoàn chỉnh (2 x 360°) là khoảng 12 s. Đèn điện phải được xoay quanh trục thẳng đứng của nó trong khi thử nghiệm với tốc độ bằng 1 r/min.

Vật đỡ thiết bị cần thử nghiệm phải ở dạng lưới để tránh đóng vai trò là màng ngăn. Sau thời gian 10 min này, ngắt điện cho đèn điện và để nguội tự nhiên trong khi vẫn tiếp tục phun nước trong 10 min nữa.

CHÚ THÍCH: Ở Nhật, chấp nhận thử nghiệm ống dao động và thử nghiệm miệng phun như mô tả trong TCVN 4255 (IEC 60529).

9.2.6 Đèn điện chịu nước phun (chữ số IP đặc trưng thứ hai là 5) được ngắt điện và ngay sau đó, chịu nước phun trong 15 min từ mọi hướng bằng một vòi phun có miệng phun có hình dạng và kích thước chỉ ra trên Hình 8. Nóng phun phải được giữ cách mẫu 3 m.

Áp suất nước tại miệng phun phải được điều chỉnh để đạt được tốc độ nước phun ra bằng 12,5 l/min ± 5 % (xấp xỉ 30 kN/m2).

9.2.7 Đèn điện chịu nước phun mạnh (chữ số IP đặc trưng thứ hai là 6) được ngắt điện và ngay sau đó, chịu nước phun trong 3 min từ mọi hướng bằng một vòi phun có miệng phun có hình dạng và kích thước chỉ ra trên Hình 8. Nóng phun phải được giữ cách mẫu 3 m.

Áp suất nước tại miệng phun phải được điều chỉnh để đạt được tốc độ nước phun ra bằng 100 l/min ± 5 % (xấp xỉ 100 kN/m2).

9.2.8 Đèn điện kín nước (chữ số IP đặc trưng thứ hai là 7) được ngắt điện và ngay sau đó, ngâm vào nước trong 30 min sao cho điểm cao nhất của đèn điện thấp hơn bề mặt nước tối thiểu là 150 mm và phần thấp nhất của đèn điện phải chịu chiều cao cột nước tối thiểu là 1 m. Đèn điện phải được giữ đúng vị trí bằng phương tiện cố định bình thường của nó. Đèn điện dùng các bóng đèn huỳnh quang dạng ống phải được đặt ở tư thế nằm ngang, dưới bề mặt nước 1 m, với bộ khuếch tán hướng lên.

CHÚ THÍCH: Cách xử lý này chưa đủ khắc nghiệt đối với đèn điện làm việc dưới nước.

9.2.9 Đèn điện kín nước có áp suất (chữ số IP đặc trưng thứ hai là 8) được gia nhiệt bằng cách đóng điện cho bóng đèn hoặc bằng phương pháp thích hợp khác, sao cho nhiệt độ của vỏ đèn điện cao hơn nhiệt độ của nước trong thùng thử nghiệm từ 5 °C đến 10 °C.

Sau đó, đèn điện phải được ngắt điện và chịu áp suất nước bằng 1,3 lần áp suất tương ứng với độ sâu ngâm lớn nhất danh định trong thời gian 30 min.

9.3 Thử nghiệm ẩm

Tất cả đèn điện phải chịu được điều kiện ẩm có thể xuất hiện trong sử dụng bình thường.

Kiểm tra sự phù hợp bằng xử lý ẩm mô tả ở 9.3.1, ngay sau các thử nghiệm ở Mục 10.

Lối vào cáp, nếu có, phải để mở; nếu có các lỗ đột lửng thì một trong các lỗ đột lửng phải được đột bỏ.

Bộ phận có thể tháo ra bằng tay, ví dụ, phụ kiện điện, vỏ bọc, kính bảo vệ, v.v… phải được tháo ra và nếu cần, phải chịu xử lý ẩm cùng với bộ phận chính.

9.3.1 Đèn điện được đặt ở vị trí bất lợi nhất trong sử dụng bình thường, trong tủ ẩm có chứa không khí có độ ẩm tương đối duy trì ở 91 % đến 95 %. Nhiệt độ của không khí ở mọi nơi đặt mẫu phải duy trì trong phạm vi 1 °C của giá trị thích hợp bất kỳ “t” từ 20 °C đến 30 °C.

Trước khi đặt vào tủ ẩm, mẫu phải được đưa về nhiệt độ từ “t” đến (t + 4) °C. Mẫu phải được giữ trong tủ 48 h.

CHÚ THÍCH: Đa số các trường hợp, mẫu có thể được đưa về nhiệt độ quy định từ “t” đến (t + 4) °C bằng cách giữ mẫu trong phòng ở nhiệt độ này trong ít nhất 4 h trước khi xử lý ẩm.

Để đạt đến điều kiện quy định trong tủ, cần đảm bảo tuần hoàn không khí bên trong tủ là không đổi và thường sử dụng tủ có cách nhiệt.

Sau xử lý này, mẫu không được bị hư hại ảnh hưởng đến sự phù hợp với các yêu cầu trong tiêu chuẩn này.

Mục 10: Điện trở cách điện và độ bền điện, dòng điện chạm và dòng điện trong dây dẫn bảo vệ

10.1 Quy định chung

Mục này quy định các yêu cầu và thử nghiệm đối với điện trở cách điện, độ bền điện, dòng điện chạm và dòng điện trong dây dẫn bảo vệ của đèn điện.

10.2 Điện trở cách điện và độ bền điện

Điện trở cách điện và độ bền điện của đèn điện phải đủ.

Kiểm tra sự phù hợp bằng các thử nghiệm ở 10.2.1 và 10.2.2 trong tủ ẩm hoặc trong phòng trong đó mẫu được đưa về nhiệt độ quy định, sau khi tháo rời các bộ phận có thể tháo ra được.

Thiết bị đóng cắt, nếu có, phải ở vị trí đóng cho tất cả các thử nghiệm, trừ các thử nghiệm giữa các bộ phận mang điện được cách ly bằng núm thao tác của thiết bị đóng cắt.

Trong quá trình thực hiện các thử nghiệm này, phải ngắt điện các linh kiện dưới đây sao cho điện áp thử nghiệm đặt lên cách điện của linh kiện, nhưng không đặt lên các phần tử chức năng điện cảm hoặc điện dung của các phụ kiện này, khi thích hợp:

a) tụ điện nối song song;

b) tụ điện giữa các bộ phận mang điện và thân đèn điện;

c) cơ cấu trở kháng bảo vệ;

d) cuộn cản hoặc biến áp nối giữa các bộ phận mang điện.

Nếu có thể đặt lá kim loại lên lớp lót hoặc tấm chắn thì các thử nghiệm phải được thực hiện trên ba mẫu lớp lót hoặc tấm chắn được lấy ra và đặt giữa hai viên bi kim loại có đường kính bằng 20 mm được ép vào nhau với lực bằng 2 N ± 0,5 N.

Các điều kiện thử nghiệm đối với balát có lắp tranzito phải như quy định trong TCVN 7590 (IEC 61347).

Đối với đèn điện cố định cấp I, thiết bị bảo vệ quá điện áp phù hợp với IEC 61643-11 phải được ngắt khỏi mạch điện.

Cách điện giữa các bộ phận mang điện và thân đèn điện, cũng như giữa các bộ phận kim loại chạm tới được và lá kim loại bên trong lớp lót cách điện và tấm chắn, được thử nghiệm theo loại cách điện yêu cầu.

CHÚ THÍCH: Thuật ngữ “thân” gồm cả bộ phận kim loại chạm tới được, vít cố định chạm tới được và lá kim loại tiếp xúc với bộ phận chạm tới được bằng vật liệu cách điện.

Khi tiến hành thử nghiệm độ bền điện trên đèn điện có bộ điều khiển điện tử, có thể xảy ra điện áp mạch bóng đèn lớn hơn điện áp nguồn của đèn điện. Điều này được chỉ ra bằng thông số Uout ghi trên bộ điều khiển bóng đèn. Trong trường hợp này, điện áp thử nghiệm đặt lên các phần của mạch bóng đèn phải được tính từ thông số Uout ghi trên bộ điều khiển bóng đèn thay vì U, trong đó U là điện áp làm việc.

10.2.1 Thử nghiệm điện trở cách điện

Điện trở cách điện phải được đo với điện áp một chiều xấp xỉ 500 V sau 1 min đặt điện áp.

Đối với cách điện của các bộ phận SELV của đèn điện, sử dụng điện áp một chiều 100 V để đo.

Điện trở cách điện không được nhỏ hơn các giá trị quy định trong Bảng 10.1.

Cách điện giữa các bộ phận mang điện và thân của đèn điện cấp II không phải thử nghiệm nếu cách điện chính và cách điện phụ có thể được thử nghiệm riêng rẽ.

Bảng 10.1 – Điện trở cách điện tối thiểu

Cách điện của các bộ phận

Điện trở cách điện tối thiểu

Đèn điện cấp I Đèn điện cấp II Đèn điện cấp III
SELV:  
Giữa các bộ phận mang dòng khác cực tính a a a
Giữa các bộ phận mang dòng và bề mặt lắp đặt * a a a
Giữa các bộ phận mang dòng và các bộ phận bằng kim loại của đèn điện a a a
Giữa bề mặt bên ngoài của dây hoặc cáp mềm được kẹp bằng cơ cấu chặn dây và bộ phận kim loại chạm tới được a a a
Ống lót cách điện như mô tả trong Mục 5 a a a
Không phải SELV  
Giữa các bộ phận mang điện khác cực tính b b
Giữa các bộ phận mang điện và bề mặt lắp đặt * b b và c, hoặc d
Giữa các bộ phận mang điện và bộ phận kim loại của đèn điện b b và c, hoặc d
Giữa các bộ phận mang điện có thể trở nên khác cực tính thông qua thao tác đóng cắt b ** b **
Giữa bề mặt bên ngoài của dây hoặc cáp mềm được kẹp bằng cơ cấu chặn dây và bộ phận kim loại chạm tới được b c
Ống lót cách điện như mô tả trong Mục 5 b c
Cách điện chính dùng cho điện áp SELV (a) 1
Cách điện chính dùng cho điện áp không phải SELV (b) 2
Cách điện phụ (c) 3
Cách điện kép hoặc cách điện tăng cường (d) 4

* Bề mặt lắp đặt được bọc lá kim loại để thực hiện thử nghiệm này.

** Trong suốt thử nghiệm, thiết bị đóng cắt có thể ảnh hưởng đến kết quả. Trong trường hợp cách ly điện tử hoặc cách ly rất nhỏ theo 7.1.11 của IEC 61058-1:2000, có thể cần tháo thiết bị đóng cắt khỏi mạch điện.

Lớp lót và tấm chắn cách điện chỉ phải thử nghiệm nếu khoảng cách giữa các bộ phận mang điện và bộ phận kim loại chạm tới được, khi không có lớp lót hoặc tấm chắn, nhỏ hơn khoảng cách quy định trong Mục 11.

Cách điện của ống lót, cơ cấu chận dây, vật mang sợi dây hoặc kẹp phải được thử nghiệm theo Bảng 10.1 và, trong quá trình thử nghiệm, cáp hoặc dây phải được bọc bằng lá kim loại hoặc được thay thế bằng thanh kim loại có cùng đường kính.

Không áp dụng các yêu cầu này cho phương tiện hỗ trợ khởi động được nối có chủ ý đến nguồn lưới nếu chúng không phải là bộ phận mang điện.

CHÚ THÍCH: Xem Phụ lục A về thử nghiệm đối với bộ phận mang điện.

10.2.2 Thử nghiệm độ bền điện

Đặt điện áp có dạng sóng gần hình sin với tần số 50 Hz hoặc 60 Hz và có giá trị quy định ở Bảng 10.2 trong 1 min qua cách điện được chỉ ra trong Bảng 10.2.

Ban đầu, đặt không quá một nửa điện áp quy định, sau đó tăng nhanh đến giá trị đầy đủ.

Đối với biến áp cao áp dùng cho thử nghiệm, khi các đầu nối ra bị ngắn mạch sau khi điều chỉnh điện áp ra đến điện áp thử nghiệm thích hợp thì dòng điện ra phải ít nhất là 200 mA.

Rơle quá dòng không được nhả khi dòng điện ra nhỏ hơn 100 mA.

Cần cẩn thận để dung sai của giá trị hiệu dụng của điện áp thử nghiệm đặt vào là ±3 %.

Đối với đèn điện cấp II có cả cách điện tăng cường và cách điện kép, phải cẩn thận để điện áp đặt vào cách điện tăng cường không tạo ứng suất quá mức lên cách điện chính hoặc cách điện phụ.

Phóng tia lửa mà không gây sụt áp thì được bỏ qua.

Không được có phóng điện bề mặt hoặc phóng điện đánh thủng trong quá trình thử nghiệm.

Không áp dụng các yêu cầu này cho phương tiện hỗ trợ khởi động được nối có chủ ý đến nguồn lưới nếu chúng không phải là bộ phận mang điện.

Đối với đèn điện có bộ mồi, độ bền điện của các bộ phận của đèn điện phải chịu điện áp xung thì được thử nghiệm với bộ mồi hoạt động, để đảm bảo rằng cách điện của đèn điện, hệ thống đi dây và các bộ phận tương tự là đủ.

Đối với đèn điện có bộ mồi và đui đèn mà theo hướng dẫn của nhà chế tạo đui đèn chỉ đạt được bảo vệ điện áp xung lớn nhất của chúng khi bóng đèn được gài vào thì phải gài bóng đèn giả cho thử nghiệm này.

CHÚ THÍCH 1: Bóng đèn giả cần được cung cấp cùng với mẫu thử nghiệm điển hình.

CHÚ THÍCH 2: Yêu cầu này cho phép thiết kế đầu đèn/đui đèn duy trì kích thước hợp lý trong khi cho phép điện áp xung tăng đến mức đảm bảo khởi động nóng bóng đèn phóng điện (ví dụ các ứng dụng trong phòng quay phim, chụp ảnh).

Đèn điện có bộ mồi được đến nguồn cung cấp ở 100 % điện áp danh định, trong thời gian 24 h. Bộ mồi nào có khuyết tật bị mất hiệu quả trong thời gian này phải được thay ngay lập tức. Sau đó, thử nghiệm độ bền điện với giá trị quy định trong Bảng 10.2 được đặt lên cho đèn điện với tất cả các đầu nối (trừ đầu nối đất) của bộ mồi được nối với nhau.

Đối với đèn điện có bộ mồi bằng tay như nút ấn, đèn điện được nối đến nguồn cung cấp ở 100 % điện áp danh định và chịu chu kỳ đóng cắt “3 s đóng/10 s cắt” trong tổng thời gian 1 h. Chỉ sử dụng một bộ mồi cho thử nghiệm này.

Đèn điện có bộ mồi được cung cấp cùng với balát được ghi nhãn để sử dụng dành riêng với bộ mồi có cơ cấu giới hạn thời gian, phù hợp với TCVN 7590-2-9 (IEC 61347-2-9), cũng phải chịu thử nghiệm này nhưng trong thời gian gồm 250 chu kỳ đóng/cắt, giữ thời gian cắt bằng 2 min.

Không được có phóng điện bề mặt hoặc phóng điện đánh thủng trong quá trình thử nghiệm độ bền điện.

Khi tiến hành thử nghiệm độ bền điện trên đèn điện có bộ điều khiển điện tử, có thể xảy ra điện áp mạch bóng đèn danh định lớn hơn điện áp nguồn của đèn điện. Điều này được chỉ ra bằng thông số Uout ghi trên bộ điều khiển bóng đèn. Trong trường hợp này, điện áp thử nghiệm đặt lên các phần của mạch bóng đèn phải được tính từ thông số Uout được ghi nhãn trên bộ điều khiển bóng đèn thay vì U, trong đó U là điện áp làm việc.

Bảng 10.2 – Độ bền điện

Cách điện của các bộ phận

Điện áp thử nghiệm

V

Đèn điện cấp I Đèn điện cấp II Đèn điện cấp III
SELV:  
Giữa các bộ phận mang dòng khác cực tính a a a
Giữa các bộ phận mang dòng và bề mặt lắp đặt * a a a
Giữa các bộ phận mang dòng và các bộ phận bằng kim loại của đèn điện a a a
Giữa bề mặt bên ngoài của dây hoặc cáp mềm được kẹp bằng cơ cấu chặn dây và bộ phận kim loại chạm tới được a a a
Ống lót cách điện như mô tả trong Mục 5 a a a
Không phải SELV  
Giữa các bộ phận mang điện khác cực tính b b
Giữa các bộ phận mang điện và bề mặt lắp đặt* b b và c, hoặc d
Giữa các bộ phận mang điện và bộ phận kim loại của đèn điện b b và c, hoặc d
Giữa các bộ phận mang điện có thể trở nên khác cực tính do tác động của cơ cấu đóng cắt b *** b ***
Giữa bề mặt bên ngoài của dây hoặc cáp mềm được kẹp bằng cơ cấu chặn dây và bộ phận kim loại chạm tới được b c
Ống lót cách điện như mô tả trong Mục 5 b c
Cách điện chính dùng cho điện áp SELV (a) 500
Cách điện chính dùng cho điện áp không phải SELV (b) 2U** + 1 000
Cách điện phụ (c) 2U** + 1 000
Cách điện kép hoặc cách điện tăng cường (d) 4U** + 2 000

* Bề mặt lắp đặt được bọc lá kim loại để thực hiện thử nghiệm này.

** U trong trường hợp này là điện áp danh nghĩa pha-trung tính của hệ thống nguồn có trung tính nối đất. Xem thêm IEC 60664-1.

*** Trong suốt thử nghiệm, thiết bị đóng cắt có thể ảnh hưởng đến kết quả. Trong trường hợp cách ly điện tử hoặc cách ly rất nhỏ theo 7.1.11 của IEC 61058-1:2000, có thể cần theo thiết bị đóng cắt khỏi mạch điện.

10.3 Dòng điện chạm, dòng điện trong dây dẫn bảo vệ và bỏng điện

Dòng điện chạm hoặc dòng điện trong dây dẫn bảo vệ có thể xuất hiện trong quá trình làm việc bình thường của đèn điện không được vượt quá giá trị nêu trong Bảng 10.3 khi đo theo Phụ lục G:

Bảng 10.3 – Giới hạn của dòng điện chạm, dòng điện trong dây dẫn bảo vệ và bỏng điện

Dòng điện chạm Giới hạn lớn nhất (đỉnh)
Tất cả đèn điện cấp II 0,7 mA
Đèn điện cấp I có thông số danh định đến và bằng 16 A lắp với phích cắm nối được với ổ cắm không nối đất * 0,7 mA
Các bộ phận kim loại của đèn điện cấp I được cách ly bằng cách điện kép hoặc cách điện tăng cường 0,7 mA
 
Dòng điện trong dây dẫn bảo vệ Dòng điện nguồn Giới hạn lớn nhất (hiệu dụng)
Đèn điện cấp I lắp với phích cắm một pha hoặc nhiều pha, có thông số danh định đến và bằng 16 A

≤ 4 A

> 4 A nhưng ≤ 10 A

> 10 A

2 mA

0,5 mA/A

5 mA

Đèn điện cấp I được thiết kế để nối cố định

≤ 7 A

> 7 A nhưng ≤ 20 A

> 20 A

3,5 mA

0,5 mA/A

10 mA

 
Bỏng điện   Đang xem xét
* Thử nghiệm không được yêu cầu khi hướng dẫn của nhà chế tạo cung cấp kèm đèn điện khuyên rằng đèn điện phải được nối đất.

Kiểm tra sự phù hợp theo Phụ lục G.

CHÚ THÍCH 1: Đối với đèn điện có lắp balát điện tử dùng điện xoay chiều, dòng điện rò có thể phụ thuộc rất nhiều vào khoảng cách giữa bóng đèn và phương tiện hỗ trợ khởi động nối đất do hoạt động của bóng đèn ở tần số cao.

CHÚ THÍCH 2: Các giải thích khác về phép đo dòng điện chạm và dòng điện trong dây dẫn bảo vệ có thể có trong IEC 60990 và IEC 61140:2001 (Phụ lục B).

Mục 11: Chiều dài đường rò và khe hở không khí

11.1 Quy định chung

Mục này quy định các yêu cầu tối thiểu đối với chiều dài đường rò và khe hở không khí trong đèn điện.

CHÚ THÍCH 1: Cách đo chiều dài đường rò và khe hở không khí được quy định trong IEC 60664-1.

CHÚ THÍCH 2: Phương pháp tính và kết cấu của chiều dài đường rò và khe hở không khí được lấy theo IEC 60664- 1:2007 và TCVN 10884-4 (IEC 60664-4).

CHÚ THÍCH 3: Phụ lục U cung cấp thông tin về các giá trị chịu xung cấp III.

11.2 Chiều đài đường rò và khe hở không khí

11.2.1 Quy định chung

Các bộ phận được nêu trong Bảng M. 1 phải có đủ khoảng cách. Chiều dài đường rò và khe hở không khí không được nhỏ hơn các giá trị cho trong Bảng 11.1.A, Bảng 11.1.B và Bảng 11.2. Chiều dài đường rò không được nhỏ hơn khe hở không khí nhỏ nhất yêu cầu.

Không quy định các giá trị đối với điện áp làm việc thấp hơn 25 V hiệu dụng và 60 V một chiều vì điện áp thử nghiệm ở Bảng 10.2 được xem là đủ.

Khoảng cách giữa các bộ phận mang dòng khác cực tính phải phù hợp với các yêu cầu đối với cách điện chính. Khoảng cách tối thiểu quy định dựa trên các tham số dưới đây:

– để sử dụng ở độ cao đến 2 000 m trên mực nước biển;

– nhiễm bẩn độ 2 trong đó thường chỉ xuất hiện nhiễm bẩn không dẫn nhưng đôi khi có thể dẫn tạm thời do ngưng tụ;

– thiết bị có cấp chịu xung II là thiết bị tiêu thụ năng lượng được cấp nguồn từ hệ thống lắp đặt cố định.

Cần tham khảo TCVN 10884-1 (IEC 60664-1) để có mô tả chi tiết về độ nhiễm bẩn hoặc cấp chịu xung.

Kiểm tra sự phù hợp bằng phép đo có hoặc không có dây dẫn có tiết diện lớn nhất nối với các đầu nối của đèn điện. Đầu nối đi dây bên trong của đèn điện phải được kiểm tra với các dây dẫn thực tế được cung cấp để lắp với đèn điện.

Rãnh bất kỳ có chiều rộng nhỏ hơn 1 mm góp phần tăng chiều dài đường rò chỉ được tính theo chiều rộng rãnh.

Chiều dài đường rò và khe hở không khí có thể được chia thành một vài phần. Mọi khe hở không khí có chiều rộng nhỏ hơn 1 mm đều được bỏ qua khi tính tổng khe hở không khí, trừ khi tổng khe hở không khí nhỏ hơn 3 mm thì một phần ba của chiều rộng khe hở này mới được tính đến.

Đối với đèn điện có ổ cắm đầu vào, thực hiện phép đo với bộ nối thích hợp được nối vào.

Khoảng cách qua các rãnh hoặc lỗ hở ở phần bên ngoài của vật liệu cách điện được đo với lá kim loại tiếp xúc với bề mặt chạm tới được. Lá kim loại này được đẩy vào trong các góc và các vị trí tương tự bằng ngón tay thử nghiệm tiêu chuẩn quy định trong TCVN 4255 (IEC 60529) nhưng không ấn vào các lỗ hở.

Việc giảm chiều dài đường rò và khe hở không khí là được phép đối với đèn điện (hoặc có bộ phận) được bảo vệ khỏi nhiễm bẩn bằng cách sử dụng lớp phủ hoặc lớp bọc, nếu đáp ứng các yêu cầu cho trong Phụ lục P của IEC 61347-1:2015.

Không áp dụng các giá trị ở Bảng 11.1.A và Bảng 11.1.B cho các bộ phận đã có tiêu chuẩn riêng rẽ nhưng áp dụng khoảng cách lắp đặt và khoảng cách chạm tới được cho bộ phận đó khi nó được lắp trong đèn điện.

Chiều dài đường rò tại đầu nối nguồn được đo từ bộ phận mang điện trong đầu nối đó đến bộ phận kim loại chạm tới được bất kỳ, và khe hở không khí phải được đo giữa dây nguồn đi vào và các bộ phận kim loại chạm tới được, tức là từ một dây dẫn trần có tiết diện lớn nhất đến bộ phận kim loại có thể chạm tới được. Tại phía dây đi bên trong của đầu nối, khe hở không khí được đo giữa các bộ phận mang điện của đầu nối và bộ phận kim loại chạm tới được (xem Hình 24).

CHÚ THÍCH: Phép đo khe hở không khí từ nguồn và từ dây đi bên trong là khác nhau vì nhà chế tạo đèn điện không kiểm soát được chiều dài cách điện trên dây dẫn nguồn mà người lắp đặt bóc đi.

Khi xác định chiều dài đường rò và khe hở không khí tại các ống bọc ngoài, cơ cấu chặn dây, vật mang sợi dây hoặc kẹp, phải thực hiện phép đo khi cáp đã được lắp vào.

11.2.2 Chiều dài đường rò

Các giá trị tối thiểu của chiều dài đường rò được liệt kê trong Bảng 11.1.A

Để xác định kích thước của chiều dài đường rò, các giá trị hiệu dụng của điện áp làm việc phải được tính đến. Trong trường hợp mạch được cách điện, các yêu cầu của Điều 4.31 và Phụ lục X phải được xét đến để tìm điện áp làm việc.

Các giá trị của Bảng 11.1.A là có hiệu lực đối với các điện áp có tần số dưới 30 kHz. Đối với các tần số cao hơn, phải áp dụng các yêu cầu dưới đây.

– Nếu điện áp và/hoặc tần số yêu cầu các chiều dài đường rò lớn hơn, phải tuân thủ thông tin được nhà chế tạo bộ điều khiển cung cấp, xem chú thích “c” của Bảng 11.1.A

– Nếu đèn điện được sử dụng kết hợp với hoặc cùng với các thành phần hoặc cơ cấu không phải bộ điều khiển đề cập trong bộ tiêu chuẩn TCVN 7590 (IEC 61347) và tạo ra tần số cao hơn 30 kHz thì phải áp dụng các yêu cầu trong TCVN 10884-4 (IEC 60664-4).

Bảng 11.1.A- Chiều dài đường rò nhỏ nhất đối với điện áp hình sin đến 30 kHz (cần sử dụng cùng Phụ lục M)

Khoảng cách

mm

Điện áp làm việc hiệu dụng không vượt quá

V

50 150 250 500 750 1 000
Chiều dài đường rò b c            
– PTI của cách điện chính hoặc cách điện phụ a            
≥600 0,6 0,8 1,3 2,5 3,8 5,0
<600 1,2 1,6 2,5 5 7,6 10
             
– PTI của cách điện tăng cường a            
≥600 d 1,6 2,6 5,0 7,6 10
<600 d 3,2 5,0 10 16 20

a PTI (chỉ số phóng điện bề mặt) phù hợp với IEC 60112.

b Đối với chiều dài đường rò, điện áp một chiều tương đương bằng với giá trị hiệu dụng của điện áp xoay chiều hình sin. Cho phép nội suy tuyến tính giữa các cột.

c Trong trường hợp kết hợp giữa điện áp và tần số đòi hỏi có chiều dài đường rò cao hơn các giá trị yêu cầu trong bảng này, bộ điều khiển được ghi nhãn với nội dung chi tiết của kết hợp này ( và tần số fUout) – xem IEC 61347-1:2015, 7.1, điểm w). Nội dung chi tiết và các giá trị yêu cầu đối với chiều dài đường rò, xem 16.2.2 của IEC 61347-1:2015.

d Các giá trị đang được xem xét.

Trong trường hợp chiều dài đường rò đến các bộ phận không mang điện hoặc không được thiết kế để nối đất tại nơi không thể xuất hiện phóng điện, giá trị quy định cho các vật liệu có PTI ≥ 600 được áp dụng cho tất cả các vật liệu (không cần chú ý đến giá trị PTI thực).

Đối với chiều dài đường rò chịu điện áp làm việc trong khoảng thời gian nhỏ hơn 60 s, giá trị quy định cho các vật liệu có PTI > 600 được áp dụng cho tất cả các vật liệu.

Đối với chiều dài đường rò ít có khả năng bị nhiễm bụi hay ẩm, áp dụng các giá trị quy định cho các vật liệu có PTI ≥ 600 (không cần chú ý đến giá trị PTI thực).

11.2.3 Khe hở không khí

Các giá trị tối thiểu của chiều dài đường rò được liệt kê trong Bảng 11.1.B và Bảng 11.2. Bảng 11.1.B phải được áp dụng cho tất cả các mạch điện có tính đến quá độ xuất hiện từ nguồn điện lưới. Bảng 11.2 áp dụng cho các mạch điện nơi các điện áp đỉnh được phát ra từ thiết bị (bên trong hoặc bên ngoài).

Các giá trị của Bảng 11.1.B và Bảng 11.2 là có hiệu lực đối với các điện áp có tần số dưới 30 kHz. Đối với các tần số cao hơn, phải áp dụng các yêu cầu dưới đây:

– Nếu điện áp và/hoặc tần số yêu cầu các khe hở không khí lớn hơn giá trị trong Bảng 11.1.B và Bảng 11.2, phải sử dụng điện áp đỉnh tương đương (Up) do nhà chế tạo bộ điều khiển cung cấp. Up có thể so sánh trực tiếp với các giá trị cho trong Bảng 11.2. Up có thể khác nhau khi đánh giá cách điện chính/phụ và cách điện tăng cường.

– Nếu đèn điện được sử dụng kết hợp với hoặc cùng với các thành phần hoặc cơ cấu không phải bộ điều khiển đề cập trong bộ tiêu chuẩn TCVN 7590 (IEC 61347) và tạo ra tần số cao hơn 30 kHz thì phải áp dụng các yêu cầu trong TCVN 10884-4 (IEC 60664-4).

Bảng 11.1.B – Khe hở không khí nhỏ nhất đối với các điện áp làm việc (cần sử dụng cùng Phụ lục M)

Khoảng cách

mm

Điện áp làm việc hiệu dụng không vượt quá

V

50 150 300 600 1 000

Khe hở không khí có các quá độ nguồn lưới phù hợp với chịu xung cấp II b

– Cách điện chính hoặc cách điện phụ

0,2 0,5 1,5 3 5,5
– Cách điện tăng cường 0,2 1,5 3 5,5 8

Khe hở không khí không có các quá độ nguồn lưới a,b

– Cách điện chính hoặc cách điện phụ

0,2 0,2 0,2 0,2 0,7
– Cách điện tăng cường 0,2 0,2 0,2 0,6 1,6

a PTI (chỉ số phóng điện bề mặt) phù hợp với IEC 60112.

b Đối với chiều đài đường rò, điện áp một chiều tương đương bằng với giá trị hiệu dụng của điện áp xoay chiều hình sin.

c Đối với khe hở không khí, điện áp một chiều tương đương bằng với giá trị đỉnh của điện áp xoay chiều.

d Đối với vật liệu cách điện có PTI ≥ 600, giá trị này giảm xuống hai lần giá trị cho cách điện chính đối với vật liệu này.

Khoảng cách nhỏ nhất đối với điện áp xung mồi cháy hoặc điện áp đỉnh tương đương (Up) được cho trong Bảng 11.2.

Bảng 11.2 – Khoảng cách nhỏ nhất đối với điện áp xung mồi cháy hoặc điện áp đỉnh tương đương Up

 

Điện áp xung mồi cháy danh định hoặc điện áp đình tương đương Up

kV

2,0 2,5 3,0 4,0 5,0 6,0 8,0 10 12
Khe hở không khí nhỏ nhất, mm a (cách điện chính và cách điện phụ) 1 1,5 2 3 4 5,5 8 11 14
Khe hở không khí nhỏ nhất, mm a (cách điện tăng cường) 2,2 3,0 3,8 6,0 8,0 10,4 15 19,4 24
 

Điện áp xung mồi cháy danh định hoặc điện áp đình tương đương Up

kV

15 20 25 30 40 50 60 80 100
Khe hở không khí nhỏ nhất, mm a 18 25 33 40 60 75 90 130 170
Khe hở không khí nhỏ nhất, mm a (cách điện tăng cường) 31,4 44 60 72 98 130 162 Không có sẵn giá trị

CHÚ THÍCH: Khoảng cách ở Bảng 11.2 được rút ra từ IEC 60664-1, Bảng F.2, trường hợp A, điều kiện trường không đồng nhất.

a Cho phép nội suy tuyến tính giữa các cột.

Đối với các khoảng cách chịu cả điện áp hình sin và xung điện áp không hình sin, khoảng cách nhỏ nhất yêu cầu không được nhỏ hơn giá trị cao nhất chỉ ra trong Bảng 11.1.A, Bảng 11.1.B và Bảng 11.2.

Mục 12: Thử nghiệm độ bền và thử nghiệm nhiệt

12.1 Yêu cầu chung

Mục này quy định các yêu cầu liên quan đến thử nghiệm độ bền và các thử nghiệm nhiệt của đèn điện.

12.2 Chọn bóng đèn và balát

Bóng đèn sử dụng cho các thử nghiệm này phải được chọn theo Phụ lục B.

Bóng đèn sử dụng trong thử nghiệm độ bền được cho làm việc ở công suất lớn hơn công suất danh định của nó trong thời gian kéo dài thêm, và không được sử dụng cho các thử nghiệm nhiệt. Tuy nhiên, để thuận tiện thường giữ lại các bóng đèn đã được sử dụng cho thử nghiệm nhiệt ở điều kiện làm việc bình thường để sử dụng cho thử nghiệm nhiệt trong điều kiện làm việc không bình thường.

Nếu đèn điện yêu cầu balát riêng và balát bất kỳ này không được cung cấp cùng đèn điện thì phải chọn balát cho các mục đích thử nghiệm là điển hình của sản xuất bình thường và phù hợp với yêu cầu kỹ thuật liên quan của balát. Công suất cung cấp cho bóng đèn chuẩn bởi balát này trong các điều kiện chuẩn phải trong phạm vi ±3 % công suất bóng đèn danh định.

CHÚ THÍCH 1: Xem tiêu chuẩn IEC phụ trợ liên quan để có điều kiện chuẩn.

CHÚ THÍCH 2: Ở tiêu chuẩn tính năng của bóng đèn liên quan, công suất danh định vẫn có thể được chỉ ra là công suất “khách quan”. Từ này sẽ được sửa trong lần xuất bản sau của các tiêu chuẩn này.

12.3 Thử nghiệm độ bền

Trong các điều kiện thể hiện chu kỳ gia nhiệt và để nguội khi vận hành, đèn điện không được trở nên mất an toàn hoặc hỏng sớm.

Kiểm tra sự phù hợp bằng cách thực hiện thử nghiệm mô tả ở 12.3.1.

12.3.1 Thử nghiệm

a) Đèn điện phải được lắp đặt trong hộp nhiệt bằng có phương tiện để khống chế nhiệt độ bao quanh ở bên trong hộp.

Đèn điện phải được định vị trên bề mặt đỡ (và ở cùng tư thế làm việc) tương tự như trong thử nghiệm nhiệt làm việc bình thường.

b) Nhiệt độ bao quanh ở bên trong hộp phải được duy trì trong phạm vi ±2 °C của (ta + 10) °C trong quá trình thử nghiệm; ta là 25 °C trừ khi có ghi nhãn khác trên đèn điện.

Nhiệt độ bao quanh bên trong hộp phải được đo theo Phụ lục K. Balát dùng để làm việc riêng rẽ với đèn điện phải được lắp đặt trong không khí tự do, không nhất thiết nằm trong hộp nhiệt, và phải được làm việc ở nhiệt độ bao quanh là 25 °C ± 5 °C.

c) Đèn điện phải được thử nghiệm trong hộp trong tổng thời gian là 168 h bao gồm bảy chu kỳ 24 h liên tiếp. Đặt điện áp cung cấp như quy định trong điểm d) dưới đây vào đèn điện trong 21 h đầu và ngắt điện trong 3 h còn lại của mỗi chu kỳ. Thời gian nung nóng ban đầu của đèn điện là phần của chu kỳ thử nghiệm đầu tiên.

Điều kiện mạch điện phải như trong làm việc bình thường cho sáu chu kỳ đầu, và trong điều kiện làm việc không bình thường (xem Phụ lục C) cho chu kỳ thứ bảy. Đối với đèn điện có động cơ điện (ví dụ, quạt) phải chọn điều kiện không bình thường ảnh hưởng nặng nề nhất đến kết quả thử nghiệm.

Đối với đèn điện mà không có thử nghiệm điều kiện không bình thường theo 12.5.1 thì tổng thời gian thử nghiệm phải là 240 h (tức là 10 x 24 chu kỳ ở điều kiện bình thường). Đối với đèn điện sợi đốt, phải áp dụng tổng thời gian thử nghiệm 240 h cho mọi trường hợp.

d) Trong thời gian làm việc, điện áp cung cấp cho đèn điện dùng bóng đèn sợi đốt, không phải ELV, phải là 1,05 ± 0,015 lần điện áp tại đó đạt được công suất danh định của bóng đèn.

Trong thời gian làm việc, điện áp cung cấp cho đèn điện khác phải là 1,10 ± 0,015 lần điện áp danh định hoặc giá trị lớn nhất của dải điện áp danh định.

Đối với đèn điện hoạt động với điện áp không đổi hoặc dòng điện không đổi không có trang bị bộ điều khiển thì thử nghiệm phải được thực hiện với 1,1 lần điện áp vào danh định không đổi hoặc dòng điện vào danh định không định, khi thích hợp.

e) Nếu đèn điện ngừng làm việc vì hỏng hóc, áp dụng các điều dưới đây:

– Nếu có khả năng hỏng một phần đèn điện (kể cả bóng đèn) áp dụng hướng dẫn ở điểm g) của 12.4.1.

– Nếu cơ cấu bảo vệ nhiệt tác động trong suốt sáu chu kỳ đầu, thử nghiệm phải được thay đổi như sau:

1) Đối với đèn điện có cơ cấu bảo vệ theo chu kỳ, đèn điện phải được để nguội cho đến khi cơ cấu này phục hồi. Đối với đèn điện có cơ cấu bảo vệ nhiệt tác động một lần (dây chảy nhiệt) thì phải thay cơ cấu này.

2) Đối với tất cả các loại đèn điện, thử nghiệm phải được tiếp tục đến tổng cộng 240 h với mạch điện và nhiệt độ được điều chỉnh sao cho cơ cấu bảo vệ không tác động. Đèn điện được xem là không đạt thử nghiệm nếu phải điều chỉnh xuống thấp hơn các đặc trưng danh định của đèn điện thì cơ cấu bảo vệ mới không tác động.

– Nếu cơ cấu bảo vệ nhiệt tác động trong chu kỳ thứ bảy (điều kiện không bình thường) thì phải để nguội hoặc trong trường hợp cơ cấu bảo vệ tác động một lần, phải thay thế và tiếp tục thử nghiệm với mạch điện và nhiệt độ được điều chỉnh sao cho cơ cấu bảo vệ không tác động.

CHÚ THÍCH: Giả thiết rằng nếu cơ cấu bảo vệ nhiệt tác động trong chu kỳ thứ bảy (điều kiện không bình thường) thì chứng tỏ đạt được chức năng bảo vệ dự kiến.

Cần thực hiện các bố trí để báo hiệu quy trình làm việc bị gián đoạn. Thời gian thử nghiệm hiệu quả không được giảm do kết quả của việc gián đoạn này.

12.3.2 Sự phù hợp

Sau thử nghiệm ở 12.3.1, đèn điện và các đèn điện lắp trên thanh ray, kể cả thanh ray và các bộ phận thành phần của hệ thống thanh ray phải được kiểm tra được bằng mắt. Không được có linh kiện nào của đèn điện không làm việc được (không phải khả năng hỏng như mô tả trong điểm e) của 12.3.1) và đui đèn nhựa xoáy ren Edison không được bị biến dạng. Đèn điện không bị mất an toàn và không gây hỏng cho hệ thống thanh ray. Ghi nhãn của đèn điện vẫn phải rõ ràng.

CHÚ THÍCH: Dấu hiệu về các điều kiện mất an toàn bao gồm nứt, cháy sém và biến dạng.

12.4 Thử nghiệm nhiệt (làm việc bình thường)

Trong điều kiện thể hiện vận hành bình thường, các bộ phận của đèn điện (kể cả bóng đèn), dây dẫn nguồn bên trong đèn điện hoặc bề mặt lắp đặt không được đạt đến nhiệt độ có thể gây ảnh hưởng bất lợi đến an toàn.

Ngoài ra, các bộ phận được thiết kế để chạm vào, cầm, điều chỉnh hoặc nắm bằng tay trong khi đèn điện ở nhiệt độ làm việc không được quá nóng đối với mục đích này.

Đèn điện không được gây quá nhiệt cho các vật thể được chiếu sáng.

Đèn điện lắp trong thanh ray không được gây quá nhiệt cho thanh ray mà chúng được lắp vào.

Kiểm tra sự phù hợp bằng cách tiến hành thử nghiệm mô tả ở 12.4.1. Điều kiện thử nghiệm để đo nhiệt độ thanh ray phải như nêu ở 12.1 của IEC 60570.

Đối với đèn điện có động cơ điện, động cơ này phải làm việc như dự kiến trong quá trình thử nghiệm.

12.4.1 Thử nghiệm

Nhiệt độ phải được đo như chỉ ra ở 12.4.2 phù hợp với các điều kiện sau:

a) Đèn điện phải được thử nghiệm trong hộp chống gió lùa được thiết kế để tránh thay đổi quá mức về nhiệt độ bao quanh. Đèn điện thích hợp để lắp đặt bề mặt phải được lắp trên bề mặt như mô tả trong Phụ lục D nhưng có thể sử dụng loại hộp khác nếu kết quả đạt được là tương thích với các kết quả đạt được khi sử dụng vỏ bọc mô tả trong Phụ lục D. (Đối với balát tách rời đèn điện, xem điểm h) của điều này.)

Đèn điện phải được nối với nguồn cung cấp bằng hệ thống đi dây và vật liệu bất kỳ (ví dụ, ống lót cách điện) được cung cấp cùng đèn điện cho mục đích này.

Nói chung, việc đấu nối phải theo hướng dẫn đi kèm với đèn điện hoặc được ghi nhãn trên đèn điện. Nếu không, việc đi dây yêu cầu để nối đèn điện cần thử nghiệm vào nguồn mà không được cung cấp cùng đèn điện phải là loại đại diện cho thực tế chung. Dây dẫn không được cung cấp cùng đèn điện sau đây được gọi là đoạn thử nghiệm.

Phép đo nhiệt độ được thực hiện phù hợp với các Phụ lục E và K.

b) Tư thế làm việc phải là tư thế bất lợi nhất về nhiệt có thể được chấp nhận một cách hợp lý trong vận hành. Đối với đèn điện cố định không điều chỉnh được, không phải chọn tư thế của đèn điện nếu trong hướng dẫn đi kèm hoặc ghi nhãn trên đèn điện quy định là không được phép. Đối với đèn điện điều chỉnh được, khoảng cách yêu cầu đến các vật thể được chiếu sáng phải được lưu ý nếu có ghi nhãn trên đèn điện, trừ các đèn điện không có phương tiện hãm cơ khí ở vị trí bất kỳ, khi đó vành trước của bộ phản xạ, nếu không thì bóng đèn phải được định vị cách bề mặt lắp đặt 100 mm.

c) Nhiệt độ bao quanh bên trong hộp chống gió lùa phải nằm trong dải từ 10 °C đến 30 °C và tốt nhất là 25 °C. Nhiệt độ này không được thay đổi quá ±1 °C trong các phép đo và trong suốt thời gian đủ dài trước đó làm ảnh hưởng đến kết quả.

Tuy nhiên, nếu bóng đèn có các đặc tính điện nhạy nhiệt (ví dụ, bóng đèn huỳnh quang) hoặc nếu thông số đặc trưng ta của đèn điện vượt quá 30 °C thì nhiệt độ bao quanh bên trong hộp chống gió lùa phải nằm trong phạm vi 5 °C so với ta và tốt nhất là bằng ta.

d) Điện áp thử nghiệm đối với đèn điện phải như dưới đây.

– Đèn điện dùng bóng đèn sợi đốt không phải là ELV: điện áp tạo ra 1,05 lần công suất danh định của bóng đèn thử nghiệm (xem Phụ lục B) trừ bóng đèn có nguồn thử nghiệm nhiệt (HTS) luôn làm việc ở điện áp ghi nhãn trên bóng đèn.

– Đèn điện dùng bóng đèn huỳnh quang dạng ống và đèn điện dùng bóng đèn phóng điện khác và đèn điện ELV có bóng đèn sợi đốt vônfram: 1,06 lần điện áp danh định (hoặc giá trị lớn nhất của dải điện áp danh định của đèn điện).

– Đối với động cơ có trong đèn điện: 1,06 lần điện áp danh định (hoặc giá trị lớn nhất của dải điện áp danh định của đèn điện).

Ngoại lệ:

Để xác định nhiệt độ trung bình của cuộn dây của phần tử có ghi nhãn tw và để xác định nhiệt độ của hộp có ghi nhãn tc, trừ tụ điện, điện áp thử nghiệm phải đúng bằng điện áp danh định. Ngoại lệ này chỉ áp dụng cho phép đo cuộn dây hoặc nhiệt độ hộp và không áp dụng, ví dụ, cho phép đo khối đầu nối trên cùng một phần tử.

Tụ điện có hoặc không có tc được thử nghiệm ở 1,06 lần điện áp danh định khi làm việc bên trong đèn điện dùng bóng đèn huỳnh quang hoặc bóng đèn phóng điện khác.

CHÚ THÍCH 1: Nếu đèn điện có cả bóng đèn sợi đốt hoặc bóng đèn huỳnh quang dạng ống hoặc bóng đèn phóng điện khác hoặc động cơ thì có thể cần cung cấp tạm thời cho đèn điện hai nguồn riêng rẽ.

Đối với đèn điện hoạt động với điện áp không đổi hoặc dòng điện không đổi không có trang bị bộ điều khiển thì thử nghiệm phải được thực hiện với 1,1 lần điện áp vào danh định không đổi hoặc dòng điện vào danh định không định, khi thích hợp.

e) Trong và ngay trước phép do, điện áp cung cấp phải giữ trong phạm vi ±1 % và tốt nhất là ±0,5 % điện áp thử nghiệm. Điện áp cung cấp phải được giữ trong phạm vi ±1 % điện áp thử nghiệm trong thời gian trước đó vì có thể ảnh hưởng đến phép đo; thời gian này không được nhỏ hơn 10 min.

f) Không được thực hiện các phép đo cho đến khi đèn điện đã ổn định nhiệt, tức là, nhiệt độ thay đổi với tốc độ nhỏ hơn 1 °C một giờ.

g) Nếu đèn điện ngừng làm việc vì một bộ phận của đèn điện có khuyết tật (kể cả bóng đèn) thì phải thay bộ phận này và tiếp tục thử nghiệm. Các phép đo đã được thực hiện thì không phải lặp lại nhưng đèn điện phải được ổn định trước khi thực hiện các phép đo khác. Tuy nhiên, nếu xuất hiện điều kiện nguy hiểm, hoặc nếu bộ phận bất kỳ trở nên không làm việc được như một khuyết tật điển hình thì đèn điện được xem là không đạt thử nghiệm.

h) Nếu bộ điều khiển từ xa/các bộ phận điều khiển từ xa cung cấp như một phần của đèn điện thì chúng phải được lắp đặt và vận hành theo hướng dẫn của nhà chế tạo. Nhiệt độ của tất cả các bộ phận này phải phù hợp với giới hạn quy định ở Mục 12.

Nếu bộ điều khiển từ xa không được cung cấp như một phần của đèn điện thì nhà chế tạo sẽ giao nộp bộ điều khiển điển hình của sử dụng bình thường. Bộ điều khiển này phải được làm việc trong không khí lưu thông tự do và ở nhiệt độ bao quanh bằng 25 °C ± 5 °C. Không phải đo nhiệt độ của bộ điều khiển.

i) Trong trường hợp nghi ngờ khi thử nghiệm đối với đèn điện dùng bóng đèn sợi đốt, phải lặp lại thử nghiệm với bóng đèn nguồn thử nghiệm phát nóng (HTS), nếu có sẵn. Đối với nhiệt độ chủ yếu bị ảnh hưởng bởi nhiệt độ đầu đèn thì các giá trị thu được từ bóng đèn HTS là quyết định. Đối với nhiệt độ chủ yếu bị ảnh hưởng bởi bức xạ thì các giá trị thu được từ bóng đèn sản xuất bình thường có bầu thủy tinh trong suốt là quyết định.

j) Đối với đèn điện được đề cập ở 3.2.13, chùm sáng từ đèn điện được chiếu thẳng đến bề mặt thẳng đứng bằng gỗ sơn đen mờ tương tự như được mô tả ở Phụ lục D. Đèn điện được lắp đặt ở khoảng cách được ghi nhãn trên đèn điện so với bề mặt này.

Trong quá trình thử nghiệm, phải thực hiện phép đo nhiệt độ của các bộ phận cách điện nhất định nếu có yêu cầu đối với các thử nghiệm ở Mục 13.

k) Đối với phép đo nhiệt độ của đui đèn dành cho bóng đèn huỳnh quang hai đầu, mối nối nóng của nhiệt ngẫu phải được đặt ngay vào bề mặt của đui đèn sát với đầu đèn. Nếu không thể thì cần đặt càng gần càng tốt với điểm này mà không chạm vào đầu đèn.

CHÚ THÍCH 2: Khuyến cáo rằng nhà chế tạo đèn điện cung cấp mẫu thử nghiệm điển hình với nhiệt ngẫu đã gắn với đui đèn. Thông thường, chỉ chuẩn bị một đui đèn theo cách này.

l) Trong quá trình thử nghiệm sự phù hợp, đi dây nguồn qua đèn điện và đi dây nguồn song song phải được mang tải đến giá trị lớn nhất mà cỡ dây cho phép, hoặc ở giá trị do nhà chế tạo quy định trong hướng dẫn lắp đặt.

CHÚ THÍCH 3: Ở Canada và Mỹ, trong quá trình thử nghiệm nhiệt, yêu cầu cả đi dây nguồn qua đèn điện và đi dây nguồn song song phải mang tải giá trị lớn nhất mà cỡ dây cho phép.

12.4.2 Sự phù hợp

Trong thử nghiệm ở 12.4.1, nhiệt độ không được vượt quá giá trị thích hợp nêu trong Bảng 12.1 và Bảng 12.2 (chỉ áp dụng điều kiện ở điểm a) của điều này) khi đèn điện làm việc ở nhiệt độ bao quanh danh định của nó ta.

Trong các trường hợp nhiệt độ trong hộp thử nghiệm khác với ta thì sự chênh lệch này phải được tính đến khi áp dụng các giới hạn trong các bảng (xem thêm điểm c) của 12.4.1).

a) Nhiệt độ không được vượt quá 5 °C so với các giá trị cho trong Bảng 12.1 và 12.2.

CHÚ THÍCH: Cho phép 5 °C là để tính đến sự biến đổi không thể tránh được trong phép đo nhiệt độ ở đèn điện.

b) Bất kỳ bộ phận nào của đèn điện có khả năng bị suy giảm do nhiệt trong vận hành thì nhiệt độ không được vượt quá giá trị ứng với thời gian vận hành hợp lý cho loại đèn điện cụ thể. Các giá trị chấp nhận được nói chung đối với các bộ phận chính của đèn điện được cho trong Bảng 12.1 và các giá trị đối với vật liệu chung, khi sử dụng trong đèn điện, được liệt kê trong Bảng 12.2. Các giá trị này được mô tả ở đây để thu được sự đánh giá đồng nhất; các giá trị sai khác chút ít có thể được trích dẫn đâu đó dựa trên cơ sở của dạng khác của vật liệu thử nghiệm hoặc cho các ứng dụng khác.

Nêu vật liệu sử dụng đòi hỏi phải chịu nhiệt độ cao hơn các giá trị nêu trong Bảng 12.2 hoặc nếu sử dụng vật liệu khác thì chúng không được đặt vào nhiệt độ vượt quá các giá trị đã được chứng minh là được phép cho các vật liệu này.

c) Nhiệt độ của đoạn thử nghiệm (xem điểm a) của 12.4.1), nếu được cách điện PVC thì không được vượt quá 90 °C (hoặc 75 °C tại nơi chịu ứng suất, ví dụ kẹp), hoặc nhiệt độ cao hơn nhiệt độ có thể được chỉ ra trên đèn điện hoặc trong hướng dẫn đi kèm đèn điện của nhà chế tạo phù hợp với các yêu cầu ở Mục 3. Giới hạn phải là 120 °C đối với sợi dây cách điện PVC (dây đi bên trong hoặc dây đi bên ngoài) kể cả khi được bảo vệ bổ sung bằng ống bọc ngoài chịu nhiệt đi kèm đèn điện, ống này phải phù hợp với các yêu cầu ở 4.9.2.

Bảng 12.1 – Nhiệt độ lớn nhất trong các điều kiện thử nghiệm ở 12.4.2 cho các bộ phận chính

Bộ phận

Nhiệt độ lớn nhất

°C

Đầu đèn Như quy định trong tiêu chuẩn bóng đèn tương ứng của IEC a
Cuộn dây trong balát hoặc biến áp có ghi nhãn tw tw
Hộp (của tụ điện, cơ cấu khởi động, balát điện tử hoặc bộ chuyển đổi, V.V..)  
Nếu ghi nhãn tc tcb
Đối với tụ điện nếu không ghi nhãn tc 50
Cuộn dây trong biến áp, động cơ, v.v…, nếu hệ thống cách điện của cuộn dây phù hợp với TCVN 8086 (IEC 60085) là:  
– của vật liệu cấp Ac 100
– của vật liệu cấp Ec 115
– của vật liệu cấp Bc 120
– của vật liệu cấp Fc 140
– của vật liệu cấp Hc 165
Cách điện của hệ thống đi dây Xem Bảng 12.2 và điểm b) và c) của 12.4.2
Các cực tiếp xúc của đui đèn và vật liệu cách điện của đui đèn và đui tắcte  
Ghi nhãn T1 hoặc T2 (B15 và B22)d (IEC 61184) 165 đối với T1 và 210 đối với T2
Loại khác có ghi nhãn T  
(TCVN 6639 (IEC 60238), TCVN 6481 (IEC 60400), IEC 60838e và IEC 61184) Ghi nhãn T
Loại khác không ghi nhãn T  
(E14, B15) (TCVN 6639 (IEC 60238) và IEC 61184) 135
(E27, B22) (TCVN 6639 (IEC 60238) và IEC 61184) (E26) 165
(E40) (TCVN 6639(IEC 60238)) (E26) 225
Đui đèn/đui tắcte bóng đèn huỳnh quang và đui đèn nung sáng không ghi nhãn T (TCVN 6481 (IEC 60400) và IEC 60838e) 80
Cơ cấu đóng cắt có ghi nhãn các thông số đặc trưng riêng:  
Có ghi nhãn T Ghi nhãn T
Không ghi nhãn T 55
Các bộ phận khác của đèn điện (theo vật liệu và sử dụng) Xem Bảng 12.2 và điểm b) của 12.4.2
Bề mặt lắp đặt:  
Bề mặt cháy bình thường 90
Bề mặt không cháy Không đo
Phương tiện điều chỉnh và không gian xung quanh nò  
Bộ phận kim loại 60
Bộ phận không phải kim loại 75
Vật thể được chiếu sáng bằng các điểm sáng (xem 12.4.1 j)): 90 (của bề mặt thử nghiệm)
Thanh ray (đối với đèn điện lắp trong thanh ray) Do nhà chế tạo thanh ray quy địnhg
Đèn điện cắm vào ổ cắm nguồn lưới và balát/biến áp liền phích cắm  
– phần vỏ được thiết kế để nắm bằng tay 75
– giao diện phích cắm/ổ cắm 70
– tất cả các phần khác 85
Cơ cấu khởi động chớp sáng thay thế được 80h

a Đối với đèn điện có ghi nhãn thông tin liên quan đến việc sử dụng bóng đèn hoặc nếu hiển nhiên là sử dụng bóng đèn đặc biệt thì cho phép giá trị cao hơn, như nhà chế tạo bóng đèn quy định. IEC 60357 và IEC 60682 cung cấp thông tin để đo nhiệt độ của kẹp đối với bóng đèn halogen vônfram. Các phép đo này được yêu cầu đối với các tiêu chí tính năng của bóng đèn nhưng không phải là tiêu chí an toàn của đèn điện. (Không phải do bóng đèn huỳnh quang một đầu trong các điều kiện thử nghiệm làm việc bình thường, xem Bảng 12.3).

Điều này không áp dụng cho bóng đèn được đề cập trong phạm vi áp dụng của IEC 60432-2. Phải tuân thủ các thông tin liên quan trong tiêu chuẩn này đối với thiết kế đèn điện.

b Đo tại điểm chuẩn cho trước do nhà chế tạo thiết bị đánh đấu.

c Phân loại vật liệu phù hợp với TCVN 8086 (IEC 60085) và các IEC 60216.

d Nhiệt độ đo trên mép của đầu đèn tương ứng.

e Đối với đui đèn hai chân, trong trường hợp có nghi ngờ, cần sử dụng giá trị trung bình của các số đo nhiệt độ cực tiếp xúc.

f Không áp dụng cho phương tiện điều chỉnh của đèn điện lắp trên trần hoặc đèn điện lắp chìm trong trần. Trong trường hợp hướng dẫn lắp đặt cung cấp hướng dẫn rõ ràng phải lắp đặt ngoài tầm với thì không áp dụng các giới hạn nhiệt độ này đối với phương tiện điều chỉnh.

g Về các điều kiện đo đối với nhiệt độ thanh ray, xem 12.1 của IEC 60570.

h Giới hạn nhiệt độ này là khuyến cáo đối với tính năng mà không phải khuyến cáo về an toàn

Bảng 12.2 – Nhiệt độ lớn nhất trong điều kiện thử nghiệm ở 12.4.2, đối với các vật liệu chung được sử dụng trong đèn điện

Bộ phận

Nhiệt độ lớn nhất

°C

Cách điện của dây đi (bên trong và bên ngoài), được cung cấp cùng đèn điện b:  
Sợi thủy tinh vecni silicôn đã ngâm tẩm 200a
Polytetratluoroetylen (PTFE) 250
Cao su silicôn (không chịu ứng suất) 200
Cao su Silicon (chỉ chịu ứng suất ép) 170
Polyvinyl clorua thông thường (PVC) 90a
Polyvinyl clorua chịu nhiệt (PEV) 105a
Etylen vinyl axetat (EVA) 140a
Cách điện của dây đi cố định (là một bộ phận cố định của hệ thống lắp đặt, không được cung cấp cùng đèn điện)a:  
Không cố ống bọc ngoài 90c
Có ống bọc ngoài thích hợp được cung cấp cùng đèn điện 120
Nhựa nhiệt dẻo:  
Acrylonitrile butađien styren (ABS) 95
Xenlulo axetat butyrate (CAB) 95
Polymetyl metacrylat (acrylic) 90
Polystyren 75
Polypropylen 100
Polycacbonat 130
Polyvinyl clorua (PVC) (trong trường hợp không sử dụng cho cách điện) 100
Polyamid (nylon) 120
Nhựa nhiệt cứng  
Phenol formaldehyt điền đầy chất khoáng (PF) 165
Phenol formaldehyt điền đầy xenlulô (PF) 140
Urê formaldehyt (UF) 90
Melamin 100
Polyeste có sợi thủy tinh tăng cường (GRP) 130
Các vật liệu khác:  
Giấy/vải nhựa liên kết 125
Cao su silicôn (trong trường hợp không sử dụng làm cách điện) 230
Cao su (trong trường hợp không sử dụng làm cách điện) 90
Gỗ, giấy, sợi và tương tự 90

a Giảm 15 °C tại nơi cách điện phải chịu ứng suất, ví dụ, kẹp hoặc uốn.

b Các yêu cầu kỹ thuật của cáp thường trích dẫn nhiệt độ lớn nhất khác nhưng các giá trị này dựa trên nhiệt độ làm việc liên tục chứ không phải các điều kiện thử nghiệm được nêu trong tiêu chuẩn này.

c Nhiệt độ này là giá trị lớn nhất cho phép trong các điều kiện thử nghiệm nhân tạo nêu trong bảng này, ví dụ, hộp chống gió lùa và điện áp cung cấp thử nghiệm lớn hơn giá trị danh định cho đèn điện. Cần lưu ý rằng ở một số nước các tiêu chuẩn về hệ thống lắp đặt của Châu âu và tiêu chuẩn về cáp của Châu âu quy định nhiệt độ 70 °C là giá trị lớn nhất mà dây đi cố định PVC có thể chịu được trong điều kiện làm việc liên tục bình thường.

12.5 Thử nghiệm nhiệt (điều kiện không bình thường)

Trong các điều kiện thể hiện điều kiện làm việc không bình thường (trong trường hợp thuộc đối tượng áp dụng, nhưng không thể hiện sự sai khác hoặc s dụng sai đèn điện), các bộ phận của đèn điện và bề mặt lắp đặt không được đạt tới nhiệt độ quá mức và dây đi bên trong đèn điện không được trở nên không an toàn.

CHÚ THÍCH: Dấu hiệu của điều kiện không an toàn có thể xảy ra gồm có nứt, cháy sém và biến dạng.

Đèn điện lắp trong thanh ray không được gây quá nhiệt cho thanh ray mà chúng được gắn vào.

Kiểm tra sự phù hợp bằng cách tiến hành thử nghiệm mô tả ở 12.5.1.

12.5.1 Thử nghiệm

Nhiệt độ của các bộ phận được liệt kê trong Bảng 12.3 phải được đo phù hợp với các điều kiện dưới đây.

a) Thử nghiệm phải được thực hiện nếu trong khi vận hành, đèn điện có thể ở điều kiện không bình thường như trong trường hợp 1), 2), 3) hoặc 4) dưới đây, và nếu điều kiện này có thể làm bất kỳ bộ phận nào ở nhiệt độ cao hơn nhiệt độ khi làm việc bình thường (trong trường hợp đó có thể cần thử sơ bộ).

Nếu có thể xảy ra nhiều hơn một điều kiện không bình thường thì phải chọn điều kiện có ảnh hưởng bất lợi nhất đến kết quả thử nghiệm.

Không áp dụng thử nghiệm cho đèn điện dùng bóng đèn sợi đốt không điều chỉnh được loại lắp cố định, trừ trường hợp 3) dưới đây.

1) Tư thế làm việc không an toàn có thể có, xảy ra không phải do sử dụng sai, ví dụ, nếu ngẫu nhiên đèn điện điều chỉnh được bị uốn theo chiều của bề mặt lắp đặt bằng cách sử dụng một lực tối thiểu là 30 N trong một thời gian ngắn và ở điểm bất lợi nhất trên đèn điện.

2) Điều kiện mạch điện không an toàn có thể có xảy ra không phải do chế tạo sai hoặc sử dụng sai; ví dụ điều kiện mạch điện xuất hiện ở cuối giai đoạn làm việc của bóng đèn hoặc tắcte (xem Phụ lục C).

3) Điều kiện làm việc không an toàn có thể có xảy ra do sử dụng bóng đèn GLS trong đèn điện dùng bóng đèn sợi đốt được thiết kế để dùng cho bóng đèn đặc biệt; ví dụ, nếu tạm thời thay bóng đèn đặc biệt bằng bóng đèn GLS có cùng điện áp.

4) Điều kiện mạch điện không an toàn có thể có xảy ra do ngắn mạch trong mạch thứ cấp (kể cả bản thân biến áp) của đèn điện có biến áp lắp trong nguồn cung cấp điện áp cho bóng đèn.

Thử nghiệm 2) chỉ áp dụng cho đèn điện dùng bóng đèn huỳnh quang dạng ống và bóng đèn phóng điện khác.

Thử nghiệm 4) phải được thực hiện khi ngắn mạch trong đui đèn. Trong quá trình thực hiện thử nghiệm 4), độ tăng nhiệt do nhiệt phát ra từ bóng đèn đến bề mặt lắp đặt phải được kiểm tra bằng thử nghiệm theo điểm 1), trong khi độ tăng nhiệt do nhiệt phát ra từ biến áp phải được đo với cực tiếp xúc của đui đèn được nối tắt.

Đèn điện có chứa động cơ điện được cho làm việc với rôto bị khóa cứng.

CHÚ THÍCH: Trong trường hợp có một hoặc nhiều động cơ, cần thực hiện thử nghiệm theo điều kiện tới hạn nhất (xem Phụ lục C).

Đèn điện phải được thử nghiệm trong các điều kiện quy định ở điểm a), c), e), f), h) và l) của 12.4.1. Ngoài ra, áp dụng các điểm dưới đây.

b) Điện áp thử nghiệm phải như sau:

Đèn điện dùng bóng đèn sợi đốt: như quy định ở điểm d) của 12.4.1.

Đèn điện dùng bóng đèn huỳnh quang dạng ống và bóng đèn phóng điện khác: 1,1 lần điện áp danh định hoặc giá trị lớn nhất của dải điện áp danh định.

Đối với động cơ có trong đèn điện: 1,1 lần điện áp danh định (hoặc giá trị lớn nhất của dải điện áp danh định).

Đèn điện có biến áp/bộ chuyển đổi trong khi ngắn mạch theo thử nghiệm 4): từ 0,9 đến 1,1 lần điện áp nguồn danh định, chọn giá trị bất lợi nhất.

CHÚ THÍCH: Nếu đèn điện có cả bóng đèn sợi đốt hoặc bóng đèn huỳnh quang dạng ống hoặc bóng đèn phóng điện khác hoặc động cơ thì có thể cần cung cấp tạm thời cho đèn điện hai nguồn riêng rẽ.

c) Nếu đèn điện ngừng làm việc vì một bộ phận của đèn điện có khuyết tật (kể cả bóng đèn) thì phải thay bộ phận này và tiếp tục thử nghiệm. Các phép đo đã được thực hiện thì không phải lặp lại nhưng đèn điện phải được ổn định trước khi thực hiện các phép đo khác. Tuy nhiên, nếu xuất hiện điều kiện nguy hiểm, hoặc nếu bộ phận bất kỳ trở nên không làm việc được như một khuyết tật điển hình thì đèn điện được xem là không đạt thử nghiệm.

Nếu cơ cấu bảo vệ trong đèn điện (ví dụ bộ cắt theo nguyên lý nhiệt hoặc bộ cắt dòng một lần hoặc theo chu kỳ) tác động trong quá trình thử nghiệm thì nhiệt độ cao nhất đạt được cần được lấy là nhiệt độ cuối cùng.

d) Nếu đèn điện có lắp tụ điện (không phải tụ điện được nối trực tiếp qua nguồn) thì tụ điện này phải được nối tắt, không phải chịu các yêu cầu ở Phụ lục C, nếu điện áp qua nó trong các điều kiện thử nghiệm vượt quá 1,25 lần điện áp danh định của nó đối với các tụ tự phục hồi hoặc 1,3 lần điện áp danh định của nó đối với tụ điện không tự phục hồi.

Đối với đèn điện hoạt động với điện áp không đổi hoặc dòng điện không đổi không có trang bị bộ điều khiển thì thử nghiệm phải được thực hiện với 1,1 lần điện áp vào danh định không đổi hoặc dòng điện vào danh định không định, khi thích hợp.

e) Đèn điện dùng cho một số bóng đèn thủy ngân kim loại và bóng đèn natri áp suất cao mà theo yêu cầu kỹ thuật của bóng đèn có thể dẫn đến quá nhiệt balát, biến áp hoặc cơ cấu khởi động hoặc biến áp thì phải thử nghiệm theo b2) của Phụ lục C.

12.5.2 Sự phù hợp

Trong thử nghiệm ở 12.5.1, nhiệt độ không được vượt quá 5 °C so với giá trị thích hợp nêu trong Bảng 12.3, 12.4 và 12.5 khi đèn điện làm việc ở nhiệt độ bao quanh danh định của nó ta. Trong các trường hợp nhiệt độ trong hộp thử nghiệm khác với ta thì sự chênh lệch này phải được tính đến khi áp dụng các giới hạn trong bảng này.

Bảng 12.3 – Nhiệt độ lớn nhất trong các điều kiện thử nghiệm ở 12.5.1

Bộ phận

Nhiệt độ lớn nhất

°C

Đầu đèn huỳnh quang một đầu Như quy định trong tiêu chuẩn bóng đèn tương ứng của IECc
Cuộn dây trong balát hoặc biến áp có ghi nhãn twa Xem Bảng 12.4 và 12.5
Cuộn dây trong biến áp, động cơ, v.v…, nếu hệ thống cách điện của cuộn dây phù hợp với TCVN 8086 (IEC 60086) là:  
– của vật liệu cấp Ac 150
– của vật liệu cấp Ec 165
– của vật liệu cấp Bc 175
– của vật liệu cấp Fc 190
– của vật liệu cấp Hc 210
Vỏ của tụ điện:  
– Nếu không ghi nhãn tc 60
– Nếu có ghi nhãn tc tc+10
Vỏ bộ mồi (tc + X) như ghi nhãn trên bộ mồi
Bề mặt lắp đặt:  
Bề mặt được bóng đèn chiếu sáng (đèn điện điều chỉnh được theo 12.5.1a) 1) 175
Bề mặt phát nóng do bóng đèn (đèn điện di động theo 4.12 của IEC 60598-2-4) 175
Bề mặt cháy bình thường 130
Bề mặt không cháy (đèn điện có ký hiệu hoặc lưu ý cảnh báo) Không đo
Thanh ray (đối với đèn điện lắp trong thanh ray) Do nhà chế tạo thanh ray quy định
Vỏ của đèn điện cắm vào ổ cắm nguồn lưới và balát/biến áp liền phích cắm được thiết kế để nắm bằng tay 75

a Trừ khi có quy định khác ghi trên balát, áp dụng nhiệt độ lớn nhất quy định trong cột S4.5 của Bảng 12.4 hoặc 12.5.

b Phân loại vật liệu phù hợp với TCVN 8086 (1EC 60085) và các IEC 60216.

c Thông tin liên quan đến (các) điểm đo và giới hạn nhiệt độ được nêu trong TCVN 7591:2006 (IEC 61199:1999), Phụ lục C.

Bảng 12.4 – Nhiệt độ lớn nhất của cuộn dây trong điều kiện làm việc không bình thường và ở 110 % điện áp danh định dùng cho bộ điều khiển bóng đèn

 

Nhiệt độ lớn nhất

°C

Hằng số S S4.5 S5 S6 S8 S11 S16
Đối với tw = 90 171 161 147 131 119 110
  95 178 168 154 138 125 115
  100 186 176 161 144 131 121
  105 194 183 168 150 137 126
  110 201 190 175 156 143 132
  115 209 198 181 163 149 137
  120 217 205 188 169 154 143
  125 224 212 195 175 160 149
  130 232 220 202 182 166 154
  135 240 227 209 188 172 160
  140 248 235 216 195 178 166
  145 256 242 223 201 184 171
  150 264 250 230 207 190 177

Bảng 12.5 – Nhiệt độ lớn nhất của cuộn dây trong điều kiện làm việc không bình thường và ở 110 % điện áp danh định dùng cho bộ điều khiển bóng đèn ghi nhãn “D6”

 

Nhiệt độ lớn nhất

°C

Hằng số S S4.5 S5 S6 S8 S11 S16
Đối với tw = 90 158 150 139 125 115 107
  95 165 157 145 131 121 112
  100 172 164 152 137 127 118
  105 179 171 158 144 132 123
  110 187 178 165 150 138 129
  115 194 185 171 156 144 134
  120 201 192 178 162 150 140
  125 208 199 194 168 155 145
  130 216 206 191 174 161 151
  135 223 213 198 180 167 156
  140 231 220 204 186 173 162
  145 238 227 211 193 179 168
  150 246 234 218 199 184 173

Đối với bộ điều khiển bóng đèn phải chịu thử nghiệm độ bền trong thời gian không phải 30 ngày hoặc 60 ngày thì cần sử dụng công thức (2) quy định trong tiêu chuẩn phụ trợ liên quan của IEC để tính nhiệt độ lớn nhất ứng với số ngày bằng hai phần ba của thử nghiệm độ bền theo lý thuyết.

(Giải thích về hằng số S và cách sử dụng nó được nêu trong tiêu chuẩn phụ trợ liên quan của IEC.)

12.6 Thử nghiệm nhiệt (cuộn dây trong bộ điều khiển bóng đèn không đạt thử nghiệm)

Chỉ áp dụng các thử nghiệm này cho đèn điện được phân loại dùng để lắp đặt trên bề mặt cháy bình thường và có lắp bộ điều khiển không đáp ứng các yêu cầu về khoảng cách ở 4.16.1 hoặc không có bảo vệ nhiệt phù hợp với 4.16.2. Bộ điều khiển bóng đèn bằng điện tử và cơ cấu kiểu quấn dây loại nhỏ có thể lắp vào bộ phận này không phải áp dụng các yêu cầu ở điều này.

12.6.1 Thử nghiệm đối với đèn điện không có cơ cấu cắt theo nguyên lý nhiệt

Đèn điện phải được thử nghiệm trong các điều kiện quy định ở điểm a), c), e), f), h) và l) của 12.4.1. Ngoài ra, áp dụng các yêu cầu dưới đây.

20 % của mạch bóng đèn trong đèn điện, và không nhỏ hơn một mạch bóng đèn, phải chịu các điều kiện không bình thường (xem điểm a) của 12.5.1).

Phải chọn các mạch bóng đèn có ảnh hưởng nhiệt lớn nhất lên bề mặt lắp đặt và các mạch bóng đèn khác phải làm việc ở điện áp danh định, hoặc ở giá trị lớn nhất của dải điện áp danh định trong điều kiện bình thường.

Sau đó, mạch điện đã chịu các điều kiện ở trên được cho làm việc ở 0,9, 1,0 và 1,1 lần điện áp danh định (hoặc giá trị lớn nhất của dài điện áp danh định). Khi các điều kiện là ổn định ở từng điện áp thử nghiệm trong ba điện áp thử nghiệm này thì đo nhiệt độ ở cuộn dây có nhiệt độ cao nhất và nhiệt độ cao nhất của phần bất kỳ của bề mặt lắp đặt.

Đối với đèn điện dùng bóng đèn huỳnh quang có bộ điều khiển bóng đèn bằng điện tử dùng nguồn xoay chiều có lắp cuộn lọc, phải xác định điện áp yêu cầu để có dòng điện làm việc bình thường. Cuộn lọc được cho làm việc ở 0,9, 1,0 và 1,1 lần điện áp này. Khi các điều kiện là ổn định ở từng điện áp thử nghiệm trong ba điện áp thử nghiệm này thì đo nhiệt độ cuộn dây có nhiệt độ cao nhất và nhiệt độ cao nhất của phần bất kỳ của bề mặt lắp đặt. Tất cả các phần khác của bộ điều khiển bóng đèn và bóng đèn phải ngừng hoạt động đối với thử nghiệm này.

Kiểm tra sự phù hợp như sau:

a) Nhiệt độ của bề mặt lắp đặt không được vượt quá 130 °C khi (các) mạch bóng đèn làm việc ở 1,1 lần điện áp danh định khi chịu điều kiện không bình thường.

b) Các giá trị nhiệt độ đo được ở 0,9, 1,0 và 1,1 lần điện áp danh định (hoặc giá trị lớn nhất của dải điện áp danh định) được dùng cho các công thức hồi quy tuyến tính để tính nhiệt độ của bề mặt lắp đặt liên quan đến nhiệt độ cuộn dây balát/biến áp bằng 350 °C. Nếu chênh lệch giữa nhiệt độ cuộn dây đo được ở tọa độ 0,9 và 1,1 nhỏ hơn 30 °C thì thêm vào điểm thứ tư có tọa độ là ta của cuộn dây, ta của bề mặt lắp đặt. Đường thẳng tốt nhất được vẽ qua các điểm này trên đồ thị. Nhiệt độ ước tính của bề mặt lắp đặt ứng với nhiệt độ cuộn dây balát bằng 350 °C không được vượt quá 180 °C.

CHÚ THÍCH: ta là ta danh định của đèn điện.

c) Đối với đèn điện lắp trong thanh ray, không có phần nào của thanh ray cho thấy có dấu hiệu mất an toàn, ví dụ, nứt, cháy sém hoặc biến dạng.

12.6.2 Thử nghiệm đối với đèn điện có bộ điều khiển nhạy nhiệt bên ngoài balát hoặc biến áp và đèn điện có balát bảo vệ nhiệt có công bố nhiệt độ ký hiệu

với giá trị ghi nhãn lớn hơn 130 °C.

Đèn điện phải được bố trí như mô tả ở 12.6.1 đối với thử nghiệm này.

Mạch điện phải chịu các điều kiện trên được cho làm việc với dòng điện tăng chậm và đều qua các cuộn dây cho đến khi cơ cấu cắt theo nguyên lý nhiệt tác động. Khoảng thời gian và độ tăng dòng điện phải sao cho đạt được cân bằng nhiệt đến mức có thể giữa nhiệt độ cuộn dây và bề mặt lắp đặt.

Trong quá trình thử nghiệm, nhiệt độ cao nhất của phần bất kỳ của bề mặt lắp đặt đèn điện phải được đo liên tục. Việc này bổ sung cho thử nghiệm đối với đèn điện lắp với dây chảy.

Đối với đèn điện lắp cơ cấu cắt theo nguyên lý nhiệt phục hồi bằng tay, phải lặp lại thử nghiệm ba lần, cho phép nghỉ 30 min giữa các thử nghiệm. Kết thúc mỗi 30 min nghỉ, cơ cấu cắt này phải được phục hồi.

Đối với đèn điện lắp cơ cấu cắt theo nguyên lý nhiệt tự phục hồi, thử nghiệm phải được tiếp tục cho đến khi nhiệt độ bề mặt lắp đặt đạt ổn định. Cơ cấu cắt theo nguyên lý nhiệt tự phục hồi phải tác động ba lần bằng cách đóng và cắt balát trong các điều kiện đã cho.

Biến áp kết hợp không thử nghiệm cùng vỏ của nó vẫn cần chịu thử nghiệm này vì các đặc tính này không được chứng minh trong tiêu chuẩn thành phần.

Kiểm tra sự phù hợp như sau:

Trong quá trình thử nghiệm, nhiệt độ của phần bất kỳ của bề mặt lắp đặt không được vượt quá 135 °C và không được lớn hơn 110 °C khi cơ cấu bảo vệ đóng lại mạch điện (với cơ cấu bảo vệ loại phục hồi), ngoại trừ:

Trong bất kỳ chu kỳ làm việc nào của cơ cấu bảo vệ trong quá trình thử nghiệm, nhiệt độ bề mặt có thể lớn hơn 135 °C với điều kiện là khoảng thời gian tính từ thời điểm nhiệt độ bề mặt lần đầu vượt quá giới hạn đến thời điểm đạt đến nhiệt độ lớn nhất chỉ ra trong Bảng 12.6 không dài hơn thời gian tương ứng chỉ ra trong bảng đó.

Bảng 12.6 – Giới hạn thời gian nhiệt độ vượt quá

Nhiệt độ cao nhất của bề mặt lắp đặt

°C

Thời gian lớn nhất để đạt nhiệt độ cao nhất tính từ 135 °C

min

Trên 180 0
Từ 175 đến 180 15
Từ 170 đến 175 20
Từ 165 đến 170 25
Từ 160 đến 165 30
Từ 155 đến 160 40
Từ 150 đến 155 50
Từ 145 đến 150 60
Từ 140 đến 145 90
Từ 135 đến 140 120

Sau thử nghiệm, áp dụng yêu cầu sau:

Nhiệt độ cao nhất của phần bất kỳ của bề mặt lắp đặt không được vượt quá 180 °C ở bất kỳ thời điểm nào trong các thử nghiệm đối với dây chảy nhiệt và cơ cấu cắt theo nguyên lý nhiệt phục hồi bằng tay, hoặc 130 °C trong các thử nghiệm đối với cơ cấu cắt theo nguyên lý nhiệt tự phục hồi.

Đối với đèn điện lắp trong thanh ray, không có phần nào của thanh ray cho thấy có dấu hiệu mất an toàn, ví dụ, nứt, cháy sém hoặc biến dạng.

12.7 Thử nghiệm nhiệt liên quan đến các điều kiện sự cố trong bộ điều khiển bóng đèn hoặc cơ cấu điện tử lắp trong đèn điện nhựa nhiệt dẻo

Chỉ áp dụng thử nghiệm cho đèn điện có vỏ bằng nhựa nhiệt dẻo không lắp giá đỡ cơ khí độc lập về nhiệt độ như ở 4.15.2.

Không được áp dụng thử nghiệm này cho biến áp độc lập được cung cấp cùng vỏ bọc của riêng nó, phù hợp với bộ tiêu chuẩn IEC 61558 và không áp dụng cho bộ điều khiển độc lập có vỏ bọc của riêng nó phù hợp với bộ tiêu chuẩn TCVN 7590 (IEC 61347).

12.7.1 Thử nghiệm đối với đèn điện không có cơ cấu điều khiển nhạy nhiệt

12.7.1.1 Thử nghiệm đối với đèn điện có lắp (các) balát của bóng đèn huỳnh quang có tải bóng đèn ≤ 70 W

Phải thử nghiệm ba đèn điện trong các điều kiện quy định ở điểm a), b), c), e) và h) ở 12.4.1. Ngoài ra, áp dụng các yêu cầu sau:

Balát cần thử nghiệm (có ảnh hưởng nhiệt lớn nhất lên các điểm dùng để cố định, bề mặt lắp đặt và các bộ phận để hở, được lắp bên trong đèn điện theo thiết kế đèn điện) phải được cấp nguồn trực tiếp ở 1,1 lần điện áp danh định trong 4 h (thời gian ổn định), theo Hình 32.

Nếu có nhiều hơn một balát được sử dụng bên trong đèn điện thì chỉ kiểm tra một trong số các balát này ở điều kiện sự cố; (các) balát khác phải được cấp nguồn ở 1,1 lần điện áp nguồn danh định trong điều kiện làm việc bình thường với (các) bóng đèn liên quan trong mạch điện (cho đến khi kết thúc thử nghiệm).

Sau giai đoạn ổn định ban đầu thứ nhất, điện áp cung cấp cho balát cần thử nghiệm phải được tăng 20 % điện áp cung cấp danh định và để trong thời gian 15 min. Nếu không xảy ra hỏng balát trong thời gian này, điện áp cung cấp cho balát cần thử nghiệm phải được tăng lặp lại theo các nấc 10 % điện áp cung cấp danh định trong 15 min cho đến khi balát hỏng.

Đối với mạch điện không phải chịu thử nghiệm, cần cẩn thận để tránh điện áp cung cấp tăng trong điều kiện sự cố (để kiểm tra điều này, cần đo dòng điện của balát). Sau khi balát hỏng, phải để đèn điện nguội về nhiệt độ xung quanh.

Bộ điều khiển bằng điện tử và cơ cấu quấn dây loại nhỏ lắp trong nó không phải chịu các yêu cầu này.

Phụ lục W cung cấp phương pháp khác cho các thử nghiệm được mô tả trong mục này. Phương pháp chuẩn được nêu trong 12.7.1.1.

Để thực hiện thử nghiệm sự cố này, cần có bảo vệ cho mạch cung cấp nhưng không được ảnh hưởng đến kết quả thử nghiệm.

Vì dòng điện cao có thể xuất hiện trong suốt thử nghiệm nên phải cung cấp bảo vệ thích hợp cho mạch thử nghiệm (xem chú thích trên). Phải cẩn thận để đảm bảo rằng cơ cấu bảo vệ không ảnh hưởng đến kết quả của thử nghiệm và phóng điện đánh thủng của balát xảy ra ở cuối thử nghiệm; phải cẩn thận để việc hỏng balát này là do đứt cuộn dây. Xem Hình 32.

Có thể sử dụng cầu chảy 20 A (có các đặc tính điện quy định ở IEC 60269).

Sau thử nghiệm, đèn điện phải được kiểm tra để đảm bảo rằng các bộ phận hợp thành vẫn duy trì đúng vị trí.

Các phần của vỏ đèn điện được cung cấp bảo vệ chống điện giật phải tiếp tục bảo vệ các bộ phận mang điện khỏi tiếp cận với ngón tay thử nghiệm tiêu chuẩn như quy định ở Mục 8.

12.7.1.2 Thử nghiệm đối với đèn điện có lắp bóng đèn phóng điện, bóng đèn huỳnh quang (> 70 W), biến áp có công suất > 10 VA

Đèn điện phải được thử nghiệm trong các điều kiện quy định ở điểm a), c), e), f) và h) của 12.4.1. Ngoài ra, áp dụng các yêu cầu dưới đây.

20 % của mạch bóng đèn trong đèn điện, và không nhỏ hơn một mạch bóng đèn, phải chịu các điều kiện không bình thường (xem điểm a) của 12.5.1).

Phải chọn (các) mạch bóng đèn có ảnh hưởng nhiệt lớn nhất đến điểm dùng để cố định và các bộ phận để hở còn các mạch bóng đèn khác phải làm việc ở điện áp danh định trong điều kiện bình thường.

(Các) mạch điện đã chịu các điều kiện không bình thường được cho làm việc ở 0,9, 1,0 và 1,1 lần điện áp danh định (hoặc giá trị lớn nhất của dải điện áp danh định). Khi các điều kiện ổn định, đo nhiệt độ của cuộn dây có nhiệt độ cao nhất và nhiệt độ cao nhất của điểm dùng để cố định và bộ phận để hở chịu ảnh hưởng nhiệt lớn nhất. Không cần đo nhiệt độ của cơ cấu quấn dây cỡ nhỏ lắp bên trong mạch điện tử.

Các giá trị của nhiệt độ xung quanh và nhiệt độ đo được ở 0,9, 1,0 và 1,1 lần điện áp danh định (hoặc giá trị lớn nhất của dải điện áp danh định) được dùng cho các công thức hồi quy tuyến tính để tính nhiệt độ của bề mặt lắp đặt liên quan đến nhiệt độ cuộn dây balát/biến áp bằng 350 °C. Nếu chênh lệch giữa nhiệt độ cuộn dây đo được ở tọa độ 0,9 và 1,1 nhỏ hơn 30 °C thì thêm vào điểm thứ tư có tọa độ là ta của cuộn dây, ta của phần cố định hoặc phần để hở. Sau đó, vật liệu nhựa nhiệt dẻo phải chịu thử nghiệm ép viên bi mô tả ở 13.2.1 ở nhiệt độ ước tính theo đường hồi quy tuyến tính nhưng không nhỏ hơn 75 °C. Phải đo đường kính của vết ép này và không được vượt quá 2 mm.

Đây là thử nghiệm điều kiện sự cố nhưng không áp dụng thử nghiệm ở 25 °C ở 13.2.1.

CHÚ THÍCH 2: ta là ta danh định của đèn điện.

12.7.1.3 Thử nghiệm đối với đèn điện có sẵn biến áp chống ngắn mạch có công suất ≤ 10 VA

Thử nghiệm sự cố phải được tiến hành theo phương pháp thử nghiệm ở 12.7.1.2 cho biến áp nhỏ có công suất đến 10 VA; kết thúc thời gian 4 h đầu, cuộn dây thứ cấp phải được nối tắt, trong trường hợp không có hỏng hóc, điện áp phải được tăng lên theo các bước giống như trong 12.7.1.1 đến khi hỏng.

Dòng điện ngắn mạch phải tiếp tục cho đến khi xảy ra hỏng biến áp; biến áp được lắp trong vỏ của nó (ví dụ, bộ chuyển đổi khẩn cấp) và cho thấy phù hợp với tiêu chuẩn an toàn liên quan của riêng biến áp thì được xem là phù hợp với điều này mà không cần thử nghiệm nữa.

Sau thử nghiệm, đèn điện phải được kiểm tra để đảm bảo rằng các bộ phận hợp thành vẫn duy trì đúng vị trí.

Các phần của vỏ đèn điện dùng để bảo vệ chống điện giật phải tiếp tục bảo vệ các bộ phận mang điện khỏi tiếp cận với ngón tay thử nghiệm tiêu chuẩn như quy định ở Mục 8.

Vì dòng điện cao có thể xuất hiện trong suốt thử nghiệm nên phải cung cấp bảo vệ thích hợp cho mạch thử nghiệm (xem chú thích ở 12.7.1.1 ). Phải cẩn thận để đảm bảo rằng cơ cấu bảo vệ không ảnh hưởng đến kết quả của thử nghiệm và phóng điện đánh thủng của biến áp xảy ra ở cuối thử nghiệm.

12.7.2 Thử nghiệm đối với đèn điện có bộ điều khiển nhạy nhiệt bên trong/bên ngoài balát hoặc biến áp

Đèn điện phải được bố trí cho thử nghiệm này như mô tả ở ba đoạn đầu của 12.7.1.2.

Mạch điện phải chịu các điều kiện không bình thường được cho làm việc với dòng điện tăng chậm và đều qua các cuộn dây cho đến khi bộ điều khiển nhạy nhiệt tác động.

Khoảng thời gian và độ tăng dòng điện phải sao cho đạt được cân bằng nhiệt đến mức có thể giữa nhiệt độ cuộn dây và nhiệt độ của điểm dùng để cố định và các phần để hở bị ảnh hưởng nhiệt nhiều nhất. Trong quá trình thử nghiệm, nhiệt độ cao nhất của các điểm thử nghiệm phải được đo liên tục.

Đối với đèn điện lắp cơ cấu cắt theo nguyên lý nhiệt phục hồi bằng tay, phải lặp lại thử nghiệm sáu lần, cho phép nghỉ 30 min giữa các thử nghiệm. Kết thúc mỗi 30 min nghỉ, cơ cấu cắt này phải được phục hồi.

Đối với đèn điện lắp cơ cấu cắt theo nguyên lý nhiệt tự phục hồi, thử nghiệm phải được tiếp tục cho đến khi đạt được nhiệt độ ổn định.

Để thực hiện thử nghiệm trên biến áp, xem thêm 15.3.5 của IEC 61558-1:2005. Bộ điều khiển nhạy nhiệt bên ngoài biến áp phải được kiểm tra theo 20.4, 20.5 và 20.6 của IEC 61558-1:2005.

Phải ghi lại nhiệt độ cao nhất của điểm dùng để cố định và các phần để hở bị ảnh hưởng nhiệt nhiều nhất. Sau đó, vật liệu nhựa nhiệt dẻo phải chịu thử nghiệm ép viên bi mô tả ở 13.2.1 ở nhiệt độ ghi được lớn nhất nhưng không nhỏ hơn 75 °C. Phải đo đường kính của vết lõm và không được vượt quá 2 mm.

Đây là thử nghiệm điều kiện sự cố nhưng không áp dụng thử nghiệm ở 25 °C ở 13.2.1.

CHÚ THÍCH 1: “Điểm dùng để cố định” (ở 12.7) nghĩa là cả điểm dùng để cố định của các bộ phận và điểm dùng để cố định của đèn điện với bề mặt lắp đặt.

CHÚ THÍCH 2: “Bộ phận để hở” (ở 12.7) nghĩa là bề mặt bên ngoài của nắp che.

CHÚ THÍCH 3: Theo các yêu cầu ở 12.7, phép đo các bộ phận để hở chỉ giới hạn đến các bộ phận dùng để cố định đèn điện/bộ phận hoặc các bộ phận cung cấp tấm chắn bảo vệ chống tiếp xúc ngẫu nhiên với bộ phận mang điện, như yêu cầu ở Mục 8 của tiêu chuẩn này.

CHÚ THÍCH 4: Phải đo phần nóng nhất của phần vật liệu nhựa nhiệt dẻo cần thử nghiệm. Điểm này thường nằm trên bề mặt bên trong của nắp che mà không phải bề mặt bên ngoài.

CHÚ THÍCH 5: Các giới hạn nhiệt độ của vật liệu được quy định đối với cả vật liệu có tải cơ và không có tải cơ.

Mục 13: Khả năng chịu nhiệt, cháy và phóng điện bề mặt

13.1 Quy định chung

Mục này quy định các yêu cầu và thử nghiệm liên quan đến khả năng chịu nhiệt, cháy và phóng điện bề mặt của bộ phận nhất định của vật liệu cách điện của đèn điện.

Đối với tấm mạch in, tham khảo các yêu cầu ở IEC 61249.

13.2 Khả năng chịu nhiệt

Các bộ phận bên ngoài bằng vật liệu cách điện để bảo vệ chống điện giật và bộ phận bằng vật liệu cách điện giữ bộ phận mang dòng hoặc bộ phận SELV đúng vị trí phải có đủ khả năng chịu nhiệt.

Không phải áp dụng thử nghiệm ép viên bi cho các bộ phận bằng nhựa của đèn điện có cách điện phụ.

13.2.1 Kiểm tra sự phù hợp bằng thử nghiệm sau:

Không thực hiện thử nghiệm trên các phần bằng vật liệu gốm hoặc trên cách điện của sợi dây.

Phải thực hiện thử nghiệm trong tủ nhiệt có nhiệt độ lớn hơn nhiệt độ làm việc của bộ phận liên quan được xác định trong thử nghiệm nhiệt độ (làm việc bình thường) ở mục 12 là 25 °C + 5 °C, với nhiệt độ nhỏ nhất là 125 °C khi thử nghiệm các bộ phận giữ bộ phận mang dòng hoặc bộ phận SELV đúng vị trí và 75 °C đối với các bộ phận khác.

Bề mặt của phần được thử nghiệm phải được đặt ở tư thế nằm ngang và ép viên bi bằng thép có đường kính 5 mm vào bề mặt này với lực bằng 20 N. Trang bị thích hợp cho thử nghiệm này được thể hiện trong Hình 10. Nếu bề mặt cần thử nghiệm cong thì cần đỡ phần má viên bi ép vào.

Sau 1 h, lấy viên bi ra khỏi mẫu và làm nguội mẫu bằng cách nhúng trong nước lạnh trong 10 s. Đo đường kính của vết lõm và đường kính này không được vượt quá 2 mm.

13.3 Khả năng chịu lửa và chịu cháy

Bộ phận bằng vật liệu cách điện giữ bộ phận mang dòng hoặc bộ phận SELV đúng vị trí và bộ phận bên ngoài bằng vật liệu cách điện để bảo vệ chống điện giật phải có khả năng chịu lửa và chịu cháy.

Đối với vật liệu không phải bằng gốm, kiểm tra sự phù hợp bằng thử nghiệm ở 13.3.1 hoặc 13.3.2, nếu thuộc đối tượng áp dụng.

13.3.1 Bộ phận bằng vật liệu cách điện để giữ bộ phận mang dòng hoặc bộ phận SELV đúng vị trí phải chịu các thử nghiệm sau. Bộ phận cần thử nghiệm phải chịu thử nghiệm ngọn lửa hình kim theo TCVN 9615-11-5 (IEC 60695-11-5), ngọn lửa thử nghiệm được đặt lên mẫu trong 10 s tại điểm có khả năng xảy ra nhiệt độ cao nhất, có thể đo nếu cần, trong quá trình thử nghiệm nhiệt ở Mục 12.

Thời gian cháy không được vượt quá 30 s sau khi lấy ngọn lửa ra và bất kỳ tàn lửa nào rơi từ mẫu cũng không được mồi cháy các bộ phận nằm bên dưới hoặc cháy giấy bản quy định ở TCVN 9615-2-11 (IEC 60695-2-11).

Không áp dụng yêu cầu của điều này trong trường hợp đèn điện có tấm chắn hiệu quả chống các tàn lửa.

13.3.2 Bộ phận bằng vật liệu cách điện không dùng để giữ bộ phận mang dòng đúng vị trí nhưng để bảo vệ chống điện giật, và các bộ phận bằng vật liệu cách điện giữ cho bộ phận SELV đúng vị trí phải chịu thử nghiệm sau.

Các bộ phận phải chịu thử nghiệm sử dụng sợi dây nóng đỏ niken-crôm nung nóng đến 650 °C. Trang bị thử nghiệm và quy trình thử nghiệm phải như mô tả trong TCVN 9615-2-11 (IEC 60695-2-11).

Bất kỳ ngọn lửa hay than đỏ nào của mẫu cũng phải tự tắt trong vòng 30 s khi rút sợi dây nóng đỏ ra và bất kỳ tàn lửa hoặc giọt nóng chảy nào cũng không được mồi cháy lớp giấy bản theo quy định ở TCVN 9615-2-11 (IEC 60695-2-11).

Không áp dụng yêu cầu của điều này trong trường hợp đèn điện có tấm chắn hiệu quả chống các tàn lửa hoặc trong trường hợp vật liệu cách điện là gốm.

13.4 Khả năng chịu phóng điện bề mặt

Bộ phận cách điện của đèn điện, không phải đèn điện thông thường, dùng để giữ bộ phận mang dòng hoặc bộ phận SELV đúng vị trí hoặc tiếp xúc với các bộ phận này, phải là vật liệu chịu được phóng điện bề mặt trừ khi chúng được bảo vệ chống bụi và hơi ẩm.

13.4.1 Kiểm tra sự phù hợp bằng thử nghiệm dưới đây, được thực hiện ở ba vị trí trên mẫu thử nghiệm.

Đối với các vật liệu không phải là gốm, kiểm tra sự phù hợp bằng thử nghiệm chống phóng điện bề mặt theo IEC 60112 với chi tiết như sau:

– Nếu mẫu không có bề mặt phẳng tối thiểu là 15 mm x 15 mm thì có thể tiến hành thử nghiệm trên một bề mặt phẳng có kích thước giảm lược với điều kiện là các giọt chất lỏng không chảy ra ngoài mẫu trong quá trình thử nghiệm. Tuy nhiên, không được sử dụng các phương tiện nhân tạo để giữ chất lỏng trên bề mặt. Trong trường hợp có nghi ngờ, có thể thực hiện thử nghiệm trên một dải vật liệu riêng rẽ cùng loại, có kích thước yêu cầu và được chế tạo theo cùng quy trình.

– Nếu chiều dày của mẫu nhỏ hơn 3 mm thì cần gộp hai mẫu, hoặc nhiều hơn nếu cần, để có được chiều dày tối thiểu là 3 mm.

– Thử nghiệm phải được thực hiện ở ba vị trí của mẫu hoặc trên ba mẫu.

– Các cực (xem Hình 11) phải là platin và phải sử dụng dung dịch thử nghiệm A, như mô tả ở 7.3 của IEC 60112:2003.

13.4.2 Mẫu phải chịu được 50 giọt chất lỏng mà không hỏng ở điện áp thử nghiệm ứng với chỉ số phóng điện bề mặt PT1175.

Xuất hiện hỏng nếu dòng điện bằng 0,5 A hoặc lớn hơn chạy trong ít nhất 2 s theo tuyến dẫn giữa các điện cực trên bề mặt của mẫu, làm tác động rơle quá dòng hoặc nếu mẫu cháy mà không nhà rơle quá dòng.

Không áp dụng Điều 9 của IEC 60112 liên quan đến xác định ăn mòn.

Không áp dụng chú thích 3 ở Điều 5 của IEC 60112 :2003 liên quan đến xử lý bề mặt.

Mục 14: Đầu nối bắt ren

14.1 Quy định chung

Mục này quy định các yêu cầu đối với tất cả các loại đầu nối sử dụng vít lắp vào đèn điện.

Ví dụ về đầu nối bắt vít được chỉ ra trong các hình từ Hình 12 đến Hình 16.

14.2 Thuật ngữ và định nghĩa

14.2.1

Đầu nối kiểu trụ (pillar terminal)

Đầu nối trong đó ruột dẫn được luồn vào trong một lỗ hoặc hốc và được kẹp bên dưới chân (các) vít. Lực kẹp có thể do chân vít ép trực tiếp hoặc thông qua một chi tiết kẹp trung gian chịu lực ép của chân vít.

Ví dụ về đầu nối kiểu trụ được cho trên Hình 12.

14.2.2

Đầu nối bắt vít (screw terminal)

Đầu nối trong đó ruột dẫn được kẹp bên dưới mũ vít. Lực kẹp có thể do mũ vít ép trực tiếp hoặc thông qua chi tiết trung gian ví dụ như vòng đệm, lá kẹp hoặc cơ cấu chống tở dây.

Ví dụ về đầu nối bắt vít được cho trên Hình 13.

14.2.3

Đầu nối bắt bulông (stud terminal)

Đầu nối trong đó ruột dẫn được kẹp bên dưới đai ốc. Lực kẹp có thể ép trực tiếp nhờ đai ốc có hình dạng thích hợp hoặc thông qua chi tiết trung gian như vòng đệm, lá kẹp hoặc cơ cấu chống tở dây.

Ví dụ về đầu nối bắt bulông được cho trên Hình 13.

14.2.4

Đầu nối kiểu yên ngựa (saddle terminal)

Đầu nối trong đó ruột dẫn được đặt dưới một tấm kẹp hình yên ngựa và được kẹp bởi hai hoặc nhiều vít hoặc đai ốc.

Ví dụ về đầu nối kiểu yên ngựa được cho trên Hình 14.

14.2.5

Đầu nối kiểu lỗ (lug terminal)

Đầu nối bắt vít hoặc đầu nối bắt bulông được thiết kế để kẹp đầu cốt của cáp hoặc kẹp thanh dẫn bằng vít hoặc đai ốc.

Ví dụ về đầu nối kiểu lỗ được cho trên Hình 15.

14.2.6

Đầu nối măng sông (mantle terminal)

Đầu nối trong đó ruột dẫn được kẹp áp vào đáy của một rãnh bằng một vòng đệm có hình dạng thích hợp đặt dưới đai ốc hay một cái nêm nếu là đai ốc có mũ hoặc bằng chi tiết có hiệu quả tương đương để truyền lực ép từ đai ốc lên ruột dẫn bên trong rãnh.

Ví dụ về đầu nối măng sông được cho trên Hình 16.

14.3 Yêu cầu chung và nguyên tắc cơ bản

14.3.1 Các yêu cầu này áp dụng cho đầu nối có vít kẹp mang dòng không vượt quá 3 A, được thiết kế để nối, chỉ bằng cách kẹp, ruột dẫn đồng của cáp hoặc dây mềm.

Yêu cầu này không loại trừ các đầu nối có kiểu không phải kiểu được chỉ ra trong các hình từ Hình 12 đến Hình 16.

14.3.2 Đầu nối có thiết kế đa dạng và có hình dạng khác nhau: trong số đó, bao gồm: đầu nối trong đó ruột dẫn được kẹp trực tiếp hoặc gián tiếp bên dưới chân vít, đầu nối trong đó ruột dẫn được kẹp trực tiếp hoặc gián tiếp bên dưới mũ vít, đầu nối trong đó ruột dẫn được kẹp trực tiếp hoặc gián tiếp bên dưới đai ốc và đầu nối được thiết kế riêng để sử dụng với đầu cốt của cáp hoặc thanh dẫn.

Nguyên tắc cơ bản chi phối các yêu cầu này được quy định ở các điều từ 14.3.2.1 đến 14.3.2.3.

14.3.2.1 Đầu nối chủ yếu để nối chỉ một ruột dẫn, mặc dù, do phạm vi rộng rãi của ruột dẫn mà mỗi đầu nối được yêu cầu để kẹp, trong một số trường hợp, đầu nối có thể thích hợp để kẹp hai ruột dẫn có cùng tiết diện danh nghĩa nhỏ hơn giá trị lớn nhất mà đầu nối được thiết kế.

Một số loại đầu nối nhất định, cụ thể là đầu nối kiểu trụ và đầu nối măng sông, có thể sử dụng để đi dây nguồn song song, khi cần nối hai hoặc nhiều ruột dẫn có cùng hoặc khác tiết diện danh nghĩa hoặc cấu tạo. Trong những trường hợp này, kích cỡ đầu nối quy định trong tiêu chuẩn này có thể không áp dụng được.

14.3.2.2 Nói chung, các đầu nối thích hợp để nối cáp hoặc dây mềm mà không cần chuẩn bị đặc biệt ruột dẫn, nhưng trong một số trường hợp nhất định, cần có dự phòng để nối đầu cốt cáp hoặc để nối đến thanh dẫn.

14.3.2.3 Phân loại bằng số đối với đầu nối được chấp nhận, dựa trên tiết diện danh nghĩa của ruột dẫn mà đầu nối chấp nhận. Theo phân loại này, mỗi đầu nối có thể chấp nhận bất kỳ một trong ba kích cỡ liên tiếp của ruột dẫn trong dài tiết diện danh nghĩa quy định trong TCVN 6610 (IEC 60227) hoặc TCVN 9615 (IEC 60245).

Ngoài ra, kích cỡ của ruột dẫn trong phạm vi mỗi dải tiến lên một nấc cho mỗi mức tăng kích cỡ của đầu nối.

Tiết diện danh nghĩa của ruột dẫn được ấn định cho mỗi đầu nối được cho trong Bảng 14.1, bảng này cũng nêu đường kính của ruột dẫn lớn nhất mà mỗi đầu nối có thể chấp nhận.

Có thể sử dụng đầu nối với ruột dẫn nhỏ hơn danh nghĩa nêu trong dải, với điều kiện là ruột dẫn được kẹp với lực ép đủ để đảm bảo nối điện và cơ thích hợp.

Bảng 14.1 – Tiết diện danh nghĩa của ruột dẫn theo kích cỡ đầu nối

Kích cỡ đầu nối Ruột dẫn mềm Ruột dẫn cứng, một sợi hoặc bện

Tiết diện danh nghĩa

mm2

Đường kính của ruột dẫn lớn nhất

mm

Tiết diện danh nghĩa

mm2

Đường kính của ruột dẫn lớn nhất

mm

0a 0,5 0,75 1 1,45
1b 0,75 1 1,5 1,73 0,75 1 1,5 1,45
2 1 1,5 2,5 2,21 1 1,5 2,5 2,13
3 1,5 2,5 4 2,84 1,5 2,5 4 2,72
4c 2,5 4 6 3,87 2,5 4 6 3,34
5 2,5 4 6 4,19 4 6 10 4,32
6 4 6 10 5,31 6 10 16 5,46
7 6 10 16 6,81 10 16 25 6,83

a Không thích hợp cho ruột dẫn cứng. Thích hợp cho ruột dẫn mềm có tiết diện 0,4 mm2 (xem 5.3.1).

b Cũng thích hợp cho ruột dẫn mềm có tiết diện danh nghĩa bằng 0,5 mm2 nếu đầu ruột dẫn được gặp đôi lại.

c Không thích hợp cho ruột dẫn mềm 6 mm2 của một số kết cấu đặc biệt.

14.3.3 Đầu nối phải cho phép đấu nối đúng ruột dẫn đồng có tiết diện danh nghĩa như cho trong Bảng 14.2 và không gian dành cho ruột dẫn phải tối thiểu như trên Hình 12,13,14 hoặc 16, nếu thích hợp.

Không áp dụng các yêu cầu này cho đầu nối kiểu lỗ.

Bảng 14.2 – Tiết diện danh nghĩa của ruột dẫn theo dòng điện lớn nhất

Dòng điện lớn nhất mà đầu nối phải mang A Ruột dẫn mềm Ruột dẫn cứnq, một sợi hoặc bện

Tiết diện danh nghĩa

mm2

Kích cỡ ruột dẫn

Tiết diện danh nghĩaa

mm2

Kích cỡ ruột dẫn

mm

2 0,4 0
6 0,5 đến 1 0 0,75 đến 1,5 1
10 0,75 đến 1,5 1 1 đến 2,5 2
16 1 đến 2,5 2 1,5 đến 4 3
20 1,5 đến 4 3 1,5 đến 4 3
25 1,5 dến 4 3 2,5 đến 6 4
32 2,5 đến 6 4 hoặc 5b 4 đến 10 5
40 4 đến 10 6 6 đến 16 6
63 6 đến 16 7 10 đến 25 7

a Không áp dụng các yêu cầu này cho đầu nối được sử dụng để nối liên kết các linh kiện khác nhau của đèn điện bằng cáp hoặc dây mềm không phù hợp với TCVN 6610 (IEC 60227) hoặc TCVN 9615 (IEC 60245) nếu đáp ứng các yêu cầu khác của tiêu chuẩn này.

Kích cỡ đầu nối số 4 không thích hợp cho ruột dẫn mềm 6 mm2 của một số kết cấu đặc biệt, trong trường hợp đó, cần sử dụng kích cỡ đầu nối số 5.

Kiểm tra sự phù hợp bằng cách xem xét, bằng phép đo và bằng cách lắp ruột dẫn có diện tích nhỏ nhất và lớn nhất quy định.

14.3.4 Đầu nối phải cung cấp đấu nối thích hợp các ruột dẫn.

Kiểm tra sự phù hợp bằng cách thực hiện tất cả các thử nghiệm ở 14.4.

14.4 Thử nghiệm cơ

14.4.1 Đối với đầu nối kiểu trụ, khoảng cách giữa vít kẹp và đầu ruột dẫn khi luồn vào hoàn toàn phải ít nhất là như trên Hình 12.

Khoảng cách nhỏ nhất giữa vít kẹp và đầu ruột dẫn chỉ áp dụng cho đầu nối kiểu trụ mà ruột dẫn không thể đi qua.

Đối với đầu nối măng sông, khoảng cách giữa phần cố định và đầu ruột dẫn, khi luồn hoàn toàn phải ít nhất là như trên Hình 16.

Kiểm tra sự phù hợp bằng phép đo, sau khi ruột dẫn một sợi có tiết diện lớn nhất nêu trong Bảng 14.2 được gài vào hoàn toàn và kẹp hoàn toàn.

14.4.2 Đầu nối phải được thiết kế và đặt sao cho ruột dẫn một sợi cũng như sợi bện của ruột dẫn bện không trượt ra khi xiết chặt vít kẹp hoặc đai ốc.

Không áp dụng yêu cầu này cho đầu nối kiểu lỗ.

Đối với đèn điện cố định được thiết kế chỉ riêng cho đấu nối cố định đến dây dẫn (bên ngoài) cố định, chỉ áp dụng yêu cầu này khi sử dụng ruột dẫn bện một sợi hoặc ruột dẫn bện cứng. Thử nghiệm được thực hiện với ruột dẫn bện cứng.

Kiểm tra sự phù hợp bằng thử nghiệm dưới đây.

Đầu nối được lắp với ruột dẫn có kết cấu như nêu trong Bảng 14.3.

Bảng 14.3 – Kết cấu của ruột dẫn

Kích cỡ đầu nối

Số sợi bện và đường kính danh nghĩa của các sợi bện

(n x mm)

Ruột dẫn mềm Ruột dẫn bện cứng
0 32 x 0,20
1 30 x 0,25 7 x 0,50
2 50 x 0,25 7 x 0,67
3 56 x 0,30 7 x 0,85
4 84 x 0,30 7 x 1,04
5 84 x 0,30 7 x 1,35
6 80 x 0,40 7 x 1,70
7 126 x 0,40 7 x 2,14

Trước khi luồn vào đầu nối, các sợi bện của ruột dẫn cứng được nắn thẳng và các ruột dẫn mềm được xoắn lại theo một chiều sao cho tạo thành một vòng xoắn đồng đều trên chiều dài xấp xỉ 20 mm.

Ruột dẫn được luồn vào đầu nối một khoảng tối thiểu theo quy định hoặc trong trường hợp không có quy định về khoảng này, luồn ruột dẫn vào đầu nối cho đến khi nó vừa nhô ra khỏi phía bên kia của đầu nối và ở vị trí mà sợi bện dễ bị tuột ra nhất. Vít kẹp sau đó được xiết với mômen bằng 2/3 mômen cho trong cột tương ứng của Bảng 14.4.

Đối với ruột dẫn mềm, lặp lại thử nghiệm với ruột dẫn mới được xoắn như trước nhưng theo chiều ngược lại.

Sau thử nghiệm, không có sợi bện nào của ruột dẫn được tuột ra khỏi khe hở giữa phương tiện kẹp và cơ cấu giữ.

14.4.3 Kích cỡ đầu nối đến và bằng 5 phải cho phép nối được ruột dẫn mà không cần chuẩn bị đặc biệt.

Kiểm tra sự phù hợp bằng cách xem xét.

CHÚ THÍCH: Thuật ngữ “chuẩn bị đặc biệt” bao gồm việc hàn thiếc các sợi của ruột dẫn, sử dụng các đầu cốt cáp, tạo ra các lỗ, v.v… nhưng không phải là nắn sửa ruột dẫn trước khi đưa vào đầu nối hoặc xoắn ruột dẫn mềm để làm chắc đầu dây.

Chất gắn cùng với việc gia nhiệt các sợi bện phủ thiếc của ruột dẫn mềm mà không hàn bổ sung thì không được xem là chuẩn bị đặc biệt.

14.4.4 Đầu nối phải có đủ độ bền cơ.

Vít và đai ốc dùng để kẹp ruột dẫn phải có ren hệ mét ISO. Đầu nối dùng cho dây đi bên ngoài không được dùng để cố định bất kỳ thành phần nào khác ngoại trừ chúng cũng có thể kẹp ruột dẫn bên trong nếu chúng được bố trí sao cho có khả năng bị dịch chuyển khi lắp ruột dẫn bên ngoài.

Vít không được làm bằng kim loại mềm hoặc dễ bị trượt như nhôm hoặc kẽm.

Kiểm tra sự phù hợp bằng cách xem xét và bằng các thử nghiệm ở 14.3.3,14.4.6,14.4.7 và 14.4.8.

14.4.5 Đầu nối phải chịu được ăn mòn.

Kiểm tra sự phù hợp bằng thử nghiệm ăn mòn quy định ở Mục 4.

14.4.6 Đầu nối phải được cố định vào đèn điện hoặc vào khối đầu nối hoặc được cố định vào vị trí. Khi vít kẹp hoặc đai ốc được xiết chặt hoặc nới lỏng, đầu nối không được làm việc lỏng lẻo, dây đi bên trong không phải chịu ứng suất, và chiều dài đường rò và khe hở không khí không giảm thấp hơn các giá trị quy định ở Mục 11.

Yêu cầu này không có hàm ý là đầu nối phải được thiết kế để chống xoay hoặc dịch chuyển mà bất kỳ sự dịch chuyển nào cũng phải được giới hạn đủ để đảm bảo sự phù hợp với tiêu chuẩn này.

Phủ bằng hợp chất gắn hoặc nhựa là đủ để ngăn đầu nối làm việc lỏng lẻo với điều kiện là hợp chất gắn hoặc nhựa không phải chịu ứng suất trong quá trình sử dụng bình thường và tác dụng của keo hoặc nhựa gắn không bị ảnh hưởng do nhiệt độ đạt được ở đầu nối trong những điều kiện bất lợi nhất được quy định trong Mục 12.

Kiểm tra sự phù hợp bằng cách xem xét, đo và bằng thử nghiệm dưới đây.

Đặt vào đầu nối một ruột dẫn đồng cứng một sợi có tiết diện danh nghĩa lớn nhất trong Bảng 14.2. Vít và đai ốc được xiết chặt rồi nới lỏng năm lần bằng tuốc nơ vít hoặc chìa vặn đai ốc thử nghiệm thích hợp, đặt mômen khi xiết bằng với mômen được chỉ ra trong cột thích hợp ở Bảng 14.4 hoặc trong bảng của Hình 12, Hình 13, Hình 14. Hình 15 hoặc Hình 16 tương ứng, chọn giá trị nào lớn hơn.

Bảng 14.4 – Mômen xiết đặt lên vít và đai ốc

Đường kính danh nghĩa của ren

mm

Mômen

Nm

I II III IV V
Đến và bằng 2,8 0,2 0,4 0,4
Trên 2,8 đến và bằng 3,0 0,25 0,5 0,5
Trên 3,0 đến và bằng 3,2 0,3 0,6 0,6
Trên 3,2 đến và bằng 3,6 0,4 0,8 0,8
Trên 3,6 đến và băng 4,1 0,7 1,2 1,2 1,2 1,2
Trên 4,1 đến và bằng 4,7 0,8 1,2 1,8 1,8 1,8
Trên 4,7 đến và bằng 5,3 0,8 1,4 2,0 2,0 2,0
Trên 5,3 đến và bằng 6,0 1,8 2,5 3,0 3,0
Trên 6,0 đến và bằng 8,0 2,5 3,5 6,0 4,0
Trên 8,0 đến và bằng 10,0 3,5 4,0 10,0 6,0
Trên 10,0 đến và bằng 12,0 4,0 8,0
Trên 12,0 đến và bằng 15,0 5,0 10,0

Ruột dẫn được rút ra sau mỗi lần nới lỏng vít hoặc đai ốc.

Cột I áp dụng cho vít không có mũ vít nếu vít đó khi xiết chặt không nhô ra khỏi lỗ, và áp dụng cho các vít khác không thể xiết chặt bằng tuốcnơvít có lưỡi rộng hơn đường kính vít.

Cột II áp dụng cho đai ốc của các đầu nối măng sông được xiết chặt bằng tuốcnơvit.

Cột III áp dụng cho các vít khác được xiết chặt bằng tuốcnơvít.

Cột IV áp dụng cho vít hoặc đai ốc, không phải đai ốc dùng cho đầu nối măng sông, được xiết chặt không phải bằng tuốcnơvít.

Cột V áp dụng cho các đai ốc của các đầu nối măng sông trong đó đai ốc được xiết chặt không phải bằng tuốcnơvít.

Khi vít có mũ vít sáu cạnh có phương tiện để xiết chặt bằng tuốcnơvít và giá trị của cột III mà IV là khác nhau thì thử nghiệm được thực hiện hai lần, lần đầu đặt mômen quy định trong cột IV lên mũ vít sáu cạnh và sau đó đặt mômen quy định trong cột III vào bằng tuốcnơvít vào loạt mẫu mới. Nếu giá trị của cột III và cột IV là như nhau thì chỉ thực hiện một thử nghiệm với tuốcnơvít.

Trong quá trình thử nghiệm, đầu nối không được lỏng ra và không được xảy ra các tình trạng hỏng như gãy vít hoặc hỏng đầu vít, rãnh (khiến cho không dùng được với tuốcnơvít thích hợp), ren, vòng đệm gây trở ngại đến việc sử dụng đầu nối sau này.

Đối với đầu nối măng sông đường kính danh nghĩa là đường kính của bu lông có xẻ rãnh. Hình dạng của lưỡi tuốcnơvít thử nghiệm phải phù hợp với đầu vít cần thử nghiệm. Vít và đai ốc phải được xiết đều, không giật.

14.4.7 Đầu nối phải được thiết kế để kẹp được ruột dẫn một cách chắc chắn giữa các bề mặt kim loại.

Đối với đầu nối kiểu lỗ, phải có vòng đệm đàn hồi hoặc phương tiện hãm hiệu quả tương đương và bề mặt bên trong vùng kẹp phải nhẵn.

Đối với đầu nối măng sông, đáy của không gian dành cho ruột dẫn phải hơi lượn tròn để có đấu nối chắc chắn.

Kiểm tra sự phù hợp bằng cách xem xét và bằng thử nghiệm dưới đây.

Đầu nối được lắp với ruột dẫn cứng có tiết diện nhỏ nhất và lớn nhất cho trong Bảng 14.2, các vít đầu nối được xiết với mômen bằng 2/3 mômen cho trong cột tương ứng của Bảng 14.4.

Nếu vít có mũ vít sáu cạnh có xẻ rãnh thì mômen đặt vào bằng 2/3 mômen cho trong cột III, Bảng 14.4.

Sau đó, mỗi ruột dẫn phải chịu lực kéo quy định trong Bảng 14.5; lực đặt từ từ không giật, trong thời gian 1 min theo hướng trục của không gian dành cho ruột dẫn.

Bảng 14.5 – Lực đặt lên ruột dẫn

Kích cỡ đầu nối 0 1 2 3 4 5 6 7
Lực kéo (N) 30 40 50 50 60 80 90 100

Trong quá trình thử nghiệm, ruột dẫn phải không được dịch chuyển đến mức có thể nhận thấy được trong đầu nối.

14.4.8 Đầu nối có kẹp bắt ren phải được thiết kế và kết cấu sao cho kẹp được mà không làm hỏng quá mức ruột dẫn.

Kiểm tra sự phù hợp bằng cách xem xét ruột dẫn, sau khi ruột dẫn có tiết diện danh nghĩa nhỏ nhất và lớn nhất cho trong Bảng 14.2 được kẹp rồi nới lỏng, mômen để kẹp ruột dẫn bằng 2/3 mômen cho trong cột tương ứng của Bảng 14.4.

Nếu vít có mũ vít sáu cạnh có xẻ rãnh thì mômen đặt vào bằng 2/3 mômen cho trong cột IV, Bảng 14.4.

CHÚ THÍCH: Ruột dẫn bị hỏng quá mức nếu có các vết lõm sâu hoặc sắc.

Mục 15: Đầu nối không bắt ren và mối nối điện

15.1 Quy định chung

Mục này quy định các yêu cầu đối với tất cả các đầu nối và mối nối điện không sử dụng vít dùng cho ruột dẫn bện bằng đồng đến 2,5 mm2 dùng cho dây đi bên trong của đèn điện và để nối đến dây đi bên ngoài đèn điện.

Một số ví dụ về đầu nối không bắt ren và mối nối điện được cho trên Hình 17,18 và 19. IEC 61210 cung cấp các ví dụ khác về đầu nối không bắt ren và mối nối điện.

15.2 Thuật ngữ và định nghĩa

15.2.1

Đầu nối không bắt ren (screwless terminal)

Bộ phận được yêu cầu để tạo mối nối trong mạch điện bằng phương tiện cơ khí mà không dùng vít.

15.2.2

Mối nối cố định (permanent connections)

Mối nối được thiết kế chỉ để thực hiện nối một lần với cùng một ruột dẫn (ví dụ bọc hoặc kẹp sợi dây).

15.2.3

Mối nối không cố định (non-permanent connections)

Mối nối cho phép cụm dây dẫn hoặc ruột dẫn được nối vào hoặc tháo ra nhiều lần (ví dụ, đầu nối kiểu chốt hoặc vấu và đầu nối kiểu cắm vào hoặc một số đầu nối kiểu lò xo).

15.2.4

Cụm dây dẫn (lead assemblies)

Ruột dẫn lắp với các phần phụ, thường bằng mối nối cố định.

15.2.5

Ruột dẫn không được chuẩn bị (non-prepared conductors)

Ruột dẫn không có sự chuẩn bị đặc biệt hoặc không có các phần phụ. Tuy nhiên, có thể bóc cách điện để làm hở ruột dẫn.

CHÚ THÍCH: Thuật ngữ “chuẩn bị đặc biệt” bao gồm việc hàn thiếc các sợi của ruột dẫn, sử dụng các đầu cốt cáp, tạo ra các lỗ, v.v… nhưng không phải là nắn sửa ruột dẫn trước khi đưa vào đầu nối hoặc xoắn ruột dẫn mềm để làm chắc đầu dây.

Chất gắn cùng với việc gia nhiệt các sợi bện phủ thiếc của ruột dẫn mềm mà không hàn bổ sung thì không được xem là chuẩn bị đặc biệt.

15.2.6

Dòng điện thử nghiệm (test current)

Dòng điện được nhà chế tạo ấn định cho ruột dẫn hoặc mối nối. Khi các đầu nối là một phần của một phần tử thì dòng điện thử nghiệm phải là dòng điện danh định của phần tử đó.

15.3 Yêu cầu chung

15.3.1 Phần đầu nối hoặc mối nối để mang dòng điện phải làm bằng một trong các vật liệu sau:

– đồng;

– hợp kim có chứa ít nhất 58 % đồng đối với các phần làm việc ở nhiệt độ thấp hoặc ít nhất 50 % đồng đối với các phần khác;

– kim loại khác có khả năng chống ăn mòn không kém đồng và có đặc tính cơ thích hợp không kém.

15.3.2 Đầu nối và mối nối phải kẹp được ruột dẫn với đủ lực tiếp xúc nhưng không làm hỏng quá mức ruột dẫn.

Ruột dẫn phải được kẹp giữa các bề mặt kim loại. Tuy nhiên, đầu nối dùng cho mạch điện có dòng điện danh định không quá 2 A có thể có một bề mặt phi kim nếu đáp ứng các yêu cầu ở 15.3.5.

Đầu nối chọc thủng cách điện chỉ được chấp nhận để tạo nhánh nối trong mạch SELV của đèn điện hoặc các đèn điện khác như mối nối không thay thế được, mối nối cố định.

CHÚ THÍCH: Ruột dẫn bị hỏng quá mức nếu có các vết lõm sâu hoặc sắc.

15.3.3 Đầu nối phải được thiết kế sao cho khi ruột dẫn được luồn vừa đủ vào đầu nối thì việc luồn sâu thêm đầu ruột dẫn được ngăn ngừa bằng một chi tiết chặn.

15.3.4 Đầu nối không phải dùng cho cụm dây dẫn phải chấp nhận “ruột dẫn không được chuẩn bị” (xem 15.2.5).

Kiểm tra sự phù hợp với các yêu cầu ở 15.3.2,15.3.3 và 15.3.4 bằng cách xem xét các đầu nối và mối nối, sau khi lắp với ruột dẫn thích hợp và sau thử nghiệm nhiệt ở 15.5.2.2 hoặc 15.6.3.2.

15.3.5 Mối nối điện phải được thiết kế sao cho lực ép cần thiết để dẫn điện tốt không truyền qua vật liệu cách điện không phải là gốm, mica nguyên chất hoặc vật liệu khác có đặc tính thích hợp không kém, trừ khi có đủ độ đàn hồi trong các bộ phận kim loại để bù độ co ngót có thể có của vật liệu cách điện (xem Hình 17 và 18).

15.3.6 Việc nối có hiệu quả ruột dẫn vào và tháo ruột dẫn ra khỏi các đầu nối không bắt ren không cố định kiểu lò xo phải rõ ràng.

Việc tháo ruột dẫn đòi hỏi một thao tác, không phải là thao tác kéo ruột dẫn mà phải sao cho có thể thực hiện được bằng tay hoặc bằng dụng cụ đơn giản, sẵn có thông thường.

15.3.7 Đầu nối để nối nhiều ruột dẫn dưới các kẹp lò xo phải kẹp từng ruột dẫn riêng.

Đối với đầu nối được thiết kế để nối không cố định, phải có thể rút các ruột dẫn đồng thời hoặc riêng rẽ.

15.3.8 Đầu nối phải được cố định thích hợp vào thiết bị hoặc khối đầu nối hoặc cố định vào vị trí. Chúng không được làm việc lỏng lẻo khi lắp hoặc rút ruột dẫn.

Kiểm tra sự phù hợp bằng cách xem xét và, nếu có nghi ngờ, áp dụng thử nghiệm cơ nêu ở 15.5.1 hoặc 15.6.2. Trong quá trình thử nghiệm, đầu nối không được làm việc lỏng lẻo và không có hư hại làm ảnh hưởng đến sử dụng sau này.

Các điều kiện trên áp dụng cho không chỉ đầu nối được cố định vào thiết bị mà còn áp dụng cho đầu nối được phân phối riêng rẽ. Việc phủ bằng hỗn hợp gắn mà không có phương tiện hãm khác là không đủ. Tuy nhiên, có thể dùng nhựa tự cứng để cố định các đầu nối mà trong sử dụng bình thường không phải chịu mômen xoắn.

15.3.9 Đầu nối và mối nối phải chịu được các ứng suất cơ, điện và nhiệt xuất hiện trong sử dụng bình thường.

Kiểm tra sự phù hợp bằng các thử nghiệm ở 15.5,15.6 tương ứng.

15.3.10 Nhà chế tạo phải quy định (các) kích cỡ ruột dẫn mà phần tử được thiết kế và loại ruột dẫn, ví dụ, một sợi hoặc bện.

15.4 Hướng dẫn chung cho các thử nghiệm

15.4.1 Chuẩn bị mẫu

“Thử nghiệm đối với sự xâm nhập của bụi và hơi ẩm” ở Mục 9, nếu thích hợp, phải được thực hiện trước khi thử nghiệm đầu nối hoặc mối nối có trong đèn điện.

15.4.2 Ruột dẫn thử nghiệm

Thử nghiệm phải được tiến hành với ruột dẫn đồng có kiểu và kích thước do nhà chế tạo khuyến cáo. Nếu quy định dãy ruột dẫn thì phải chọn ruột dẫn nhỏ nhất và lớn nhất để thử nghiệm.

15.4.3 Đầu nối dùng cho nhiều ruột dẫn

Đầu nối không bắt ren có phương tiện để nối đồng thời một số ruột dẫn phải được thử nghiệm với số ruột dẫn được chỉ ra trong dữ liệu mà nhà chế tạo cung cấp.

15.4.4 Đầu nối nhiều tuyến

Mỗi đầu nối trong một nhóm hoặc một dải đầu nối, ví dụ, khối đầu nối trên balát có thể được sử dụng là một mẫu riêng.

15.4.5 Đại lượng thử nghiệm

Các thử nghiệm mô tả ở 15.5 đến 15.6.2 được thực hiện trên bốn đầu nối (hoặc mối nối). Tối thiểu ba đầu nối phải đáp ứng yêu cầu. Nếu có một đầu nối không đạt thì thử nghiệm thêm bốn đầu nối nữa và tất cả các đầu nối này phải đáp ứng yêu cầu.

Thử nghiệm mô tả ở 15.6.3 được thực hiện cho mười đầu nối.

15.5 Đầu nối và mối nối dùng cho dây đi bên trong

15.5.1 Thử nghiệm cơ

Đầu nối và mối nối phải có đủ độ bền cơ.

Kiểm tra sự phù hợp bằng các thử nghiệm ở 15.5.1.1 và 15.5.1.2.

15.5.1.1 Đầu nối không cố định

Kiểm tra độ bền cơ của đầu nối (hoặc mối nối) trên bộ bốn đầu nối. Nếu tất cả các đầu nối có trong đèn điện không có cùng thiết kế thì một bộ bốn đầu nối của mỗi thiết kế phải chịu thử nghiệm.

Thử nghiệm này chỉ áp dụng cho thiết bị mà người sử dụng làm việc để hoàn chỉnh tổ hợp đèn điện trước khi đưa vào vận hành.

15.5.1.1.1 Trong trường hợp đầu nối kiểu lò xo (xem Hình 18), thực hiện thử nghiệm với ruột dẫn đồng cứng có (các) kích cỡ do nhà chế tạo quy định. Nếu quy định một dãy ruột dẫn thì chọn ruột dẫn nhỏ nhất và lớn nhất để thử nghiệm.

Trong bốn đầu nối, hai đầu nối được thử nghiệm với ruột dẫn có tiết diện nhỏ nhất và hai đầu nối còn lại được thử nghiệm với ruột dẫn có tiết diện lớn nhất. Ruột dẫn được nối vào và tháo ra khỏi từng đầu nối năm lần.

Đối với bốn lần nối đầu tiên, mỗi lần sử dụng các ruột dẫn mới. Đối với lần nối thứ năm, sử dụng ruột dẫn đã sử dụng cho lần nối thứ tư và ruột dẫn được kẹp ở cùng vị trí. Đối với mỗi lần nối, ruột dẫn được đẩy vào đầu nối đến mức có thể.

Nếu đầu nối thích hợp cho các ruột dẫn bện thì thực hiện một thử nghiệm bổ sung với một ruột dẫn đồng bện cứng. Tuy nhiên, nếu quy định một dãy các ruột dẫn thì chọn ruột dẫn có tiết diện nhỏ nhất và lớn nhất để thử nghiệm. Mỗi ruột dẫn chỉ phải chịu một lần nối vào và tháo ra khỏi đầu nối tương ứng được sử dụng cho thử nghiệm với ruột dẫn một sợi.

Sau lần nối cuối cùng, mỗi ruột dẫn phải chịu lực thử nghiệm bằng 4 N.

15.5.1.1.2 Mối nối kiểu chốt hoặc vẩu và mối nối kiểu cắm vào cũng phải chịu lực thử nghiệm bằng 4 N.

Lực được đặt không giật trong 1 min theo chiều ngược với chiều được sử dụng để đặt hoặc luồn ruột dẫn hoặc cụm dây dẫn.

Trong quá trình thử nghiệm, ruột dẫn hoặc cụm dây dẫn không được xê dịch khỏi đầu nối và đầu nối cũng như ruột dẫn hoặc cụm dây dẫn không phải chịu bất kỳ sự biến đổi nào làm ảnh hưởng đến sử dụng tiếp theo.

Lực lớn nhất để đặt hoặc luồn ruột dẫn hoặc cụm dây dẫn không được vượt quá 50 N và, trong trường hợp là chân hoặc đầu và mối nối kiểu cắm, lực để tháo ra không được vượt quá 50 N.

15.5.1.2 Mối nối cố định

Mối nối vàn phải duy trì hiệu quả đầy đủ khi đặt lực kéo bằng 20 N trong 1 min theo chiều ngược chiều được sử dụng để đặt hoặc luồn ruột dẫn.

Trong một số trường hợp, có thể dùng dụng cụ đặc biệt để đặt lực một cách chính xác (ví dụ, trong trường hợp các đầu nối bọc sợi dây).

Đầu nối dùng cho nhiều ruột dẫn được thử nghiệm với lực nối trên đặt lên lần lượt từng ruột dẫn.

15.5.2 Thử nghiệm điện

Đầu nối và mối nối phải có đủ tính năng điện.

Kiểm tra sự phù hợp bằng các thử nghiệm ở 15.5.2.1 và 15.5.2.2.

15.5.2.1 Thử nghiệm điện trở tiếp xúc

Kiểm tra tính năng điện của đầu nối (hoặc mối nối) trên bộ bốn đầu nối. Nếu tất cả các đầu nối có trong đèn điện không có cùng thiết kế thì một bộ bốn đầu nối của mỗi thiết kế phải chịu thử nghiệm.

15.5.2.1.1 Đối với đầu nối kiểu lò xo, thực hiện thử nghiệm theo 15.5.2.1.3 với ruột dẫn đồng cứng không cách điện.

Nếu quy định một dãy ruột dẫn thì hai trong số bốn đầu nối được thử nghiệm với ruột dẫn có tiết diện nhỏ nhất và hai đầu nối còn lại được thử nghiệm với ruột dẫn có tiết diện lớn nhất.

15.5.2.1.2 Trong trường hợp đầu nối kiểu chốt hoặc vấu và đầu nối kiểu cắm vào, thực hiện thử nghiệm ở 15.5.2.1.3 với cụm dây dẫn.

15.5.2.1.3 Từng đầu nối có ruột dẫn của nó được mang tải với dòng điện (xoay chiều hoặc một chiều) và sau 1 h, đo điện áp rơi trên đầu nối khi vẫn ở dòng điện thử nghiệm. Các điểm đo có vị trí càng gần càng tốt với điểm tiếp xúc mà qua nó, điện áp rơi được đo điện áp rơi đo được không được vượt quá 15 mV.

Điện áp rơi cho mỗi mối nối hoặc cực tiếp xúc được xem là riêng rẽ; ví dụ, mối nối của ruột dẫn với đầu nối kiểu cắm vào được xem là riêng rẽ với mối nối của đầu nối kiểu cắm với chốt.

Tổng điện áp rơi của hai mối nối không tách rời khi đo cùng nhau, không được vượt quá hai lần giá trị cho trong điều 15.5.2.1.3 này.

15.5.2.2 Thử nghiệm phát nóng

15.5.2.2.1 Đầu nối (hoặc mối nối) có dòng điện danh định đến và bằng 6 A phải chịu thử nghiệm lão hóa không có dòng điện, với 25 chu kỳ, mỗi chu kỳ gồm 30 min ở nhiệt độ T ± 5 °C hoặc 100 °C ± 5 °C, chọn giá trị nào cao hơn, sau đó là thời gian làm mát ở nhiệt độ từ 15 °C đến 30 °C. Đầu nối (hoặc mối nối) có dòng điện danh định lớn hơn 6 A phải chịu thử nghiệm lão hóa trong 100 chu kỳ này.

CHÚ THÍCH: Nhiệt độ T là nhiệt độ danh định lớn nhất được ghi nhãn đối với các phần tử có ghi nhãn T như đui đèn.

15.5.2.2.2 Lại đo điện áp rơi trên từng đầu nối:

a) Sau chu kỳ thứ 10 và chu kỳ thứ 25 đối với các đầu nối có dòng điện danh định đến và bằng 6 A;

b) Sau chu kỳ thứ 50 và chu kỳ thứ 100 đối với các đầu nối có dòng điện danh định lớn hơn 6 A.

Đối với tất cả các đầu nối, nếu điện áp rơi trong cả hai trường hợp không vượt quá 50 % điện áp rơi đo trên cùng đấu nối được thử nghiệm ở 15.6.1 hoặc nếu mức tăng điện áp rơi nhỏ hơn 2 mV thì đầu nối phù hợp với yêu cầu.

Nếu điện áp rơi của bất kỳ đầu nối nào vượt quá 22,5 mV thì các đầu nối không đạt yêu cầu.

Đối với một trong số các đầu nối, nếu điện áp rơi đo được theo a) hoặc b) vượt quá 50 % điện áp rơi đo trên cùng đầu nối được thử nghiệm ở 15.6.1, với giá trị nhỏ nhất là 2 mV, nhưng không vượt quá 22.5 mV thì bốn đầu nối phải chịu thử nghiệm lão hóa mới không có dòng điện, với 25 chu kỳ hoặc 100 chu kỳ theo thông số dòng điện.

Sau chu kỳ thứ 10 và 25 hoặc 50 và 100 (theo thông số dòng điện), đo lại điện áp rơi. Đối với tất cả các đầu nối, điện áp rơi không được vượt quá 22,5 mV.

Tổng điện áp rơi của hai mối nối không tách rời khi đo cùng nhau, không được vượt quá hai lần giá trị cho trong điều 15.5.2.2.2 này.

15.5.2.2.3 Nếu đầu nối được thiết kế sao cho ruột dẫn được xiết chặt vào bề mặt bằng vật liệu cách điện thì bề mặt này không được biến dạng trong các thử nghiệm phát nóng này.

Kiểm tra sự phù hợp bằng cách xem xét.

15.6 Đầu nối và mối nối dùng cho dây đi bên ngoài

15.6.1 Ruột dẫn

Đầu nối kiểu lò xo phải thích hợp để nối các ruột dẫn cứng, một sợi hoặc bện có tiết diện danh nghĩa nêu trong Bảng 15.1.

Bảng 15.1 – Thông số ruột dẫn

Dòng điện danh định lớn nhất của đầu nối

A

Tiết diện danh nghĩa của ruột dẫn

mm2

6 0,5 đến 1
10 > 1 đến 1,5
16 > 1,5 đến 2,5

CHÚ THÍCH: Các đầu nối thường được đề cập bằng ký hiệu. Ví dụ, kích cỡ 0 thường có thông số đặc trưng 6 A. Nếu thông số đặc trưng của phần từ nhỏ hơn khả năng kỹ thuật thì sử dụng thông số của phần tử.

Kiểm tra sự phù hợp bằng cách xem xét, đo và lắp ruột dẫn với tiết diện nhỏ nhất và lớn nhất quy định.

15.6.2 Thử nghiệm cơ

Đầu nối và mối nối phải có đủ độ bền cơ.

Kiểm tra sự phù hợp bằng các thử nghiệm ở 15.6.2.1 và 15.6.2.2, được thực hiện trên một đầu nối của mỗi mẫu trong bốn mẫu.

15.6.2.1 Trong trường hợp đầu nối kiểu lò xo, thực hiện thử nghiệm với ruột dẫn đồng cứng có tiết diện lớn nhất và nhỏ nhất quy định ở 15.6. Các ruột dẫn này được nối vào và tháo ra khỏi từng đầu nối năm lần. Nếu tất cả các đầu nối có trong đèn điện không có cùng thiết kế thì một bộ bốn đầu nối của mỗi thiết kế phải chịu thử nghiệm.

Đối với bốn lần nối đầu tiên, mỗi lần sử dụng các ruột dẫn mới. Đối với lần nối thứ năm, sử dụng ruột dẫn đã sử dụng cho lần nối thứ tư và ruột dẫn được kẹp ở cùng vị trí. Đối với mỗi lần nối, ruột dẫn được đẩy vào đầu nối đến mức có thể.

Nếu nhà chế tạo quy định đầu nối là thích hợp cho các ruột dẫn bện (xem 15.3.10) thì thực hiện một thử nghiệm bổ sung với hai ruột dẫn đồng bện cứng, ruột dẫn thứ nhất có tiết diện lớn nhất quy định ở 15.6 và ruột dẫn thứ hai có tiết diện nhỏ nhất. Các ruột dẫn này chỉ phải chịu một lần nối vào và tháo ra.

Sau lần nối cuối cùng, mỗi ruột dẫn phải chịu lực thử nghiệm theo Bảng 15.2.

15.6.2.2 Mối nối kiểu chốt hoặc vấu và mối nối kiểu cắm vào cũng phải chịu lực thử nghiệm theo Bảng 15.2.

Bảng 15.2 – Lực kéo ruột dẫn

Dòng điện danh định lớn nhất của đầu nối

A

Lực

N

Mối nối kiểu lò xo và mối nối hàn Kiểu chốt hoặc vấu và kiểu cắm vào
6 20 8
10 30 15
16 30 15

CHÚ THÍCH: Nếu thông số đặc trưng của phần tử nhỏ hơn khả năng kỹ thuật thì sử dụng thông số của phần tử.

Lực được đặt không giật trong 1 min theo chiều ngược với chiều được sử dụng để đặt hoặc luồn ruột dẫn hoặc cụm dây dẫn.

Trong quá trình thử nghiệm, ruột dẫn hoặc cụm dây dẫn không được xê dịch khỏi đầu nối và đầu nối cũng như ruột dẫn hoặc cụm dây dẫn không phải chịu bất kỳ sự biến đổi nào làm ảnh hưởng đến sử dụng tiếp theo.

15.6.3 Thử nghiệm điện

Đầu nối và mối nối phải có đủ tính năng điện.

Kiểm tra sự phù hợp bằng các thử nghiệm ở 15.6.3.1 và 15.6.3.2.

15.6.3.1 Thử nghiệm điện trở tiếp xúc

Kiểm tra tính năng điện của đầu nối (hoặc mối nối) trên bộ mười đầu nối. Nếu tất cả các đầu nối có trong đèn điện không có cùng thiết kế thì một bộ mười đầu nối của mỗi thiết kế phải chịu thử nghiệm.

15.6.3.1.1 Đối với đầu nối kiểu lò xo, thực hiện thử nghiệm theo 15.6.3.1.3 với ruột dẫn đồng cứng không cách điện.

Năm ruột dẫn có tiết diện lớn nhất quy định ở 15.6 được nối vào đầu nối như trong sử dụng bình thường, mỗi ruột dẫn nối với một đầu nối.

Năm ruột dẫn có tiết diện nhỏ nhất quy định ở 15.6 được nối vào đầu nối như trong sử dụng bình thường, mỗi ruột dẫn nối với một trong năm đầu nối còn lại.

15.6.3.1.2 Trong trường hợp đầu nối kiểu chốt hoặc vấu và đầu nối kiểu cắm vào, thực hiện thử nghiệm ở 15.6.3.1.3 với cụm dây dẫn.

15.6.3.1.3 Từng đầu nối có ruột dẫn của nó được mang tải với dòng điện (xoay chiều hoặc một chiều) và sau 1 h, đo điện áp rơi trên đầu nối khi vẫn ở dòng điện thử nghiệm. Các điểm đo có vị trí càng gần càng tốt với điểm tiếp xúc mà qua nó, điện áp rơi được đo.

Điện áp rơi đo được không được vượt quá 15 mV.

Tổng điện áp rơi của hai mối nối không tách rời khi đo cùng nhau, không được vượt quá hai lần giá trị cho trong điều 15.6.3.1.3 này.

15.6.3.2 Thử nghiệm phát nóng

Tính năng nhiệt của đầu nối (hoặc mối nối) được kiểm tra trên các đầu nối đã phải chịu thử nghiệm ở 15.6.3.1.

15.6.3.2.1 Sau khi được làm mát về nhiệt độ xung quanh, thay mỗi ruột dẫn bằng ruột dẫn một sợi bằng đồng không cách điện có tiết diện lớn nhất được quy định ở 15.6 và mỗi cụm dây dẫn được thay bằng cụm dây dẫn mới thích hợp, sau đó nối và tháo ra khỏi đầu nối hoặc phần liên quan của mối nối năm lần.

Sau đó thay ruột dẫn bằng ruột dẫn không cách điện mới.

15.6.3.2.2 Từng đầu nối có ruột dẫn của nó được mang tải với dòng điện (xoay chiều hoặc một chiều) thời gian vừa đủ để đo điện áp rơi. Với các phép đo này và các phép đo ở 15.6.3.2.4, áp dụng các yêu cầu của 15.6.3.1.

15.6.3.2.3 Đầu nối (hoặc mối nối) có dòng điện danh định đến và bằng 6 A phải chịu thử nghiệm lão hóa không có dòng điện, với 25 chu kỳ, mỗi chu kỳ gồm 30 min ở nhiệt độ T ± 5 °C hoặc 100 °C ± 5 °C, chọn giá trị nào cao hơn, sau đó là thời gian làm mát ở nhiệt độ từ 15 °C đến 30 °C. Đầu nối (hoặc mối nối) có dòng điện danh định lớn hơn 6 A phải chịu thử nghiệm lão hóa trong 100 chu kỳ này.

CHÚ THÍCH: Nhiệt độ T là nhiệt độ danh định lớn nhất được ghi nhãn đối với các phần tử có ghi nhãn T như đui đèn.

15.6.3.2.4 Đo lại điện áp rơi trên từng đầu nối:

a) Sau chu kỳ thứ 10 và chu kỳ thứ 25 đối với các đầu nối có dòng điện danh định đến và bằng 6 A;

b) Sau chu kỳ thứ 50 và chu kỳ thứ 100 đối với các đầu nối có dòng điện danh định lớn hơn 6 A.

Đối với tất cả các đầu nối, nếu điện áp rơi trong cả hai trường hợp không vượt quá 50 % điện áp rơi đo trên cùng đầu nối được thử nghiệm ở 15.6.3.2.2 hoặc nếu mức tăng điện áp rơi nhỏ hơn 2 mV thì đầu nối phù hợp với yêu cầu.

Nếu điện áp rơi của bất kỳ đầu nối nào vượt quá 22,5 mV thì các đầu nối không đạt yêu cầu.

Đối với một trong số các đầu nối, nếu điện áp rơi đo được theo a) hoặc b) vượt quá 50 % điện áp rơi đo trên cùng đầu nối được thử nghiệm ở 15.6.3.2.2, với giá trị nhỏ nhất là 2 mV, nhưng không vượt quá 22.5 mV thì bốn đầu nối phải chịu thử nghiệm lão hóa mới không có dòng điện, với 25 chu kỳ hoặc 100 chu kỳ theo thông số dòng điện.

Sau chu kỳ thứ 10 và 25 hoặc 50 và 100 (theo thông số dòng điện), đo lại điện áp rơi. Đối với tất cả các đầu nối, điện áp rơi không được vượt quá 22,5 mV.

Tổng điện áp rơi của hai mối nối không tách rời khi đo cùng nhau, không được vượt quá hai lần giá trị cho trong điều 15.5.2.2.2 này.

15.6.3.2.5 Nếu đầu nối được thiết kế sao cho ruột dẫn được xiết chặt vào bề mặt bằng vật liệu cách điện thì bề mặt này không được biến dạng trong các thử nghiệm phát nóng này.

Kiểm tra sự phù hợp bằng cách xem xét.

Ampe A
Tần số (héc) Hz
Vôn V
Oát W
Nguồn xoay chiều
(IEC 60417-5032 (2002-10))
Nguồn một chiều
(IEC 60417-5031 (2002-10))
Nguồn một chiều và xoay chiều
(IEC 60417-5032 (2002-10))
Cấp II
Cấp III
Nhiệt độ xung quanh lớn nhất danh định ta… °C
Cảnh báo chống sử dụng bóng đèn ánh sáng lạnh
Khoảng cách nhỏ nhất từ vật được chiếu sáng (mét)
Đèn điện không thích hợp để lắp trực tiếp lên bề mặt cháy bình thường (chỉ thích hợp để lắp trên bề mặt không cháy)
Lắp đặt bề mặt Lắp chìm
Đèn điện không thích hợp để bọc bằng vật liệu cách nhiệt….
Thông thường IP20
Chịu nước nhỏ giọt IPX1
Chịu nước mưa IPX3
Chịu nước bắn tóe IPX4
Chịu nước phun IPX5
Chịu nước phun mạnh IPX6
Kín nước (có thể ngâm trong nước) IPX7
Kín nước có áp suất (chìm trong nước) IPX8 m (sau đó là số chỉ chiều sâu chìm trong nước lớn nhất, tính bằng mét)
Bảo vệ chống sự xâm nhập của vật rắn lớn hơn 2,5 mm IP3X
Bảo vệ chống sự xâm nhập của vật rắn lớn hơn 1 mm IP4X
Chống bụi IP5X
Kín bụi IP6X
Sử dụng cáp nguồn chịu nhiệt, nối với cáp hoặc dây bên ngoài
Đèn điện được thiết kế để sử dụng với bóng đèn gương cầu
Đèn điện vận hành nặng nề
Đèn điện để sử dụng với bóng đèn natri áp suất cao yêu cầu bộ mồi bên ngoài (cho bóng đèn)
Đèn điện sử dụng với bóng đèn natri áp suất cao có cơ cấu khởi động bên trong
Thay thế tất cả các tấm chắn bảo vệ bị nứt

(Hình chữ nhật)

hoặc

(Hình tròn)

Đèn điện được thiết kế chỉ để sử dụng với bóng đèn halogen vônfram tự che chắn hoặc bóng đèn halogen kim loại tự che chắn
Đèn điện có cầu chảy bên trong
Không nhìn vào nguồn sáng đang làm việc
Tất cả các ký hiệu phải phù hợp với các yêu cầu tương ứng nêu trong IEC 80416-1.
CHÚ THÍCH: Ghi nhãn các ký hiệu ứng với mã IP là tùy chọn.
Lưu ý, rủi ro điện giật

(Nguồn IEC 60417-6042 (2011-11))

Hình 1 – Ký hiệu

Kích thước tính bằng milimét

Hình 2 – Bố trí khối đầu nối để thử nghiệm lắp đặt đối với đèn điện có các đầu dây chờ nối

Hình 3 – Hủy bỏ

Kích thước tính bằng milimét

Hình 4 – Minh họa yêu cầu ở 4.15

Hình 5- Hủy bỏ

Hình 6 – Trang bị để bảo vệ chống bụi

  Bảo vệ đèn điện
Chịu nước mưa Chịu nước bắn tóe
Nửa góc dao động ± 60° ± 180°
Các lỗ bên trong nửa góc ± 60° ± 90°

Hình 7 – Thiết bị dùng để thử nghiệm bảo vệ chống nước mưa và nước bắn tóe

Kích thước tính bằng milimét.

D’ = 6,3 mm đối với thử nghiệm ở 9.2.6 (chữ số đặc trưng thứ hai là 5)

D’ = 12,5 mm đối với thử nghiệm ở 9.2.7 (chữ số đặc trưng thứ hai là 6)

Hình 8 – Miệng phun dùng cho thử nghiệm phun nước

Y Nhiệt độ bề mặt lắp đặt, tính bằng °C

X Nhiệt độ cuộn dây, tính bằng °C

CHÚ DẪN

1 Giá trị giới hạn của bề mặt lắp đặt trong trường hợp hỏng cuộn dây
2 Giá trị giới hạn của nhiệt độ bề mặt lắp đặt trong quá trình làm việc không bình thường ở 1,1 lần điện áp danh định (xem 12.6.1a)
3 Điểm đo ở 1,1 lần điện áp danh định (xem 12.6.1 b)
4 Điểm đo ở 1,0 lần điện áp danh định
5 Điểm đo ở 0,9 lần điện áp danh định
6 Đường thẳng vẽ qua các điểm chấm và chỉ ra đèn điện thỏa mãn khi ngoại suy đường thẳng của nhiệt độ cuộn dây bằng 350 °C nằm dưới nhiệt độ bề mặt lắp đặt bằng 180 °C.
7 Đường nét đứt vẽ qua các điểm chấm và chỉ ra đèn điện không đạt thử nghiệm vì ngoại suy của đường thẳng lớn hơn nhiệt độ bề mặt lắp đặt bằng 180 °C trước khi đạt đến nhiệt độ cuộn dây bằng 350 °C
8 Giá trị lớn nhất giả thiết của nhiệt độ cuộn dây của cuộn dây hỏng
9 Tọa độ ta/ta được vẽ chỉ khi chênh lệch giữa nhiệt độ cuộn dây ở 0,9 và 1,1 lần điện áp danh định nhỏ hơn 30 °C. Ví dụ chỉ ra dùng cho đèn điện có thông số ta bằng 25 °C.

Hỉnh 9 – Liên quan giữa nhiệt độ cuộn dây và nhiệt độ bề mặt lắp đặt

Kích thước tính bằng milimét.

Hình 10 – Thiết bị ép viên bi

Kích thước tính bằng milimét

Hình 11 – Bố trí và kích thước các điện cực dùng cho thử nghiệm phóng điện bề mặt

Kích thước tính bằng milimét

D = Không gian dành cho ruột dẫn G = khoảng cách giữa vít kẹp và đầu ruột dẫn khi luồn vào hoàn toàn

Hình dạng của không gian dành cho ruột dẫn có thể khác với hình vẽ, với điều kiện là có thể vẽ nội tiếp đường tròn có đường kính bằng giá trị nhỏ nhất được quy định cho D.

CHÚ THÍCH: Phần của đầu nối có lỗ ren và phần của đầu nối ép vào ruột dẫn được kẹp bằng vít có thể là hai phần riêng biệt như trong trường hợp đầu nối có móc.

Kích cỡ đầu nối

Đường kính nhỏ nhất D (hoặc kích thước nhỏ nhất) của không gian dành cho ruột dẫn

mm

Khoảng cách nhỏ nhất G giữa vít kẹp và đầu của ruột dẫn khi luồn vào hoàn toàn

mm

Mômen

Nm

la IIIa lVa
Một vít Hai vít Một vít Hai vít Một vít Hai vít Một vít Hai vít
1 2,5 1,5 1,5 0,2 0,2 0,4 0,4 0,4 0,4
2 3,0 1,5 1,5 0,25 0,2 0,5 0,4 0,5 0,4
3 3,6 1,8 1,5 0,4 0,2 0,8 0,4 0,8 0,4
4 4,0 1,8 1,5 0,4 0,25 0,8 0,5 0,8 0,5
5 4,5 2,0 1,5 0,7 0,25 1,2 0,5 1,2 0,5
6 5,5 2,5 2,0 0,8 0,7 2,0 1,2 2,0 1,2
7 7,0 3,0 2,0 1,2 0,7 2,5 1,2 3,0 1,2
a Giá trị quy định ở đây được áp dụng cho vít cho trong các cột tương ứng trong Bảng 14.4.

Hình 12 – Đầu nối kiểu trụ

CHÚ DẪN

A Phần cố định

B Vòng đệm hoặc tấm kẹp

C Chi tiết chống tở dây

D Không gian dành cho ruột dẫn

E Bulông

CHÚ THÍCH: Phần giữ ruột dẫn đúng vị trí có thể bằng vật liệu cách điện với điều kiện lực ép cần thiết để kẹp ruột dẫn không truyền qua vật liệu cách điện.

Kích cỡ đầu nối

Đường kính nhỏ nhất D của không gian dành cho ruột dẫn

mm

Mômen

Nm

IIIa IVa
Một vít Hai vít Một vít hoặc một bulông Hai vít hoặc hai bulông
0 1,4 0,4 0,4
1 1,7 0,5 0,5
2 2,0 0,8 0,8
3 2,7 1,2 0,5 1,2 0,5
4 3,6 2,0 1,2 2,0 1,2
5 4,3 2,0 1,2 2,0 1,2
6 5,5 2,0 1,2 2,0 1,2
7 7,0 2,5 2,0 3,0 2,0
a Giá trị quy định ở đây được áp dụng cho vít cho trong các cột tương ứng trong Bảng 14.4.

Hình 13 – Đầu nối bắt vít và đầu nối bắt bulông

CHÚ DẪN

A Đệm

B Phần cố định

C Bulông

D Không gian dành cho ruột dẫn

CHÚ THÍCH: Hình dạng của không gian dành cho ruột dẫn có thể khác với hình vẽ với điều kiện là có thể vẽ nội tiếp đường tròn có đường kính bằng giá trị nhỏ nhất được quy định cho D.

Hình dạng mặt trên và mặt dưới của đệm được làm khác nhau để chứa được cả ruột dẫn có tiết diện lớn và nhỏ bằng cách đảo ngược vòng đệm.

Đầu nối có thể có nhiều hơn hai vít kẹp hoặc đai ốc.

Kích cỡ đầu nối Đường kính nhỏ nhất D của không gian dành cho ruột dẫn Mômen
  mm Nm
3 3,0 0,5
4 4,0 0,8
5 4,5 1,2
6 5,5 1,2
7 7,0 2,0

Hình 14- Đầu nối kiểu yên ngựa

CHÚ DẪN

A Vòng đệm kênh

B Đầu cốt cáp hoặc thanh dẫn trần

E Phần cố định

F Bu lông

G Khoảng cách giữa gờ của lỗ và mặt bên của vùng kẹp

CHÚ THÍCH: Với loại thiết bị nhất định, cho phép sử dụng đầu nối kiểu lỗ có kích thước nhỏ hơn giá trị quy định.

Kích cỡ đầu nối

Kích thước nhỏ nhất g giữa gờ của lỗ vè mặt bên của vùng kẹp

mm

Mômen

Nm

IIIa IVa
6 7,5 2,0 2,0
7 9,0 2,5 3,0
a Giá trị quy định được áp dụng cho vít cho trong các cột tương ứng trong Bảng 3.

Hình 15- Đầu nối kiểu lỗ

CHÚ DẪN

A Phần cố định

D Không gian dành cho ruột dẫn

Kích cỡ đầu nối

Đường kính nhỏ nhất D của không gian dành cho ruột dẫn*

mm

Khoảng cách nhỏ nhất giữa phần cố định và đầu của ruột dẫn khi luồn vào hoàn toàn

mm

0 1,4 1,5
1 1,7 1,5
2 2,0 1,5
3 2,7 1,8
4 3,6 1,8
5 4,3 2,0
6 5,5 2,5
7 7,0 3,0
a Giá trị mômen đặt vào bằng giá trị quy định trong cột II hoặc IV của Bảng 14.4, khi thích hợp.

Hình 16 – Đầu nối măng sông

Hình 17 – Kết cấu của mối nối điện

Hình 18 – Ví dụ về đầu nối không bắt ren kiểu lò xo


Ổ cắm (dùng cho đầu dây)

Bộ nối kiểu thanh
Ổ cắm (dùng cho chân cắm)

Bộ nối kiểu trụ

Bộ nối kiểu uốn

Bộ nối/đầu nối kiểu quấn dây

Hình 19 – Ví dụ khác về đầu nối không bắt ren

a) Minh họa thuật ngữ “đi dây nguồn song song”

CHÚ DẪN

1 đầu nối 3 balát 5 bóng đèn 7 đèn điện B
2 nguồn 4 tắcte 6 đèn điện A  

b) Minh họa thuật ngữ “đi dây nguồn qua đèn điện” kết thúc ở đèn điện (có thể sử dụng cho đi dây nguồn qua đèn điện là ba pha trong đó đèn điện được nối lần lượt giữa L1, L2 và L3 và trung tính)

CHÚ DẪN

1 đầu nối 3 balát 5 bóng đèn 7 đèn điện B
2 nguồn 4 tắcte 6 đèn điện A  

c) Minh họa thuật ngữ “đi dây nguồn qua đèn điện” không kết thúc ở đèn điện

Hình 20 – Minh họa thuật ngữ “đi dây nguồn song song” và “đi dây nguồn qua đèn điện”

CHÚ THÍCH: Bề mặt đỡ cứng cần được bố trí thẳng đứng để thử nghiệm va đập từ mặt bên

Hình 21 – Thiết bị để thử nghiệm va đập bằng viên bi

Vít tự tarô: nhọn hoặc phẳng

Vít cắt ren

Vít tạo ren (ren hình thành do biến dạng)

Hình 22 – Ví dụ về vít tự tarô, vít cắt ren, vít tạo ren (từ ISO 1891)

Hình 23 – Hủy bỏ

CHÚ DẪN

A chiều dài đường rò

B khe hở không khí (dây nguồn)

C khe hở không khí (dây đi bên trong)

D ruột dẫn

E cách điện

Hình 24 – Minh họa phép đo chiều dài đường rò và khe hở không khí ở đầu nối nguồn

Kích thước tính bằng milimét.

Không quy định chiều rộng của thùng quay.

Hình 25 – Thùng quay

CHÚ THÍCH: Cực tính của điốt được đảo ngược nếu cần.

Hình 26 – Mạch thử nghiệm an toàn trong quá trình lồng vào

Hình 27 – Nhiệt độ bắt cháy của gỗ lả hàm của thời gian

Hình 28 – Ví dụ về mức độ hàn cho phép

Kích thước tính bằng milimét

Hình 29 – Chuỗi thử nghiệm

CHÚ DẪN

1 Vít tạo ren

2 Rãnh

3 Vật liệu kim loại

Hình 30 – Ví dụ về vít tạo ren được sử dụng trong rãnh của vật liệu kim loại

Hình 31 – Hệ thống tiếp điểm điện cơ có mối nối kiểu phích cắm/ổ cắm

Điều kiện sự cố: balát cần thử nghiệm, được cấp điện trực tiếp
Các balát khác được cấp điện ở 1,1 lần điện áp danh định với các bóng đèn ở trong mạch

Hình 32 – Mạch điện thử nghiệm dùng cho đèn điện có lắp bóng đèn huỳnh quang ≤ 70 W

Phụ lục A

(quy định)

Thử nghiệm để xác định bộ phận dẫn là bộ phận mang điện có thể gây điện giật

Để xác định bộ phận dẫn có phải là bộ phận mang điện có thể gây điện giật hay không, cho đèn điện làm việc ở điện áp cung cấp danh định và tần số danh nghĩa, và thực hiện thử nghiệm dưới đây:

A.1 Để xác định xem bộ phận dẫn có phải là bộ phận mang điện có thể gây điện giật hay không, thiết bị cần thử nghiệm (DUT) được cho làm việc với điện áp danh định và tần số nguồn danh nghĩa. Bộ phận dẫn không phải là bộ phận mang điện nếu yêu cầu của Điều A.2 hoặc Điều A.3 được đáp ứng.

CHÚ THÍCH: Phụ lục này nhằm thiết lập xem bộ phận dẫn khi chạm vào có thể gây điện giật hay không. Thử nghiệm này không chỉ ra loại và mức cách điện được sử dụng.

Đối với thử nghiệm theo Điều A.2 và Điều A.3 :

– một cực của nguồn của DUT phải ở điện thế đất;

– nếu không có nhận dạng rõ ràng điện cực của điện áp nguồn được ghi nhãn trên DUT thì thử nghiệm được thực hiện với cả hai cực tính của điện áp nguồn;

– các phép đo được thực hiện

○ giữa phần liên quan và bộ phận dẫn chạm tới được bất kỳ;

○ giữa phần liên quan và đất.

A.2 Điện áp được đo bằng cách sử dụng mạch đo có điện trở thuần 50 kΩ.

– Điện áp không được vượt quá 35 V xoay chiều giá trị đỉnh hoặc 60 V một chiều không nhấp nhô.

A.3 Trong trường hợp điện áp đo được theo Điều A.2 vượt quá giá trị giới hạn, dòng điện chạm không được vượt quá:

– đối với điện xoay chiều : 0,7 mA (đỉnh);

– đối với điện một chiều : 2,0 mA.

Kiểm tra sự phù hợp bằng cách sử dụng mang đo theo Hình G.2.

Phụ lục B

(quy định)

Bóng đèn thử nghiệm

B.1 Quy định chung

Đối với các thử nghiệm ở Mục 12, cần có một nguồn cung cấp các loại bóng đèn thông thường. Các bóng đèn này được chọn từ các bóng đèn sản xuất bình thường cho các đặc tính càng giống càng tốt với các đặc tính mục tiêu được liệt kê trong tiêu chuẩn thích hợp. Bóng đèn được chọn được luyện (ít nhất 24 h đối với bóng đèn sợi đốt và ít nhất 100 h đối với bóng đèn huỳnh quang và các bóng đèn phóng điện khác, với khoảng thời gian ngắt không thường xuyên), và thực hiện kiểm tra thêm xem các đặc tính của chúng vẫn thỏa đáng và ổn định không. Bóng đèn không còn là bóng đèn thử nghiệm nếu quá 3/4 thời gian làm việc điển hình của chúng trong vận hành bình thường. Trước mỗi thử nghiệm, kiểm tra sự hỏng hóc hoặc các dấu hiệu dẫn đến mất khả năng làm việc. Bóng đèn phóng điện phải được kiểm tra thường xuyên để đảm bảo rằng không có sự thay đổi nhận thấy được về các đặc tính điện mà có thể ảnh hưởng đến nhiệt độ trong đèn điện. Nếu có thể lắp bóng đèn trong mạch ở nhiều hơn một vị trí – ví dụ, bóng đèn huỳnh quang – thì phải ghi nhãn để đảm bảo lắp bóng đèn một cách nhất quán. Phải thật cẩn thận khi tháo dỡ bóng đèn; cụ thể là không được di chuyển bóng đèn phóng điện hơi natri và halogen thủy ngân và bóng đèn huỳnh quang amalgam khi nóng. Bóng đèn được chọn cho một thử nghiệm cụ thể phải có thông số danh định và loại thích hợp với đèn điện. Nếu việc chọn hình dạng, kết cấu hoặc lớp phủ bóng đèn do nhà chế tạo chỉ ra thì phải chọn bóng đèn cho điều kiện nhiệt nặng nề nhất. Ngược lại, phải sử dụng loại thông dụng nhất.

Các yêu cầu theo Điều B.2 đến Điều B.5 đề cập đến chọn bóng đèn làm bóng đèn thử nghiệm, và chọn bóng đèn cho một thử nghiệm cụ thể của đèn điện.

B.2 Bóng đèn sợi đốt thuộc phạm vi áp dụng của TCVN 7671-1 (IEC 60432-1) và IEC 60432-2

B.2.1 Phương thức truyền nhiệt chính và các bóng đèn sử dụng cho thử nghiệm

B.2.1.1 Để tìm các bóng đèn cho thử nghiệm đèn điện mà tạo ra các điều kiện nặng nề nhất bên trong đèn điện thì cần xem xét hai phương thức truyền nhiệt chính là bức xạ và dẫn.

B.2.1.2 Bức xạ. Vật liệu của đèn điện được phát nóng do bức xạ từ sợi đốt bóng đèn, ngoài ra, đối với khu vực ngay xung quanh và đặc biệt là ở trên bóng đèn, do nhiệt đối lưu từ bề mặt bóng thủy tinh. Nói chung, để thử nghiệm các điều kiện này, cần sử dụng bóng đèn trong suốt. Hình dạng sợi đốt sử dụng trong hầu hết các bóng đèn cao áp cung cấp biểu đồ bức xạ rất ít biến động nhưng không chắc có các đặc tính định hướng cao. Có nhiều biến động trong bóng đèn được thiết kế ở điện áp thấp (100 V đến 130 V) vì bóng đèn có các sợi đốt nằm ngang hoặc dọc trục có thể tạo ra các biểu đồ nhiệt khác nhau mà điều này là quan trọng trong một số thiết kế nhất định. Trong trường hợp bóng đèn có bộ phản xạ, cần lưu ý rằng vùng trong suốt là vùng cổ. Nếu có dự định sử dụng bóng đèn có bộ phản xạ truyền nhiệt thì sử dụng các bóng đèn này cho thử nghiệm. Chiều dài tâm sáng cũng đóng vai trò quan trọng.

B.2.1.3 Dẫn. Đui đèn và dây dẫn liên quan nhận nhiệt bằng cách dẫn nhiệt từ đầu đèn và nếu đèn điện có thể làm việc với bóng đèn có tư thế đầu đèn hướng lên thì sự đối lưu truyền từ bề mặt bên ngoài của bóng đèn.

B.2.2 Bóng đèn sợi đốt dùng cho thử nghiệm

B.2.2.1 Quy định chung

Thử nghiệm các điều kiện theo B.2.1.3 và thử nghiệm độ bền yêu cầu bóng đèn nguồn thử nghiệm nhiệt (HTS) được chuẩn bị và sử dụng như quy định trong B.2.2.2 và B.2.2.3.

B.2.2.2 Chuẩn bị

Sử dụng các bóng đèn sẵn có dễ dàng. Mỗi bóng đèn được nhận biết độc lập và độ tăng nhiệt của đầu đèn (∆ts) được xác định bằng phương pháp trong IEC 60360.

Giá trị này được so sánh với các giá trị ở Bảng 2 của TCVN 7671-1 (IEC 60432-1) và Bảng 1 của IEC 60432-2 một cách tương ứng và ghi lại mức chênh lệch (∆(∆ts)).

Trong trường hợp TCVN 7671-1 (IEC 60432-1) và IEC 60432-2 không quy định nhiệt độ thì cần sử dụng dữ liệu của nhà chế tạo hoặc nhà chế tạo cần cung cấp bóng đèn chuẩn.

B.2.2.3 Sử dụng

Bóng đèn thử nghiệm đã biết được sử dụng theo cách bình thường cho thử nghiệm nhiệt, và ghi lại nhiệt độ đầu đèn. Con số này được hiệu chỉnh theo (∆(∆ts)) để có được con số thử nghiệm cuối cùng. So sánh con số cuối cùng với các giới hạn tiêu chuẩn trong Bảng 12.1.

Các hướng dẫn dưới đây giúp lựa chọn bóng đèn thích hợp.

So sánh với bóng đèn trong suốt hoặc mờ, nhiệt độ đầu đèn cao hơn thường có trên các bóng đèn có:

– bầu thủy tinh được phủ màu trắng hoặc màu xám;

– bầu thủy tinh nhỏ hơn;

– chiều dài tâm sáng ngắn hơn.

Chênh lệch nhỏ so với ∆ts quy định ở Bảng 2 ở TCVN 7671-1 (IEC 60432-1) được hiệu chỉnh như trong IEC 60634 để điều chỉnh bóng đèn HTS bằng điện áp thử nghiệm, nhưng việc điều chỉnh này không được làm cho công suất vượt quá 105 % công suất danh định (ứng với 103,2 % điện áp).

Ngoài ra, đối với thử nghiệm nhiệt chỉ cho tính dẫn, bề mặt ngoài của bóng đèn có thể được sơn bằng tay với sơn chịu nhiệt độ cao thích hợp, bắt đầu từ vùng đầu đèn và, nếu cần, mở rộng trên toàn bộ bề mặt bầu thủy tinh.

Đối với bóng đèn có bộ phản xạ và gương cầu, chỉ sử dụng điện áp thử nghiệm để điều chỉnh nhiệt độ.

Đối với thử nghiệm độ bền, không sử dụng bóng đèn HTS đã được thay đổi để cho nhiệt độ đầu đèn cao hơn.

Nếu đèn điện có ghi nhãn dùng cho bóng đèn đặc biệt, hoặc nếu hiển nhiên là phải sử dụng bóng đèn đặc biệt trong đèn điện thì thực hiện các thử nghiệm với bóng đèn này.

Bóng đèn phải được chọn theo công suất lớn nhất được ghi nhãn trên đèn điện. Trong trường hợp có nghi ngờ về đèn điện có ghi nhãn giá trị lớn nhất 60 W, đầu đèn E27 hoặc B22, phải thực hiện thử nghiệm với bóng đèn có bầu thủy tinh tròn 40 W.

Thông số điện áp của bóng đèn thử nghiệm phải là điển hình của thông số điện áp trên thị trường mà đèn điện được thiết kế để sử dụng cùng. Nếu đèn điện được thiết kế cho hai hoặc nhiều nhóm điện áp cung cấp khác nhau, ví dụ từ 200 V đến 250 V và từ 100 V đến 130 V, thì ít nhất phải thực hiện thử nghiệm với bóng đèn có dải điện áp thấp (tức là dòng điện cao hơn), nhưng có tính đến các khuyến cáo nêu trên.

Khi chọn dãy bóng đèn để thử nghiệm, cần tính đến các yêu cầu ở 3.2.8.

Nếu bóng đèn hoạt động bằng biến áp hoặc thiết bị tương tự bên trong hoặc bên ngoài đèn điện thì thông số đặc trưng của bóng đèn thử nghiệm phải ứng với thông số ghi nhãn trên đèn điện, biến áp hoặc hướng dẫn tương tự.

B.3 Bóng đèn halogen thuộc phạm vi áp dụng của IEC 60432-3

Thử nghiệm với bóng đèn do nhà chế tạo cung cấp.

Cần lưu ý các tính chất đặc biệt của bóng đèn này, ví dụ góc chùm sáng, kiểu ánh sáng lạnh, v.v…

B.4 Bóng đèn huỳnh quang và bóng đèn phóng điện khác

Khi bóng đèn làm việc trong các điều kiện chuẩn (theo tiêu chuẩn bóng đèn liên quan của IEC), điện áp, dòng điện và công suất bóng đèn phải càng gần càng tốt với các giá trị danh định của bóng đèn và phải trong phạm vi 2,5 % các giá trị này.

Nếu balát chuẩn không sẵn có thì bóng đèn được chọn bằng cách sử dụng balát chế tạo có trở kháng bằng trở kháng của balát chuẩn ở dòng điện hiệu chuẩn ±1 %.

Bóng đèn có balát lắp liền được xem là bóng đèn huỳnh quang hoặc bóng đèn phóng điện khác với mục đích ở Mục 12. Nếu đèn điện để sử dụng với bóng đèn sợi đốt và bóng đèn có balát lắp liền hoặc bóng đèn phóng điện khác có kết hợp các sợi đốt nối tiếp thì cần thử nghiệm với bóng đèn cho điều kiện nặng nề nhất (thường là bóng đèn sợi đốt).

Nếu đèn điện để sử dụng với tổ hợp các loại bóng đèn kết hợp (ví dụ, bóng đèn sợi đốt cùng với bóng đèn phóng điện), cần thử nghiệm với loại bóng đèn cho điều kiện nhiệt nặng nề nhất.

Nếu đèn điện để sử dụng với bóng đèn sợi đốt hoặc bóng đèn phóng điện thì cần thử nghiệm với bóng đèn cho điều kiện nặng nề hơn (hoặc nếu không biết thì thử nghiệm lần lượt từng bóng đèn).

Thường thấy rằng ở công suất bóng đèn cho trước, các vật liệu trong suốt đạt tới nhiệt độ cao hơn đối với bóng đèn phóng điện hoặc bóng đèn phóng điện có sợi đốt nối tiếp so với bóng đèn sợi đốt.

Nếu đèn điện được thiết kế cho loại bóng đèn chưa có yêu cầu kỹ thuật thì cần chọn bóng đèn theo hướng dẫn của nhà chế tạo bóng đèn.

B.5 Môđun LED thuộc phạm vi áp dụng của TCVN 8781 (IEC 62031)

Thử nghiệm với môđun LED được cung cấp bởi nhà chế tạo đèn điện (đang xem xét).

Phụ lục C

(quy định)

Điều kiện mạch không bình thường

Dưới đây là danh mục các điều kiện mạch không bình thường áp dụng cho đèn điện dùng bóng đèn huỳnh quang dạng ống hoặc bóng đèn phóng điện khác và từ đó rút ra điều kiện nhiệt nặng nề nhất (xem 12.5.1). Nếu đèn điện có từ hai bóng đèn trở lên thì chỉ áp dụng các điều kiện không bình thường cho một bóng đèn cho kết quả bất lợi nhất. Điều kiện không bình thường được thiết lập trước khi bắt đầu thử nghiệm. Điều kiện d) và e) chỉ đề cập đến bóng đèn có hai điện cực được nung nóng trước (ví dụ, bóng đèn huỳnh quang). Bản mô tả gồm cả hướng dẫn bố trí thử nghiệm. Để thuận tiện, điều kiện mạch không bình thường được tạo ra hoặc được mô phỏng bằng một cơ cấu đóng cắt từ xa để không nhất thiết phải làm ảnh hưởng đến đèn điện đã được thử nghiệm đầy đủ ở hoạt động bình thường.

a) Ngắn mạch các cực tiếp xúc của tắcte

Điều kiện này áp dụng cho các tắcte có cực tiếp xúc chuyển động, kể cả tắcte lắp trong bóng đèn.

b) Chỉnh lưu bóng đèn

1) Đèn điện dùng bóng đèn huỳnh quang (Hình C.1 và Hình C.2)

Đây là điều kiện sự cố có thể xuất hiện sau khi kéo dài thời gian sử dụng đèn điện sử dụng balát không có tắcte có bộ điều khiển điện kháng điện cảm. Khi thử nghiệm đèn điện cho hiệu ứng chỉnh lưu, phải sử dụng mạch điện chỉ ra trên Hình C.1. Bóng đèn được nối với điểm giữa của các điện trở tương đương thích hợp. Cực tính của bộ chỉnh lưu được chọn để có điều kiện làm việc bất lợi nhất. Nếu cần, khởi động bóng đèn sử dụng cơ cấu khởi động thích hợp.

Đặc tính của bộ chỉnh lưu phải là:

– điện áp đỉnh ngược ≥ 800 V
– dòng điện nghịch rò ≤ 10 µA
– dòng điện thuận > 3 lần dòng điện danh nghĩa chạy trong bóng đèn
– thời gian quá độ ≤ 50 µs

Tuy nhiên, đèn điện dùng bóng đèn huỳnh quang dạng ống có đầu đèn Fa6 phải được thử nghiệm như sau:

Ban đầu, cho bóng đèn làm việc trong điều kiện bình thường với bộ chỉnh lưu bắc cầu nối tiếp với bóng đèn. Sau đó mở bắc cầu của bộ chỉnh lưu. Bộ chỉnh lưu phải được đưa vào ở cả hai cực tính. Thử nghiệm kết thúc khi bóng đèn tắt hoàn toàn. Nếu không, tiến hành thử nghiệm dưới đây:

Cho bóng đèn làm việc như chỉ ra trên Hình C.2. Cực tính của bộ chỉnh lưu phải được chọn để cho điều kiện làm việc bất lợi nhất. Nếu cần, khởi động bóng đèn sử dụng cơ cấu khởi động thích hợp.

2) Đèn điện dùng cho một số bóng đèn halogen kim loại và một số bóng đèn hơi natri áp suất cao mà theo tiêu chuẩn an toàn của bóng đèn IEC 62035, có thể làm cho balát, biến áp hoặc cơ cấu khởi động quá tải (xem Hình C.3).

Bóng đèn trong đèn điện được thay bằng mạch thử nghiệm như chỉ ra trên Hình C.3. Thử nghiệm được bắt đầu với mạch thử nghiệm, đèn điện và bộ điều khiển đã ổn định ở nhiệt độ bao quanh hộp chống gió lùa. Điều chỉnh dòng điện qua bóng đèn đến giá trị bằng hai lần dòng điện qua bóng đèn bình thường bằng cách thay đổi điện trở R. Không điều chỉnh thêm R.

Nếu đạt được điều kiện ổn định trước khi vượt quá các giới hạn nhiệt độ ở 12.5.2 mà bộ điều khiển bảo vệ nhiệt cơ cấu bảo vệ không tác động, thì phải điều chỉnh R để tăng dòng điện theo các nấc thích hợp, ví dụ mức tăng 10 %, cần cẩn thận để đạt đến các điều kiện ổn định đến mức có thể ở từng nấc. Trong mọi trường hợp, không được điều chỉnh dòng điện quá ba lần dòng điện bóng đèn bình thường.

CHÚ THÍCH: Đối với mạch được bảo vệ bằng cơ cấu bảo vệ tự hồi phục, có thể xuất hiện một số chu kỳ đóng/cắt trước khi đạt đến nhiệt độ lớn nhất.

Đèn điện lắp cùng các loại bóng đèn halogen kim loại và bóng đèn natri áp suất cao cụ thể dưới đây không phải chịu các yêu cầu thử nghiệm về chỉnh lưu ở trên.

– bóng đèn natri áp suất cao có công suất danh định bằng 1 000 W và lớn hơn;

– bóng đèn natri áp suất cao được thiết kế để thay thế trực tiếp cho bóng đèn thủy ngân;

– bóng đèn natri áp suất cao và bóng đèn halogen kim loại được nhận biết theo IEC 62035 là không có khả năng chỉnh lưu cuối tuổi thọ của nó;

– các bóng đèn natri áp suất cao và bóng đèn halogen kim loại khác mà không có rủi ro chỉnh lưu cuối tuổi thọ đã được nhà chế tạo bóng đèn nhận biết. (Việc này có thể hạn chế tính thích hợp của đèn điện chỉ cho nhà chế tạo bóng đèn cụ thể).

c) Tháo bóng đèn mà không lắp lại.

d) Hở mạch một cực của bóng đèn.

Điều kiện này có thể được tạo ra bằng cách đóng cắt. (Một cách khác, bóng đèn thử nghiệm có thể được thay đổi thích hợp).

Cực được chọn phải là cực làm ảnh hưởng bất lợi nhất đến các kết quả.

e) Bóng đèn không khởi động mà cả hai điện cực còn nguyên vẹn. Với điều kiện này, có thể sử dụng bóng đèn thử nghiệm không vận hành được hoặc bóng đèn thử nghiệm đã được thay đổi.

f) Hãm (các) động cơ có trong đèn điện.

Hình C.1 – Mạch điện dùng để thử nghiệm hiệu ứng chỉnh lưu (chỉ cho một số balát điện dung không có tắc te)

Hình C.2 – Mạch điện dùng để thử nghiệm hiệu ứng chỉnh lưu (balát dùng cho các bóng đèn một chân)

CHÚ DẪN

1 nguồn

2 balát, biến áp, cơ cấu khởi động

3 đèn điện

4 mối nối bóng đèn

D 100 A, 600 V

R 0Ω. đến 200Ω (công suất của điện trở ít nhất là bằng 1/2 công suất bóng đèn)

Hình C.3 – Mạch điện dùng để thử nghiệm hiệu ứng chỉnh lưu của một số bóng đèn natri áp suất cao và một số bóng đèn halogen kim loại

Phụ lục D

(quy định)

Hộp chống gió lùa

Các khuyến cáo dưới đây liên quan đến kết cấu và sử dụng hộp chống gió lùa thích hợp cho đèn điện, như yêu cầu đối với các thử nghiệm làm việc bình thường và không bình thường. Các kết cấu khác của hộp chống gió lùa là thích hợp nếu nó được thiết lập sao cho đạt được các kết quả giống nhau.

Hộp chống gió lùa có hình hộp chữ nhật, có đỉnh hộp và ít nhất ba mặt bên là vỏ hai lớp, và có đáy chắc chắn. Vỏ hai lớp này phải là tấm kim loại có đục lỗ, đặt cách nhau khoảng 150 mm, với lỗ thông thường có đường kính từ 1 mm đến 2 mm chiếm khoảng 40 % toàn bộ diện tích mỗi lớp vỏ.

Bề mặt bên trong nên sơn bằng sơn đen mờ. Ba kích thước chính bên trong mỗi kích thước phải ít nhất là 900 mm. Phải có một khe hở không khí ít nhất là 200 mm giữa bề mặt bên trong và bề mặt bất kỳ của đèn điện lớn nhất mà hộp chống gió lùa được thiết kế.

CHÚ THÍCH: Nếu có yêu cầu thử nghiệm hai hay nhiều đèn điện trong một hộp rộng thì phải chú ý để sự phát nhiệt từ một đèn điện không làm ảnh hưởng đến đèn điện khác.

Mặt ngoài phía trên đỉnh hộp và xung quanh các mặt đục lỗ phải có khoảng hở ít nhất là 300 mm. Hộp phải đặt ở vị trí được bảo vệ càng xa càng tốt khỏi gió lùa và chỗ thay đổi đột ngột nhiệt độ không khí. Nó cũng phải được bảo vệ khỏi nguồn phát xạ nhiệt.

Đèn điện cần thử nghiệm phải được đặt cách xa sáu bề mặt bên trong của hộp chống gió lùa. Đèn điện được lắp đặt (chịu các yêu cầu ở 12.4.1 và 12.5.1) như trong điều kiện vận hành.

Đèn điện để cố định trực tiếp lên trần hoặc sàn phải được cố định vào bề mặt lắp đặt gồm có một tấm gỗ hoặc tấm gỗ dán. Sử dụng vật liệu cách điện không cháy nếu đèn điện không thích hợp để lắp trên bề mặt cháy. Tấm gỗ này dày từ 15 mm đến 20 mm và trải dài không dưới 100 mm (nhưng tốt nhất là không quá 200 mm) bên ngoài hình chiếu vuông góc với kích thước ngoài nhẵn của đèn điện. Phải có một khe hở không khí ít nhất là 100 mm giữa tấm gỗ và bề mặt bên trong của hộp. Tấm gỗ được sơn đen bằng sơn phi kim loại mờ.

Đèn điện để cố định vào góc được cố định vào góc gồm có hai tấm gỗ, mỗi tấm phù hợp với các yêu cầu nói trên.

Yêu cầu có tấm thứ ba nếu đèn điện được cố định vào góc thẳng đứng ngay dưới trần mô phỏng.

Đèn điện không được làm cho hốc lắp đặt đạt đến nhiệt độ có khả năng gây ra nguy hiểm hoặc rủi ro cháy và kiểm tra sự phù hợp bằng thử nghiệm dưới đây.

Đèn điện lắp chìm được lắp đặt trong hốc thử nghiệm, gồm có một trần treo, trên đỉnh là một hộp chữ nhật có các mặt thẳng đứng và mặt trên cùng nằm ngang.

Trần treo làm bằng tấm gỗ dán xốp dày 12 mm, trong đó có một khe hở thích hợp cho đèn điện. Tấm gỗ dán này phải kéo dài tối thiểu 100 mm ra ngoài phía nhô ra của đèn điện trên tấm gỗ. Các mặt thẳng đứng của hộp làm bằng gỗ nhiều lớp dày 19 mm và mặt trên cùng bằng tấm gỗ dán xốp dày 12 mm được gắn chặt vào các mặt thẳng đứng.

CHÚ THÍCH : Ví dụ về tấm gỗ dán thường được sử dụng là tấm gỗ được chế tạo theo ISO 16893-1.

a) Đèn điện để lắp chìm trong trần có phủ vật liệu cách nhiệt

Che hộp bằng vật liệu cách nhiệt vừa vặn vào bên ngoài hộp. Cách nhiệt phải tương đương với hai lớp có chiều dày 10 cm bằng len vô cơ có hệ số suất điện trở nhiệt bằng 0,04 W/(m.K). Có thể sử dụng các lớp mỏng hơn nếu có suất điện trở nhiệt cao hơn. Điện trở nhiệt của hộp thử nghiệm trong bất kỳ trường hợp nào phải ít nhất là 5 m2 K/W.

b) Đèn điện để lắp chìm trong trần nhưng không thích hợp để phủ bằng vật liệu cách nhiệt

Đối với đèn điện loại này, hốc thử nghiệm phải là vật liệu như mô tả ở trên.

Các mặt bên và mặt trên cùng của hộp cách đèn điện như theo hướng dẫn của nhà chế tạo đi kèm đèn điện. Nếu không quy định khoảng cách thì hộp được che phải chạm vào xung quanh đèn điện.

Nếu đèn điện được cung cấp cùng các bộ phận riêng rẽ được thiết kế để lắp chìm (ví dụ, với hộp bóng đèn và hộp bộ điều khiển riêng rẽ) thì hốc thử nghiệm phải được kết cấu như một hộp đơn lẻ tuân thủ các khuyến cáo của nhà chế tạo về khoảng cách nhỏ nhất giữa các bộ phận và bên trong hốc (xem Hình D.1 ). Trong trường hợp khoảng cách giữa các bộ phận không được quy định thì phải sử dụng các hốc thử nghiệm riêng rẽ cho từng bộ phận.

CHÚ DẪN

a,b,c,d khoảng cách nhỏ nhất do nhà chế tạo quy định

Các khoảng cách khác phù hợp với Phụ lục D.

Hình D.1 – Ví dụ về hốc thử nghiệm trong đó đèn điện gồm các bộ phận riêng rẽ

Nếu có các tắm đệm nhô ra trên mặt trên hoặc các mặt bên của đèn điện thì các tấm đệm này phải được đặt tiếp xúc trực tiếp với các bề mặt bên trong của hộp thử nghiệm hoặc vật liệu cách nhiệt

Trần treo và bên trong của hộp được sơn đen bằng sơn phi kim loại đen mờ và phải có khe hở không nhỏ hơn 100 mm giữa cụm lắp ráp này và các vách bên trong, trần và sàn của hộp thử nghiệm.

Khi đèn điện được thiết kế để lắp chìm bên trong tường, thực hiện thử nghiệm sử dụng hốc thử nghiệm tương tự hốc mô tả ở trên nhưng với bảng đặt thẳng đứng.

Đối với đèn điện được phân loại để lắp trực tiếp với bề mặt cháy bình thường, không phần nào của hốc thử nghiệm được vượt quá 90 °C (như chỉ ra trong Bảng 12.1) trong khi thử nghiệm nhiệt ở điều kiện làm việc bình thường và 130 °C (như nêu trong Bảng 12.3) trong khi thử nghiệm nhiệt ở điều kiện làm việc không bình thường.

Đối với đèn điện được phân loại không phù hợp để lắp trực tiếp trên các bề mặt cháy bình thường thì không đo nhiệt độ bề mặt lắp đặt hoặc hốc thử nghiệm.

Đèn điện lắp trong thanh ray được nối với hệ thống thanh ray thích hợp với đèn điện. Thanh ray được lắp đặt như trong sử dụng bình thường, theo hướng dẫn lắp đặt của nhà chế tạo. Đèn điện được nối với thanh ray ở tư thế bất lợi nhất về nhiệt trong sử dụng bình thường mà hướng dẫn lắp đặt hoặc ghi nhãn cho phép. Cho đèn điện làm việc trong các điều kiện quy định ở 12.4.1 và 12.5.1.

Tất cả các khoảng cách phải được đo từ các phần xa nhất của vị trí dịch chuyển khi đèn điện điều chỉnh được kích thước ngoài hoặc vị trí ở cả hai trục khi được lắp đặt hoàn toàn và trong quá trình làm việc bình thường (xem Hình D.2).

Hình D.2 minh họa đúng kích cỡ hộp thử nghiệm dùng cho đèn điện điều chỉnh được ở cả hai trục và do đó, cần khoảng cách bên trong trần để điều chỉnh.

Hình D.2 – Kích cỡ hộp thử nghiệm đúng (trần cách điện) đối với đèn điện điều chỉnh được

Phụ lục E

(quy định)

Xác định độ tăng nhiệt của cuộn dây bằng phương pháp tăng điện trở

CHÚ THÍCH: Tham khảo các balát áp dụng cho các phần tử tương tự như máy biến áp.

Trước khi bắt đầu thử nghiệm, thực hiện bố trí sao cho có thể nối balát nhanh bằng phương tiện thích hợp có điện trở không đáng kể vào cầu Wheatstone, hoặc dụng cụ đo thích hợp khác, sau khi ngắt đèn điện ra khỏi nguồn cung cấp.

Cần có đồng hồ bấm giờ có kim giây đọc dễ dàng.

Quy trình thử nghiệm như sau:

Đèn điện được giữ không có điện trong thời gian đủ dài để đảm bảo rằng đèn điện hoàn chỉnh, kể cả cuộn dây balát, ổn định nhiệt ở nhiệt độ xung quanh về căn bản là không đổi (t1) và không được thay đổi quá 3 °C trong thời gian này.

Đo điện trở (R1) của cuộn dây balát nguội và ghi lại t1. Đèn điện được cho làm việc cho đến khi đạt ổn định nhiệt như chỉ ra bằng cơ cấu đo nhiệt độ thích hợp gắn với thân balát. Ghi lại nhiệt độ không khí xung quanh (t3) trong hộp chống gió lùa.

Sau đó ngắt đèn điện ra khỏi nguồn cung cấp, ghi lại thời gian và nối ngay balát vào cầu Wheatstone. Đo điện trở càng nhanh càng tốt và ghi lại thời gian tương ứng.

Các phép đo điện trở khác, nếu cần, được thực hiện ở khoảng thời gian thích hợp trong khi balát nguội, ghi lại thời gian tại đó thực hiện phép đo. Các phép đo này cho phép vẽ đồ thị đường cong thời gian/điện trở mà được ngoại suy ngược về điểm ứng với thời điểm ngắt nguồn cung cấp và đọc điện trở R2 của cuộn dây nóng.

Vì điện trở của đồng thay đổi tỷ lệ trực tiếp với nhiệt độ khi được đo từ điểm chuẩn bằng -234,5 °C nên nhiệt độ cao t2 có thể được tính từ tỷ số của điện trở nóng R2 với điện trở nguội R1 bằng công thức:

Hằng số 234,5 quy về cuộn dây đồng; đối với nhôm, hằng số này là 229. Do đó, đối với cuộn dây làm bằng sợi dây đồng:

Độ tăng nhiệt là chênh lệch giữa nhiệt độ tính được t2 và nhiệt độ không khí xung quanh t3 khi kết thúc thử nghiệm:

độ tăng nhiệt = (t2 -t3) °C

Phụ lục F

(quy định)

Thử nghiệm điện trở đối với ứng suất ăn mòn của đồng và hợp kim đồng

F.1 Hộp thử nghiệm

Phải sử dụng bình thủy tinh đậy kín được cho thử nghiệm này. Các bình này có thể là bình sấy hoặc máng lõm đơn giản bằng thủy tinh có vành tròn và nắp. Thể tích bình phải ít nhất là 10 l. Phải được duy trì tỷ lệ nhất định của không gian thử nghiệm với thể tích dung dịch thử nghiệm là (20:1 hoặc 10:1).

F.2 Dung dịch thử nghiệm

Chuẩn bị 1,0 l dung dịch:

Hòa tan 107 g amonium cloride (loại chất phản ứng NH4Cl) trong khoảng 0,75 l nước chưng cất hoặc nước khử khoáng hoàn toàn và thêm dung dịch natri hyđrôxit 30 % (được chuẩn bị từ chất phản ứng NaOH và nước chưng cất hoặc nước khử khoáng hoàn toàn) bằng một lượng cần thiết để đạt đến độ pH bằng 10 ở 22 °C. Với các nhiệt độ khác, điều chỉnh dung dịch này để ứng với các giá trị pH quy định trong Bảng F.1.

Bảng F.1 – Độ pH của dung dịch thử nghiệm

Nhiệt độ

°C

Dung dịch thử nghiệm

pH

22 ± 1 10,0 ± 0,1
25 ± 1 9,9 ± 0,1
27+ 1 9,8 ± 0,1
30 ± 1 9,7 ± 0,1

Sau khi điều chỉnh pH, điều chế 1,0 l với nước chưng cất hoặc nước khử khoáng hoàn toàn.

Việc này không làm thay đổi độ pH nữa.

Trong mọi trường hợp, giữ nhiệt độ không đổi trong phạm vi ± 1 °C trong khi điều chỉnh pH, tiến hành đo pH sử dụng dụng cụ cho phép điều chỉnh độ pH trong phạm vi ± 0,02.

Dung dịch thử nghiệm có thể được sử dụng trong thời gian kéo dài, nhưng phải kiểm tra độ pH thể hiện lượng ngưng tụ amoniac trong hơi khí quyển ít nhất ba tuần một lần và điều chỉnh nếu cần.

F.3 Đoạn thử nghiệm

Thử nghiệm được thực hiện trên các đoạn thử nghiệm lấy từ đèn điện.

F.4 Quy trình thử nghiệm

Bề mặt của đoạn thử nghiệm phải được làm sạch cẩn thận, vecni được lau bằng axêtôn, mỡ và dấu vân tay được lau bằng xăng nhẹ hoặc sản phẩm tương tự.

Hộp thử nghiệm có chứa dung dịch thử nghiệm phải được đưa về nhiệt độ bằng (30 °C ± 1 °C). Đoạn thử nghiệm, được nung nóng trước đến 30 °C phải được đặt trong hộp thử nghiệm càng nhanh càng tốt sao cho hơi amôniăc có hiệu quả mà không bị cản trở. Các đoạn thử nghiệm tốt nhất là được treo để chúng không chìm vào dung dịch thử nghiệm cũng như không bị chạm vào nhau. Cơ cấu đỡ hoặc treo phải làm bằng vật liệu không dễ phản ứng với hơi amôniăc, ví dụ thủy tinh hoặc sứ.

Phải thực hiện thử nghiệm ở nhiệt độ không đổi bằng (30 °C ± 1 °C) để loại trừ hình thành nước ngưng tụ nhìn thấy được do sự biến động nhiệt độ mà có thể làm mất chính xác nghiêm trọng các kết quả thử nghiệm. Thời gian thử nghiệm phải bắt đầu khi hộp thử nghiệm đóng lại và kéo dài 24 h. Sau xử lý này, đoạn thử nghiệm phải được rửa trong nước máy; 24 h sau, chúng phải không có vết nứt khi xem xét bằng kính có độ phóng đại là 8x.

Để không ảnh hưởng đến kết quả thử nghiệm, các đoạn thử nghiệm phải được cầm cẩn thận.

Phụ lục G

(quy định)

Đo dòng điện chạm và dòng điện trong dây dẫn bảo vệ[3]3

G.1 Đèn điện được thử nghiệm ở nhiệt độ xung quanh bằng 25 °C ± 5 °C ở điện áp và tần số cung cấp danh định trong mạch thử nghiệm như chỉ ra trên Hình G.1.

G.2 Đèn điện được cho làm việc với (các) bóng đèn có loại mà nó được thiết kế, sao cho khi ổn định ở điện áp danh định, công suất và điện áp bóng đèn của bóng đèn huỳnh quang và bóng đèn phóng điện khác nằm trong phạm vi ± 5 % giá trị danh định.

G.3 Đèn điện phải được nối với nguồn điện có dây đi và vật liệu bất kỳ (ví dụ ống lót cách điện) được cung cấp cùng với đèn điện cho mục đích này. Nhìn chung, đấu nối phải theo hướng dẫn kèm theo đèn điện hoặc được ghi nhãn trên đèn. Nếu không dây để nối đèn điện cần thử nghiệm với nguồn và không được cung cấp cùng đèn điện cần là loại đại diện cho thông lệ chung. Dòng điện trong dây dẫn bảo vệ được đo với đèn điện được nối như mô tả ở 12.4.1. Ngoài ra, mạch đo như trong Hình G.4, với A và B nối trong Hình G.1 giữa dây PE của đèn điện và sử dụng mối nối đất. Mạch đo dòng điện chạm được ngắt mạch.

Trình tự thử nghiệm phải như mô tả ở Điều G.5 nhưng “e” luôn hở và không phải thực hiện phép đo trên đèn điện cấp II.

Điện áp U4 đo bằng vônmét điện trở cao (điện tử hoặc máy dao động) ở giá trị hiệu dụng chia cho R và được giá trị dòng điện ở giá trị hiệu dụng.

G.4 Đối với phép đo dòng điện chạm, sử dụng mạch điện quy định ở Hình G.1, G.2 và G.3.

Trình tự thử nghiệm phải như mô tả trong Điều G.5. Sử dụng ngón tay thử nghiệm tiêu chuẩn phù hợp với TCVN 4255 (IEC 60529) như đầu dò thử nghiệm và đặt vào các bộ phận kim loại chạm tới được, hoặc bộ phận cách điện được bọc lá kim loại, kích cỡ 10 cm x 20 cm của thân đèn điện.

Phương pháp đo quy định ở đây dựa trên giả thiết là đèn điện được sử dụng trong hệ thống nối sao TN hoặc TT, tức là đèn điện được nối giữa pha (L) và trung tính (N). Đối với hệ thống khác, xem các điều liên quan ở IEC 60990.

Trong trường hợp đấu nối nhiều pha, quy trình tương tự xảy ra nhưng phép đo được thực hiện trên một pha tại một thời điểm. Áp dụng các giới hạn tương tự cho từng pha.

Sử dụng mạch đo ở Hình G.3 cho đèn điện di động cấp I, trong khi mạch đo ở Hình G.2 được sử dụng cho tất cả các trường hợp ngoại trừ khi dòng điện trong dây dẫn bảo vệ yêu cầu.

Điện áp U2 và U3 trong mạch đo ở Hình G.2 và G.3 là điện áp đỉnh và phải được đo sau khi nối mạng đo bất kể số đọc lần đầu có bị ảnh hưởng bởi điện dung của mạch hay không.

Nếu bao gồm tần số trên 30 kHz, phép đo dòng điện chạm phải gồm có phép đo các ảnh hưởng bóng điện ngoài phép đo ở Hình G.2. Đối với các ảnh hưởng cháy, giá trị hiệu dụng không quá tải của dòng điện chạm có liên quan. Dòng điện chạm không quá tải được tính từ điện áp hiệu dụng U1, đo qua điện trở 500 Ω ở Hình G.2.

Điện cực đầu nối A (ngón tay thử nghiệm tiêu chuẩn) phải được đặt lần lượt vào từng bộ phận chạm tới được. Với mỗi lần đặt điện cực đầu nối A, điện cực đầu nối B phải được đặt với đất, sau đó đặt lần lượt vào từng bộ phận chạm tới được khác.

Với phép đo trên đèn điện cấp II, bỏ qua dây dẫn bảo vệ.

Mạch thử nghiệm ở Hình G.1 phải sử dụng biến áp cách ly.

Trong trường hợp có lắp cơ cấu trở kháng bảo vệ, trong các phép đo, thì từng điện trở và tất cả các linh kiện khác (trừ tụ điện Y1 và Y2 phù hợp với các yêu cầu liên quan trong IEC 60384-14), nếu có, được nối tắt lần lượt.

Yêu cầu đối với đèn điện cấp III, thanh ray và hệ thống dây đang được xem xét.

G.5 Trình tự thử nghiệm

Dòng điện chạm được đo như sau:

Bảng G.1 – Vị trí của cơ cấu đóng cắt e, n và p đối với phép đo các cấp đèn điện khác nhau

Loại đèn điện Vị trí của cơ cấu đóng cắt (xem Hình G.1)
  e n p
a) Cấp II Đóng 1
Đóng 2
Mở 1
Mở 2
       
b) Cấp I, nối cố địnha Đóng Đóng 1
Đóng Đóng 2
Đóng Mở 1
Đóng Mở 2
       
c) Cấp I, nối với phích cắm có thể cắm vào ổ cắm không nối đất Đóng Đóng 1
Đóng Đóng 2
Mở Đóng 1
Mở Đóng 2
Đóng Mở 1
Đóng Mở 2
Mở Mở 1
Mở Mở 2
a Các phép đo này liên quan đến đèn điện cấp I chỉ có các bộ phận cách điện cấp II.

Trong trường hợp đèn điện di động và đèn điện điều chỉnh được có lắp cơ cấu đóng cắt để sử dụng với bóng đèn huỳnh quang hoặc bóng đèn phóng điện khác, đèn điện phải được ngắt điện sau các phép đo. Sau đó, đóng điện cho đèn điện và trước khi khởi động lại (các) bóng đèn, đo lại dòng điện chạm như quy định ở Bảng G.1.

Hình G.1 – Cấu hình thử nghiệm: thiết bị một pha trên hệ thống sao TN hoặc TT

RS 1 500 Ω R1 10 000 Ω CS 0,22 µF
RB 500 Ω   C1 0,022 µF

Hình G.2 – Mạng đo, trọng số dòng điện chạm cảm thụ hoặc phản ứng lại

RS 1 500 Ω R2 10 000 Ω Cs 0,22 µF C2 0,0062 µF
RB 500 Ω R3 20 000 Ω C3 0,0091 µF  

Hình G.3 – Mạng đo, trọng số dòng điện chạm cho qua (đối với đèn điện di động cấp I)

R = 150 Ω

C4 = 1,5 µF

Hình G.4 – Mạng đo, trọng số đối với dòng điện qua dây dẫn bảo vệ tần số cao

Phụ lục H

Để trống

Phụ lục I

Để trống

Phụ lục J

(tham khảo)

Giải thích mã IP đối với các cấp bảo vệ

Để có mô tả chi tiết đầy đủ, xem TCVN 4255 (IEC 60529) mà đoạn dưới đây trích dẫn.

Loại bảo vệ được đề cập trong hệ thống phân loại này như dưới đây.

a) Bảo vệ con người chống chạm với hoặc tiếp cận với bộ phận mang điện và chống tiếp xúc với bộ phận chuyển động (không phải trục quay nhẵn và tương tự) bên trong vỏ ngoài và bảo vệ thiết bị chống sự xâm nhập của vật thể rắn từ bên ngoài.

b) Bảo vệ thiết bị bên trong vỏ bọc khỏi sự xâm nhập có hại của nước.

Ký hiệu chỉ ra các cấp bảo vệ gồm có các chữ cái đặc trưng IP sau đó là hai chữ số (“chữ số đặc trưng”) chỉ ra sự phù hợp với các điều kiện quy định ở Bảng J.1 và J.2 tương ứng. Chữ số thứ nhất chỉ ra cấp bảo vệ được mô tả ở điểm a) bên trên và chữ số thứ hai chỉ ra cấp bảo vệ được mô tả ở điểm b) bên trên.

Bảng J.1 – Cấp bảo vệ được chỉ ra bằng chữ số đặc trưng thứ nhất

Chữ số đặc trưng thứ nhất Cấp bảo vệ
Mô tả tóm tắt Mô tả tóm tắt các vật thể không lọt vào được vỏ bọc
0 Không có bảo vệ Không có bảo vệ đặc biệt
1 Bảo vệ chống sự xâm nhập của vật rắn lớn hơn 50 mm Bề mặt lớn của cơ thể, ví dụ bàn tay (nhưng không được bảo vệ chống tiếp xúc có chủ ý). Vật thể rắn có đường kính lớn hơn 50 mm.
2 Bảo vệ chống sự xâm nhập của vật rắn lớn hơn 12,5 mm Ngón tay hoặc vật thể tương tự có chiều dài không vượt quá 80 mm.Vật thể rắn có đường kính lớn hơn 12 mm.
3 Bảo vệ chống sự xâm nhập của vật rắn lớn hơn 2,5 mm Dụng cụ, sợi dây, v.v… có đường kính hoặc chiều dày lớn hơn 2,5 mm. Vật thể rắn có đường kính lớn hơn 2,5 mm.
4 Bảo vệ chống sự xâm nhập của vật rắn lớn hơn 1,0 mm Sợi dây hoặc dải bằng có chiều dày lớn hơn 1,0 mm. Vật thể rắn có đường kính lớn hơn 1,0 mm.
5 Bảo vệ chống bụi Không ngăn ngừa hoàn toàn sự xâm nhập của bụi nhưng lượng bụi xâm nhập chỉ ở mức vừa phải để thiết bị vẫn làm việc thỏa đáng
6 Kín bụi Không có bụi xâm nhập

Bảng J.2 – Cấp bảo vệ được chỉ ra bằng chữ số đặc trưng thứ hai

Chữ số đặc trưng thứ hai Cấp bảo vệ
Mô tả tóm tắt Định nghĩa
0 Không có bảo vệ Không có bảo vệ đặc biệt
1 Bảo vệ chống giọt nước nhỏ giọt Giọt nước (rơi thẳng đứng) không gây ảnh hưởng có hại
2 Bảo vệ chống giọt nước rơi thẳng khi vỏ nghiêng đi 15° Giọt nước rơi thẳng đứng không gây ảnh hưởng có hại khi vỏ nghiêng một góc 15° về cả hai phía của phương thẳng đứng
3 Bảo vệ chống tia nước Nước rơi dưới dạng tia nước ở góc đến 60° cả về hai phía của phương thẳng đứng không gây ảnh hưởng có hại
4 Bảo vệ chống tóe nước Nước bắn tóe vào vỏ từ mọi hướng không gây ảnh hưởng có hại
5 Bảo vệ chống phun nước Nước được phun vào vỏ theo mọi hướng không gây ảnh hưởng có hại
6 Bảo vệ chống phun nước mạnh Nước được phun dưới dạng luồng mạnh vào vỏ từ mọi hưởng không gây ảnh hưởng có hại
7 Bảo vệ chống ảnh hưởng của ngâm nước Nước không được xâm nhập vào vỏ ngoài với lượng có hại khi vỏ bị ngâm nước tạm thời trong điều kiện tiêu chuẩn về áp suất và thời gian
8 Bảo vệ chống lại ảnh hưởng khi chìm trong nước

Thiết bị thích hợp để ngâm nước liên tục trong điều kiện do nhà chế tạo quy định.

CHÚ THÍCH: Bình thường, điều này có nghĩa là thiết bị được hàn kín. Tuy nhiên, với loại thiết bị nhất định, có thể hiểu là nước có thể vào nhưng chỉ theo cách không gây ảnh hưởng có hại.

Kỹ thuật làm sạch đặc biệt không được đề cập trong thông số IP. Khuyến cáo nhà chế tạo nêu thông tin thích hợp liên quan đến kỹ thuật làm sạch, nếu cần. Thông tin này đi kèm với khuyến cáo có trong TCVN 4255 (IEC 60529) đối với kỹ thuật làm sạch đặc biệt.

Phụ lục K

(tham khảo)

Phép đo nhiệt độ

K.1 Phép đo nhiệt độ đèn điện

Các khuyến cáo dưới đây đề cập đến các phương pháp đo nhiệt độ làm việc trên đèn điện trong hộp chống gió lùa phù hợp với 12.4.1. Các phương pháp đo này được phát triển thích hợp riêng cho đèn điện; có thể sử dụng các phương pháp khác nếu được thiết lập sao cho chúng có độ chính xác và đúng ít nhất là tương đương.

Nhiệt độ của vật liệu rắn thường được đo bằng nhiệt ngẫu. Điện áp ra được đọc bằng thiết bị trở kháng cao. Với dụng cụ đọc trực tiếp, cần kiểm tra trở kháng đầu vào của nó là thích hợp với trở kháng của nhiệt ngẫu. Nhiệt độ bộ chỉ thị loại hóa học hiện nay chỉ thích hợp để kiểm tra sơ bộ phép đo.

Sợi dây của nhiệt ngẫu nên có độ dẫn nhiệt thấp. Nhiệt ngẫu thích hợp có chứa 80/20 niken-crôm ghép đôi với 40/60 niken-đồng (hoặc với 40/60 niken-nhôm). Từng cặp sợi dây (thường ở dạng dài, hoặc tròn từng phần) phải đủ mảnh để đi qua lỗ 0,3 mm. Tất cả các phần đầu của sợi dây có khả năng phơi nhiễm bức xạ phải có lớp phủ kim loại có hệ số phản xạ cao. Cách điện của từng sợi dây có nhiệt độ và thông số điện áp thích hợp; cách điện cũng phải mỏng nhưng bền.

Nhiệt ngẫu được gắn vào điểm đo với nhiễu trong các điều kiện nhiệt là nhỏ nhất và có tiếp xúc nhiệt điện trở thấp. Nếu một điểm cụ thể trên một bộ phận không được quy định thì theo khảo sát sơ bộ, cần tìm điểm có nhiệt độ cao nhất (với mục đích này, nhiệt ngẫu có thể được gắn trong đui đèn bằng vật liệu có độ dẫn nhiệt thấp; các dụng cụ sử dụng nhiệt kế cũng thích hợp). Điều quan trọng là phải khảo sát các vật liệu như thủy tinh vì nhiệt độ có thể biến đổi nhanh theo vị trí. Nhiệt ngẫu gắn bên trong hoặc gần đèn điện cần có mức độ phơi nhiễm nhiệt dẫn hoặc bức xạ nhỏ nhất, cần cẩn thận để tránh điện áp từ các bộ phận mang dòng.

Các phương pháp dưới đây được xem là hữu ích khi gắn các mối nối của nhiệt ngẫu tại điểm đo.

a) Kẹp cơ khí, ví dụ bên dưới phương tiện cố định (cần tránh kẹp dưới các bộ phận mang dòng).

b) Hàn vào bề mặt kim loại (với lượng chất hàn nhỏ nhất).

c) Bằng chất dính (lượng nhỏ nhất yêu cầu). Chất dính không được tách nhiệt ngẫu khỏi điểm đo. Chất dính sử dụng với vật liệu trong suốt thì càng trong suốt càng tốt. Chất dính thích hợp để sử dụng với thủy tinh có thành phần là một phần natri silicat với hai phần canxi sunphat với dung môi là nước.

Trên các bộ phận phi kim loại, 20 mm cuối của nhiệt ngẫu được gắn vào bề mặt để bù luồng nhiệt từ điểm đo.

d) Cáp. Cách điện được xé ra và gài nhiệt ngẫu vào (không chạm vào ruột dẫn); sau đó, cách điện được buộc trở lại.

e) Bề mặt lắp đặt (xem Phụ lục D). Nhiệt ngẫu được gắn với đĩa bằng đồng (đường kính xấp xỉ 15 mm, dày 1 mm, và có lớp phủ đen mờ), mức lõm có bề mặt tại điểm nóng nhất.

Nhiệt độ xung quanh trung bình trong hộp chống gió lùa được lấy là nhiệt độ không khí ở điểm gần một trong các vách được đục lỗ ở mức chính giữa của đèn điện. Nhiệt độ thường được đo bằng nhiệt kế thủy ngân trong thủy tinh, bầu nhiệt kế được che để chống bức xạ bằng trụ hai lớp bằng vật liệu được đánh bóng.

Nhiệt độ trung bình trong toàn bộ cuộn dây được đo bằng phương pháp tăng điện trở. Quy trình được mô tả trong Phụ lục E.

Thường có sai số trong khi tính toán ước lượng, cần tiến hành kiểm tra sơ qua độc lập bằng cách đo nhiệt độ vỏ của phần tử và thêm bộ vi sai cuộn dây-vỏ thích hợp vào kết cấu.

Tất cả các dụng cụ đo nhiệt độ cần được kiểm tra thường xuyên. Khuyến cáo rằng người được ủy quyền đo cần lắp lẫn đèn điện để nâng cao tính nhất quán trong phép đo các vật liệu khác nhau ở các mức nhiệt độ khác nhau.

K.2 Phép đo nhiệt độ các bộ phận cách điện của đui đèn

Cần đặt nhiệt ngẫu lên các điểm đo dưới đây, như chỉ ra trên Hình K.1:

a) viền của đui đèn (không phải trên đui đèn kim loại hoặc gốm);

b) tại điểm tiếp xúc giữa đầu đèn và đui đèn (nếu làm bằng vật liệu cách điện không phải là gốm);

Mục đích là thực hiện phép đo trên đui đèn và cần càng gần càng tốt với điểm tiếp xúc giữa đầu đèn và đui đèn mà không chạm vào đầu đèn;

c) tại chỗ rẽ đôi của cáp với khoảng cách lớn nhất là 10 mm so với các đầu nối của đui đèn (nếu có – điểm đo này là quan trọng nếu sợi dây có thể chạm vào chỗ rẽ đôi này).

Hình K.1 – Đặt nhiệt ngẫu lên đui đèn điển hình

Phụ lục L

(tham khảo)

Hướng dẫn để áp dụng tốt thiết kế đèn điện

L.1 Phạm vi áp dụng

Hướng dẫn để áp dụng tốt này nhằm thông tin cho nhà chế tạo đèn điện về những khía cạnh thiết kế đèn điện mà do tính chất của chúng, không kiểm soát được bởi các thử nghiệm tiêu chuẩn hóa và thể chế đánh giá. Phụ lục này cung cấp thông tin bao trùm các khía cạnh như chọn vật liệu, sự suy giảm vật liệu nhựa trong suốt tuổi thọ của nó, ảnh hưởng của các phần từ ăn mòn và bảo vệ thích hợp, xem xét nhiệt trong thiết kế quang, khuyến cáo liên quan đến hiệu ứng cuối tuổi thọ của bóng đèn và khả năng chịu rung.

Phụ lục này áp dụng cho đèn điện sử dụng trong nhà và ngoài trời và thông tin về kết cấu chấp nhận được nói chung nhưng vẫn chưa hết được mọi khía cạnh. Do đó, hướng dẫn này không được xem là yêu cầu do các giải pháp khác có thể có hiệu quả tương đương hoặc thậm chí tốt hơn trong các ứng dụng cụ thể nhất định.

Phân loại các ảnh hưởng bên ngoài được cho trong IEC 60364-5-51.

L.2 Chất dẻo trong đèn điện

Trong kết cấu đèn điện, thành phần chất dẻo trở nên quan trọng và trở thành các phần tử chức năng xác thực. Thành phần này có trong các bộ phận bên trong như dây dẫn, và các phụ kiện như nắp trong suốt, nắp che và các bộ phận của giá đỡ kết cấu.

Các ứng dụng liên quan đến sử dụng “bình thường” của đèn điện quy định tuổi thọ của các bộ phận bằng chất dẻo này.

Sử dụng quá mức và các ảnh hưởng gây hỏng hóc làm giảm khả năng chống lão hóa. Xem Bảng L.1.

Bảng L.1 – Ảnh hưởng gây hỏng hóc

Ảnh hưởng gây hòng hóc Nguyên nhân Kết quả a
Nhiệt độ làm việc cao Điện áp làm việc quá cao Biến dạng
Nhiệt độ xung quanh quá cao Làm giòn
Lắp đặt không thích hợp Phai màu
Bức xạ UV Bóng đèn thủy ngân áp suất cao có thành phần UV quá mức Vàng
Bóng đèn diệt khuẩn Làm giòn
Chất hoạt tính Chất làm mềm (chất hóa dẻo) Gãy
Làm sạch không đúng (với phương pháp diệt khuẩn)

Giảm độ bền

Hỏng bề mặt bên ngoài

a Tất cả các nguyên nhân có thể liên quan đến tất cả các kết quả.

Cần lưu ý đặc biệt đến:

– nhiệt độ vận hành liên tục;

– bức xạ UV và bức xạ nhìn thấy được;

– va đập cơ tĩnh và động;

– khí quyển bị ôxy hóa.

Một số kết hợp các ảnh hưởng trên có ảnh hưởng đặc biệt và có thể làm vật liệu không thích hợp cho ứng dụng dự kiến. Ví dụ, kết hợp bức xạ UV và nhiệt có thể tạo ra chất màu xanh từ cách điện của cáp PVC, chỉ ra sự suy giảm của cách điện. Các đặc tính công bố có liên quan đến vật liệu cụ thể có tên chủng loại cho trước có thể khác nhau tùy thuộc vào bộ lọc hoặc chất kìm hãm được sử dụng, quy trình chế tạo và thiết kế.

L.3 Khả năng chống gỉ

Đèn điện để sử dụng trong khí quyển bình thường trong nhà có thể làm từ nhiều loại vật liệu khác nhau.

Các phần tử bằng lá kim loại của đèn điện cần được xử lý trước thích hợp và phủ bề mặt, ví dụ tráng men nung.

Bộ phản xạ nhôm không được sơn và cánh thông âm nên là hợp kim nhôm có lớp phủ anốt.

Các phụ kiện của đèn điện, ví dụ như kẹp, khớp nối, v.v…, khi được mạ điện bằng vật liệu thích hợp sẽ cho làm việc thỏa đáng trong khí quyển bình thường trong nhà. Lớp phủ thích hợp là kẽm, niken/crôm và thiếc.

CHÚ THÍCH: An toàn điện của đèn điện để sử dụng trong nhà trong các điều kiện ẩm được kiểm tra bằng các thử nghiệm ở Mục 9.

L.4 Khả năng chống ăn mòn

Đèn điện để sử dụng ngoài trời hoặc trong nhà trong khí quyển có độ ẩm cao cần có đủ khả năng chống gỉ. Mặc dù giả thiết rằng các đèn điện này không yêu cầu phải làm việc trong điều kiện có hơi hóa học nhưng cần ghi nhớ rằng khí quyển có chứa một tỉ lệ nhỏ các chất khí gây ăn mòn như sunphua điôxit và trong khí có hơi ẩm, các chất khí này có thể gây ăn mòn nghiêm trọng trong thời gian dài.

Khi đánh giá khả năng chịu ăn mòn của đèn điện, cần ghi nhớ rằng các phần bên trong của đèn điện kín (ngay cả khi đèn điện có một hoặc nhiều lỗ xả) phải chịu ăn mòn ít hơn nhiều so với phần bên ngoài.

Các kim loại dưới đây hoặc kết hợp của chúng được xem là cung cấp đủ khả năng chống ăn mòn:

a) đồng đỏ và đồng thiếc hoặc đồng thau có không ít hơn 80 % đồng;

b) thép không gỉ;

c) nhôm (dạng lá, đùn hoặc đúc) và kẽm đúc khuôn, được xem là chịu ăn mòn khí quyển;

d) sắt đúc hoặc sắt dễ uốn dày tối thiểu 3,2 mm, được phủ ít nhất là 0,05 mm kẽm trên bề mặt bên ngoài và lớp phủ nhìn thấy được bằng vật liệu đó trên bề mặt bên trong;

e) thép lá, phủ kẽm, chiều dày trung bình của lớp phủ bằng 0,02 mm;

f) vật liệu trùng hợp, xem Điều L.1.

Các phần tử kim loại tiếp xúc với nhau cần được làm từ kim loại nằm sát nhau trong chuỗi ganvanic để tránh ăn mòn điện hóa. Ví dụ, đồng thau hoặc hợp kim đồng không được sử dụng cùng với nhôm hoặc hợp kim nhôm; tiếp xúc giữa từng vật liệu trong nhóm này và thép không gỉ dễ chấp nhận hơn.

Vật liệu nhựa sử dụng ngoài trời thường được chọn từ các vật liệu có đặc tính không thay đổi đáng kể trong thời gian vận hành dài, ví dụ, acrylic.

Nói chung, vật liệu xenlulô không thỏa mãn các điều kiện về độ ẩm cao khi sử dụng cả ở trong nhà và ngoài trời, và các vật liệu khác có polystyren, thích hợp để sử dụng trong nhà, có khả năng suy giảm nặng nề nếu sử dụng ngoài trời do sự kết hợp của hơi ẩm và bức xạ mặt trời.

Trong trường hợp kết cấu của đèn điện nhựa được thiết kế cho điều kiện ẩm cao (trong nhà hoặc ngoài trời) có các mối nối gắn xi măng thì xi măng được sử dụng nhất thiết phải có khả năng chịu phơi nhiễm hơi ẩm liên tục trong thời gian dài mà không bị suy giảm.

CHÚ THÍCH: An toàn về điện đối với đèn điện để sử dụng ngoài trời trong điều kiện ẩm được kiểm tra bằng các thử nghiệm ở Mục 9.

L.5 Khí quyển có chất ăn mòn hóa học

Đèn điện được sử dụng trong khí quyển trong đó hơi hoặc khí ăn mòn hóa học có thể xuất hiện với nồng độ đáng kể và đặc biệt trong trường hợp ngưng tụ xảy ra, yêu cầu cần tuân thủ các phòng ngừa nêu trên đối với đèn điện ngoài trời và cần thực hiện thêm các phòng ngừa dưới đây.

a) Nói chung, đèn điện có thân làm bằng cách đúc kim loại chịu ăn mòn sẽ vận hành tốt hơn đèn điện bằng lá kim loại.

b) Trong trường hợp sử dụng các kim loại thì chúng phải được chọn, trong chừng mực có thể, về khả năng chịu chất ăn mòn cụ thể vì hầu hết các kim loại đều phản ứng với chất ăn mòn. Nhôm đúc khuôn thỏa mãn cho hầu hết các ứng dụng.

c) Tương tự, sử dụng sơn hoặc hệ thống bảo vệ khác cần phải chọn có tính đến các chất ăn mòn cụ thể hoặc nhóm chất ăn mòn. Ví dụ, sơn có khả năng chịu axit cao có thể không có khả năng chịu kiềm.

d) Nhựa như acrylic, PVC và polystyren có khả năng chịu tốt hầu hết các axit vô cơ và kiềm. Tuy nhiên, chúng có khả năng phản ứng với một số chất lỏng hữu cơ và hơi hữu cơ và ảnh hưởng này phụ thuộc vào cả loại nhựa và chất hóa học cụ thể, do đó, cần chọn vật liệu thích hợp với các điều kiện cụ thể.

e) Lớp phủ thủy tinh tráng men có khả năng chịu nhiều chất hóa học nhưng lớp phủ tráng men nhất thiết không được có phần nào bị vỡ hoặc nứt nếu vận hành thỏa đáng trong khí quyển có ăn mòn cao.

L.6 Thiết kế bộ phản xạ

Vật liệu sử dụng trong phản xạ ánh sáng cũng phản xạ phổ hồng ngoại theo đúng cách như vậy. Do đó, bộ phản xạ quang hiệu quả cũng phản xạ hầu hết bức xạ IR từ đèn điện, làm giảm các ảnh hưởng quá nhiệt.

Điều quan trọng là các điểm nóng không được tập trung trên các bộ phận của đèn điện và bóng đèn tại nơi mà chúng có thể ảnh hưởng đến tính năng hoặc làm giảm độ bền của vật liệu. Nói chung, khuyến cáo rằng ánh sáng phản xạ (và tia hồng ngoại) không được tập trung ngược lên thành bóng đèn, sợi đốt bóng đèn hoặc ống hồ quang. Điều này làm ảnh hưởng đến tuổi thọ bóng đèn và trong một số trường hợp nặng nề, có thể làm hỏng vỏ bóng đèn hoặc ống hồ quang.

Không được vượt quá nhiệt độ làm việc lớn nhất nêu trong tiêu chuẩn bóng đèn (xem thư mục tài liệu tham khảo ở 0.2).

L.7 Các phụ kiện ở các loại đèn điện khác nhau

Trong tiêu chuẩn thành phần, chiều dài đường rò và khe hở không khí thường liên quan đến điều kiện nhất định như nhiễm bẩn độ 2 và cấp quá điện áp I, mà cần phải ghi nhớ để chọn các phụ kiện trong đèn điện. Các tham số khác, ví dụ cháy hoặc khả năng chịu phóng điện bề mặt, cũng có thể ảnh hưởng đến việc chọn các phụ kiện của đèn điện. Điều này cũng có nghĩa là phần tử cần xét có thể được sử dụng trong phần lớn đèn điện trong đó các điều kiện tương ứng chiếm ưu thế. Trong một số đèn điện, ví dụ một số đèn điện chiếu sáng đường, phố, đèn điện chiếu sáng khẩn cấp, v.v.., áp dụng các điều kiện chặt chẽ hơn khác. Điều này ngụ ý rằng các phụ kiện “bình thường” có thể không được sử dụng mà không phù hợp với các điều kiện chặt chẽ hơn này. Kết quả của điều này là nhà chế tạo đèn điện có thể phải làm việc với các phụ kiện phù hợp với các điều kiện khác để sử dụng cho các loại đèn điện khác nhau.

Trong tương lai, các phụ kiện cần phải tính đến các tham số dưới đây:

A. Môi trường hẹp của các phụ kiện

A1. Phóng điện bề mặt (IEC 60112)

– môi trường thông thường không cần thử nghiệm phóng điện bề mặt

– môi trường đòi hỏi thử nghiệm phóng điện bề mặt ở 175 V (tức là CT1175)

A2. Độ nhiễm bẩn (IEC 60664-1)

– nhiễm bẩn độ 1

– nhiễm bẩn độ 2

– nhiễm bẩn độ 3

– nhiễm bẩn độ 4

B. Cấp quá điện áp (IEC 60664-1)

– quá điện áp cấp I

– quá điện áp cấp II

– quá điện áp cấp III

– quá điện áp cấp VI

C. Khả năng chịu cháy (bộ tiêu chuẩn IEC 60695-2)

– thử nghiệm sợi dây nóng đỏ ở 650 °C

– thử nghiệm sợi dây nóng đỏ ở 850 °C

L.8 Khuyến cáo về việc bảo vệ balát điện tử đối với hiện tượng cuối tuổi thọ của bóng đèn HID

Vì rủi ro quá tải có thể có của balát vào cuối tuổi thọ của bóng đèn, cần sử dụng mạch bảo vệ thích hợp để làm việc với bóng đèn natri áp suất cao và một số bóng đèn halogen kim loại.

Thử nghiệm được tiến hành sử dụng mạch thử nghiệm ở Hình C.3.

Hiện nay, thường chấp nhận rằng không có khả năng để balát từ tính bình thường sẽ đáp ứng yêu cầu thử nghiệm này mà không có thêm cơ cấu cắt theo nguyên lý nhiệt.

L.9 Khả năng chịu ảnh hưởng của rung

Kết cấu của đèn điện cần có khả năng chống các ảnh hưởng do rung có thể xuất hiện trong vận hành, điều này thường liên quan đến đèn chiếu sáng đường phố (TCVN 7722-2-3 (IEC 60598-2-3)) và đèn pha (TCVN 7722-2-5 (IEC 60598-2-5)). Vì sự khác nhau trong thiết kế đèn điện, phương pháp lắp đặt và điều kiện áp dụng (đặc tính vị trí, điều kiện thời tiết, v.v…), không thể tiêu chuẩn hóa các phương pháp thử nghiệm rung cụ thể.

Khuyến cáo rằng nhà chế tạo nghiên cứu các đặc tính rung trong thiết kế đèn điện, chọn phương tiện cố định và môi trường dự kiến để sử dụng. Từ các đặc tính này, cần tiến hành thử nghiệm rung thích hợp cho sự tin cậy về an toàn của đèn điện trong suốt tuổi thọ của sản phẩm.

Khi xem xét an toàn của đèn điện sau thử nghiệm rung, các kiểm tra dưới đây có thể thích hợp:

a) Duy trì các phụ kiện vào phương tiện cố định của chúng bên trong đèn điện.

b) Không bị mài mòn/hỏng hóc sợi dây hoặc cách điện của phụ kiện.

c) Duy trì các mối nối điện.

d) Duy trì các mối nối cơ.

e) Duy trì các phương tiện cố định của hệ thống lắp đặt.

f) Bảo vệ chống sự xâm nhập của bụi và hơi ẩm được duy trì.

g) Duy trì chiều dài đường rò và khe hở không khí.

h) Không được xê dịch hoặc phải “đặt lại” sau mỗi thử nghiệm tải gió (TCVN 7722-2-3 (IEC 60598-2-3) và (TCVN 7722-2-5 (IEC 60598-2-5)).

i) Không vỡ bóng đèn.

j) Bóng đèn giữ nguyên vị trí.

k) Các dấu hiệu sớm về giảm chất lượng có thể lan truyền gây ra mất an toàn.

l) Không có bộ phận nào tách ra khỏi đèn điện.

CHÚ THÍCH 1 : Điểm l) và j) có thể xem là yếu tố tính năng hơn là yếu tố an toàn trong một số trường hợp.

CHÚ THÍCH 2: Ảnh hưởng do suy giảm tính năng của vật liệu theo tuổi thọ và sử dụng cũng cần xem xét.

CHÚ THÍCH 3: Ở một số nước, tiêu chuẩn quốc gia đề cập đến thử nghiệm rung cho một số loại đèn điện nhất định (ví dụ: ANSI C136 ở Mỹ; AS3771 ở Úc).

L.10 Tính dễ cháy của các phụ kiện

Hướng dẫn bổ sung về đánh giá nguy cơ cháy các sản phẩm kỹ thuật điện có trong bộ tiêu chuẩn IEC 60698, kể cả việc sử dụng các quy trình thử nghiệm chọn sơ bộ cho vật liệu cách điện có các đặc tính nhất định liên quan đến khả năng chịu nhiệt và cháy.

Phụ lục M

(quy định)

Xác định chiều dài đường rò và khe hở không khí

Phụ lục này và Bảng M.1 được sử dụng cùng với yêu cầu về chiều dài đường rò và khe hở không khí trong Mục 11.

Bảng M.1 – Xác định chiều dài đường rò và khe hở không khí (xem Bảng 11.1)

Chiều dài đường rò và khe hở không khí tính bằng milimét giữa: Đèn điện cấp I Đèn điện cấp II Đèn điện cấp III
Điện áp làm việc lớn nhất (không vượt quá) (V) 1 000 V 1 000 V 50 V xoay chiều hoặc 120 V một chiều
(1) Các bộ phận mang điện khác cực tính

Cách điện chính

Chiều dài đường rò hoặc khe hở không khí

PTI ≥ 600 hoặc <600

Cách điện chính

Chiều dài đường rò hoặc khe hở không khí

PTI ≥ 600 hoặc <600

Cách điện chính

Chiều dài đường rò hoặc khe hở không khí

PTI ≥ 600 hoặc <600

(2a) Bộ phận mang điện và bộ phận kim loại chạm tới được

Cách điện chính

Chiều dài đường rò hoặc khe hở không khí

PTI ≥ 600 hoặc <600

Cách điện kép hoặc cách điện tăng cường

Chiều dài đường rò hoặc khe hở không khí

PTI ≥ 600 hoặc <600

Cách điện chính

Chiều dài đường rò hoặc khe hở không khí

PTI ≥ 600 hoặc <600

(2b) Bộ phận mang điện và bề mặt bên ngoài chạm tới được của bộ phận cách điện

Cách điện tăng cường hoặc cách điện kép a

Chiều dài đường rò hoặc khe hở không khí

PTI ≥ 600 hoặc <600

Cách điện kép hoặc cách điện tăng cường

Chiều dài đường rò hoặc khe hở không khí

PTI ≥ 600 hoặc <600

Cách điện chính

Chiều dài đường rò hoặc khe hở không khí

PTI ≥ 600 hoặc <600

(3) Bộ phận có thể trở nên mang điện do hỏng cách điện chính trong đèn điện cấp II và bộ phận kim loại chạm tới được  

Cách điện phụ

Chiều dài đường rò hoặc khe hở không khí

PTI ≥ 600 hoặc <600

 
(4) Bề mặt bên ngoài dây hoặc cáp mềm và bộ phận kim loại chạm tới được mà dây hoặc cáp mềm được gắn chắc chắn vào nó bằng kẹp dây, vật mang cáp hoặc kẹp vật liệu cách điện

Cách điện chính

Chiều dài đường rò hoặc khe hở không khí

PTI ≥ 600 hoặc <600

Cách điện phụ

Chiều dài đường rò hoặc khe hở không khí

PTI ≥ 600 hoặc <600

 
(5) Không sử dụng      
(6) Bộ phận mang điện và bộ phận kim loại khác, giữa chúng và bề mặt đỡ (trần, vách, bàn, v.v…) hoặc giữa bộ phận mang điện và bề mặt đỡ trong trường hợp không có kim loại ngăn cách Cách điện chính Cách điện kép hoặc cách điện tăng cường Cách điện chính

a Trong đèn điện Cấp I khi bề mặt bên ngoài bằng vật liệu cách điện chạm tới được bằng đầu dò thử nghiệm mô tả trong 8.2.1 (ngón tay thử nghiệm tiêu chuẩn đối với đèn điện di động và đèn điện điều chỉnh được, đầu dò 50 mm theo Hình 1 của IEC 61032:1997 đối với kiểu đèn điện khác), thì yêu cầu cách điện tăng cường hoặc cách điện kép.

b Trong trường hợp cáp có hai lớp cách điện (cách điện của ruột dẫn và vỏ bọc bên ngoài) thì yêu cầu này được đáp ứng bởi bản thân cáp đó.

Phụ lục N

(tham khảo)

Giải thích ghi nhãn đối với đèn điện không thích hợp để lắp trên bề mặt cháy bình thường và được bọc vật liệu cách nhiệt

N.0 Quy định chung

Khi đèn điện được cung cấp có lời cảnh báo (như đề cập ở 3.2.9 và 3.2.21) thì điều này có nghĩa là đèn điện không thích hợp để lắp trực tiếp lên vật liệu cháy bình thường và/hoặc không thích hợp để bọc bằng vật liệu cách nhiệt.

Sử dụng cảnh báo này có thể thích hợp cho tất cả các loại đèn điện, kể cả đèn điện dùng bóng đèn nung sáng, không thích hợp để lắp đặt trên bề mặt cháy bình thường. Xem Bảng N.1.

Bảng N.1 – Hướng dẫn khi nào sử dụng ký hiệu và giải thích ký hiệu trên đèn điện hoặc trong hướng dẫn của nhà chế tạo đi kèm đèn điện

  Khả năng của đèn điện Ký hiệu và giải thích
A Đèn điện lắp đặt trên bề mặt thích hợp để lắp trực tiếp lên bề mặt cháy bình thường Không có
B Đèn điện lắp đặt trên bề mặt không thích hợp để lắp trực tiếp lên bề mặt cháy bình thường (chỉ thích hợp để lắp trên bề mặt không cháy) Áp dụng ký hiệu và giải thích
C Đèn điện lắp chìm thích hợp để lắp trực tiếp trên/trong bề mặt cháy bình thường khi vật liệu cách nhiệt có thể được bọc lên đèn điện Không có
D Đèn điện lắp chìm không thích hợp để lắp trực tiếp trên/trong bề mật cháy bình thường khi vật liệu cách nhiệt có thể được bọc lên đèn điện Áp dụng (các) ký hiệu và giải thích
E Đèn điện lắp chìm không thích hợp để lắp trên/trong bề mặt cháy bình thường nhưng phù hợp với các bề mặt khác Áp dụng ký hiệu và giải thích

N.1 Bảo vệ chống lửa

Kinh nghiệm thực tế trong vòng mười năm trước cho thấy không có bằng chứng liên quan đến có khả năng phát lửa từ cuộn dây balát ở cuối tuổi thọ của balát.

Các linh kiện khác, như tụ điện, phải chịu thử nghiệm phá hủy để chứng tỏ rằng các linh kiện này đảm bảo an toàn.

Ngoài ra, cần ghi nhớ rằng các đặc tính dập lửa của vật liệu cháy bình thường của đèn điện được thử nghiệm theo 4.15, kết luận rằng không có bằng chứng chứng tỏ rằng cần giữ yêu cầu đối với vật liệu xen vào giữa cuộn dây và bề mặt lắp đặt. Do đó, yêu cầu này đã được xóa trong tiêu chuẩn này.

N.2 Bảo vệ chống nhiệt

Để bảo vệ bề mặt lắp đặt khỏi quá nhiệt, theo cân nhắc của nhà chế tạo có ba lựa chọn bảo vệ tương đương được nêu trong tiêu chuẩn này.

– khoảng cách;

– đo nhiệt độ;

– bảo vệ nhiệt.

N.2.1 Khoảng cách

Balát hoặc biến áp cách bề mặt lắp đặt một khoảng tối thiểu bằng:

a) 10 mm, gồm cả 3 mm khoảng không khí tối thiểu giữa bề mặt bên ngoài của nắp che và bề mặt lắp đặt, và 3 mm khoảng không khí tối thiểu giữa balát hoặc biến áp với bề mặt bên trong của nắp che.

Nếu không có vỏ balát hoặc biến áp thì khoảng cách 10 mm được tính cho phần tử hoạt động, ví dụ cuộn dây của balát.

Nắp che về căn bản phải liên tục trong vùng được bảo vệ của balát/biến áp cho phép cách nhau ít hơn 35 mm giữa bộ phận hoạt động của balát/biến áp và bề mặt lắp đặt, nếu không thì áp dụng các yêu cầu ở điểm b). Không có yêu cầu liên quan đến chất làm vật liệu nắp che mà có thể là vật liệu cách điện phù hợp với 4.15.

Nếu không có nắp che giữa balát hoặc biến áp và bề mặt lắp đặt đèn điện thì khoảng cách giữa hai bộ phận này ít nhất là 35 mm.

b) 35 mm. Khoảng cách 35 mm ưu tiên tính đến đèn điện lắp đặt theo kiểu bàn đạp trong đó khoảng cách giữa balát/biến áp và bề mật lắp đặt thường lớn hơn nhiều so với 10 mm.

N.2.2 Phép đo nhiệt độ bề mặt lắp đặt trong điều kiện không bình thường hoặc balát hỏng

Có thể được tiến hành đo nhiệt độ để chứng tỏ rằng bề mặt lắp đặt đèn điện không đạt đến nhiệt độ quá cao, trong điều kiện không bình thường hoặc trong điều kiện balát hỏng.

Các yêu cầu và thử nghiệm này dựa trên giả thiết rằng trong khi balát hoặc biến áp hỏng, ví dụ do cuộn dây ngắn mạch thì nhiệt độ cuộn dây balát không vượt quá 350 °C trong thời gian quá 15 min, và do đó, nhiệt độ liên quan của bề mặt lắp đặt không vượt quá 180 °C trong thời gian quá 15 min.

Tương tự, trong các điều kiện balát không bình thường, nhiệt độ bề mặt lắp đặt không được vượt quá 130 °C. Ở nhiệt độ xung quanh và ở điện áp cung cấp bằng 1,1 lần, nhiệt độ của cuộn dây và bề mặt lắp đặt được đo và lập đồ thị; sau đó, vẽ đường thẳng qua các điểm này. Ngoại suy đường thẳng này không được chạm đến điểm biểu diễn nhiệt độ bề mặt lắp đặt bằng 180 °C ở nhiệt độ cuộn dây bằng 350 °C (xem Hình 9).

Đối với bề mặt cháy bình thường, nhiệt độ giới hạn đối với bề mặt lắp đặt liên quan đến nhiệt độ cháy của gỗ là hàm của thời gian (xem Hình 27).

N.3 Bộ bảo vệ nhiệt

Bộ bảo vệ nhiệt có thể là một phần của balát hoặc ở bên ngoài balát.

Yêu cầu đối với balát bảo vệ nhiệt được đề cập trong tiêu chuẩn balát liên quan.

Balát có bảo vệ nhiệt được ghi nhãn ký hiệu

hoặc

. Dấu chấm được thay bằng nhiệt độ danh định cao nhất của vỏ, tính bằng °C khi bộ bảo vệ mở mạch điện.

Balát có bảo vệ nhiệt có ký hiệu

hoặc

có giá trị đến và bằng 130 °C cung cấp bảo vệ hoàn toàn cho bề mặt lắp đặt đèn điện mà không cần đo thêm đèn điện. Điều này nghĩa là sự phù hợp với nhiệt độ của vỏ lớn nhất cho phép liên quan đến thời gian trong điều kiện không bình thường, tức là 130 °C và trong điều kiện hỏng balát, với nhiệt độ bề mặt lắp đặt không vượt quá 180 °C.

Balát có bảo vệ nhiệt có ký hiệu

với giá trị lớn hơn 130 °C phải được kiểm tra cùng với đèn điện như quy định đối với đèn điện có bộ bảo vệ nhiệt ở bên ngoài balát.

Đèn điện có bộ bảo vệ nhiệt bên ngoài balát, và đèn điện có balát bảo vệ nhiệt có giá trị ghi nhãn lớn hơn 130 °C được kiểm tra bằng cách đo nhiệt độ bề mặt lắp đặt đèn điện cho đến khi bộ bảo vệ nhiệt mở mạch điện. Trong quá trình thử nghiệm, nhiệt độ của bề mặt lắp đặt đèn điện không được vượt quá nhiệt độ lớn nhất trong các điều kiện không bình thường, tức là 130 °C, cũng như không được vượt quá nhiệt độ lớn nhất liên quan đến thời gian trong điều kiện hỏng balát (xem Bảng N.2).

Bảng N.2 – Hoạt động bảo vệ nhiệt

Nhiệt độ cao nhất của vỏ bộ điều khiển đèn

°C

Thời gian lớn nhất để đạt nhiệt độ cao nhất tính từ 135 °C

min

Trên 180 0
Từ 175 đến 180 15
Từ 170 đến 175 20
Từ 165 đến 170 25
Từ 160 đến 165 30
Từ 155 đến 160 40
Từ 150 đến 155 50
Từ 145 đến 150 60
Từ 140 đến 145 90
Từ 135 đến 140 120

N.4 Xoá yêu cầu ghi nhãn F

Thay đổi đưa vào trong lần xuất bản này được thực hiện trong 5 năm. Việc thay đổi này đơn giản hóa kết cấu các yêu cầu do đó, hi vọng rằng tất cả các sản phẩm đáp ứng các yêu cầu chặt chẽ nhất. Nếu sản phẩm không đáp ứng yêu cầu này, như lắp đặt trên bề mặt cháy bình thường thì phải được ghi nhãn tương ứng. Do đo, các thay đổi này chuyển từ ghi lẫn nhãn khẳng định và phủ định sang chỉ ghi nhãn phủ định theo các nguyên tắc của IEC.

Một yêu cầu phức tạp khác khi sản phẩm phải tuân thủ với việc lắp đặt lên bề mặt cháy bình thường nhưng không đòi hỏi ghi nhãn (xem ví dụ các yêu cầu đối với đèn ngủ lắp với ổ cắm nguồn lưới) đã được xóa bỏ.

Phụ lục O

Để trống

Phụ lục P

(quy định)

Yêu cầu về hấp thụ đối với che chắn bảo vệ lắp với đèn điện được thiết kế dùng cho bóng đèn halogen kim loại phát bức xạ UV mức cao

P.1 Quy định chung

Hầu hết các bóng đèn halogen kim loại có bóng thủy tinh ngoài chỉ phát bức xạ UV mức thấp và không cần đo thêm bức xạ UV của đèn điện có che chắn. Tuy nhiên, một số bóng đèn halogen kim loại có bóng thạch anh bên ngoài bình thường hoặc không có bóng bên ngoài phát bức xạ UV mức cao (công suất bức xạ UV hiệu dụng riêng lớn hơn 6 mW/klm đối với bóng đèn chiếu sáng chung).

Trong các trường hợp mà nhà chế tạo bóng đèn cung cấp cảnh báo liên quan đến rủi ro bức xạ UV, xem 4.21.1, chú thích 1, hoặc như đề cập trên tờ dữ liệu bóng đèn liên quan ở IEC 61167 đối với các bóng đèn tiêu chuẩn hóa, phải thực hiện các biện pháp bảo vệ thích hợp việc hấp thụ UV trong đèn điện. Để chọn nắp che bảo vệ hấp thụ UV, phải sử dụng một trong hai quy trình dưới đây.

CHÚ THÍCH: Quy trình này chỉ liên quan đến nguy hiểm có thể có liên quan đến con người phơi nhiễm UV. Quy trình này không đề cập đến ảnh hưởng có thể có của bức xạ quang trên vật liệu, như hỏng về cơ hoặc mất màu.

P.2 Quy trình A

Công suất bức xạ UV hiệu dụng riêng lớn nhất Peff của bóng đèn được thiết lập từ thông tin do nhà chế tạo bóng đèn cung cấp hoặc đối với bóng đèn tiêu chuẩn hoặc, từ dữ liệu trên tờ dữ liệu bóng đèn liên quan ở IEC 61167. Công suất bức xạ UV hiệu dụng riêng lớn nhất của bóng đèn là công suất bức xạ UV hiệu dụng của nó có liên quan đến quang thông của nó.

Lượng truyền UV lớn nhất cho phép T của che chắn đèn điện được tính như dưới đây, có tính đến ứng dụng dự kiến của đèn điện:

T ≤ 8 000 / (Peff x te x Ee)

trong đó

T là giá trị truyền UV lớn nhất với chiều dài bước sóng bất kỳ từ 200 nm đến 315 nm;
Peff là công suất bức xạ UV hiệu dụng riêng lớn nhất của bóng đèn (tính bằng mW/klm);
te là thời gian phơi nhiễm lớn nhất có thể có trong ngày với ứng dụng này (tính bằng giờ);
Ee là quang thông lớn nhất có thể có với ứng dụng này (tính bằng lux).

Nếu không thể ước tính được thời gian phơi nhiễm lớn nhất với ứng dụng này và vì không cần xem xét nếu thời gian phơi nhiễm hàng ngày dài hơn 8 h nên yêu cầu nặng nề nhất được cho bởi:

T ≤ 1 000 / (Peff x Es)

Phải chọn nắp che sao cho theo nhà chế tạo thủy tinh, có lượng truyền UV lớn nhất với bước sóng bất kỳ từ 200 nm đến 315 nm không vượt quá giá trị truyền UV lớn nhất cho phép tính được T.

P.3 Quy trình B

Quy trình tính toán nói trên dựa trên giá trị bức xạ UV hiệu dụng có liên quan đến bức xạ nhìn thấy được hiệu dụng của bóng đèn hở. Bất kỳ ảnh hưởng phổ nào của các vật liệu phản xạ bên trong đèn điện đều được bỏ qua.

Tuy nhiên, trong hầu hết các trường hợp, sự phản xạ bên trong đèn điện sẽ hấp thụ bức xạ UV mạnh hơn bức xạ nhìn thấy được, do đó bức xạ UV từ đèn điện sẽ nhỏ hơn theo tính toán ở quy trình A. Nếu cần, và trong trường hợp có nghi ngờ, ảnh hưởng này có thể cần tính đến bằng cách thực hiện các phép đo phổ của độ chiếu xạ từ đèn điện trong vùng UV và vùng nhìn thấy được.

Trong vùng UV từ 200 nm đến 315 nm, bức xạ phổ đo được phải được lấy trọng số theo hàm nguy hiểm UV S() đối với UV không dự kiến, cho bức xạ UV hiệu dụng. Trong vùng nhìn thấy được, bức xạ phổ đo được phải được lấy trọng số theo hàm hiệu quả ánh sáng của phổ V() x 683, cho bức xạ nhìn thấy được hiệu dụng, tức là độ rọi. Tỉ số giữa hai giá trị là Eeff, bức xạ UV hiệu dụng riêng, là bức xạ hiệu dụng từ đèn điện liên quan đến độ rọi của nó.

CHÚ THÍCH: Thông tin về hàm nguy hiểm UV liên quan S() được nêu trong IEC 62471: An toàn về quang sinh học của bóng đèn và hệ thống bóng đèn. Phổ hoạt động S() trải từ 200 nm đến 400 nm nhưng trọng số từ 200 nm đến 315 nm là đủ đối với các nguồn sáng.

Kết quả của phép đo trực tiếp từ đèn điện phải phù hợp với yêu cầu dưới đây, có tính đến ứng dụng dự kiến của đèn điện:

Eeff ≤ 8 000 / (te x Ee)

trong đó

Eeff là bức xạ UV hiệu dụng riêng đo được từ đèn điện (tính bằng mW/(m2.klx));
te là thời gian phơi nhiễm lớn nhất có thể xảy ra trong một ngày của ứng dụng (tính bằng giờ);
Ee là độ rọi lớn nhất có thể có của ứng dụng (tính bằng lux).

Nếu thời gian phơi nhiễm lớn nhất của ứng dụng không ước tính được thì yêu cầu nặng nề nhất trong trường hợp này được cho bởi:

Eeff ≤ 1 000 / Ee

Phụ lục Q

(tham khảo)

Thử nghiệm sự phù hợp trong quá trình chế tạo

Q.1 Yêu cầu chung

Các thử nghiệm quy định trong phụ lục này cần được nhà chế tạo thực hiện trên mỗi đèn điện sau khi chế tạo và nhằm bộc lộ các biến đổi không chấp nhận được trong chừng mực liên quan đến an toàn của vật liệu và trong chế tạo. Các thử nghiệm này không nhằm gây phương hại đến các đặc tính và tính tin cậy của đèn điện, và chúng thay đổi từ các thử nghiệm điển hình nhất định trong tiêu chuẩn bởi điện áp thấp hơn được sử dụng.

Có thể thực hiện nhiều thử nghiệm hơn để đảm bảo rằng tất cả đèn điện phù hợp với mẫu được thông qua trong thử nghiệm điển hình với yêu cầu kỹ thuật này. Nhà chế tạo cần xác định các thử nghiệm này theo kinh nghiệm của họ.

Trong khuôn khổ sổ tay chất lượng, nhà chế tạo có thể thay đổi quy trình thử nghiệm này và các giá trị của nó thành thử nghiệm tốt hơn thích hợp với bố trí sản xuất của mình và có thể thực hiện các thử nghiệm nhất định ở giai đoạn thích hợp trong quá trình chế tạo, với điều kiện là có thể chứng tỏ rằng đảm bảo được ít nhất là cùng mức độ an toàn như quy định trong Phụ lục này.

Q.2 Thử nghiệm

Cần thực hiện các thử nghiệm điện trên 100 % của tất cả các đơn vị được chế tạo như trình tự trong Bảng Q.1. Các sản phẩm bị loại được loại ra làm phế liệu hoặc để làm lại.

Cần thực hiện xem xét bằng mắt để đảm bảo rằng:

a) tất cả các nhãn quy định được giữ chặt đúng vị trí;

b) hướng dẫn của nhà chế tạo được đặt bên trong đèn điện, nếu cần;

c) đèn điện là hoàn chỉnh, và kiểm tra về cơ theo danh mục kiểm tra đối với sản phẩm đã được tiến hành. Tất cả các sản phẩm đạt các thử nghiệm này được nhận biết là thích hợp.

Bảng Q.1 – Giá trị nhỏ nhất dùng cho các thử nghiệm điện

Thử nghiệm Cấp của đèn điện và sự phù hợp
  Đèn điện cấp 1 Đèn điện cấp II bọc kim loại Đèn điện cấp III bọc kim loại có điện áp cung cấp >25 V Đèn điện cấp II và cấp III có bọc cách điện
Thử nghiệm chức năng/tính liên tục của mạch điện (có bóng đèn hoặc bóng đèn mô phỏng) Thường ở điện áp làm việc bình thường

Nối đất liên tục

Đặt giữa đầu nối đất trên đèn điện và các bộ phận chạm tới được có khả năng trở nên mang điện.

Đèn điện điều chỉnh được được đặt ở tư thế bất lợi nhất.

Điện trở lớn nhất bảng 0,50 Ω.

Đo bằng cách cho dòng điện nhỏ nhất bằng 10 A đi qua ở điện áp từ 6 V đến 12 V trong ít nhất 1 s.

Không áp dụng
a) Độ bền điện Dòng điện phóng điện đánh thủng lớn nhất 5 mA Dòng điện phóng điện đánh thủng lớn nhất 5 mA Dòng điện phóng điện đánh thủng lớn nhất 5 mA Không áp dụng
 

Đo bằng cách đặt điện áp nhỏ nhất bằng 1,5 kV xoay chiều trong thời gian nhỏ nhất 1 s hoặc

điện áp kV một chiều

Đo bằng cách đặt điện áp nhỏ nhất bằng 1,5 kV xoay chiều trong thời gian nhỏ nhất 1 s hoặc

điện áp kV một chiều

Đo bằng cách đặt điện áp nhỏ nhất bằng 400 V xoay chiều trong thời gian nhỏ nhất 1 s hoặc

điện áp kV một chiều

 
hoặc hoặc hoặc hoặc  
b) Điện trở cách điện Điện trở nhỏ nhất 2 MΩ Điện trở nhỏ nhất 2 MΩ Điện trở nhỏ nhất 2 MΩ  
Đo giữa đầu nối mang điện và các đầu nối trung tính nối vào nhau với đầu nối đất hoặc giữa các dây dẫn của đèn điện cấp II và đèn điện cấp III và vỏ bọc kim loại Đo bằng cách đặt điện áp 500 V một chiều trong 1 s Đo bằng cách đặt điện áp 500 V một chiều trong 1 s Đo bằng cách đặt điện áp 100 V một chiều trong 1 s  

Cực tính

Được thử nghiệm tại các đầu nối vào

Trong trường hợp cần thiết đối với chức năng đúng của đèn điện Không áp dụng

Phụ lục R

(quy định)

Trình tự các điều sửa đổi có các yêu cầu nặng nề/khắc nghiệt hơn đòi hỏi sản phẩm phải được thử nghiệm lại

Trình tự các điều nêu trong phụ lục này mô tả chi tiết các yêu cầu của tiêu chuẩn này so với tiêu chuẩn phiên bản trước. Các yêu cầu này có thể đòi hỏi các sản phẩm cần thử nghiệm lại khi cập nhật chứng chỉ chứng nhận sản phẩm. Có thể không cần thử nghiệm lại cho tất cả các trường hợp.

Điều 4.28: Cố định các bộ điều khiển nhạy với nhiệt độ

Điều 10.3: Dòng điện chạm, dòng điện của dây dẫn bảo vệ và bỏng điện

12.5.2, Thử nghiệm nhiệt (điều kiện không bình thường) bộ mồi có ghi nhãn tc + x

3.2.12, Ghi nhãn cực đất

3.2.23, 4.24.2: Nguy hiểm ánh sáng xanh đối với võng mạc

3.3.22, Điều 4.31: Cách điện giữa các mạch

Điều 4.32, Điều 10.2: Thiết bị bảo vệ quá điện áp

8.2.1 và Phụ lục M: Tiếp cận đến cách điện chính

Mục 11: Chiều dài đường rò và khe hở không khí đối với tần số cao (trên 30 kHz) và các điện áp xung

Mục 3, Mục 12: Công suất vào danh định đối với đèn điện sử dụng các nguồn sáng không thay thế được hoặc không thay thế được bởi người sử dụng.

9.2.3: Đèn điện IPX2

Phụ lục S

(quy định)

Yêu cầu để nhận biết họ hoặc dãy đèn điện dùng cho thử nghiệm điển hình

S.1 Yêu cầu chung

Khi chọn (các) mẫu thử nghiệm điển hình từ dãy đèn điện có cùng cấu tạo để kiểm tra thử nghiệm điển hình thì (các) đèn điện được chọn phải là đèn điện đại diện cho phối hợp bất lợi nhất của các phần tử và vỏ bọc.

S.2 Dãy hoặc họ đèn điện

Dãy hoặc họ đèn điện có cùng cấu tạo phải được xem là:

a) phù hợp với các cùng một phần 2 của tiêu chuẩn áp dụng;

b) được trang bị bóng đèn có cùng tính chất như:

1) bóng đèn sợi đốt kể cả bóng đèn halogen sợi đốt;

2) bóng đèn huỳnh quang;

3) bóng đèn phóng điện.

4) bóng đèn LED và môđun LED;

c) thuộc cùng cấp bảo vệ chống điện giật;

d) thuộc cùng phân loại IP.

Sự phù hợp được thiết lập bằng cách tuân thủ với Điều S.2.

Từng dãy đèn điện yêu cầu phải xem xét từng trường hợp một. Dãy đèn điện cần được chế tạo từ cùng nhà chế tạo, với cùng hệ thống đảm bảo chất lượng. Các kiểu đèn điện khác nhau của một dãy nhất thiết phải giống hệt về vật liệu được sử dụng, linh kiện và công nghệ áp dụng. (Các) mẫu thử nghiệm điển hình cần được chọn có sự kết hợp giữa nhà chế tạo và trạm thử nghiệm.

Phụ lục T

Để trống

Phụ lục U

(tham khảo)

Chiều dài đường rò và khe hở không khí đối với đèn điện trong đó có thể đòi hỏi mức độ sẵn có cao hơn (chịu xung cấp III)

U.1 Quy định chung

Các giới hạn về khe hở không khí ở Mục 11 của tiêu chuẩn này được thiết lập có tham khảo bộ tiêu chuẩn IEC 60664 và dựa trên mức chịu xung cấp II. Mức này của cấp chịu xung được xem là thích hợp trong sử dụng bình thường của đèn điện thuộc phạm vi áp dụng của các tiêu chuẩn TCVN 7722 (IEC 60598). Phụ lục U nêu chi tiết các yêu cầu nặng nề hơn của bộ tiêu chuẩn IEC 60664 cho phép đèn điện có khả năng quá điện áp cao hơn đối với mức chịu xung cấp III nếu yêu cầu cấp chịu xung cao hơn.

U.2 Yêu cầu đối với mức chịu xung cấp III

Các yêu cầu về khe hở không khí tăng lên đối với mức chịu xung cấp III được nêu trong Bảng U.1. Các giới hạn này áp dụng thay cho các giới hạn nêu trong Bảng 11.1.B nếu yêu cầu thông số đặc trưng của mức chịu xung cấp III.

Các giới hạn về chiều dài đường rò vẫn là các yêu cầu trong 11.2.2, có tính đến chiều dài đường rò không được nhỏ hơn khe hở không khí yêu cầu.

Cần tham khảo IEC 60664-1 để có mô tả chi tiết về độ nhiễm bẩn hoặc cáp quá điện áp.

Khoảng cách tối thiểu quy định dựa trên các tham số dưới đây:

– để sử dụng đến 2 000 m trên mực nước biển;

– nhiễm bẩn độ 2 trong đó thường chỉ xuất hiện nhiễm bẩn không dẫn nhưng đôi khi có thể dẫn tạm thời do ngưng tụ;

– thiết bị có mức chịu xung cấp III là thiết bị trong hệ thống lắp đặt cố định và trong các trường hợp khi độ tin cậy và tính sẵn có của thiết bị phải chịu các yêu cầu đặc biệt.

Bảng U.1 – Khoảng cách nhỏ nhất đối với điện áp làm việc hình sin

Mức chịu xung cấp III

Khoảng cách

mm

Điện áp làm việc hiệu dụng không vượt quá

V

50 150 300 600 1 000

Khe hở không khí có các quá độ nguồn lưới phù hợp với chịu xung cấp IIb

– Cách điện chính hoặc cách điện phụ

0,2 1,5 3,0 5,5 8,0
– Cách điện tăng cường 0,5 3,0 5,5 8,0 14

Khe hở không khí không có các quá độ nguồn lưới a,b

– Cách điện chính hoặc cách điện phụ

0,2 0,2 0,2 0,2 0,7
– Cách điện tăng cường 0,2 0,2 0,2 0,6 1,6

a Các giá trị trong hàng này áp dụng cho các mạch điện khi có đảm bảo rằng chúng không có quá độ (ví dụ mạch acquy).

b Đối với khe hở không khí, điện áp một chiều tương đương bằng với giá trị đỉnh của điện áp xoay chiều. Cho phép nội suy giữa các cột.

Phụ lục V

(quy định)

Các yêu cầu thử nghiệm bổ sung đối với khối đầu nối có tiếp điểm nối đất không bắt ren lắp liền để nối trực tiếp đến hộp đèn điện hoặc đến các phần của thân đèn điện

V.1 Yêu cầu bổ sung cho 7.2.1

Mối nối đất phải có điện trở nhỏ và không được bị hư hại do ứng suất cơ, ví dụ trong khi nối dây pha và dây trung tính với khối đầu nối chung, v.v…

Các yêu cầu thử nghiệm đối với độ bền cơ:

Tiếp điểm nối đất không bắt ren lắp liền để nối trực tiếp đến hộp đèn điện hoặc đến các phần của thân đèn điện phải thể hiện là một mối nối cố định và tin cậy giữa đầu nối và tấm đỡ. Mối nối này không được lỏng ra nếu không sử dụng dụng cụ. Tiếp điểm nối đất không bắt ren trên bề mặt bên ngoài đèn điện phải được bảo vệ chống ứng suất cơ và hỏng hóc từ bên ngoài đèn điện nhờ thiết kế kết cấu. Ứng suất cơ có thể xuất hiện khi đèn điện chạm vào các vật thể khác (ví dụ, bề mặt lắp đặt). Khối đầu nối có tiếp điểm nối đất không bắt ren lắp liền phải được lắp đặt phù hợp với hướng dẫn của nhà chế tạo.

Kiểm tra sự phù hợp bằng cách xem xét và thử nghiệm dưới đây.

Kiểm tra tính tin cậy của việc cố định đầu nối: cố định chắc chắn khối đầu nối vào tấm đỡ được kiểm tra bằng thử nghiệm kéo. Đầu nối được lắp với ruột dẫn một sợi có tiết diện lớn nhất theo thông số đặc trưng của đầu nối. Thử nghiệm kéo có tải bằng 20 N được đặt vào theo hướng bất lợi nhất. Sau thử nghiệm khối đầu nối vẫn phải giữ nguyên vị trí.

Kiểm tra đấu nối cơ vào tấm đỡ: Với thử nghiệm này, khối đầu nối chỉ được giữ bằng tiếp điểm nối đất với tấm đỡ dùng để cố định có vật liệu cách điện được loại bỏ. Tải thử nghiệm kéo bằng 50 N được đặt vào tâm của tiếp điểm nối đất theo chiều ngược với chiều đặt vào trong ít nhất 1 min. Tiếp điểm nối đất không bắt ren không hỏng sau thử nghiệm và đấu nối với tấm đỡ không bị lỏng ra.

Với mỗi thử nghiệm cơ này, điện trở giữa mối nối đất của đầu nối và tấm đỡ không được vượt quá 0,05 Ω sau thử nghiệm.

V.2 Yêu cầu bổ sung cho 7.2.3

Yêu cầu thử nghiệm đối với mối nối điện:

Tiếp điểm nối đất không bắt ren lắp liền để nối trực tiếp đến hộp đèn điện hoặc đến các phần của thân đèn điện được giao nộp để thử nghiệm điện áp rơi. Với thử nghiệm này, khối đầu nối được lắp đặt trên tấm đỡ có chiều dày nhỏ nhất theo yêu cầu kỹ thuật của nhà chế tạo và được lắp với ruột dẫn một sợi 220 có tiết diện lớn nhất theo thông số đặc trưng của đầu nối. Điện áp rơi được đo trên tuyến Ucs như chỉ ra ở Hình V.1. Phép đo được thực hiện như mô tả trong đoạn thứ nhất của Phụ lục này. Nếu điện trở đến tấm đỡ của khối đầu nối bất kỳ vượt quá 0,05 thì khối đầu nối bị loại.

CHÚ DẪN

1 ruột dẫn

2 đầu nối

3 tấm đỡ

Điện áp rơi Ucs giữa ruột dẫn và tấm đỡ.

Hình V.1 – Bố trí đối với thử nghiệm điện áp rơi

Phụ lục W

(quy định)

Thử nghiệm nhiệt khác đối với đèn điện nhựa nhiệt dẻo

W.0 Quy định chung

Phương pháp thử nghiệm dưới đây có thể được sử dụng làm phương pháp khác để thử nghiệm được đề cập ở 12.7.1.1 đối với đèn điện không có bộ điều khiển nhạy nhiệt độ, có lắp bóng đèn huỳnh quang ≤ 70 W. Trong trường hợp có nghi ngờ, áp dụng phương pháp thử nghiệm ở 12.7.1.1.

W.1 Thử nghiệm nhiệt liên quan đến các điều kiện sự cố trong bộ điều khiển bóng đèn hoặc thiết bị điện tử không có bộ điều khiển nhạy nhiệt trong đèn điện nhựa nhiệt dẻo dùng cho bóng đèn huỳnh quang ≤ 70 W

Đèn điện phải được thử nghiệm trong các điều kiện quy định ở điểm a), c), e), f) và h) của 12.4.1. Ngoài ra, áp dụng các yêu cầu dưới đây.

20 % của mạch bóng đèn trong đèn điện, và không nhỏ hơn một mạch bóng đèn, phải chịu các điều kiện không bình thường (xem điểm a) của 12.5.1).

Phải chọn (các) mạch bóng đèn có ảnh hưởng nhiệt lớn nhất đến điểm dùng để cố định và các bộ phận để hở còn các mạch bóng đèn khác phải làm việc ở điện áp danh định trong điều kiện bình thường.

Các mạch điện đã chịu các điều kiện không bình thường được cho làm việc ở 0,9, 1,0 và 1,1 lần điện áp danh định (hoặc giá trị lớn nhất của dải điện áp danh định). Khi các điều kiện ổn định ở từng điện áp trong ba điện áp thử nghiệm này, đo nhiệt độ cao nhất của cuộn dây và nhiệt độ cao nhất của điểm cố định và bộ phận để hở bị ảnh hưởng nhiệt lớn nhất. Không cần đo nhiệt độ của cơ cấu dây quấn cỡ nhỏ lắp bên trong mạch điện tử.

Đối với đèn điện dùng bóng đèn huỳnh quang có bộ điều khiển bóng đèn điện tử nguồn xoay chiều có lắp cuộn lọc, phải xác định điện áp yêu cầu để cho dòng điện làm việc bình thường. Cuộn lọc được cho làm việc ở 0,9, 1,0 và 1,1 lần điện áp này. Khi các điều kiện là ổn định ở từng điện áp thử nghiệm trong ba điện áp thử nghiệm này thì đo nhiệt độ cuộn dây cao nhất và nhiệt độ cao nhất của phần bất kỳ của bề mặt lắp đặt. Tất cả các phần khác của bộ điều khiển bóng đèn và bóng đèn phải ngừng hoạt động đối với thử nghiệm này.

Sự phù hợp:

Các giá trị của nhiệt độ đo được ở 0,9, 1,0 và 1,1 lần điện áp danh định (hoặc giá trị lớn nhất của dải điện áp danh định) được dùng cho các công thức hồi quy tuyến tính để tính nhiệt độ của bề mặt lắp đặt liên quan đến nhiệt độ cuộn dây balát/biến áp bằng 350 °C. Nếu chênh lệch giữa nhiệt độ cuộn dây đo được ở tọa độ 0,9 và 1,1 nhỏ hơn 30 °C thì thêm vào điểm thứ tư có tọa độ là ta của cuộn dây, ta của phần cố định hoặc phần để hở. Sau đó, vật liệu nhựa nhiệt dẻo phải chịu thử nghiệm ép viên bi mô tả ở 13.2.1 ở nhiệt độ ước tính theo đường hồi quy tuyến tính nhưng không nhỏ hơn 75 °C. Phải đo đường kính của vết lõm này và không được vượt quá 2 mm.

Đây là thử nghiệm điều kiện sự cố nhưng không áp dụng thử nghiệm ở 25 °C ở 13.2.1. Khi áp dụng các yêu cầu ở 4.15 và 12.7, các nội dung dưới đây phải được xét đến.

– “Điểm dùng để cố định” (ở 12.7) nghĩa là cả điểm dùng để cố định của các phụ kiện và điểm dùng để cố định của đèn điện với bề mặt lắp đặt.

– “Bộ phận để hở” (ở 12.7) nghĩa là bề mặt bên ngoài của nắp che.

– Theo các yêu cầu ở 12.7, phép đo các bộ phận để hở chỉ hạn chế cho các bộ phận cố định đèn điện/phụ kiện hoặc các bộ phận cung cấp tấm chắn bảo vệ chống tiếp xúc ngẫu nhiên với bộ phận mang điện, như yêu cầu ở Mục 8 của tiêu chuẩn này.

– Phải đo phần nóng nhất của phần vật liệu nhựa nhiệt dẻo cần thử nghiệm. Điểm này thường nằm trên bề mặt bên trong của nắp che mà không phải bề mặt bên ngoài.

– Các giới hạn nhiệt độ của vật liệu được quy định đối với cả vật liệu có tải cơ và không có tải cơ.

– Cần áp dụng phụ lục N với các yêu cầu ở 4.15.

– ta là ta danh định của đèn điện.

Phụ lục X

(quy định)

Các yêu cầu đối với cách điện giữa bộ phận hoạt động của mạch điện và phần dẫn chạm tới được (xem 4.31 và Hình X.1).

Hình X.1 – LVsupplyUout và tấm chắn cách điện giữa nguồn sáng và bộ phận chạm tới được

Bảng X.1 – Yêu cầu về cách điện giữa bộ phận hoạt động và bộ phận dẫn chạm tới được

Bộ điều khiển Cách điện cần thiết giữa các bộ phận hoạt động và bộ phận dẫn chạm tới được
Cách điện giữa nguồn LV và mạch thứ cấp Điện áp ra

Cấp I

Cách điện của các phần dẫn nối đất chạm tới được

Cấp II

Cách điện của một phần dẫn chạm tới được hoặc nhiều phần dẫn có liên kết đẳng thế

Cấp II

Cách điện của nhiều phần dẫn chạm tới được khi không có liên kết đẳng thế

Không Uout > LVsupply Cách điện chính phù hợp với Uout Cách điện kép và tăng cường phù hợp với Uout Cách điện kép và tăng cường phù hợp với Uout
Uout LVsupply Cách điện chính phù hợp với LVsupply Cách điện kép và tăng cường phù hợp với LVsupply Cách điện kép và tăng cường phù hợp với LVsupply
Chính Điện áp cao hơn ELV Cách điện chính phù hợp với Uout Cách điện phụ phù hợp với Uout cộng LVsupply

Cách điện phải đáp ứng yêu cầu cao hơn của a) hoặc b).

a) Cách điện phụ phù hợp với Uout cộng LVsupply

b) Cách điện kép hoặc tăng cường phù hợp

với Uout

ELV (FELV) Cách điện chính phù hợp với Uout Cách điện phụ phù hợp với Uout cộng LVsupply Cách điện phụ phù hợp với Uout cộng LVsupply
Kép hoặc tăng cường Điện áp cao hơn ELV Cách điện chính phù hợp với Uout Cách điện chính phù hợp với Uout Cách điện chính phù hợp với Uout
ELV (FELV)

Cách điện chính phù hợp với Uout

Xem thêm các yêu cầu trong IEC 60598-1, Mục 8, Mục 10 và Mục 11

Cách điện chính phù hợp với Uout

Xem thêm các yêu cầu trong IEC 60598-1, Mục 8, Mục 10 và Mục 11

Cách điện chính phù hợp với Uout

Xem thêm các yêu cầu trong IEC 60598-1, Mục 8, Mục 10 và Mục 11

CHÚ THÍCH: Bảng X.1 là tổng quan chung về các yêu cầu có trong IEC 60598-1, mà Không đưa thêm bất cứ yêu cầu nào.

Thư mục tài liệu tham khảo

[1] IEC 60050-195: 1998, Amendment 1 (2001), International Electrotechnical Vocabulary – Part 195: Earthing and protection against electric shock (Từ vựng kỹ thuật điện quốc tế – Phần 195: Nối đất và bảo vệ chống điện giật) [2] IEC 60050-604:1987, International Electrotechnical Vocabulary – Chapter 604: Generation, transmission and distribution of electricity – Operation (Từ vựng kỹ thuật điện quốc tế – Chương 604: Phát điện, tải điện và phân phối điện – Hoạt động) [3] TCVN 7670 (IEC 60081), Bóng đèn huỳnh quang hai đầu – Yêu cầu về tính năng [4] IEC 60216 (tất cả các phần), Electrical insulating materials – Properties of thermal endurance (Vật liệu cách điện – Đặc tính của độ bền nhiệt) [5] TCVN 5926 (IEC 60269) (tất cả các phần), Cầu chảy hạ áp [6] IEC 60364 (tất cả các phần), Low-voltage electrical installations (Hệ thống lắp đặt điện hạ áp) [7] IEC 60364-4-41:2005, Hệ thống lắp đặt điện của các tòa nhà. Phần 4-41: Bảo vệ an toàn. Bảo vệ chống điện giật [8] IEC 60364-4-44:1995, Amendment 1 (1998), Low-voltage electrical Installations – Part 4-44: Protection for safety – Chapter 44: Protection against overvoltages – Chapter 443: Protection against overvoltages of atmospheric origin or due to switches (Hệ thống lắp đặt điện cho các tòa nhà – Phần 4: Bảo vệ an toàn – Chương 44: Bảo vệ chống quá điện áp – Chương 443: Bảo vệ chống quá điện áp có nguồn gốc khí quyển hoặc do cơ cấu đóng cắt) [9] IEC 60364-5-51, Electrical Installations of buildings – Part 5-51: Selection and erection of electrical equipment – Common rules (Hệ thống lắp đặt điện cho các tòa nhà – Phần 5-51: Chọn và lắp ráp thiết bị điện – Quy tắc chung) [10] IEC 60364-7-702, Electrical installations of buildings – Part 7: Requirements for special Installations or locations – Section 702: Swimming pools and other basins (Hệ thống lắp đặt điện cho các tòa nhà – Phần 7: Yêu cầu đối với hệ thống lắp đặt hoặc địa điểm đặc biệt) [11] TCVN 7722-2-3 (IEC 60598-2-3), Đèn điện – Phần 2-3: Yêu cầu cụ thể – Đèn điện chiếu sáng đường và phố) [12] TCVN 7722-2-5 (IEC 60598-2-5), Đèn điệnPhần 2-5: Yêu cầu cụ thểĐèn pha) [13] IEC 60598-2-6, Luminaires – Part 2: Particular requirements – Section 6: Luminaires with built-in transformers for filament lamps (Đèn điện – Phần 2: Yêu cầu cụ thể – Mục 6: Đèn điện có biến áp lắp trong dùng cho bóng đèn sợi đốt) [14] IEC 60634, Heat test source (H.T.S.) lamps for carrying out heating tests on luminaires (Nguồn thử nghiệm nhiệt (HTS) là bóng đèn dùng để tiến hành các thử nghiệm nhiệt trên đèn điện) 226 [15] 1EC 60664 (all parts), Insulation coordination for equipment within low-voltage systems [16] IEC 60664-1:2007, Insulation coordination for equipment within low-voltage systems – Part 1: Principles, requirements and tests [17] IEC 60664-3, Insulation coordination for equipment within low-voltage systems – Part 3: Use of coating, potting or moulding for protection against pollution (Phối hợp cách điện dùng cho thiết bị bên trong hệ thống hạ áp – Phần 3: Sử dụng lớp phủ, hoặc đúc để bảo vệ chống nhiễm bẩn) [18] IEC 60695 (tất cả các phần), Fire hazard testing (Thử nghiệm nguy cơ cháy) [19] IEC 60695-2 (tất cả các phần 2), Fire hazard testing-Part 2: Glowing/hot-wire based test methods (Thử nghiệm nguy cơ cháy – Phần 2: Phương pháp thử nghiệm dựa trên sợi dây nóng đỏ/nóng) [20] IEC 60695-10-2, Fire hazard testing – Part 10-2: Abnormal heat – Ball pressure test method [21] TCVN 6614-3-1 (IEC 60811-3-1), Phương pháp quy định cho hợp chất PVC – Thử nghiệm nén ở nhiệt độ cao – Thử nghiệm tính kháng nứt [22] TCVN 7863 (IEC 60901), Bóng đèn huỳnh quang một đầu đèn – Yêu cầu về tính năng [23] TCVN 6479 (IEC 60921), Balat dùng cho bóng đèn huỳnh quang dạng ống – Yêu cầu về tính năng [24] TCVN 7684:2007 (IEC 60923), Phụ kiện dùng cho bóng đèn – Balát dùng cho bóng đèn phóng điện (Không kể bóng đèn huỳnh quang dạng ống) – Yêu cầu tính năng [25] IEC 60925, DC supplied electronic ballasts for tubular fluorescent lamps – Performance requirements (Balát điện tử được cấp nguồn một chiều dùng cho bóng đèn huỳnh quang dạng ống – Yêu cầu về tính năng) [26] TCVN 7674 (IEC 60929), Balát điện tử được cấp điện từ nguồn xoay chiều dùng cho bóng đèn huỳnh quang dạng ống – Yêu cầu tính năng [27] TCVN 7326-1: 2003 (IEC 60950-1: 2001), Thiết bị công nghệ thông tin – An toàn – Phần 1: Yêu cầu chung [28] IEC 60972, Classification and interpretation of new lighting products (Phân loại và giải thích các sản phẩm chiếu sáng mới) [29] IEC 61140:2001, Protection against electric shock – Common aspects for installation and equipment [30] TCVN 5175 (IEC 61195), Bóng đèn huỳnh quang hai đầu – Quy định về an toàn [31] IEC 61210, Connecting devices – Flat quick-connect terminations for electrical copper conductors – Safety requirements (Thiết bị nối nhanh – Đầu nối nối nhanh dạng dẹt dùng cho ruột dẫn điện bằng đồng – Yêu cầu an toàn) [32] IEC 61346-1, Industrial systems, installations and equipment and industrial products – structuring principles and reference designations – Part 1: Basic rules (Hệ thống công nghiệp, hệ thống lắp đặt và thiết bị và sản phẩm công nghiệp – Nguyên tắc kết cấu và ký hiệu tham chiếu) [33] IEC 61535:2009, Installation couplers intended for permanent connection in fixedinstallations [34] IEC 61995 (tất cả các phần), Devices for the connection of luminaires for household and similar purposes (Thiết bị để đấu nối đèn điện dùng cho gia đình và mục đích tương tự) [35] IEC/TR 62471:2009, Photobiological safety of lamps and lamp systems (An toàn quang sinh học của bóng đèn và hệ thống bóng đèn) [36] ISO 75-2:1993, Plastics – Determination of temperature of deflection under load – Plastics and ebonite (Chất dẻo – Xác định nhiệt độ biến dạng khi có tải – Chất dẻo và Ebonit [37] ISO 1891, Bolts, screws, nuts and accessories – Terminology and nomenclature (Bulông, vít, đai ốc và phụ kiện – Thuật ngữ và danh pháp [38] ISO 4046-4:2002, Paper, board, pulp and related terms – Vocabulary – Part 4: Paper and board grades and converted products (Giấy, bìa, bột giấy và các thuật ngữ có liên quan – Từ vựng – Phần 4: Các cấp của giấy và bìa và sản phẩm chuyển hóa) [39] ISO 16893-1, Wood-based panels – Particleboard – Part 1: Classifications [40] ANSI C136, American National standard for Roadway Lighting Equipment – Fiber-Reinforced Plastic (FRP) Lighting Poles (Tiêu chuẩn quốc gia Mỹ về thiết bị chiếu sáng đường phố – Cột chiếu sáng chất dẻo có sợi tăng cường (FRP)) [41] AS 3771, Road lighting luminaires with Integral control gear (Đèn điện chiếu sáng đường có bộ điều khiển lắp liền)
  1. 1 Hệ thống tiêu chuẩn quốc gia đã có ICVN 7699-2-14:2007 tương đương với IEC 60068-2-14:1984 và sừa đổi 1:1986. ↑
  2. 2 Hệ thống tiêu chuẩn quốc gia đã có TCVN 6615-1:2009 tương đương với IEC 61058-1:2008. ↑
  3. 3 Các thử nghiệm và yêu cầu ở Phụ lục G này được lấy từ IEC 60990. Để có chi tiết, xem IEC 60990. ↑
5/5 - (20 bình chọn)
Chia sẻ

Hotline: 0702.706.775

Email: info@isoq.vn

Back To Top